Fórum témák
» Több friss téma |
Egyébbként nem egy bonyi dolog.
Nullátmenetnél indítod az egyik időzítőt amikor lejár a triaknak egy gyujtóinpulzus és kész. A timmerbe töltött indítóértékkel tudod a fényerőt állítani. Mimél hamarabb lejár annál világosabb van.Csak arra kell vigyázni hogy a félhullám hosszánál ne legyen hosszabb az idő,mert az már a következő hullámot gyujtja be,ill egy bizonyos értéknél ne legyen rövidebb,mert akkor a triakon nem alakul ki a tartóáram.
Sziasztok!
Az én felfogásomnak egy kicsit jobban fekszik az alábbi megoldás. Most találtam ki, PIC-el lehetne vezérelni a tirisztor gate-jét, 1 irányú feszültséggel. Mi a véleményetek? Lüktető egyenáramot kapna a sima lámpa, gondolom mindegy egy izzónak. András
Biztos jó CSAK szerintem bonyolultabb mint egy triak +pic, valamint az izzó oldalán nem garantálható a test,valamint a pic testje nem a 0 ami szerintem előbb utóbb egyéb problémákat is okozhat (ha érintés kapcsolót is akarsz) .Ez mozgatható lámpánál nem gondolom hogy vészes, de egy menyezeti lámpánál illik.
A triak is vezérelhető csak pozitív impulzussal ezért ez sem akadály.
És mit szeretnétek PIC-kel megvalósítani a lámpa vezérlésében? Én még egy mezei dimmerben sem láttam PIC-et, és nem ráztak, de még érhet engem is meglepetés.
Hát egy csomó vezérlési feladat eszembe jutott, fényjátékok meg ilyesmi. Oda kell a PIC.
Találtam kapcsolásokat triakkal, valóbban egyszerűbb. Azt lehet mindkét irányban ugyanolyan polaritású feszültséggel vezérelni? Mert akkor gond egy szál se.
Ja, értem, tehát nem csak dimmer.
Triakot mindkét irányban lehet vezérelni, értelemszerűen a félperiódussal egyező polaritású vezérlőveszültséggel (ez bonyolítja picit). Na tehát a PIC-em +5 voltos logikai szinjét nem tudom csak úgy rádobni a triakra, mert ellenkező irányban -5V kellene, ugye? Ezért szeretném a tirisztoros megoldást, de valahogy értelmesen. Láttam egyébként kapcsolásban olyat, hogy mikrovezérlő lába ellenálláson keresztül egyből ment a triak gate-jére. Az csak az egyik félperiódusban tudja kapcsolni, jól érzem?
Kapacitív úton ki tudod csatolni rá úgy, hogy negatív irányú impulzus is keletkezzék, de ezt pontosítani szükséges, hogy a triak biztosan kinyisson, egy kísérletezést megér. A vezérlőjel ekkor nem impulzus lesz, hanem négyszög, mely felfutáskor pozitív élt, lefutáskor negatív élt produkál.
A katalógusokban van vezérlésről diagramm .
Itt négy érték szerepel: Pozitív feszültség pozitív gyujtás Pozitív feszültség negatív gyujtás Negatív feszültség pozitiv gyujtás Negatív feszültség negatív gyujtás Ebböl az egyik álltalában magasabb,de MINDEN polaritású A1-A2 feszültség be gyujtható minden polaritású A1 G feszültséggel. (hidd el próbáltam ,egyébbként a gyári infrás /szenzoros fényerőszabályzók is így működnek.) És nem kapacitív tüske mert dróttal tápegységgel működik.
igaz, erre nem gondoltam. Akkor sima ügy TTL szinttel vezérelni.
"És nem kapacitív tüske mert dróttal tápegységgel működik." Ezt nem tudom mire vélni, mit akarsz mondani?
Én azt szeretném megkérdezni, hogy milyen izzók bírják a PWM-es fényerőszabályzást? A hagyományos, LEDes ugye bírja, halogén, energiatakarékos, neoncső meg gondolom nem, de nem tudom
Ami gázkisülés elvén működik és nem gyárilag oldják meg annál egy kissé macerás.
A ledeset nem tudom ,de gondolom ,hogy csak egy szűk feszültségtartományban működik.A hagyományos meg gond nélkül. A halogén megint kétesélyes mert mondanak olyat ,hogy az izzószál hosszú élettartamát csak az üzemi hőfokon tudja (azután ezt ki tudja).
Sziasztok!
Folyton "kivágja" az egyik szobánkba az égőket a csillár Van itt ez az Elektorból származó kapcsolás. Az a dolga, hogy egy izzót lágyan kapcsoljon fel. kb. 700ms után kapcsolja rá közvetlenül a tirisztor a hálózati feszt. Aggodalmam: Igaz, hogy a D2-es dióda miatt az egyik félperiódusok fognak rájutni a lámpára?
Szia!
Idézet: „Igaz, hogy a D2-es dióda miatt az egyik félperiódusok fognak rájutni a lámpára?” Nem! A másik félperiódus a D1-D3 diódán keresztül jut el a lámpához.
A D3-on is ?
A francba, van mit átnéznem még a zenerekről is De köszi!
Szia!
Az egyik irányban csak egy dióda nyitófeszültsége esik, a másikban egy nyitófeszültség plusz a zener feszültsége kb. 4V.
Üdv a fórum olvasóinak! Olvasgatva a korábbi oldalakon találtam rá macera2 felvetésében, a szenzoros kinai kis asztali lámpára. Nekem is van egy, elő is kaptam septiben gondolva hogy a fenti linkben szereplő kapcsolási rajz az övé, sajnos tévedtem. Az a gond vele hogy először mint egy körszámláló megindúlt egyedül számlálgatni azután meg úgy elfáradt hogy érintésre sem hajlandó váltani. Meg mértem az ic tápját 6,4v s ha ezt egy 3kohm-os ellenálláson keresztül hozzáérintem a szenzorhoz szépen váltogat. Van e valakinek ötlete a probléma megoldására? Válaszaitokat előre is köszönve, üdvözlettel ksanyi.
Szerintem a "szenzor " felületével lehet probléma
A két érintőfelület közt lehet valami "szutyok" próbáld meg a szenzort megpucolni (ez a hiba sokszor előfordult a régebbi érintőgombos TV- nél )
Köszi kaqkk! Takarítgathatnám legfeljebb fényesebb lenne u-is az egész fémház maga a szenzor. Valószinüleg úgyműködik mint amikor egy erősítő bemenetének melegponjához érünk erős brumot hallunk, ez a brum valami számlálót léptet 0-1-2-3 ig. 0-ában ki 1,2,3,-ban más más ellenálláson keresztül tölti az időzitő kondit. Gondolom én. Ha valaki többet tud vagy másként tudja esetleg kapcsolási rajza is van ossza meg velünk itt a fórumon. Üdv ksanyi.
Sziasztok!
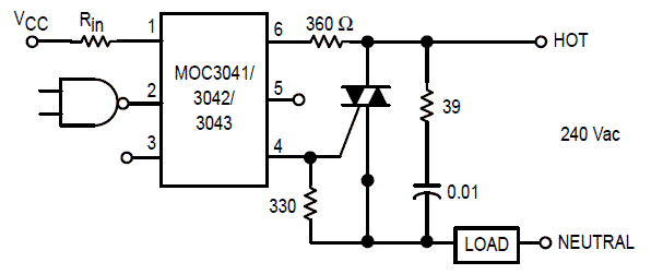
Összeraktam a képen látható teljesítmény szabályzót egy izzóhoz. Ezt egy mikrovezérlővel szeretném szabályozni PWM-el. Amikor beüzemelem, azt csinálja, hogy kb. olyan fényerővel izzik a lámpa mint ahogy kellene, de mellette még másodpercenként 2-őt villog. Szerintetek miért van ez?
A mikrovezérlőt szinkronizáltad a hálózati nullátmenethez? Ha nem akkor esetleg az a baj.Jut eszembe PWM-mel ezt nem is nagyon tudod megoldani (bár lehet még kezdő vagyok) Fényerőszabályzást mikor csináltam a hálózat nullátmenetét figyeltem és ehhez képest indítottam a gyújtást.A két oszcillátor modulációját (50Hz hálózat, PWM ) látod villanás formájában.(Ha nem mennek pontosan együtt akkor néha a gyújtóimpulzus annyit téved hogy egy kimarad -a triakra túl korán ill későn érkezik-)
Szia!
Fázishasításos vezérlés jobb lenne. És persze a nullátmenethez kellene szinkronizálni a gyújtási időpontokat. Itt a rajzod: Bővebben: Link. Itt is fázishasítást alkalmaznak.
Igen, lehet, hogy ez a baj de úgy tudom, hogy ez a moc3041-es nullátmenet figyelős. Vagy még emellett is nézni kell a hálózatot?
Tényleg azt csinálja amit írtál, néha összevissza kimarad a fény (attól függ mennyi a PWM frekije).
Egy konkrét példa PIC-el. Doksi, program a linkben: Dimming AC Incandescent Lamps Using A PIC10F200
A moc csak azt garantálja, hogy nullátmenetnél kapcsol ki.
A fázishasításhoz szükséges bekapcsolási pontot TE döntöd el.(ettől függ a fényerő) Ha ez nincs szinkronban a hálózattal akkor a moc lehet a periódus elején gyújt ,de lehet a végén, és az ő kötelessége csak az hogy jó helyen kapcsoljon ki.
Sziasztok.
Nekem egy minnél egyszerűbb és minnél megbizhatóbb kapcs rajz kellene,és nem fényerőt szeretnék vele állitani hanem egy mosógép motorjának a fordulatát szeretném vele szabályozni (amit ha jól tudok 150w-os). Mindenkinek köszönöm előre is.
Ha asszinkron motor (nincs kommutátora) akkor felejtsd el. Egyszerű eszközökkel nem szabályozható.(bonyolultabbal is csak szűk korlátok között.)
Köszönöm a választ.
Ha komutátoros (az az szénkefés) motorról lenne szó természetesen 220v-os,akkor mit ajánlanál ami megbizható es jó árban van. |
Bejelentkezés
Hirdetés |












