Fórum témák
» Több friss téma |
- Ez a felület kizárólag, az elektronikában kezdők kérdéseinek van fenntartva és nem elfelejtve, hogy hobbielektronika a fórumunk!
- Ami tehát azt jelenti, hogy a nagymama bevásárlását nem itt beszéljük meg, ill. ez nem üzenőfal! - Kerülendő az olyan kérdés, amit egy másik meglévő (több mint 17000 van), témában kellene kitárgyalni! - És végül büntetés terhe mellett kerülendő az MSN és egyéb szleng, a magyar helyesírás mellőzése, beleértve a mondateleji nagybetűket is!
Hello!
A frekvencia/periódus idő kiszámolását jól érted, de.. - Az IC oszcillátorának van némi tápfeszültség függése, de ez gyakorlatilag itt elhanyagolható. - Ennek a 250ns-nak nincs értelme az égvilágon semmi. Amit kiszámolunk, azt vagy sec-ban, vagy msec-ban, vagy nsec-ban adjuk meg. Amit kiszámoltál, az 7,26msec. (De ez mellett, egy sima RC oszcillátornál, a 250ns eltérésnek még értelme sincs, hiszen ez a 7,26ms-ot, csak 3,4%-al módosítaná meg. De mivel van tápfeszültség függés, és az alkatrészeknek is van tűrése, még így sem lenne jelentősége. De ha 7,26ms-hoz hozzá adjuk a 250ns-t, akkor semmi esetre nem 7260250ns jön ki.) - Az IC-ben az oszcillátort, bináris számláló követi. Tehát minden számláló fokozat kettővel oszt. (Ha az időt nézzük, akkor kettővel szorozza.) Minden Q kimenetet kettő hatványaként kell értelmezni. Tehát a Q4 kimenet 2^4=16-al oszt, az oszcillátor frekvenciához képest. Q5, 2^5-ennel, és így tovább.. Tehát ezt a 250ns-t felejtsd el. Ha az oszcillátor periódus ideje 7,26msec akkor a Q4 kimenet periódus ideje 7,26*16=116msec lesz. üdv! proli007
Sziasztok!
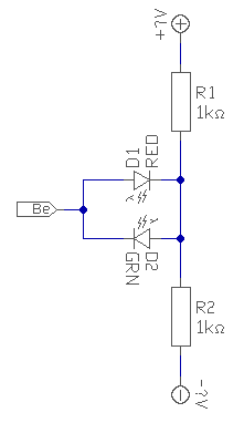
Egy olyan áramkörre lenne szükségem, aminek az lenne a feladata, hogy amikor az egy darab drótot ami a nyákról lejön hozzáérintem egy másik áramkörhöz, felvillant 1 led-et, akkor ha a pozitív pólushoz érintettem, ha pedig a negatívhoz akkor egy másik led-et. Az áramkörröl én csak 1 drótot szeretnék kivezetni. Az áramkörnek maximum 18 v-ról kellene működnie, egy stab. ic-vel. Megoldható lenne ez? Előre is köszi a segítséget.
Hello!
"hozzáérintem egy másik áramkörhöz" ez mit is takar? "felvillant 1 led-et" valóban felvillantja, vagy csak ég? Az első mondatod, olyan összetett, hogy nem egészen értettem meg mit is szeretnél. És mihez kell a stab IC? Szóval hogyan is működjön? És milyen bemeneti feszültség szinttel? Talán egyszerűbb lett volna leírni, mi is a szándékod ezzel az áramkörrel. Vagy mi is ez.. Mert különben ezt az igen komplikált áramkört javasolnám.. üdv! proli007
Egy vezetékkel szerintem nem megoldható..
Megcsináltam!!! Egy dolog viszont nem világos. Lehet hogy nevetséges de az "Emittert leviszed testre" mondatot nem tudom. Én arra gondolok hogy azt a 10 volt minuszára kell kötni de kérlek javíts ki ha mégse. Ha valamit rosszul csináltam kérlek szólj! (Ez az első rajzolt kapcsolásom. Ha valami ronda vagy összefolyik akkor elnézést.)
Bocsi így hogy újra átolvasom valóban rosszul fogalmaztam. tehát az lenne a feladata, hogy egy vezetéket hozzáérintek és a két led segítségével azt mutatná hogy pozitív vagy negatív pólushoz érintettem a vezetéket. Ha pozitív akkor az egyik világítana, ha negatív akkor pedig a másik.
És még1* bocsi.
Hello!
Minden jó, csak a lámpákat nem a -10V-ra, hanem a +10V-ra kell kötni. De ha az izzók, csak 3,5V-osak, akkor nem lenne célszerű kisebb tápfeszültséget használni ellenállások helyett? üdv! proli007
Hello!
Akkor már készen is vagyunk, ott az áramköröd.. üdv! proli007
Szia! Köszönöm válaszod, ismét tanultam belőle. Így már világos, tudtam hogy valami nem jó, ezért is kérdeztem meg! Még egyszer kösz! Üdv!
Szerintem mindenképpen közösíteni kell a két áramkör GND jét.
Talán így???
De így az IC és az izzok is +10 V kapnak. Ha esetleg félreértettem szólj!!! De valóban egyszerűbb lenne ha kevesebb tápfeszültség lenne. Akkor nem kellenének a 33 Ohmos ellenállások??? Üdv.
A 10V-ot én mondtam neki, mert az IC-hez annyit gondoltam... Ehhez az IC-hez segítettél nekem.
danci1995: proli0007 leírta, hogy mi a probléma a kapcsolással. (Az izzókat a tápfeszre azaz, a +10V-ra kösd!) És még annyit, hogy 47k-s trimerre gondoltam, nem pedig 4,7k-sra, de most már tudom, hogy hogy kell kiszámolni a villogás frekvenciáját, és neki is látok, úgy okosabbak leszünk, ha tudjuk, hogy mit miért... Olvasd el te is proli hozzászólásait, érti a dolgát!
Hello!
Azt gondoljátok át, miért kell 3,5V-os izzó, hány db. lesz belőle használva és miként lesznek kötve. Mert a tranzisztornak meg is kellene hajtani azt az áramot, amivel terhelitek. Egyébként ez nem "össze-vissza" villogó,hanem egy "bináris" számláló lesz. Az "össze-vissza" véletlenséget takarna, de ez messze nem az. Még csak nem is álvéletlen. Persze ha lassan fog menni, és össze-vissza lesznek elhelyezve, akkor elég nehéz lesz felfedezni az összefüggést a villogásnál. üdv! proli007
Ez sem lesz jó. CSAK az izzókat kösd a tápfeszre, de ReSeT (12-es láb) és a Vss (8-as láb) marad a testen! Mindjárt lerajzolom 5db izzóval. Ja és ezt feltétlen olvasd el. A lényeg, hogy ha kiszámolod/beállítod az oszcillátor frekvenciáját, akkor azt a frekvenciát amit kapsz, osztod a kettő azon kitevőjével, ami a Q mellé van írva, akkor kapod meg a villogás frekijét.... De ezt proli007 írta le... Most lesz egy kis dolgom, de mindjárt lerajzolom. Milyen tápfeszültséget tudsz kreálni? Üdv
Helloka mindenkinek,elnezeseteket kerem a zavarkodasert,oszinten segitsegre lenne szuksegem,erdekelne a hobbielektronika,keresnek 1 olyan embert aki segitene ebbe magyarazna 1 2 dolgot stb,ha esetleg tud valaki segiteni nagyon orulnek neki
elore is koszonom szepen
Hát kérdezz ? valaki egészen biztos fog válaszolni érdemben !
Esetleg van 1 msn cimed
) vagy hasonlo h tudjunk ugy beszeleni? ne erts fere csak igy elege nehezn tudunk komunikalni
Szia.
Idézet: „ne erts fere csak igy elege nehezn tudunk komunikalni” Nem is olyan nehéz ám az...próbáld ki ,azért van ez a topic. Csak a helyesírásra figyelj, mert itt azért a modik keményen harapnak.
Ertem,szoval nem tudom hogyan kene neki alni h keszitsek 1 led sort,amilyen a knight riderben van,ezert kene nemi segitsek,igen tudom olvastam az oldalon h kell de oszinten nem ertetem,ezert is irtam a topicban
Van itt egy pár ilyen topic is
futófény Knight 2000Ott kérdezhetsz róla, biztos segítenek összehozni neked egyet.
Sziasztok
Nekem is kellene egy kicsi segítség a ledes diszkófény elkészítéséhez. A ledeknek melyik lábát kötögetem össze (rövid/hosszú)? A PC LPT connector bekötésekor a PC GND hova megy? És a nyák közepén a vízszintes részhez mi megy? (bocsi de totál kezdő vagyok )
Szia!
Egy rajzot csatolhattál volna.
bocsi...lemaradt.
Pirossal bekereteztem a kérdéses részt
Ahhoz semmi nem megy. Az áram folyik rajta.
függőlegesen?
mert akkor jól gondoltam
Szia!
Idézet: Hát igen. Ebben tudnál segíteni? Mármint, hogy hogy számoljam ki a bázisellenállást? Már olvasgattam róla, de nem áll össze. Vegyük példának a BC639-et, tápfesznek 9V-ot és a Collektorra egy LED-et kötök, amelyen 3V esik és 20mA. Addig OK, hogy a LED előtét ellenállás kiszámoljam, de a tranyó Bázisára mekkora ellenállást kössek? (Emmiter testen) Kösz szépen! Üdv „Mert a tranzisztornak meg is kellene hajtani azt az áramot, amivel terhelitek.”
Na szoval mit kene beszerezek a led sor keszitesehez? Kitt ledsorhoz? esetleg kaphatnek 1 listat? kezdetnek.. ?
A forrszemek közé átkötéseket kell tenni
En kesziteni szeretnek
|
Bejelentkezés
Hirdetés |







elore is koszonom szepen
) vagy hasonlo h tudjunk ugy beszeleni? ne erts fere csak igy elege nehezn tudunk komunikalni
) 






