Fórum témák
» Több friss téma |
Naná ,hogy 880W. Ez különben toroid trafó lenne?
Ha jól számolom akkor 30A tud 30V feszültségen . Ha átalakítod akkor 15A oldalanként. Ez már izmos trafó . Jó kis erősítőt lehet építeni belőle.
Sz**asztok! Segítségeteket kérném az*al kapcsolatban hogy *an egy trafóm két kivezetéssel 15Vot ad!
Na* mast szimetrikus +-12 voltos tápot akarom én csinálni! LM7912 7812 es IC-m *an ezekhez egy kapcsoláast letudna nekem *alak* rajzolni???
*eharagudj! de* nem tudsz segíteni nekem?
A kezdő kérdések ben megkaptad a választ. Nem azért írtam a keresőt, hogy megtaláld a megfelelő topikot, a kérdésed feltevésénél kellet volna eredetleg is ide írnod. De ha már itt vagy akár elovashatnád is, a kérdés megismétlése helyett, mert itt vannak azok is amiket csatoltam.
És próbálj meg magyar szavakkal, magyar betűkkel írni helyesen, kevés "humorral" lényegre koncentrálva. azwal ? wan ? walaky ? milyen szavak ezek?Mondatkezdés nagybetű
Cikk is van az adott témáról az oldalon. (Bővebben: Link) S a 7. lapon a keresett kapcsolás...
Akkor először is elnézést kérek a helyesírásal kapcsolatban! Igazatok van.
Simpi: Köszi szépen a rajzot. _JANI_: Kér kivezetésű tápom van nem 3 ![]()
Üdv!
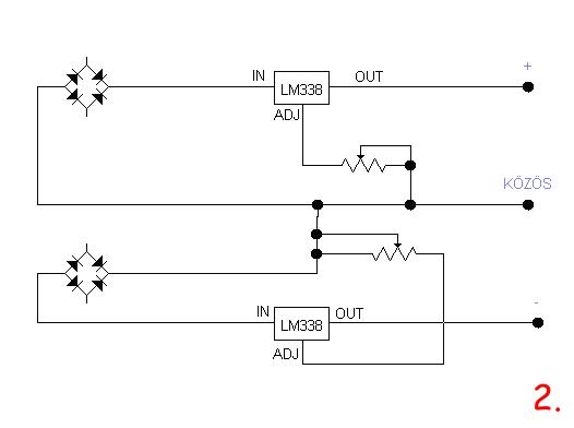
Uraim egy kis segítséget kérnék. LM338 –ból szeretnék egy szimmetrikus tápegységet építeni, és ezzel kapcsolatos a problémám. Nézegettem a neten az ide vonatkozó rajzokat, és két fajtát találtam (lásd 1. 2. kép). Ezeket már én rajzoltam és kihagytam róla egy csomó alkatrészt, csak a két IC –t, és a két pótmétert rajzoltam le (az egyszerűség kedvéért), persze a valóságban bent lesz a többi elem is. Szóval azt szeretném kérdezni, hogy melyik rajz a jó; ha esetleg valaki már épített ilyet, meg köszönném a válaszát. Még egyszer köszönöm a válaszokat!
Ez lesz a jó megoldás: Bővebben: Link. Két trafó kell hozzá vagy két független szekunder tekercs.
Sziasztok! Megépítettem a mellékelt kapcsolást, de a közös ponthoz képest csak +6 és -0,4 V-ot tudok mérni rajta. 741 helyett TL082-t használtam. És nem teljesen értem hova kell kötni a 741 negatív bemenetét (a kimeneti GND-re?)
Előre is köszi a választ!
Üdv!
A mai napon szert tettem egy suliból kiselejtezésre szánt szimmetrikus tápegységre. A típusa ha jól láttam Texo-B42 (gugli nem adott ki rá semmi értelmeset). A tápnak egy szépséghibája volt az egyik potméter tönkrement benne de megjavítottam. Bekapcsoltam és működik ugyan de a beállított fesz 2x-ét adja le a kapcsok között. Van esetleg valakinek valamilyen tippje mi lehet benne a rossz?
És még 4 db kép
Ha úgyis ilyent tanulsz , akkor mérd végig a trafótól és keresd meg mi a hiba. Azt nem írtad ,hogy csak az egyik fele rossz? Ha a másik jó akkor már van is mihez hasonlítani.
Mindkettő oldal jó. A mérésre annyit, hogy a trafó szekundereit megméregettem és ott ugyanazok az értékek voltak mint a kimeneten ahogy állítottam a feszt. Amúgy a fesz. állító egy 10 fokozatú (azt hiszem) forgókapcsoló. A nyálra megy összesen ha jól emlékszek 2 vezeték és annyi. A két nagy huzalos poti 100 ohm-os és azokkal 0,1-1 V között lehetne állítani a feszültséget de nem is reagál rá (az épen maradt potméter sem pedig jó megmértem). Lehet, hogy működne a tápegység csak elvan skálázva a dolog?
Elskálzáva biztos nem... Még egy amatőr készülék sem.
Az áramkorlát jól működik?
Üdv.
Én egyből az áteresztő tranzisztorok ellenőrzésével kezdeném(nagy fém tokozásu tranzik a hütőlemezen). Ha ezek rendben akkor lehet beljebb haladni , ellenőrizni zénereket további tranyókat.. Ezenkivűl a trimer potik és forgókapcsolók vizsgálata is erősen ajánlott, egy szakadás vagy kontakt hiba is csinálhat ilyen hibát.
A nagy tranyókat hogy mérjem? (még csak 12-es vagyok és nekünk ilyet még nemnagyon tanítottak
)
Valószínüleg igen jól működik mert ha túlterhelem az Over Load lámpa kigyullad!
Sziasztok szép jó estét mindenkinek!
Lenne egy kérdésem! Van egy trafóm ami 3kivezetésű mértem rajta 49V és 24V-ot! Az lenne a kérdésem, hogy hogy tudnék ebből szimetrikus Tápot csinálni kb. +-48V ra (TDA7294 es Erősítőhöz!) előre is köszönöm a segítségeteket!
Hali!
Áttekerés nélkül elég bonyolultan és erősítőhöz nem is lenne jó. Amúgy a TDA7294nek nem adhatsz +-40 Voltnál többet.
Hali!
Az az igazság hogy ez is egy erősítőbe volt benne! Tranzisztoros öregebb fajta erősítőbe! Nos wan egy Lapom TDA7294-es kettő hídba kötve és ott azt írják hogy 48 Vol al tesztelték!
Itt az adatlapja az IC-nek.
Adatlap
Nagyon rosszul gondolod mindkét dolgot.
1. A trafó szimmetrikus 24-24 voltos középleágazásos. Ebből +- 33V szimmetrikus táp építhető. 2. Tda 7294-hez jó +-33V. 8ohm 60W 4ohm 80W kb.Megy 43 V ról is simán , csak itt már nem kell erőltetni a 4 ohm-os hangszórót.
Meg kell nézni hogy NPN vagy PNP a típusa. Ezt az adatlapjából tudhatod meg. Multiméter dióda mérés pozicióba. Ha NPN : müszer pozitiv zsinórja bázisra megy, a negativval pedig a collector és az emmiter irányába is nyitóirányú feszültséget kell mérj (500-700 milivolt tranyótol függően).Ha ettől lényegesen több akkor zárlatos , ha 1 mutat a műszer akkor szakadt a tarnzisztor. A C és E között 1 et kell mutasson a műszer.
Ha PNP a tranyó ugyan igy jársz el csak ekkor a műszer negativ kábelét teszed a tranyó bázisára. Idézet: „Ha NPN : müszer pozitiv zsinórja bázisra megy, a negativval pedig a collector és az emmiter irányába is nyitóirányú feszültséget kell mérj (500-700 milivolt tranyótol függően).Ha ettől lényegesen több akkor zárlatos” Ha 500-700 mV-nál lényegesen több akkor nem zárlatos, hanem "megszaladt". Ha ettől lényesesen kevesebb akkor zárlatos.
Igen én is igy tudom!+-30Sztem elég lenne! Szerinted 10 000µF os kondik elegek lennének, 8 darabra gondoltam!
Valóban.
A TDA max feszültségéről meg még a topikjában is mindenki mást mond. |
Bejelentkezés
Hirdetés |
















) 



