Fórum témák
» Több friss téma |
Fórum » Inverteres hegesztőtrafó
és a 10-es kép végül.
valaki tud e 0516-1és 2 számú képen szereplő igbt- ről közelebbit? ez a fent említett tápokból van, de nem tudom a pontos típusát. köszi
talán, még nem tudom , de csak 2 fél hidam van . nem akartam hogy a graetz híd legyen a gyenge pont, viszont a bordára ráfért a 3. híd is , így általánosan ide is jó lesz de csak 2-t kötök be.
az 5-ös képen a réz lemez alatt egy 2X160a 100v schottki dióda van,visszarúgás kivédésére. kimeneti induktivitás még készülőben, de az is valószínűleg a táp kimeneti tekercséből lesz(4darab).
műterhelésnek mit kéne betenni?
ha 47r 10w ellenállatkából kéne 3-400 darab, cekasz huzalom van 5a tud , abból 40 szál kéne , lehet nincs is annyim, (kb 40m kell), és mechanikailag is meg kell csinálni. elképzelésem van , de elég nagy munka...
ÜDV every body!
Most is, meg máskor is felmerült az a fránya,ám de jó toroid trafó használata, ...de sosem teljes adatokkal. Úgy értem, hogy a primer és szekunder tekercsek adatai a toroid trafo adataival nem jelentek meg.- Kérlek valaki, hogy orvosold a problémát, ha lehet. (ha véletlen mégis leíródott volna, akkor bocsi!) Más: - ha valakinek volna megépíthető awi (akár AC-DC /lehetőleg nem PIC-es/) rajza, azt hálásan köszönném- még mindig. Az interneten nem fellelhető ilyen, folyamatosan keresem. Lassan eljutok oda, hogy tényleg egy gyárit kell venni, pedig ezt akarom utoljára. Próbálkozom a HF gyújtással is, mint Ricsi89, de az is csőd! Most ami kiakasztott, hogy 70khz-n (de mértem 100khz felett is!) ment az a HF gyújtó UC3843-a, trafó meg duplázta ahelyett, hogy 1 árva voltot is leadott volna a kimenetén (na jó a műszer szerint század/ezred már nem tudom) Bármi tanácsot, rajzot szívesen vennék....
Az a vacak HF gyújtó nekem se nagyon akart menni, igaz mostanában nem is foglalkoztam vele. Viszont találtam egy nagyfesztrafót, amivel kb 1cm-es szikrát is tudok csinálni megfelelő frekivel meghajtva. De hát ez sem jó, mert ezt is rá kellene ültetni a kimeneti feszre, meg meghajtása sincs. Valami jó kis awi gép nekem is jó lenne. Vagy a mostani géphez egy biztosan működő gyújtás is jó lenne.
Szia Temela.A thoroid trafót úgy kell számolni mint bármejik vasat,négyzet centire.Ha a szögletes vasat ki tudod számolni a thoroid is menni fog
Ebben van gyujtó is.
Itt vannak az ígért rajzok.
Köszönjük.Lassan öszeáll még a kis vezérlőkártya is.
:smoke:
EZ is egy kész TIG rajz, adatokkal.
Épp ez az a gyújtás, ami nem akar működni.
Én nem építettem meg, csak a gyűjteményből választottam ki ezt a kapcsolást. Tehát gyakorlati tapasztalatom nincs vele. Ettől függetlenül akár működhetne is. A kapcsolás vizsgálatát oszcilloszkóppal tudod elvégezni. Anélkül nehéz lesz megtalálni hogy hol a hiba..
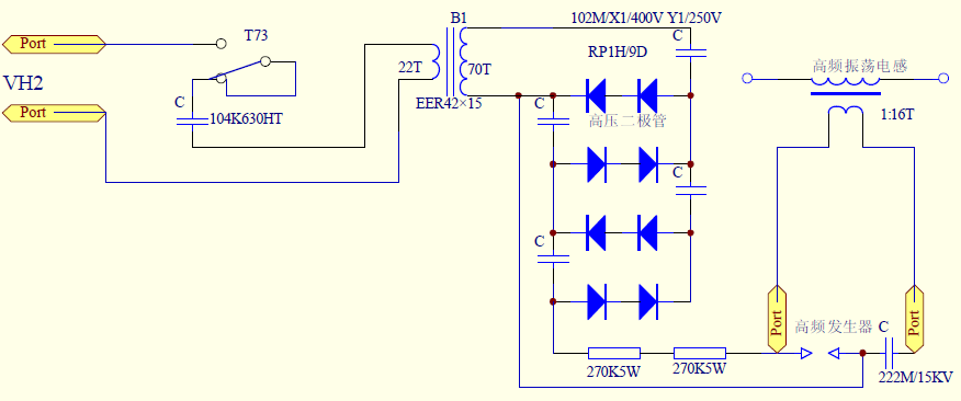
Ezt a kapcsolást már a múltkor sem értettem. A Tr6 trafó állítja elő a nagyfeszt. Ez tulajdonképpen a szekunder oldal bekötése alapján egy fly-back táp. Bekapcsoljuk a tranyót, felmágneseződik a vas, ez idő alatt a szekunder körön nem folyhat áram, mert a kimeneti V28...30 diódák le vannak zárva. Aztán a tranyó kikapcsol és a trafó mágneses energiája a szekunder oldali diódákon keresztül kimegy és lesz egy nagyfeszültségű tüske. Ez idáig rendben is van, de minek bele a harmadik tekercs, ami ugyanúgy van bekötve, mint a szekunder? A vasmagban tárolt energia nagy része ott fog leépülni, meg a 9,1 ohmos ellenálláson, meg visszamegy a betápra. Szerintem ez a harmadik tekercs egyáltalán nem kell. A tranyó túlfeszvédelméről az 1,5 KE gondoskodik. Nem bogarásztam végig a működést, de gondolom úgy működik, ha nem ég az ív, akkor ez az áramkör generálja a nagyfeszt, ha meg ég az ív, akkor ez áll. Nem is kell túl nagy frekvencián működnie, tehát még azt sem lehet mondani, hogy a túlfeszlevezető esetleg nagyon melegedhet.
A Tr5 trafó primere előtt van az a két nyíl. Az micsoda? Szikraköz? Minek bele? Nem lehet, hogy ott megy el a nagyfesz, aztán a Tr5-re már alig jut valami?
Üdv mindenkinek ! Van egy gondom a mellékelt kapcsolásban úgy döglenek a mosfetek mint amikor beüt a benga a nyúlak közé. Lehetséges-e hogy a 2 darab 1 mikrós kondi a ludas ? Mert egyenáramilag jót mutatnak. Viszont igen apró a méretük a feszültség viszont nincs rajtuk feltüntetve. Ha valaki találkozott ehhez hasonló kapcsolással vagy problémával kérem segítsen ezt megoldani. Különben el van mentve minden rajz ami ebben a topikban le lett közölve de pont ilyet nem találtam.
A mellékelt képen látható például egy egyszerű gyári AWI gyújtó . Két tirisztor , négy ellenállás , három kondenzátor , relé , nagyfesz trafó , Tesla kör .... már csak egy becsatoló kell rá és működik 230 V AC-ról is - legalábbis nekem centis szikrákat produkált .
Elnéztem ! nem a P fetre megy a meghajtás hanem a másik N - re !
Szia Katt!
A Tr6 trafó 3-as számú tekercse a gyújtó elektronika tápellátásáról gondoskodik a cseppátmenetek idején fennálló zárlat ideje alatt,azaz ezáltal a tápláló hegesztőköri feszültségtől függetlenné teszi az áramkört. Ezt a fajta tápfesz ellátást a Fimer, Awelco,stb... is alkalmazza azokban a gépeiben, ahol nincs hálózati trafó a szabályzófeszültség előállítására,hanem csak előtét ellenállásos zeneres tápellátás van a szabályzókör beindításához. A táprészre nem tud visszatáplálni, ezt a VD27 dióda megakadályozza. A két szembe mutató nyíl valóban szikraköz. Ennek a pontos beállítása a záloga a gyújtókör működésének. ha nagy a hézag, a C30-C31 kondikban tárolt feszültség nem tudja átütni. Ha kicsi, akkor nem keletkezik elég nagy energiájú szikra a biztos gyújtáshoz. A kondik az átütés pillanatában rezgőkört alkotnak a Tr5 trafó 1 menetes tekercsével, és a rezgőkörben folyó áram nagyságát ez a szikraköz határozza meg. A legjobb gyújtóáramkörök mind szikraközösek. Ebben az áramkörben a C30;C31 kondik feszültségtűrését nagyon kicsinek vélem, ide szerintem 6 kV-os kondi kellett volna-szerintem, vagy 2 db 3kV-os sorba kötve.
Hát, azt nem gondoltam volna, hogy ez a nagyfeszültség normál hegesztés közben is kell... Azt hittem, csak az ívgyújtáshoz kell, hogy könnyebb legyen ívet fogni. Nem baj, egyszer megtanulok hegeszteni...
Szikraköz, meg rezgőkör... hát, ezt ki nem találtam volna...
Hello,
Idézet: Ráéreztél...A LM393 komparátor figyeli a kimenő feszültséget,ívfogás után leállítja a HF részt... „Hát, azt nem gondoltam volna, hogy ez a nagyfeszültség normál hegesztés közben is kell...”
Csak kíváncsiságból megépítem ezt az áramkört. Aztán tudok róla véleményt mondani. A komparátorral kapcsolatban akár igazad is lehet, de nem egy géppel találkoztam,amelyiknél a nagyfesz hegesztés alatt sem áll meg,és ez nem működési hiba miatt van így. AC gépeknél az oxid eltávolítás egyik módja az,hogy a nagyfesz bekapcsolva marad. De javítottam olyan DC gépet,ahol a nagyfesz a hegesztés alatt is ment,igaz csökkentett teljesítménnyel. Hogy mi okból, azt nem tudtam kideríteni.
A szikraközös rezgőkör nem újdonság, a szikratávírók is hasonló elven működtek hajdanán.
Valamikor réges-régen, mikor a váltakozó áramú AWI hegesztéshez elkók százait kapcsolták szembe egymással, az egyenáramú hegesztők meg valódi szelénlemezekkel (!!!) működtek, az argonos gépekben már szikraközös áramkör állította elő a HF gyújtófeszültséget.
![]() És még ma is ez a legegyszerűbb, legbiztonságosabb megoldás.
ez egy nagyon stabilan működő gyújtás, egy kinai gépben van.
Értesítem a T.fórumtársakat,hogy a RET-hez új alkatrésze érkeztek! (szerintem)
:smoke:
Van az öcsémnek egy ESAB LHQ150-es inverteres hegesztője. Jó pár évvel ezelőtt vette, valami horribilis áron. Igazából ez már nem hobbigép, ennek megfelelően nagyon jó kis inverter ez. Mostanában lett vele két gond i. Az első az, hogy a potival csak 60-90 Amper között lehet szabályozni a hegesztőáramot, a egyéb tartományokban egyszerűen nem hegeszt a gép, csak kicsit szikrázik amikor ívet akarunk vele fogni. Ezt mi okozhatja? A másik gond meg az vele, ha véletlenül letapad a pálca, azonnal "kiold" a gép, és többet nem is hajlandó dolgozni mindaddig amíg pár másodpercre (kb 10) ki nem kapcsoljuk a hálózati kapcsolóval. Utána újra semmi gond vele, de ezt régebben nem csinálta sosem! Körülbelül 6-7 éves leehet a hegesztő. Van hozzá egy szervízdoksi, azt felteszem, de sajnos hiába részletes, nem nagyon értem a magyarázatokat, mivel a sok nyelv közül csak a magyar az "erősségem". Kérem aki tud segítsen, mivel a hegesztő napi szinten van használva, így nagy szükség lenne rá.
Ja közben a doksi lemaradt! Most pótolom
Szia.Szerintem az áram szabályzó poti cseréjével kellene kezdeni.nagyon úgy néz ki hogy kontakt hibás.Ennek hibája okozhatja a második hibát.
Igazából én is erre gondoltam, de valami speciális lapos poti van a panelon, majd utánanézek, hogy jó lenne-e helyette valami sima poti.
KÖRKÉRDÉS !
A TL3846-ról mint meghajtó mi a véleményetek? |
Bejelentkezés
Hirdetés |











:smoke: 










