Fórum témák

» Több friss téma
Fórum » Commodore 64 perifériák
 
Témaindító: hadnagyakos, idő: Jún 10, 2008
Témakörök:
Lapozás: OK   4 / 15
(#) titi válasza gerry hozzászólására (») Jan 20, 2009 /
 
Megvan, majd megdumáljuk.
Lementeni sajnos nem tudom, nincs hozzá megfelelő eszközöm.
(Akkor jól láttam a Ki mit építettben, a kép szélén. )
(#) gerry válasza titi hozzászólására (») Jan 20, 2009 /
 
Ja-ja leporoltam. Nekem működött, pedig egység csomagban vettem, csak az eprom égető mondott csődöt.
Pár éve ismét előszedtem az urbános epromégetőt, gondoltam sok tudomány ment azóta a fejembe, de az istenért se tudtam életet lehelni bele. A tesztek szépen lefutnak, alacsony-magas jelek a lábakon stimmelnek, égető fesz is megvan, de semmi. Azóta építettem egy pc-s epromégetőt és emulátorban tudok eprom fájlt generálni, és azt beégetni, de az eprombankot szívesen kipróbálnám.
(#) benjami hozzászólása Jan 20, 2009 /
 
Megnéztem a C64 kazettás turbo üzemmód algoritmusát, íme:

Egy elemi bit:
A 0 bit 4452 Hz 50% kitöltésü négyszögjel, tehát 112,3 mikrosec alacsony szint, majd ugyanennyi magas szint.
Az 1 bit 2968 Hz 50% kitöltésü négyszögjel, tehát 168,5 mikrosec alacsony szint, majd ugyanennyi magas szint.
Ebből látszik hogy a 0 bit frekvenciája 1,5-szerese az 1 bit-nek, tehát egy csupa FF-et tartalmazó program másfélszer hosszabb a kazettán mint a 00-kat tartalmazó program.

Egy byte:
A legnagyobb helyiértékű bittel kezdődik az átvitel, majd sorra haladunk a legkisebb helyiérték felé. Semmi paritásbit, startbit, stopbit stb. nincs. A 8 bit átvitele után szünet nélkül a következő byte-al folytatódik.

A teljes program sorrendben ezekből a byte-okból áll:
1270db 02 byte (fejléc szinkron)
09, 08, 07, 06, 05, 04, 03, 02, 01 (bytehatárok megkereséséhez)
02 (fejléc azonosító)
16 bites startcím alsó byte (általában 01)
16 bites startcím felső byte (általában 08)
16 bites végcím alsó byte
16 bites végcím felső byte
egy byte-os file típus (normál programoknál 0x82)
16 byte-os file név (rövidebb névnél szóközökkel kitöltve)
171db SPACE karakter (0x20)
502db 02 byte (adat szinkron)
09, 08, 07, 06, 05, 04, 03, 02, 01 (bytehatárok megkereséséhez)
00 (adat azonosító)
a program adatbyte-jai
egy byte-os ellenőrző összeg
254db 02 byte (vége szinkron)

Az ellenőrző összeg a program adatbyte-ok kizáró vagy (XOR) kapcsolatából állítható elő.

Ezt kell TTL szinten a C64 magnócsatlakozójának Data lábára adni. A Sense lábat nemtom milyen szintre kell állítani ahhoz hogy a gép lenyomott magnógomot érzékeljen, de majd valaki más megmondja.
Remélem jól fejtettem meg a régi programomból a kazettás bevitel működését, ha nem akkor majd valaki kijavít.

C64 javításhoz annyit tennék még hozzá hogy a benne levő chip-ek hajlamosak voltak néha úgy megdögleni hogy fel/lehúzó ellenállással még a chip cseréje nélkül is működésre lehetett bírni őket. Valszeg ilyenkor a chip kimenetén levő 2db FET-ből csak az egyik szakadt meg és az ellenállással úgymond nyitott kollektoros kapcsolást lehetett csinálni. Ez főleg a proci portlábaira (magnócsatlakozás) és a 6526-osokra volt jellemző. Régen ezek jó drága és nehezen beszerezhető alkatrészek voltak.
A másik apró módosítást az újabb sorozatú gépek hangchipjén (8xxx) lehetett végezni, amin a digi hangok nem nagyon akartak megszólalni, esetleg csak nagyon halkan. Itt a hangchip audio in lábát kellett néhán kilós ellenállással a táp vagy a föld felé (már nem emlékszem melyik) húzni, és ekkor a 3 vagy 4? bites hangerőregiszterbe írt digi hang normálisan meg is szólalt.
(#) gerry hozzászólása Jan 20, 2009 /
 
Feldobok két scant a C64 és Plus/4-es magnójáról.
Egyik a kapcsi rajz, a másik meg a szalagra írást mutatja, igaz egy a Plus/4-é, de lehet közelebb visz a megoldáshoz.
(#) benjami válasza gerry hozzászólására (») Jan 20, 2009 /
 
Jók lesznek azok a ns idők mikrosec-nek is
(#) gerry válasza benjami hozzászólására (») Jan 20, 2009 /
 
A könyvben volt! Bár ezek a fordítások sosem voltak igazán megbízhatóak.
(#) benjami válasza gerry hozzászólására (») Jan 20, 2009 /
 
Lehet hogy nem találták a 'mikro' betűt és inkább ns-nek írták us helyett mivel gondolom a görög betűk már akkor is gondot okoztak
(#) satuka hozzászólása Jan 23, 2009 /
 
Sziasztok!
C64-hez kellene egy billentyűzet.
Ha valaki tud segíteni, ide írjon:
satuka@citromail.hu

Köszike!
(#) satuka válasza djmagoo hozzászólására (») Feb 1, 2009 /
 
Szia!
Mint már jeleztem, segítséget kérnék a 1541-es javításához.
Ha rádugom a tápot, és bekapcsolom, akkor azonnal világít folyamatosan a töltés jelző led is, és forgatná a lemezt, ami még benne sincs.
Várom a javaslataidat, hol és hogy is kéne hozzáfogni a javításhoz.

Köszönettel: Zsolt
(#) bigeniac válasza satuka hozzászólására (») Márc 11, 2009 /
 
szia

Bővebben: Link
antik és baro cikkek között most is vannak commodoros cuccok, érdemes megnézni.
(#) danka- válasza satuka hozzászólására (») Márc 11, 2009 /
 
Helló. Többnyire CIA dead...kell bele "új",és jó lesz.
bye!
(#) danka- válasza satuka hozzászólására (») Márc 11, 2009 /
 
HI!

Sajna billencsem már nincs,de van tiptop állaputú G-s vasam eladó,ha kell
(#) satuka válasza danka- hozzászólására (») Márc 12, 2009 /
 
Szia! Mi is ez a CIA?
és hol lehet beszerezni?
(#) danka- válasza satuka hozzászólására (») Márc 12, 2009 /
 
Hi.ha jol remlik, Complex Interface Adapter,nekem van elfekvobe par.tudni kene,melyik jo a meghajtoba,van6526,meg 6526A.
(#) satuka válasza danka- hozzászólására (») Márc 16, 2009 /
 
Szia!
Bocsi, hogy csak most válaszolok, de eddig nem volt időm megnézni
Ebben csak 1 db. 6502C és 2 db. 6522 van, igaz, mindegyik foglalatban, nem tudom, hogy voltak-e már cserélve.
(#) danka- válasza satuka hozzászólására (») Márc 18, 2009 /
 
Helló!

Hát ezek biztosan nem CIA-k,de egyébként sincs ilyen cuccom.Sajna.
(#) besi99 válasza satuka hozzászólására (») Márc 18, 2009 /
 
CIA ügyben nem vagyok profi, de az biztos hogy a 6502 az processzor a 6522 meg PIO. Most ugyan vidéken vagyok, de otthon valahol vannak nosztalgiából C64-es , valamint Spektrumhoz játékaim szalagon. Ha valakit érdekel, egy hét mulva hazajövök és elő tudom talán kotorni. A Spektrum gép is kompletten meg van
(#) fredandjoe hozzászólása Okt 26, 2009 /
 
Üdv!

Nem akartam új topicot nyitni... Hátha valaki foglalkozott C64-hez való cartridge készítéssel, esetleg programozással.
Röviden a lényeg, hogy szeretnék több darab cartridge modult készíteni, 27c256-os EPROM-al. Kapcsolási rajzom elvileg van (de ha valakinek van tuti jól bevált, akkor érdekelne). Elvileg több program is beleférne az EPROM-ba és ehhez ha jól olvastam utána, akkor kell egy "modulgen" program, ami menüt készít és át is konvertálja a lemezes programot ".bin" fájlá, amit tudok égetni az EPROM-ba.
Tehát technikai információkra, gyakorlati tanácsokra lenne szükségem! Rengeteget keresgéltem mindenfelé, de konkrét egyértelmű leírást nem nagyon találtam...
Előre is köszönöm a segítséget!
(#) rroberts74 hozzászólása Máj 11, 2010 /
 
Üdv. Mindenkinek.
c64re kellene nekem játékprogi de úgy hogy hang fájlban...amit magnó deckre felvennék és a szalagrol betölteném.Ha valaki tud kérem segítsen...
Köszönöm.
(#) Kori27 válasza rroberts74 hozzászólására (») Jún 4, 2010 /
 
Én is sokat törtem az agyam, és végül egy kis (pár hét )kutatás után arra jutottam, h átoperáltam a datasette kábelt egy xar egér sorosportos kábelére, meg tápvezetéket ki(7-8 volt DC) és amit szintén kiderítettem, 300 bauddal lehet rá írni. Jelenleg simán irkálok és olvasok digit kazikat, csak egy RealTerm nevü sorosportos progi kell hozzá (fájlokat küld ki és olvas be). Már csak egy C64-et kell kerítenem hozzá
(#) mustang74 hozzászólása Jún 15, 2011 /
 
Érdemes ezt a programot kipróbálni : http://wav-prg.sourceforge.net/wavprg.html
(#) mustang74 hozzászólása Jún 17, 2011 /
 
Foglalkozik még valaki c64-gyel? A magnóm nem olvas be semmit semmilyen fejállással sem. Pedig jók a kazik, dekkben ellenőriztem.
(#) mustang74 hozzászólása Jún 17, 2011 /
 
Lenne még egy olyan kérdésem, hogy hol található fent turbo progi mert nagyon keveset találtam. Szám szerint egyet.
(#) mineral válasza mustang74 hozzászólására (») Jún 17, 2011 /
 
Szia!

A program amit linkeltél az egész jó. Megépítettem az alábbi átalakítót. Pár játék programot letöltöttem innen és innen. Ahol lehet , hogy találsz turbó töltőt is.
Átalakítottam Wav fájlokká. Felvettem kazettára. De nagy csalódás ért. Nem működik. Töltés elején meg kell állítani egy pár másodpercre a szalagot. A leden látszik is , hogy mikor. De miután elindítom a végtelenségig csak tölt. De a program nem jön be. Gondoltam, hogy az időzítéssel van a gond. Ezért átalakítottam a Deckemet , hogy a C64 vezérelje. De végül az sem lett jó mert a lendkerék még tovább viszi a szalagot és akkor töltési hiba lesz belőle.

Végül a Wav fájlokat kiírtam audió CD-nek. És egy cd lejátszóval/DVD-vel lejátszva hibátlanul működik. Lehet nyomatni a retró játékokat.
(#) mustang74 válasza mineral hozzászólására (») Jún 17, 2011 /
 
Én a hagyományos klasszikus magnós módszerre gondoltam.
Vannak kazettáim játékokkal, de nem "veszi észre" a C64. Pedig anno vele mentették el a játékokat.
Lemértem a magnó sebességét. Egy dekkben egy kazetta 2p54mp, a C64 magnójában 2p49mp. Ez a sebességkülönbség probléma lehet? Egyébként ez a rövid szalag az én saját magam 90's években készítette turbós kazettám, vannak rajta pár turbók csak "be kellene hozni" a C64-en. Viszont a magnóhoz kapott kazettákról sem jön be turbó. Igaz, ebben az esetben a sebességmérés nem is érdekes.
Pár műszeres mérést is végeztem: lejátszáskor és már a C64 bekapcsolásakor a lejátszási oldalon (fehér vezeték) +5V-ot mértem. Ez normális?
A hangkimenetre kötöttem erősítőt és a sípolás alapján beállítottam a magnó fejét. Nem hozott eredményt ez sem. Már a magnóra gyanakszom, hogy hibás. Értesz hozzá?
Talán érthetően fogalmaztam.

Egyébként szuper lehet CD-ről nyomatni a game-kat!! Gratula!!!
(#) mineral válasza mustang74 hozzászólására (») Jún 17, 2011 /
 
Szerintem elhanyagolható ez a pár másodperc eltérés. Nem hiszem, hogy problémát okozna ez a sebesség különbség. Lehet , hogy a magnód rossz. Koszos a fej. Szakadás van valamelyik vezetékben. Esetleg a magnó elektronika halálozott el. De még az is lehet, hogy maga a C64 rossz. Több esélyes a dolog. Lehet ,hogy a kazettán a felvétel sérült. Pl. Mágnes került a szalagok közelébe...

Szkóppal lehetne egyértelműen megvizsgálni a magnót. A kimenetére rámérni. Szép négyszög jelet kellene látnod. Mivel a C64 a read csatlakozón már TTL jelet fogad ezért a +5V az teljesen jó. Csak az a kérdés , hogy változik-e rajta a jelszint.
(#) mineral válasza mineral hozzászólására (») Jún 17, 2011 /
 
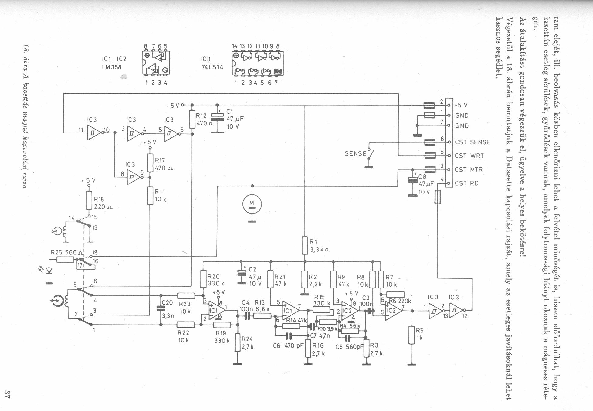
A magnó nem egy bonyolult szerkezet. Ha még nem tetted meg akkor érdemes elolvasnod ezt az egész topicot. Csak pár oldal de nagyon hasznos információkat tudnál meg belőle.

Itt találsz kapcsolási rajzot a magnóhoz. Ha van szkópod akkor azzal méricskélj. A fejbeállítás is akkor gyerekjáték.

A CD-ben az a legjobb, hogy nem kell tekergetni sem magnóval sem ceruzával. Csak kiválasztom a játékot és már töltődik is.

c2n.jpg
    
(#) mustang74 válasza mineral hozzászólására (») Jún 18, 2011 /
 
A magnó feje nem koszos, vezetékek nem szakadtak. Én is a magnó elektronikájára gyanakszom ugyanis 2 C64-esem van és próbáltam a másikkal is. Tehát kicsi az esély, hogy mindkét C64 rossz lenne.
Sajnos nincs szkópom. Egyik kollégám azt javasolta, hogy egy mikrofon bemenetre kellene rákötni a READ szálat. Tegnap én egy szimpla erősítőre kötöttem de csak majdnem teljes hangerőn hallottam a sípolást. Hülyeség lenne a mikrofonos módszer?
(#) mineral válasza mustang74 hozzászólására (») Jún 18, 2011 /
 
Milyen parancsot írsz be a gépbe? Lehet , hogy ott írsz el valamit.
Mikrofon bemenetre +5V-ot? Persze hogy hülyeség! Azonnal kinyírnád az erősítőt. Ha nincs szkópod akkor csak a sötétben tapogatózol. Így más ötletem nincs mint az , hogy építsd meg azt az átalakítód. (Max 200Huf) És CD-ről töltsd a játékokat. Ha kell építek neked egyet. És elpostázom.
(#) mustang74 válasza mineral hozzászólására (») Jún 18, 2011 /
 
Egyszerű LOAD paranccsal. Rájöttem még valamire: írtam egy 2 soros programot és sikerült elmentenem s ugyanúgy nem olvasta vissza. Így a fejállás már nem érdekes.
Az az áramkör tényleg jó lenne! Írd meg privibe mennyit és hová utaljak! Köszi!
Következő: »»   4 / 15
Bejelentkezés

Belépés

Hirdetés
XDT.hu
Az oldalon sütiket használunk a helyes működéshez. Bővebb információt az adatvédelmi szabályzatban olvashatsz. Megértettem