Fórum témák
» Több friss téma |
Fórum » Csöves erősítő készítése
Ne feledd betartani a fórum viselkedési szabályait, és a topik megmaradásának feltételeit. [link]
A téma átmenetileg fagyasztva lett, hozzászólni nem tudsz!
250V anódfeszültségnél (64mA max), 55mA katódáramnál 4545 ohm az Raa, a meghajtásigénye kb az EL84-gyel egyenlő (bár én vagy 6N1P SRPP-vel, vagy EF86-tal hajtanám). Illetve én 300V-ot adnék neki anódfesznek 45mA kódárammal, de akkor 6,5k Raa kell neki. Szóval tulajdonképpen tényleg betehető az EL84 helyére, csak a katódáramot kell jól belőni. Egy próbát megér, sokaknak nem tetszik SE-ben, de tapasztalatot tudsz vele szerezni. (Esetleg én még a PL36-ot is megpróbálnám.)
A maximális teljesítmény csakugyan 4500 ohm környékén csalható ki belőle, de a hangminőség szempontjából érdemes nagyobb primer impedanciájú kimenőtrafót teker(tet)ni.
Sziasztok!
Elkészült az erősítő panelterve "Pioneer" kolléga át is nézte. Egy dologgal belerakta bogarat a fülembe, mégpedig a csövek fűtését nem kellene a panelon vinni a brum miatt. Mennyire szokott ez gondot okozni, vagy a biztonságra törekedve biztos ami biztos vegyem le róla? Köszönöm!
Régi tévékben is a panelon vitték a fűtést, viszont azok a csövek mindössze 300mA fűtőárammal működtek. Szerintem ha nem csinálsz túl nagy hurkot, nem fog gondot okozni, főként ha a nyák alkatrész felőli oldalát teliföldesre hagyod.
Igazad van, de.. Mintha olyat olvastam volna, hogy a felül-illesztés csak triódáknál jelent kisebb torzítást, a pentódáknál a legkisebb torzítás a tökéletesen illesztett állapotban van (ami ugye nincs), de törekednünk kell rá. Aztán lehet, hogy ez kacsa, csak kísérletezni kellene.
Ennyi átkötéssel van egyáltalán értelme nyákot készíteni neki?
Gyakorlatilag ez egy dróthalmaz csak , nem rosszból mondom de ezt még gyakorolni kell .
Ennyi erővel össze is drótozhatod a csőfoglalatokat alulról . Ja és itt nem csak a fűtés fog gondot okozni !
Ha megmondod mi fog még gondot okozni akkor segítesz igazán. Mit legyen áttervezve megváltoztatva?
Köszönöm!
Jó, ha nincs senki, akkor én kimondom: felejtsd el ezt az egészet, ahogy van. Ezt a 6 alkatrészt nem szégyen egyszerűen feltenni a foglalatok lábaira (ha 15 lenne, azt sem lenne "szégyen"). A csövek világa egészen más, mint a "megszokott"! A lehető legrövidebb vezetékeket használj köztük, ne össze-vissza mindenfelé vezetgess mindent. A fűtéseket közepeld le, és tekerd össze a vezetékeket, mert ez a legalapvetőbb, amit meg kell tenned a brumm kiszűrése érdekében. Ezeket betartva legalább működni fog az erősítő, utána beszélhetünk a tökéletesítésről...
A koncepció még ott is hibás, hogy nem illik ilyen közel tenni a csöveket egymáshoz. Általában nem veszik figyelembe (én sem tettem), de az ajánlás teljesítménycsöveknél 10cm. A rengeteg átkötés miatt ez munkában egyenértékű a légszereléssel. Arról nem is beszélve, ha valami miatt nem jó, akkor légszerelve kb. 5 perc átdrótozni egy két dolgot itt meg 2 óra az új panel. Ilyenkor szokott jönni, hogy akkor ezt itt átvágom, azt átkötöm stb. és már ott leszel, hogy légszerlve nem csak könnyebb, de szebb is. A fűtések elég hosszan mennek, de pl. a régi EAG cuccokban sem voltak sodorva és mentek nyákon is, mégis csendben is tudott lenni. A végcsöveknél érdemes felónozni kicsit.
Még esetleg annyit, hogy ha nem egy sorba rakod a csöveket (szerintem nem jó elrendezés), akkor majdnem biztos, hogy az átkötések fele megspórolható. A klasszikus T alak elég jó. Én nagyon megszoktam mostanában a légszerelést. Inkább szerezz forrlécet (lehet kapni is). Látszólag bonyolultabb, de később sokkal könnyebb variálni, és a szellőzés is jobb.
Helló !
Az miért van hogyha bekapcsolom az erősítőt (még nincs kész), és a csövek sincsenek felfűtve ill. anódfesz. sincs rákapcsolva, akkor is hallani enyhe brummot a hangszóróból ? Eleve a hálózatban a 0 zajos ? Mert a fali dugaljak nem földeltek, azért gondolom.
Okozhatja a trafók rossz elhelyezése, a zajos táp, a helytelen belső huzalozás.
(Esetleg megtisztelhetnéd a Fórumot egy fotóval, úgy könnyebb lenne segiteni) Ha a fali konnektorod nem földelt, az abban az esetben probléma, hogy a fém sasszit nem tudod földelni. Ez esetben pedig az életeddel játszol. Gondolom nem kell kifejtenem miért. A neten megtalálod az érintésvédelmi előirásokat.
Sziasztok!
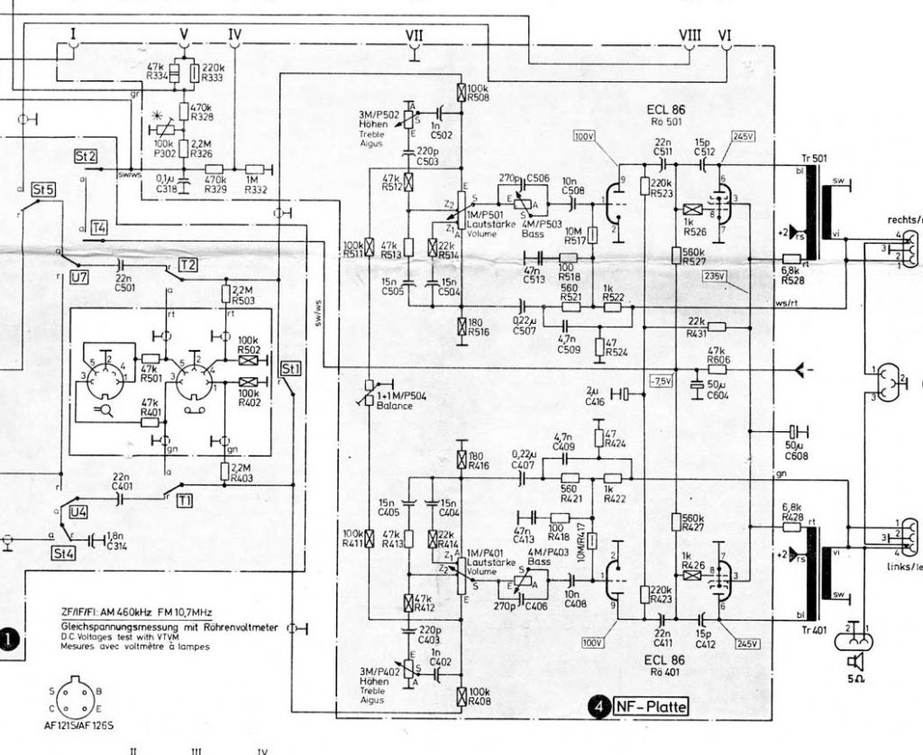
Szereztem egy Saba Konstanz Stereo rádiót, az egyik csatorna nagyfrekvenciásan gerjed. Mellékeltem a kapcsolási rajzát, nekem kicsit furcsa. Erősítőként szeretném használni, ezért szeretném kikötni a hangszínszabályzót meg valahogy a loudnesstől is szeretnék megszabadulni. Persze a rádiót nem akarom szétbarmolni, csak belsőleg átalakítani a végfokot. Mi a véleményetek?
Szerintem felesleges a panel.
2db 16-20 pines kapocslécre(sokat mondtam )megoldható. A csövek elhelyezése sem jó.
Egyszerűbb volna kikapni a belét, és Egy piCoLót építeni bele a csöveit felhasználva...
Szóval, sokminden. Szívás.
Elég halk, de jobb lenne persze ha ez sem lenne. Gondolom az a lényege, hogy feszültség van a testvezetéken. Amúgy, kösz !
Sajnálom kibelezni, ráadásul nagyon jó állapotú.
Viszont nekem furának tűnik a végfok kapcsolása, sehol egy katódellenállás, meg a három helyen megcsapolt hangerő poti...
Pedig ha azt a rengeteg alkatrészt ki akarod ikatatni, ugyanott tartanál
Inkább nem érdemes megbontani sem...
Köszönöm a segítséget!
Most elmegyek kisírom magam és újra tábla következik.
Szerintem van miből válogatni!
Csak azért mondtuk, hogy sikerélményed legyen, ne utáld meg rögtön a csöveket - mert hogy ennél nem jött volna rá senki, ha valami nem úgy menne, ahogy kéne, hogy mi a probléma. És elég valószínű, hogy nem lett volna normális a végeredmény...
Köszi szépen!
Szerinted érdemes átalakítani, vagy hagyjam így ahogy van? Szívesen lecsupaszítom, de ha azt mondod hogy ez tényleg jó kapcsolás, akkor rontani nem akarok rajta. Viszont mindenképpen hozzá kell nyúlnom mert az egyik fele gerjed. Amit érdekesnek találok, hogy a rajzon 235V-os segédrács feszültség csak 195V, és változik a hangerő potméter tekerésére. A hangerő potinak van egy olyan állása ahol a gerjedés megszűnik.
Megvan a bűnös: a C512-es 15pF-os kerámiakondi!
Viszont miközben kerestem a hibát, folyamatosan hallgattam és annyira megtetszett a hangja hogy nincs szívem lemelleszteni. Tényleg nagyon szép hangú gép eredeti állapotában is.
Két 4ohmos egyutas JVC bassreflex doboz van rákötve.
Egy döglött mini hifi dobozai voltak, 20 wattosok de meglepően jól szólnak. Pedig igazából gagyik...
Ök azok
A 6E5P mégsem lehet túl rövid életű cső, hiszen a nagyok is használják:
http://www.6moons.com/audioreviews/thorens4/tep3800.html
Kösz a segítséget. Lehet, hogy nemsokára próbálkozok majd vele. Volt egy PL36-om, csak sajnos begázosodott, úgyhogy azt nem tudom kipróbálni sajnos.
Van még egy kis gond: jó két óra zenehallgatás után a hálózati trafó olyan forró, hogy kb. 10 másodpercnél tovább nem bírom rajta tartani az ujjaim.
A rajz szerinti feszültségek nagyjából megvannak. A melegedés azután sem változott, hogy a rádiórész csöveit és a skálaizzókat kivettem. |
Bejelentkezés
Hirdetés |





)
Inkább nem érdemes megbontani sem...


