Fórum témák
» Több friss téma |
Úgy, mint ebben. Köszönöm az útba igazítást! Talán a forrasztási oldalra rátudom tenni a plusz alkatrészeket.
Kész is van! Összerakás után még próbálkozott egy-két régi trükkel pl. egyik csatorna zajosabb ugyanolyan beállításokkal, mint a másik, meg ütemes búgás, lódobogás szerű zörejek. De jobb belátásra lett bírva: hiányzott a föld és egy forrasztás elengedett. Tökéletesen működik az általad javasolt megoldás!
Sziasztok!
Azért fordulok hozztok mert néhány ötletre lenne szükségem. Ismerősnek lenne szüksége (amatőr zenekarhoz, indulásnak) némi elektronikára. Készítenem kellene egy mikrofon előerősítőt, mert az ének elég gyenge. Jelenleg egy gitár overdrive-ra van bízva az előerősítése, de elég halovány. Amivel rendelkeznek hozzá Videoton 2x40W végfok, vagy a Quad 405 100Wos végfok(om). Tudom, hogy egyik sem erre a célra lett kitalálva, nem PA, de azért hátha ki lehetne belőle hozni valamit. Ha esetleg van valakinek valami működő bevált kapcsolása a mikrofonhoz, ami elegendő erősítéssel szolgálna valamelyik végfokhoz, megköszönném ha megosztaná velem a rajzot. (csináltam egy tl072-es műveletis egyfokozatú kis előfokot, de ha kitekerem 100-asra az erősítését, gerjed a mikrofon, ha meg lentebb veszem hiába van kitekerve a végfok akkor is halk., ezért kellene valami máködő megoldás) Egyébként kinéztem egyet: Bővebben: Link Csak kérdés, hogy mennyire kényes a diff erősítő része a Béták azonosságára (nem akarok venni 100-100 tranyót és méregetni egész nap) illetve, hogy valóban működik-e ez a kapcsolás. A hozzászólás módosítva: Jún 15, 2013
Időközben készítettem egy szimulációt hozzá: kép
Jó lehet ez így? A quad 405 kb 1,35V p-p szinusz jelet bír el.
Miért nem oldod meg egyszerűen csak ME-vel?
Írtam, összeraktam hozzá egy egyfokozatút, de egyrészt alapzaja volt (búgás, pedig 9Vos elemről tápláltam)
Illetve ha odatekertem az erősítést gerjedt ,ha meg levettem a határára, amikor nem gerjet be, akkor halk maradt.Ezért gondoltam, hogyha szimmetrikus jelfogadó egység végzi az erősítést, hátha akkor jobb lesz. Rosszul godnolom? Konkrétan őt raktam hozzá össze: kép De kb 800mV-tól gerjedt. 10mV-os, szinusz, (1kHz) bemenettel szimulálok. A hozzászólás módosítva: Jún 15, 2013
Tervezéshez kereséshez szükséges néhány adat. Pl. milyen a mikrofon? Dinamikus elektret, kondenzátor? Adott mikrofon által szolgáltatott jelszint, kimeneti impedancia szimmetrikus vagy aszimmetrikus-e a kimenet. Mekkora kimeneti szint szükséges az erősítőfokozat kivezérléséhez?
Van e szimmetrikus tápellátásod, ill. mekkora tápfeszültséged adott? Most olvasom a szerkesztett részt. Szerintem ne egyfokozatúval próbálkozz, hanem először egy tíz-húszszoros fokozattal, amit egy újabb követ, a bemeneti impedancia ne legyen túl magas, (1M mint látható nálad) mert gerjedékenyebb.
Milyen mikrofont akarsz rákötni?
Tavaly építettem egy mikrofon előfokot. (stúdióba rendelték) Rendkívül kis zajú, jó hangú cucc. Ha érdekel, akkor holnap az otthoni gépemről felrakom az egyik csatornáját LAY-ban. Ő volna az A hozzászólás módosítva: Jún 15, 2013
Íme a mikrofon előerősítőm.
Ilyen XLR csatihoz terveztem a nyákot. A Gain szabályzó potméter egy kicsit macerás, mert fordított logaritmikus kell bele, tehát nem "A" , hanem "C" jelű ami nem kapható sehol. Egy ilyen sztereó poti átalakításával csináltam "cés potit". Egy kis ügyességgel fel lehet cserélni a két pályát.
Szia!
Én sok mikrofon erősítőt kipróbáltam és nekem a műveleti erősítősök tetszettek. A tranzisztorosok kisebb zajúak, de nem szeretik a nagyobb bementeti feszültséget, mint amire tervezték. Sima beszédre nagyon jók, de ha egy gitárkombót kell hangosítaniuk, akkor már kis hangerőn koppannak. Nekem ez a tapasztalatom, ezért csináltam műveleti erősítőst. Pár hozzászólással előbb csináltam meg a hangszínszabályzós verziót kivezérlésjelzővel és fejhallgató erősítővel kiegészítve. Imádom!
Köszönöm mindenkinek, kipróbálom a javaslatokat, ahogy elnézem itthoni alkatrészekből meglesz majdnem minden, szóval elvileg pár nap és jelentkezem mi lett.
Szép napot!
Szia! Lehetséges, hogy az a probléma, amivel alapvetően küszködsz, nem a mikrofonerősítő hibája, hanem akusztikus probléma. Kis helységben nem lehet egy mikrofont úgy felerősíteni, mint egy gitárt, mert ahogy írod, akusztikusan begerjed. Különösen nem, ha a hangfalak és a mikrofon nem kifejezetten erre valók, azaz nem kellő irányítottságú a karakterisztikájuk. Ha kis helységben kell egy zenekarnak gyakorolni, akkor azt csak viszonylag halkan lehet (a dob valószínűleg túl hangos lesz), és az éneket jó eséllyel nem lehet a kívánt hangerő felerősíteni.
A búgásért (50 vagy 100Hz) az árnyékolatlanság vagy a szűretlen táp (esetedben ez az elem miatt kizárva) a felelős. Az erősítők elhelyezése is problémát okozhat; nekem egyszer az egyik erősítő trafója szórt mágneses teret az előerősítőre, attól búgott.
Ismét sziasztok!
Megépítettem a belinkelt előerősítőt, amivel van egy kis problémám. Leginkább az, hogy a tl071 fő benne, mint az állat a kimenetén pedig semmi sincs. Bővebben: Link 2x9V elem táplálja, szimmetrikusan, ha bekötöm mindkét elemet a pozitív táp leesik 2-3 Voltra, de csak abban az esetben ha az IC is be van téve. kínomban már kiszedtem a tranyókat is, de az IC akkor s fő, mint a vasárnapi húsleves. Tettem bele NE 55-ös helyettesítőjét, szintén fő. (egyébként vadi új IC, tegnap vettem) kerestem zárlatokat, elkötéseket, semmi. Az IC lábain ezt mérem: 2-es láb: kb 1Volt 3-as láb kb 7Volt +táp:1Volt -táp:3volt kimenet:1,3 Volt Mi lehet a gond? nyáktervemet csatoltam. (ennél a mérésnél a tranzisztorok már ki vannak szedve...de előtte is hasonló értékeket produkált.) A hozzászólás módosítva: Jún 19, 2013
Szia!
A csatolt képen a beültetési terv látható tehát ezt vedd figyelembe! Esetleg nem a nyák tükörképét készítetted el?
Szerintem rossz az ícé tápbekötése. Mérjed ki! 7-es láb +, 4-es láb -
Ezt a nyákot honnan szedted? ...vannak rajta furcsaságok. A hozzászólás módosítva: Jún 19, 2013
Ezen nincs nagyon mit méregetni. Felcserélte az IC tápjait, ahogy írtad. Az IC 99%, hogy elszállt. A visszacsatoló ellenállás is hibás értékkel van a beültetési rajzon (100 Ohm -> 100kOhm). Persze lehet, hogy jó érték lett beültetve...
No és a 4403, meg a BC tranyó lábkiosztása is különbözik (a valóságban)
Ezt a nyákot hanyagolni kéne több szempont miatt is. Amit korábban felraktam, az kipróbált, hibátlan LAY és még peak LED is van rajta.
Ú b.sszus! Ezen tényleg fordítva vannak a tápok. Na ezt nem vetem észre (eredendően sjanos nem gondoltam, hogy van aki felcseréli...) és megse néztem.
Amúgy találtam, ránézegettem alkatrészek értékei egyeztek, (ami nem azt javítottam, a visszacsatolásnál láttam a hibát, a kimeneti 100Ohm-ot is beletettem az egyik 0R0 helyére.) Néha vagyok olyan hülye, hogy bizalmat fektetek ilyenekbe. kár. Na de jó, hogy egy That corp.os IC volt benne! ![]() Egyébként csak azért ebbe ültettem be, mert azelőtt kimartam, hogy csatoltad volna a tiedet és mivel nincs lehetőségem mindig nyákot marni, így jön, ami jön, belepakoltam a cuccokat. Most meg megyek nyomtattatni, és vasalgatni. Köszönöm egyébként a tervedet, élek vele. És köszönöm nektek, hogy megnéztétek és észrevettétek a hibát!
Egyébként tudtam venni C-s potit, csak nem 10k- hanem 100k.
ez ugye azt hozza magával, hogy a kimeneti jel tizedére esik, mintha 10k-s lenne, viszont, ha a műveleti visszacsatolását megtoldom, mondjuk 100k helyett 1 Megával, akkor elméletileg 10-el nő az Auv, tehát megoldott a probléma. Elvileg. Aztán majd kiderül, hogy jó lesz-e. Hoztam azért egy Logos 10k-st is, biztos, ami biztos.
Majd arra is figyelj hogy a 4403 tranyó lábkiosztása pont fordítottja a BC 549-nek.
A nyákom BC 549/559-re van megrajzolva (C-B-E), tehát ha 559 helyett 4403-at raksz bele (E-C-B), akkor azt 180°-kal elforgatva forraszd be! Érdemes a tranyókkal is kisérletezni, mert különféle hangzást produkálnak.BC 549 helyett a 2 SC1815 is jó választás, de a bekötése szintén más. IC-ből nekem az 5534 jött be legjobban ebben a kapcsolásban. A hozzászólás módosítva: Jún 19, 2013
Szerintem nem a 100K-s potit nem nem kellene 1M-os ellenállással kikompenzálni. Használhatod, a 100K-st, de csak az egyik szélén lesz igazán hatásos. A műveleti erősítő visszacsatolásához meg szerintem inkább ne nyúlj.
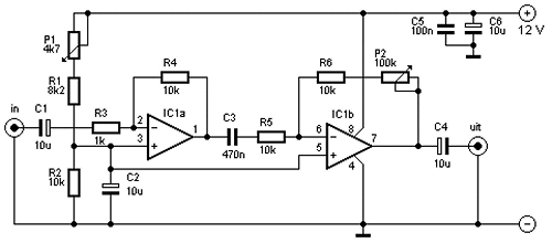
Hello segítséget szeretnék kérni meg építettem Ezt a kapcsolást de sajnos nem működik a leírás szerint 1volt-nak kellene lenni a kimenő feszültségnek,de nekem csak egy pár mV. A fejhallgatómat a kimenetre kötve hallom a mikrofon-ba leadott hangokat csak nem túl hangosan és nagyon közelről kell bele beszélnem! Szóval gondoltam nem ilyen gyengének kéne lennie... felteszem a Nyáktervem és a róla készült képet! Az alkatrészek a leírásnak megfelelőek! Forrasztásaim és Nyákom is igen csúnya
de nem kívánt szakadásokat rövid zárakat nem mértem!!!Eléggé kezdő vagyok kérném segítségeteket! Merre keressem a hibát..? Köszönöm előre is!!! A hozzászólás módosítva: Júl 4, 2013
Szia!
Idézet: „Mivel a kimenet szabályos 1V-os jel, így közvetlen köthető erősítő AUX bemenetére, keverőpult line bemenetére” Tehát ezt egy végerősítő bemenetére kell kötni és nem fejhallgatóra. A kimeneti 1V-os szint a jelszint, ami egyenfeszültség mérésre állított műszerrel nem mérhető. Szerintem nincs az áramköröddel baj, ez ennyit tud. A hozzászólás módosítva: Júl 4, 2013
Pontosabban szerintem 32 Ohm-os fülesnek ez nem jó...
Bár erősítőnek erősítő (csak feszültséget, de számottevő teljesítményt nem ad)... Hogyan is világítsam meg? Talán ha 1 liter vizet el tudok pisilni 1 méterre, és ezt "felerősítem" 1000 méterre, attól még nem tudok az "ezerszeres teljesítménnyel" erdőtüzet oltani
Köszönöm kielégítő válaszokat kaptam már csak annyi kérdésem lenne mit tudtok ajánlani a problémámra Szívesen neki kezdenék egy jobb-nak csak nem tudom értelmezni ezek után hogy melyik kapcsolás lenne jó nekem!? (csak azt tudom ahogy most van nagyon gyengén hallatszik (max-ra tekert a hangerő mellett is! Szerezzek egy kondenzátor mikrofont annak nagyobb a teljesítménye? Köszönöm a segítséget!
Most milyen mikrofont használsz? Ha hangerőt is szeretnél, akkor végerősítőt (teljesítményerősítőt) is kell kötnöd a mikrofonerősítő kimenetére és arra rákapcsolni a fejhallgatót.
Dinamikus mikrofont használok! Igazából nem fejhallgatót szeretnék használni a későbbiekben!
Az autóban jelenleg rá van kötve egy mikrofon a rádióra amit ha feltekerünk max-ra gyengén hallatszik a hangfalakból...és ezzel a kapcsolással gondoltam hogy felhangosítom (ha rá kötöm a rádióra a mikrofont az előbbi kapcsoláson keresztül úgy elképzelhető hogy jobb lesz ?! (mert gondolom a rádiót tekinthetem teljesítmény erősítőnek?! |
Bejelentkezés
Hirdetés |









Szerintem ne egyfokozatúval próbálkozz, hanem először egy tíz-húszszoros fokozattal, amit egy újabb követ, a bemeneti impedancia ne legyen túl magas, (1M mint látható nálad) mert gerjedékenyebb.










