Fórum témák
» Több friss téma |
Mielőtt kérdezel, a következő két dolgot ellenőrizd!
I. A helyes tápfeszültségek megléte.
II. A kimeneten van-e egyenfeszültség.
Élesztés.
Nekem a Rádiótechnika 97 számában szerepelő vált be. Már több példányban is megépítettem tökéletesen működik .
Sziasztok!
Guberáltam egy 2x20V 50VA trafót és azon gondolkodtam, hogy jó lenne egy erősítőhöz felhasználni. Valaki tudna ajánlani egy kapcsolást, 20W-os tranzisztoros erősítőre?
IC-s kapcsolással jobban célba érhetsz. Pl.egy TDA7294-el. aminek jelentős irodalma van. Persze féken kell tartani, de így is nagyot fog szólni a trafódról.
sziasztok!
mellékelt 2*20 W os erősítőt szándékozom megépíteni, 4 db 8 ohm os hang(falam)sugárzómhoz, hogy tudnám ugymond linkelni a kettőt, vagyis egy bemeneten szeretnék jelet küldeni két erősítőbe, egyszerűen a bemeneti csatlakozókrol kellene párhuzamosan kötnöm a két erősítőt? előre is köszönöm a válaszaitokat! A hozzászólás módosítva: Júl 2, 2014
Bevált a módszer, kivettem megmértem és 130pF volt csak... Kicseréltem egy újra és rögtön megtáltosodott, még túl nagy is lett az erősítése.
Mostmár reagált az R35/R29 módosítására is de inkább az előfokban lévő R9-et csökkentetem, hogy pont jó legyen. A telepkapcsoló állása is elkezdte befolyásolni az erősítést és benyomva kisebb volt úgyhogy be is kötöttem direktbe az R30-at.A rossz kondin kívül az összes elkót kivettem és megmértem de kifogástalan állapotban voltak sőt, szinte mind nagyobb volt a ráírt értéknél és nem szivárogtak. Köszönöm a segítséget Neked és CHZ-nek is!
Szia! Kötheted párhuzamosan a bemeneteket. A külön csatoló kondi azért maradjon meg.
Sziasztok!
Megvannak az alkatrészek egy kisebb erősítőhöz! Hogyan tovább?
melyik az a csatoló kondi ezen?
Használd a nagy kezdőbetűket! Mod. A hozzászólás módosítva: Júl 2, 2014
Az 1µF amelyik az IC 1-es lábához megy.
Sziasztok!
Tud valaki egy olyan erősítőt ami nagyon kis helyet foglal +-20V-ról megy, jó hangú és van stand-by és mute kimenete? Úgy tervezném, hogy feszültséget folyamatosan kapna, lenne egy egy kis állomása ahol lehetne szabályozni a hangot illetve bekapcsolni (és akkor csak kis áramok mennének a vezetékeken.). Teljesítménye mindegy, mert a trafó 100W-os.
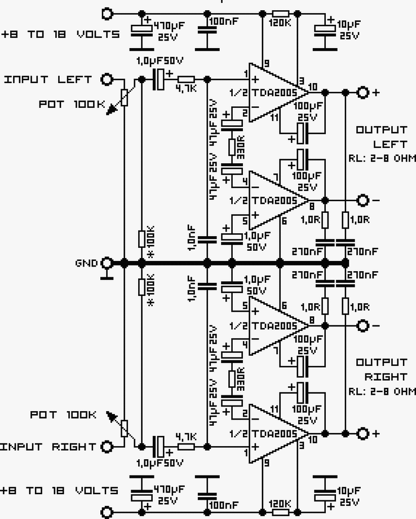
Szia! Íme egy TDA-s.
Most épp egy D2 45057-tel bíbelődök, ha nem a lehetetlen határát súrolná a panel utánépítése ezt ajánlanám Bővebben: Link
Na szóval egy ismerősömmel hozattam az alkatrészeket és lemaradt egy kondi meg azt hiszem hogy egy dióda.
Még soha nem volt dolgom diódával ezért nem mertem beültetni nehogy fordítva tegyem be vagy rossz helyre. Leírnád hogy hova kell? Lefényképeztem a nyákot, megnéznéd hogy jó-e? Ja és még néhány dolgot nem értek azt is mutatom egy képen! Előre is köszi!
Még annyi lemaradt hogy van egy olyan alkatrész amit hát nemtudom hogy micsoda de biztos nem ide való.
Hűtőbordának jó ha vágok egy darab lemezt? Ha igen mekkorát? Vagy egy rossz PC-táp ból kiszedjem a hűtőbordát?
amit bekarikáztál és nem tudod milyen alaktrész az kondenzáror meg kell nézni az értékét és a diódákat már beraktadBővebben: Link
Közben rájöttem.
Összekevertem a diódával. Ezeknek a fóliakondenzátoroknak van + és - oldaluk? (Szerintem nincs.) Hogyan tudom megmérni hogy mekkora kondenzátor?
Nincs, értéke pedig rá van írva a tetejére.
Semmi nincs a tetején!
akkor oldalán de ha jól láttam előző képen ott van eggyiken J betű másikon pedig a többi (homályos nem tudom elolvasni de darabszámra tippelve a 100nF de meg kell nézni az a biztos
)
A NYÁK tervét ami alapján rajzoltál megosztanád velünk? Nekem gyanús, hogy itt valami nagyon nem stimmel.
Megkérlek a TDA2030 témába írd a választ, mert itt elvész a téma után érdeklődők számára.
Sziasztok
Van 3db TDA 2003-as erősítő IC-m milyen kapcsolási rajzot ajánlotok hozzá úgy hogy Stereo legyen és jó hangzással és az sem lenne probléma ha lenne benne hangerő, Treeble, Blanc vagy Bass szabályozó poti is.
4 ohmos hangszóróval kb 4*15w-ra számíthatsz tőle és átlagos hangzásra.
A hozzászólás módosítva: Júl 6, 2014
És még azt akarom meg kérdezni hogy én nem akarom használni a mute és a stand by üzem módot akkor arra a részre nem kell kötni semmit?
Szerintem egy 1µF kondival húzd le a földre. Más nem kell.
Sziasztok!
Van nálam egy 7.1 házimozi rendszer és azt csinálja hogy bekapcsolom de ki is kapcsol egyből most haza jöttem és bedugtam és el indult működik minden mikor kikapcsolom a pover gombbal akkor már nem tudom újra elindítani csak ha kihúzom a konnektorból fél órára. A végfok panel jó
Pontos típust írj. Jelez valami hibát, villog valami hibakódot, vagy csak kikapcsol?
Ez egy JVC házi mozi. Sajnos nem jelez semmi hibát most jelenleg megy de ha ki kapcsolom akkor már nem tudom bekapcsolni.
A hozzászólás módosítva: Júl 7, 2014
|
Bejelentkezés
Hirdetés |





Mostmár reagált az R35/R29 módosítására is de inkább az előfokban lévő R9-et csökkentetem, hogy pont jó legyen. A telepkapcsoló állása is elkezdte befolyásolni az erősítést és benyomva kisebb volt úgyhogy be is kötöttem direktbe az R30-at.









