Fórum témák

» Több friss téma
Fórum » Castone erősítő javítás
 
Témaindító: xray, idő: Ápr 4, 2007
Témakörök:
Lapozás: OK   11 / 24
(#) szikorapéter válasza reloop hozzászólására (») Jan 6, 2015 /
 
+-56V a tápfeszültsége a végfokozatnak. A képek az erősítő belsejéről.
(#) reloop válasza szikorapéter hozzászólására (») Jan 6, 2015 /
 
Szemre ez egy híd kapcsolás, amit két független erősítőre tudnál szétválasztani, tehát sztereó erősítő lehetne belőle. Az kiszámítható, hogy erősítő félre 25 ohm terhelést lehetne kötni.
Az egy csatornában lévő 4 végtranzisztor igen biztató 8 ohm vagy akár 4 ohm terhelés elviselése szempontjából, de gondolom az erősítő áramkorlátja gáttat szabna ennek a kísérletnek.
Be tudnál kukucskálni milyen típusúak a végtranyók?
(#) szikorapéter válasza reloop hozzászólására (») Jan 6, 2015 /
 
MJ15024- MJ15025 Végtranzisztorokkal van szerelve.
(#) reloop válasza szikorapéter hozzászólására (») Jan 6, 2015 /
 
Az bivalyerős. Milyen útmutatásra volna ahhoz szükséged, hogy az egyik kimenetet meghallgasd testhez képest 8 ohm terhelésen? Hangsugárzó védelem nélkül csak műterhelést szabad használni!
Szerk.: a panel beültetési oldalán az alkatrészek hasonlítanak erre?
A hozzászólás módosítva: Jan 6, 2015
(#) szikorapéter válasza reloop hozzászólására (») Jan 6, 2015 /
 
A két erősítő panel előtt az előerősítő panel (ami a hangerőszabályzónál van ) egyesíti a bemenő jobb,illetve bal oldalt,és szintet illeszt. Onnét párhuzamosítva van a két bemenet a végerősítő panelek felé.
(#) levaitamas válasza reloop hozzászólására (») Jan 6, 2015 /
 
Szia reloop! A linkelt képed nem a CPA200-500 kapcsolása?
(#) reloop válasza levaitamas hozzászólására (») Jan 6, 2015 / 1
 
Szia! A téma képei közül választottam, a Castone család végfokozatai ilyen srófra járnak.
(#) szikorapéter válasza reloop hozzászólására (») Jan 6, 2015 /
 
Hasonlít az adott kapcsolásra,de annyira nem vettem még szemügyre. Mivel mind a kettő végfok kimenete át van vezetve a hangsugárzó védelem reléjén. Mindenképpen csak az után veszem le róla a jelet.
(#) reloop válasza szikorapéter hozzászólására (») Jan 6, 2015 /
 
Az nagyszerű, ha DC védett a kimenet. Már csak az áramkorlátot kell kitapogatni.
(#) szikorapéter válasza reloop hozzászólására (») Jan 6, 2015 /
 
Holnap délután teszek fel a panel beültetési részéről képet,hátha többet segít.
(#) reloop válasza szikorapéter hozzászólására (») Jan 6, 2015 /
 
Helyes, támogatom a körültekintő eljárást!
(#) rejtettlampas hozzászólása Jan 8, 2015 /
 
Sziasztok!
Újabb kérdésem lenne, ha már szét van szedve a végfokom. Szóval a venti, ami benne van, állandóan megy egy adott fordulaton. Nem tudtok valamiféle (lehetőleg egyszerűbb) kapcsolást, ami a hűtőbordák hőmérséklete alapján szabályozná a venti fordulatszámát? Ugyanis itthoni használatnál halk zenét hallgatva elég zavaró, hogy folyamatosan zúg a venti! Ja, a végfokom tipusa CPA 800B.
(#) rejtettlampas válasza rejtettlampas hozzászólására (») Jan 12, 2015 /
 
Senkinek semmi javaslata a fordulatszám szabályzással kapcsolatban? 230V-os venti van benne, azt kellene hőfokra szabályozni!
(#) fecameca válasza rejtettlampas hozzászólására (») Jan 12, 2015 /
 
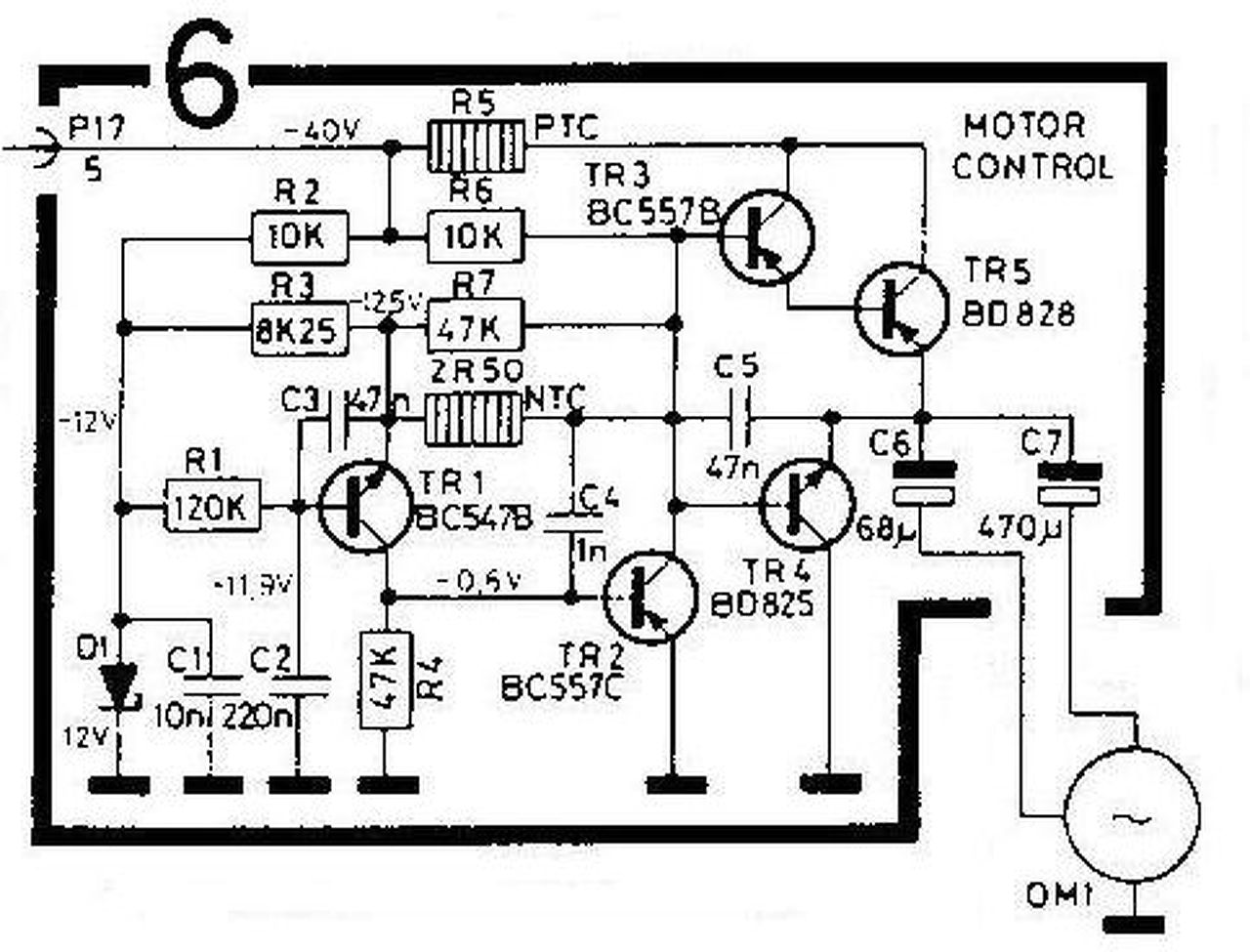
Szia. Én csak azért néztem be ide, hogy megnézzem ki a bánat az a Castone? De ha már annyira szeretnél egy venti motor szabályzót, itt van a Beomaster 5000 melegedésre felgyorsuló motorja. Ötletadónak talán jó lesz ez a rajz is valamire. Igaz, ez is csak 40 Voltos, de AC motor, elég érdekes megoldással szabályozva. Én megoldanám 1 db PC ventilátorral és 2 db tranzisztorral, közülük az egyik lenne az NTC érzékelő, a másik a motor szabályzó. A 230 V-os motort mindenképp elfelejteném, bár optocsatolóval talán meg lehetne csinálni érintésvédelmileg azt is korrekt módon.
(#) levaitamas válasza rejtettlampas hozzászólására (») Jan 12, 2015 /
 
Ha át tudod cserélni 12V-ra, akkor a cikkek között van egy proli007 által publikált kapcsolás. Ha az nem, akkor on-off rendszerűvé is megcsinálhatod. Szintén van a cikkek között egy bordára fogatható diódával megoldott hőkapcsoló. Az igazat megvallva nem szobába találták ki anno. hanem egy színpad vagy egy dj pult alá, ahol a kutyát se érdekelte hogyan zúg vagy clip-el
(#) rejtettlampas válasza levaitamas hozzászólására (») Jan 13, 2015 /
 
On off rendszerűvé nem nagyon akarnám. Elég ha egyszer elfelejtem bekapcsolni, amikor kellene. Azért írtam, hogy 230V-os kellene, mert gyárilag az van bele építve a végfokba. Nem tudom, hogy van-e valahol 12V, amit le lehetne csatolni a ventinek. Külön trafót ezért nem építenék be. Tudom, hogy nem szobába tervezték, nekem se mindig ott van, legfőképp bulikban használom. De külön szobai cuccot nem veszek, szóval amikor otthon pihen a cucc, akkor erről halgatok zenét. De ha nagyon körülményes a megoldás, akkor nem foglalkozok vele!
(#) levaitamas válasza rejtettlampas hozzászólására (») Jan 13, 2015 /
 
Az on-off rendszert úgy értem, hogy egy elektronika figyelné a borda hőmérsékletét, ami egy relén keresztül kapcsolgatná a ventit. Egyébként lehet hogy egyszerűbb pl bimetal-al megoldani.
(#) rejtettlampas válasza levaitamas hozzászólására (») Jan 14, 2015 /
 
Értem. És azt hány fokra érdemes belőni, hogy mikor kapcsoljon ki és be? Ez jó ötletnek tűnik! Valami egyszerű kapcsolást tudsz adni hozzá, hogy pontosan hogyan is gondoltad?
(#) rejtettlampas válasza levaitamas hozzászólására (») Jan 17, 2015 /
 
Ilyen bimetál termosztát megfelelne? Itt az értékek azt jelentik, hogy 70 foknál kapcsolja be a ventit és 55 foknál ki? Vagy hogy kell ezt értelmezni? Bocs ha hülye a kérdés, de sajnos a kérdező is az!
(#) levaitamas válasza rejtettlampas hozzászólására (») Jan 17, 2015 /
 
Igen, valami hasonlóra gondoltam csak egy kissé zavar, hogy 70C-nál kikapcsol.
(#) rejtettlampas válasza levaitamas hozzászólására (») Jan 17, 2015 /
 
Ja, hogy ez olyan lenne ami 55-nél be, majd 70-nél kikapcsol? Ez jó lenne? Elvileg 85 foknál kapcsol ki és be is! Vagy a 85 fok meg már sok? Nem nagyon találok olyat, ami csak egy alacsony hőmérsékleten kapcsolgat. Az ilyenek mind magasabb hőfokon üzemelnek!
(#) levaitamas válasza rejtettlampas hozzászólására (») Jan 17, 2015 /
 
Ez biztosan nem jó, mert alapban amíg el nem éri a 85 fokot, addig zárt (NC), majd 85 foknál bont.
(#) rejtettlampas válasza levaitamas hozzászólására (») Jan 17, 2015 /
 
Értem. Az olx-en találtam egy hirdetést. Van a hirdetőnek 235V 5A-es többféle is. Pl. 45, 60, 75, 90 fokos olyan, ami alapállásban kikapcsolt. Ezek jók lehetnek? Csak melyik hőfokú lenne ideális?
(#) reloop válasza rejtettlampas hozzászólására (») Jan 17, 2015 /
 
Szia! 45°C-nál már indulhat a ventilátor.
(#) rejtettlampas válasza reloop hozzászólására (») Jan 18, 2015 /
 
Nem túl alacsony az? Ennek a termosztátnak a tűrése plusz-minusz 5 fok. Ez azt jelenti, hogy már 40 foknál is kapcsolhat. Jó lenne, ha lenne egy lézeres hőmérőm és tudnék vele mérni, tesztelni, úgy, hogy kikapcsolom a ventit. Az lenne az igazi. Mondjuk még nem kizárt, hogy kölcsönbe tudok szerezni!
(#) reloop válasza rejtettlampas hozzászólására (») Jan 18, 2015 /
 
Nem baj, ha 40°C-nál kapcsol. Pillanatok alatt lehűti a bordát szobahőmérsékletre, és az alu test hőtehetetlensége miatt jó ideig csendben lesz A 60°C-os borda már zavarbaejtően meleg, 70-80°C-ra szokás a vészleállítót kalibrálni.
(#) rejtettlampas válasza reloop hozzászólására (») Jan 18, 2015 /
 
Értem. Akkor már csak az a kérdés, hogy hol helyezzem el a bordán a bimetált? Vagy az mindegy? Úgy kellene, hogy mindkét oldali borda hőfokát "érezze". Arra gondoltam, hogy egy 3-4 mm vastag alu lapot felcsavarozok a két borda tetejére úgy, hogy összekösse őket mechanikusan, majd erre fogatnám fel a bimetált. Így jó lehet? Hővezető pasztát érdemes a bimetál alá kenni? Valamint az merült fel bennem, hogy ugye ez a venti nem csak a bordákat hűti, hanem az egész végfok belsejét is. Nem probléma a többi alkatrésznek (pl nagyobb teljesítményű ellenállások), hogy nem lesznek folyamatosan hűtve? Vagy a tranzisztorok melegszenek fel leghamarabb a panel összes alkatrésze közül?
(#) reloop válasza rejtettlampas hozzászólására (») Jan 18, 2015 /
 
Bordánként 1-1 bimetál kapcsolóra lesz szükséged, melyeket párhuzamosan kell kötni. Az elhelyezés annál jobb minél közelebb van a borda középpontjához, persze a praktikusság ezt felülírhatja, attól még biztonságosan működhet.
A hővezető paszta ajánlott.
(#) Flashrider hozzászólása Márc 9, 2015 /
 
Sziasztok !

Anno. Már felttem egy kérdést itt. azóta eltelt egy kis idő,de a kérdés még mindig megvan.

"
Édesapámnak szeretném megcsinálni a castone erősítéjőt,és ebben kérném a segítségeteket. A beteg egy: castone cpa 500b.
A hiba: Hallgatta a zenét és egyszer csak elkezdett neki búgni a jobb oldal,kigyulladt a piros led,és onnantól kezdve nincs jobb oldalt hang. A másik oldal tökéletes. Biztiket néztem aazok jók. Valami ötlet,hol kezdjem? Égett szag, füst nem volt.

Köszönöm a választ!"

írtátok mérjem ki a végtranyókat,utána a meghajtókat. Milyen értékeket kell kapnom?
A végtranyók típusa: Tesa KD3773
A meghatók:

Mj E15030
Bd140
Mj e15031
(#) reloop válasza Flashrider hozzászólására (») Márc 9, 2015 / 1
 
Következő: »»   11 / 24
Bejelentkezés

Belépés

Hirdetés
XDT.hu
Az oldalon sütiket használunk a helyes működéshez. Bővebb információt az adatvédelmi szabályzatban olvashatsz. Megértettem