Fórum témák
» Több friss téma |
A kapcsolási rajz, gyorsan megvolt, a NYÁK tervet nézd el nekem hogy most nem túrom elő. Itt valahol ebben a témában benne van. Ha Reloop kolléga olvassa majd a hozzászólásokat, biztos segíteni fog!
Bővebben: Link
Ez a lebegőpontos test megoldás nem a legjobb,nincs mi középen tartsa a gnd t nagy terhelésnél elhúzza a tda 7294 és máris kész a féltáp...És abból bizony füst lesz.
Volt erre Példa. A hozzászólás módosítva: Szept 12, 2015
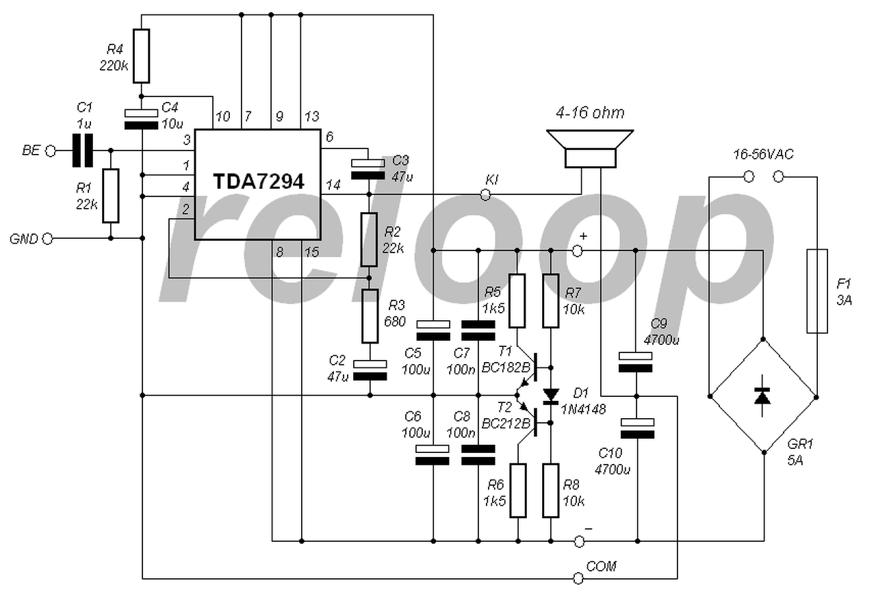
Szia! T1, T2-nek minél nagyobb bétájú tranzisztort válassz, hogy minél kevésbé húzza el a 10k-s osztót. Így is lesz a tápok között 1V körüli aszimmetria, de az szinte észrevehetetlen a működésben.
Arról ne feledkezz meg, hogy ez a tranzisztoros osztó csak az 1,4,9,10 lábak és a kimeneti DC hiba hangszóróáramát fedezi, igaz sztereó erősítőhöz is csak egyet kell építened. Venti, védelem, kivezérlésjelző nem mehet rá aszimmetrikusan! A 42V szekunderfeszültség ideális, a melegedés és a leadható teljesítmény között kiváló kompromisszum.
Üdvözlet!
Lassan elkészül az erősítő, már csak megfelelő hangfalakat kell szereznem. Esetleg tudnátok ajánlani 30.000,- forintig bezárólag valamit, amit Ti már próbáltatok? Van itthon egy hangfal pár , de gondolom ez kevés lesz ide (meg az erősítőnek sem ízlene a 4 ohm). Előre is köszönöm! ( Ha rossz helyre írtam elnézést, de nem találtam ilyen témát! )
Nem próbáltam, de biztosan jó azokkal is. Egy P/N átmenetnyi hiba azért bele van kódolva, hogy egyszerű legyen az áramkör. Ha nagyon pontos szimmetriát szeretnél az egyik 10k helyén 8k2 + 4k7 trimmerrel be tudod lőni, de hangsúlyozom semmi gyakorlati jelentőségét nem tapasztaltam.
Szia! Na ez nekem egy kis magyarázatot igényel. Nekem is egy olyan kész erősítőm van amiből már felbukkant itt pár példány: Bővebben: Link
Ehhez kellene tápot faragnom. Ha jól látom az általad készített kapcsolás kompletten tartalmazza az erősítőt és a tápot. De nekem csak a táp része kellene. Az működik külön?
Ez a tápfelező bármely szimmetrikus erősítőt kiszolgál. A műveleti erősítőnek zener diódákkal vehetsz le feszültséget, az nem zavarja a szimmetriát.
Akkor ha jól értem nekem a pirossal keretezett rész kell csak, ugye? Bocsi, de tényleg láma vagyok ehhez (is).
Rendben! Nagyon köszönöm a segítséget! Most már legalább fel tudom használni azt a jó kis 42 V-os trafómat ami csak porosodik évek óta polcon.
Még egy kérdés: mekkora a terhelhetősége ennek a kapcsolásnak? Azért lenne csak érdekes, mert nálam is 2 db sztereó panel van és arra gondoltam, hogy megpróbálnám az egyiket összehidalni és 2.1-et csinálni belőle. Vagy ez hülyeség?
Nem hülyeség, de ezek az erősítők szólóban is szépen szólnak! A 2.1 vagy 5.1 (mindegy mennyi x.1) a sugárzók, sávhatároltak. Azaz, nem a teljes 20-20kHz tartományban szólnak, hanem van egy keresztezési ferkvencia, ameddig a sub felmegy, ill. a szatelit lemegy. Nem tudom ez mennyi, de a mélynyomó miatt pár száz hercz. Akkor készítened kell egy aktív szűrőt. De ezek az erősítők szatelitnek pocsékolás, ahhoz gyengébb típus is jó, és ráadásul a híd nem tudna annyit produkálni, hogy a szateliteket "utólérje". Legalabb egyy nagyságrenddel kisebb teljesítmény kellene. A genius amiről írtam, az pont így volt felépítve. De a pontos típusokra már nem emlékszek. Majd megkeresem. Akkor már, mint írtam, vagy párhuzamosíts, vagy hidald az egészet. Vagy csinálj 4.0, vagy szerzel egy 150W körüli mosfet végfokot, és lesz egy baromi jó 5.1 rendszered. És egy előjegyzett halláskárosodásod...
Vagy tényleg házi mozit nyitsz. Lenne kuriozuma! Úgy is némileg feledésbe merült dolog már. A hozzászólás módosítva: Szept 12, 2015
Igazából a cél annyi lenne, hogy normálisan kihasználjam a 4 db meglévő végfokot. Azt olvastam valahol, hogy a sima 4 hangsugárzós rendszer nem jó, a 2.1-nek nagyobb értelme van, ezért gondoltam erre. Igazából nincs is szükségem az egészre, mert itthon van egy 6.1 Yamaha erősítőm szép nagy JAMO hangfalakkal. Szerintem ha megküldeném simán kiütné az ablakokat.
Tehát mint írtam fentebb is nem vagyok watt mániás.
Nos két lehetőséget látok, ami értelmes megoldás lehet: az egyik végfokot eladod. A másik, maghagyod tartaléknak, akár egy dobozban, és megcsinálod úgy, hogy átkapcsolható legyen hídba. Csak akkor csombosabb táp kell!
Én is ilyesmibe gondolkozok.
Nálam csak a szimmetriával van a gond, mert a trafóm 680 VA-t tud, úgyhogy az nem hiszem, hogy gond lenne.
Nekem nagyon bejött a TDA7294-ből épített 2.1-es. A tápfelezőt akár egy próba-NYÁK-on is összeállíthatod. Egy sztereó panelt simán elvisz, a másodikat rákötve meglátod elhúzza-e a szimmetriát. Az ellenállások értékének csökkentésével lehet rajta korrigálni. User:reloop - Képek kereséssel meg tudod nézni milyeneket építettem.
Többször is szóba kerül mostanában a 2.1-es kiépítés, TDA7294-el.
Reloop kapcsolásait felhasználva, és sok-sok útmutatását megfogadva, készítettem egy komplex paneltervet. Ezen minden rajta van, ami egy komplett erősítőhöz kell. Néhány jellemzője. 1. Kulcsfontosságúnak tartom, hogy minimális szabadságot sem enged meg a huzalozást illetően, illetve a felépítést tekintve is kötött. 2. 4 db végfokozatot tartalmaz, amikben akár kengyellel is rögzíthető végfok IC-k vannak. 3. Közös MUTE kapcsolója van, ami egyszerre némítja a csatornákat. 4. 1-1 fégfok a frontsugárzókat hajtja, és a maradék kettő hídban hajtja a SUB-ot. Az ehhez szükséges fázisfordítás, a SUB frekveniavágása, és a komplex egység hangerő szabályozása is megoldott. A hangerőhöz szükséges néhány elem a potméteren van. 5. Közös védelem van hozzá, ami bármelyik végfok hibája esetén minden hangszórót leválaszt. 6. Közös CLIP-et is tartalmaz, ami mindig a legnagyobb végfokkimenet alapján jelez. 7. Komplett közös tápegység is rajta van, amihez a javasolt tápfeszültség 2xAC19 V, amiből kb. 2x24V DC feszültség lesz. Reloop kísérletei alapján, ez már jelentős hangerőt képes adni, de még kényelmesen kézben tartható melegedéssel párosul. 8. a kimenetekre kötendő R+C párhuzamos tag is a panel része. 9. Talán nincs jelentősége, de kimondottan figyeltem rá, hogy az átkötések segítségével egyesével lehet a végfokokat éleszteni, illetve hiba esetén leválasztani. 10. A pozíciószámok kicsit viccesek, mert egy csomó közös pozíciószámot tartalmaz. Ennek oka, hogy az egyes részeknek külön kapcsolásaik vannak, amik mind elölről számozódnak. Ha lesz közös kapcsolása, akkor talán ez is változni fog. FONTOS! Ez a terv még nincs kipróbálva, de jó eséllyel hamarosan ez változni fog. Pozitív tapasztalatok esetén a terveket gyártható formában is meg fogom osztani. Akinek van véleménye, javaslata, vagy egyéb hozzáfűzni valója, az bátran tegye közzé nézeteit.
Szia!
Szép munka, bár én a graetzelést egy darab kockával oldanám meg.
Szerintem azért van 2 db graetz, mert 2 szekunder tekercs van a trafóról leágazva, esetleg 2 db transzformátor és csak a nyákon van közösítve. Ez a szép rendezett nyákon látszik. Gratula.
És az miért jó? Ha az összes áram egy hídon menne át, jó eséllyel azt is hűteni kéne.
Ebben nem ért veled mindenki egyet. Király Tibor elmagyarázza, mi a különbség az 1 kontra 2 diódahíd között (próbáltam linkelni, de most nem találom, majd valaki megadja neked hol olvashatod el).
Mivel ez a híd 1-2 száz forint, és mivel csak előny származik belőle, ezért van kettő. De pl. gyári erősítőkben nem látok ilyet soha.
A problémát a Tápellátás fejezet világítja meg.
Nem, pont fordítva. Egyetlen graetz kocka magasabb feszültségen tud üzemelni, így kevesebb áramerősség jut rá, -az ugyan azon átvinni kívánt teljesítmény elérésekor.
Alkotó: Az a helyzet, hogy amit olvashatunk abban a cikkben, az szerintem szakmailag alaptalan, valaki által valahonnan bedobott szöveg ami minden alapot nélkülöz, és ezt így finoman megtudtam fogalmazni. Kérem, pár tizedes töltés meredekségekről beszél, miközben van folyamatos (aztán átlagos? ő se tudja... ) 2A terhelés a kimeneten. Na mindegy, de ez körülbelül úgy néz, ki, hogy az erősítőket nem is egy vagy több dinamikus hangszóróra, hanem kerámialapos tűzhelyre kapcsoltiuk rá, és azt próbálnánk megszólaltatni. Akkor meg már úgyis 2-5% tápfeszültség esés, simán megengedett, attól még nem ájult el senki. Meg azért valljuk be őszintén. Elég korszerű kis komplett IC ez a TDA7293/4 sorozat, szóval, ha kis túlzással de sima négszög jellel hajtanám meg grízes hanggal, de megszólalna. Ettől függetlenül tegye mindenki a szívére a kezét... mikor lehetett hallani illetve mennyi köze van a egy vs. két graetz kockának annak a nagyon pici halk sistergésnek (ha most itt egyáltanál arról van szó) hogy jelen van a kimeneten? Mellesleg hozzá tenném, hogy egy átlag HiFi hangsugárzó 88-94 dB közt ideális, tökig feltekert potival (vagy csak simán mezitláb csupasz TDA-nak) mi hangja van? Szerintem semmi. Amennyiben hangosítási célra megy a TDA Mert miért ne? Én azzal is kipróbáltam szóval 98-105dB mély és magassugárzókkal egyaránt. Na ott már egy nagyon nagyon minimális halk sistergés éppen hallható ha mindenki csendben van! Egyébként meg minden más a kábelezésben, potméterben és a feleslegesen graetzelt (mondjuk mert szimpla tápos) előfokozatokban, demodulátorokban vagy akár a bemenetválaszókban keresendő amik előidézhetik a brummot. A hozzászólás módosítva: Szept 12, 2015
Nekem egy vakeráról beszerzett Pioneer CS-7030e-em van, amit bátran ajánlok az építés alatt álló végfokodhoz. 20 pénzt hagytam ott érte, teljesen rendben van a hangsugárzó pár.
Baráti javaslatom, hogy ne vegyél új terméket, inkább használtat, menj el meghallgatni és ha tetszik akkor vedd meg. Ennyiért a nagyságrendekkel kisebb műszaki színvonalon álló termékeket is csak épphogy meg lehet venni újban.
Ebben én nem tudok állást foglalni, de érdekelne a dolog!
Teszek egy javaslatot neked, és mindenkinek akinek van szimulátor a keze ügyében: 1. Mindkét állapotot le kellene szimulálni, és a GND-hez képest mérni a kimeneti feszültség nagyságát, és a rajta lévő "brummot", mindkét polaritás oldalon. Nem kell szélsőség, pl. egy +-30V/2A értéket ideálisnak gondolnék. 2. Ezt a szimulációt meg kellene ismételni kicsit, majd nagyon eltérő terhelések melletta két polaritási oldalon pl. -1,5 A / +2,5 A és - 4 A / +0,5 A (még akkor is, ha egy erősítőtől közel szimmetrikus terhelést várunk). 3. Végül, jól lehetne szemléltetni a pufferek mennyiségének igényét is, ha mondjuk +- 2A-hez látnánk a különbséget 1000, 2000, és mondjuk 10000 µF kapacitás esetén mérhető hullámosság nagyságát és alakját (természetesen az 1 és a 2 diódahidas változatnál is). Nem tudom mennyire komplikálja a mérést, de nagyon érdekelne ha minden mérésnél ábrázolni lehetne a puffert töltő áramot is, mert a nagysága és időbeni lefolyása szintén sok vita alapja. A szimuláció hitelessége érdekében, a puffert töltő vezeték ellenállását is jó lenne figyelembe venni, pl. egy soros 0,05R-os ellenállás beiktatásával mindkét oldalra. Ez több mérés, de gondolom szimulátorral időtakarékosan megoldható. Az eredményeket oszd itt meg, és majd meglátjuk mi derül ki. Ha rászánod az időt, akkor egyértelműen kiderülhet mi a valóság, ki téved, vagy esetleg hol húzódik az értelmes középút. Sőt, lehetne ebből írni egy "cikket", amire később sok-sok esetben lehetne hivatkozni, vagy szükség esetén tanulmányozni azt.
Az volna a kérdésem még a tápfelezővel kapcsolatban, hogy az 1k5 értéke mennyire kritikus? Ilyenem pont nincs. Van 1k meg 2,2k. Ha nagyon muszáj össze tudom rakni 2-3 db-ból.
Próbáld ki 2k2 kollektorellenállással, csak akkor kell kisebb értéket választani, ha az egyik tranzisztor teljesen kinyitna és az ellenálláson jelenne meg a teljes féltáp.
Én is elfoglalnám ebben a helyem, de akár "élesben" is tesztelnék. Mert nem tart sokból összedobni egy ilyet légszerelve, kivéve az asszimetrikus terhelést. Bár igazából az sem megoldhatatlan. Majd jönnének a szkópábrák.
Akkor várjuk a szimulátorral rendelkezők közreműködését.
|
Bejelentkezés
Hirdetés |






Vagy tényleg házi mozit nyitsz. Lenne kuriozuma!
Úgy is némileg feledésbe merült dolog már.




