Fórum témák
» Több friss téma |
Kár ezzel terhelni a labortápos topikot, van más tápegységes topik is. A kérdésedre a választ úgy kaphatod, ha megszerzed a készüléked adatlapját, vagy belenézel. Ha a készüléked tápegysége (nem labortáp) egy darab DC feszültséget szolgáltat, megoldható a dolog egyszerűen, ha nem, és több egyenfeszültséget állít elő, akkor nehéz dolgod lesz.
Egyébként is a készülékedben nem a transzformátor a legrosszabb hatásfokú alkatrész, meg számos előnye is van. A hatásfok pedig nem gondolom, hogy ezesetben fontos paraméter. Ez nem energetikai eszköz.
Itt köszönöm meg Bakmannak,proli007- nek és Sebinek is a tanácsokat .Igazatok volt a forrasztás volt a hibás a tekercs kezdő részén, de tíz perces munkával sikerült az érintkezést megoldani.(Átforrasztás)
Üdv :Géza
A közösített primernél ha van 2x12V 2x1A terhelhetőség az 24W. Tehát jól kiszámítható, ha a primer tekercseket összekötve 24V on használjuk, akkor az csak 1A terhelhetőség.... mert ugye attól még továbbra is 24W a terhelhetőség.... De!!!az kétszer 12V 1A!!!
Viszont... hagyjuk ezt a trafó témát... IGBT ügyben tudnál segíteni? ezt (MG150Q2YS40) mivel lehet helyettesíteni úgy, hogy adott helye van egy szabályzóban? ...és persze jó lenne, ha megfizethető is lenne... A hozzászólás módosítva: Márc 1, 2017
Egyrészt köszönöm a válaszokat.
Másrészt autóban kerül felhasználásra négy nagyteljesítményű végfokerősítő mellé. Sajnos az anyagiak nem engedik meg (remélhetőleg egyenlőre) a plussz agm, vagy tekercses akkut, így minden amper számít. Pár nap múlva kiderűl. A hozzászólás módosítva: Márc 2, 2017
Itt szekunder tekercsekről van szó és valóban, kétszeres feszültség, dupla teljesítmény ugyanakkora áram mellett, csakhogy ebben az esetben maradni kell 12V-on. Az IGBT-re akkor lehetne helyettesítőt találni, ha ismernénk a konkrét funkcióját.
A hozzászólás módosítva: Márc 2, 2017
Kocsiba ezt felesleges volt megvenned, gyártanak korrekt fejegységet ami ezt tudja, (váltó futásidő korrektor EQ) ráadásul a vezetőülésből vagy távirányítóról kezelheted.
Tervben van fedélzeti computer beszerelés is, ami szintén a fenti (tápellátás) okon bukott el eddig.
Viszont most találtam normálisabb (nem telefontöltő) DC-DC konvertert. Utána Windows alól minden könnyebb ![]() Na nem. Azt amit én autós dsp-ként találtam, az inkább vicc 200,000.- + -ért, vagy olcsó beépített "christalizer" funkció equalizerrel aka Audison. Én elsősorban aktív keresztváltót akartam. A többi csak hab a tortán. Ráadásul Home Theater-hez is használható, vagy többhelységes rendszer vezérléséhez. És csak 1/10 árért? Hát dehogynem.
Nem jót kerestél, valami hasonlót végigjártam én is vagy 10 éve, hálózati cucc autóban irtó kényelmetlen (hosszú évek tapasztalata). Ha megjön a cucc szedd szét, kattints képeket és mérd meg a feszkókat, majd kiagyaljuk hogy a legjobb, vagyunk itt elegen
) A hozzászólás módosítva: Márc 2, 2017
Köszönöm szépen. Meglesz
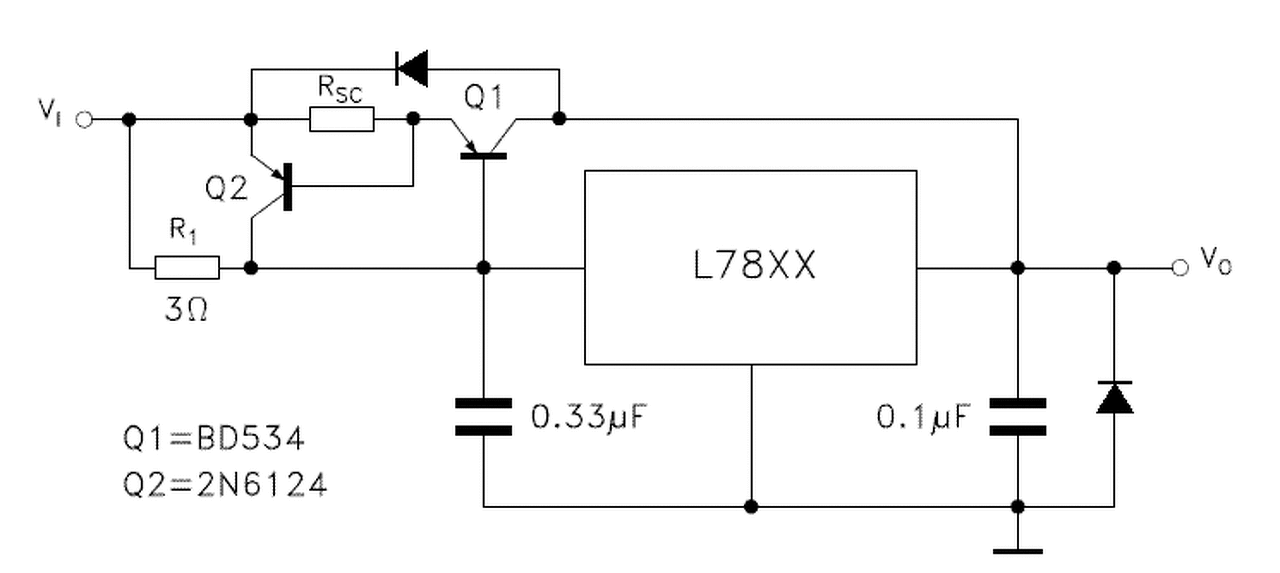
220/24V~7824 Nagyáramú rövidzárvédett kapcsolás kimenetén 38V van. Mikor összeraktam jó volt, dudát hajtottam vele, de most 24V-os erősítőre kötöttem. Még szerencse, hogy kikapcsolt. Emiatt mértem rá. Mitől lehet?
Idézet: „7824 Nagyáramú rövidzárvédett kapcsolás” 7824 1A-es. Hogy mi van köré építve azt csak Te tudod. Ami nincs, az a kimenetet védő záróirányú dióda, vagy zener, ezért ölte meg a - feltehetőleg mechanikus szaggatós - duda induktív visszarúgása...
Az ami az adatlapi példán nagyáramú rövidzárvédett kimenet címen van. 34. oldal 18-as ábra.
Akkor a 7824 ment tönkre?
Kösd le Q1 kollektorát a kimenetről és kiderül: ha 24V-ot mérsz, akkor a tranzisztor lett zárlatos.
Mind TO-220-as, nem tudok egy lábat kihúzni. Nem vettem ki, de rámértem Q1 BD244C BE közt zárlat van mindkét irányból. Mármint annyi az ellenállás, mint mikor összeérintem.
A hozzászólás módosítva: Márc 3, 2017
Hát ez lenne az.
Nem igen rendelezem szakirányú végzettséggel e tekintetben, tehát ne várjanak az urak mélyenszántó elemzést. Ha jól sejtem, akkor a narancssárga kimeneteket kellene megmérnem. A feszültséggel még elboldogulnék, de az erővel már nem igen. Holnap veszek multimétert ![]() Ja, mire testeljek?
Akkor vedd ki a tranzisztort, mert at E-B közöt - ha ránézel a rajzra - 3 ohm és a sokkal kisebb értékű Rsc van, azt rövidzárnak méred.
Kivettem. Így is 38V. Mi kell ahhoz, hogy ne menjen tönkre a stabilizátor?
A hozzászólás módosítva: Márc 4, 2017
Mindössze két dióda szükséges.
1N5408 vagy bármilyen Si 3A-es dióda mindkét helyre.
És, ha kéne egy 5V 20A-es táp, akkor csak egyformákat lehet párhuzamosan rakni, vagy lehet egy nagyobb, meg egy kisebb?
Egyformákat, de még úgy is elég nyűgös azt beállítani, hogy mindkettő egyformán vigye a terhelést. Nyilván a trafóval vagy bajban, abból kellene több egyforma és az egyenirányítás után egy pufferre dolgoztatni. Magát a stabilizátort nem probléma 10A-esre megépíteni.
De HEstore-ban 15A-es a legnagyobb. 240-ért 6A-es meg 20-ért.
Ha túlterhelés esetén leszabályoznak a tápegységek, akkor lehet párhuzamosítani őket. Elöször csak az fog dolgozni, amelyiknek alacsonyabb a kimeneti feszültsége (ez lehet akár mákszemnyi különbség is). Túlterheléskor csökkenti a feszültségét az alacsonyabb feszültségű tápegység szintjéig, majd az is belép a munkamenetbe.
Ez most hogy jön ide?
Kell Neked egy 5V 10A-es táp, amit megépítenél. Az első dolog a trafó, amit be kell szerezned, vagy tekersz egyet: 7,5...8V 10A szekunder kell. Vagy PC tápegységet használsz, az a legolcsóbb, 20A. A hozzászólás módosítva: Márc 5, 2017
De honnan jön a 10A? Én 20A-t írtam végig. Kell nekem egy 24V 3A, és egy 5V 20A. A 24V-ost 3A-es cuccokból raktam össze, meg 3A-es diódát könnyű szerezni. 5V-os nincs, de abból 20A-es kéne.
A hozzászólás módosítva: Márc 5, 2017
Nem tudom minek kell 5V-on 20A, de érdemes lenne a koncepciót átgondolni, hogy ez a 100W-nyi teljesítményt nem lehetne-e magasabb feszültségen, kisebb árammal besajtolni a gépedbe? Esetleg több 5V 2A-es táppal, külön megtáplálni a részegységeket? 20A-hez már kell keresztmetszet rendesen. Ha a kábel végén nem marad már csak 3.5V, akkor mit csinálsz?
Bocsi. Csak annyi, hogy akkor 20-es szekunder kell.
Meg hatalmas hűtőborda, ami képes 80W körüli teljesítményt elfűteni.
A PC tápok 99,9 %-ban 20 A-nél többet tudnak az 5 V-os ágon. Komolyabb ATX tápok 32-35 A-t is. Több tucatnyi 1,5 mm2-es huzalon jön ki mindez. Tetszés szerint párhuzamosíthatóak. A táp semmilyen átalakítást nem igényel, legfeljebb a környezeti feltételeknek megfelelően be kell dobozolni.
Hányódik a pincében olyan szerver tápom, ami 5 V-on 100 A-t, 12 V-on 50 A-t tud. A hozzászólás módosítva: Márc 5, 2017
A biztonság kedvéért kell 20A-es, hogy kibírja. 7.1-et raknék össze 7 ilyen felhasználásával párhuzamosítva a sztereó csatornákat, 4 ohm -os hangszórókkal. Vagyis Azt írták rá, hogy max. 5V lehet a bemenet, és az csatornánként 3W, azaz 5V/8 ohm =0,625A*5V=3,125W, szóval 5V/4 ohm = 1,25A*2=2,5A*5V=12,5W, és 2,5A*7=17,5A, ami nem 20, de több mint 15. Ennyiről nem lenne hajtva, mert nincs akkora trafóm, meg rettenetesen szólna, az adatlapja alapján is (kicsit kevesebb mint 1/3 teljesítményen) 4 ohm -on 2W-nál a legkisebb a torzítás, vagyis párhuzamosítva 4W-nál.
A mélyláda meg erről menne. |
Bejelentkezés
Hirdetés |















