Fórum témák
» Több friss téma |
Fórum » Csöves erősítő készítése
Ne feledd betartani a fórum viselkedési szabályait, és a topik megmaradásának feltételeit. [link]
A téma átmenetileg fagyasztva lett, hozzászólni nem tudsz!
Köszi a választ, így már érthető. Nem tudom hogy mire fogok jutni, de remélem nem lesz nagy Bumm!
Szerencsére a csövek, a félvezetőkkel ellentétben sokat kibírnak, még némi csattogást is. Azért a fűtésre nem igazán illik nagyobb feszt (áramot) küldeni, mint ami a katalógusban van.
Gyakorlott szervizeseknél gyakori a szikroszkóp, és a nyaloszkóp használata. A szikra színéből néi gyakorlattal lehet következtetni a feszültség nagyságára, a szakadt megohmos ellenállást pedig megnyálazott ujjbeggyel lehet átmenetileg "javítani". Meglehet közben lészen némi csipkedés, de belehalni nem fogsz. A hozzászólás módosítva: Szept 15, 2019
Idézet: „Én is kacérkodom vele, mert van a fiókban 4db teljesen új GU50-em. Ha engem kérdezel én nem csinálnék neki nyákot, hanem a régi jó csöves lábtól lábig huzalozással építeném meg.” Meghajtás nyílt hurkú erősítése nagy, kb. 250mV eff. szintre kihatja a végcsövet, torzítása is éléggé magas. Szimulátorban ellenőrizheted. Barátom is elkészítette, átalakítottam (csatolás), csak helyi visszacsatolást alkalmaztam (végfokban is). Végcsövek munkapont beállítása katódellenállás, de -12V előfeszt is alkalmaztam, így könnyebben korrigálható kisebb eltérés. Mérve és meghallgatva is jobb eredményt hozott. Légszerelve, könnyen, szépen megoldható, kevés alkatrész
Tényleg nem létezik, hát persze, hogy nem... az ezüsthuzal kivezetésű tantál ellenállásokat is nyilván a hadiipar számára gyártja egy japán alkatrészgyár. Ja, nem
Kétszerezőnél (többszörözős tápot ilyen célra gyakorlatilag senki sem használ) a brumm alapfrekvenciája 100Hz helyett 50Hz lesz, ugyanakkora "hullámosság" eléréséhez pedig kb. dupla kapacitású pufferek kellenek. 400V feletti anódtápokat szokás duplázóval csinálni.
Már nem aktuális mert beszereztem “piripízír”. Azaz ingyen. Bontottam egy egész kajás piklinyi Ohmite és Dale 1 és 0,1% tűrésű jópár vattos ellenállásokat. Pont olyan értékben amit kerestem. Így már be tudom lőni a két sugártetródámat pontosra. Több mint tökéletes.:jump
A hozzászólás módosítva: Szept 16, 2019
Egyesek szerint a teljesítményerősítő bemeneti ECC-jének 6.3V-os fűtését is egyenről kell megoldani, különben azt mondják, brummos lesz. Hát igen, ha bénán csinálják
Üdv. mindenkinek. Eddig csak olvasgattam, hallottam az ARC eredeti készülékekről jó sokat. Viszont ma!? Ma bekerűlt hozzám egy gyöngyszem. Bár nem ez a témája, de három fotót megérdemel említeni róla. Ez egy előerősítő. A többit már szerintem ránézésre tudja erről sokunk itt. Nem is írok róla többet, jó ézegetést.
A hozzászólás módosítva: Szept 16, 2019
Na, a Dale éppen olyan általános célra gyártott ellenállás, amire később ráfogták
Félig-meddig jogosan, de a semlegestől távol állnak, és ezt nem árt figyelembevenni.
Hát ezt ráfoghatnám a kis piros vagy épp fekete kis izékre is amiket látok komolyabb gityó motyókban (is). Az se különb az ohmite pláne daletől.
Nekem LS25-höz volt szerencsém. Miután módosítottuk, egészen jó lett a hangja. Sajna az az elején lévő 4 db DS1666-os IC nem HighEnd. Egy négyes potival jobb eredményt lehet elérni. Az IC-k összemossák a hangot, és a dinamikát is megkurtítják. Legalábbis mi így hallottuk. Az ARC régi SP sorozatú erősítői szebben szólnak.
Sziasztok!
Csak egy kis építés... Valamikor egy éve kb. eszembe jutott, hogy van otthon két kisebb kimenőm amit a PL508 SE-hez csináltam, de nem lett elég, egy régi rádió trafóm, meg némi ECL86 és EZ80 csövem. Eredetileg úgy terveztem, hogy minden lemezzel és mindennel együtt az epítés max 48 órát vesz idénybe, mindenesetre azóta eltelt egy év így csak úgy hívom, hogy "nettó 48 órás erősítő", ugyanis az összes ráfordított idő ennél tényleg nem volt több (a bevásárló túrákat nem vettem bele persze...). Mindenesetre ilyen lett, ez most jó lesz egy darabig, amíg nem csinálom meg a 6P3SZE PP-t. (Igen a fa csak sima fenyő, de ez volt otthon gyorsba). A trafókra még lehet 3D nyomtatok valami burkolatot, mert a kimenők pl. a jó öreg töredezős műanyagból vannak.
Idézet: „... csinálom meg a 6P3SZE PP-t.” Erre is kíváncsiak vogymuk...
Nálam is a 6P3SZ PP az egyik jelölt, a másik meg a GU50SE. Na de a kimenő a legnagyobb probléma, meg az nyom a legtöbbet a latba. Ahány embert kérdezel annyiféleképpen "kell" azt megtekerni, ha meg megnézel egy gyárit, na az meg teljesen másképp van...
Még a végén kézzel kell nekiállnom, bár egy nagy múltú emberkével beszéltem a múlt héten, és hát ő is úgy csinálja, méregdrága cuccokba is, szálvezetős gép nélkül, ezt ő maga mondta... Aztán utána jöhetnek csak az olyan nyalánkságok, hogy 36000Ft/db árú csatolókondi...
Sziasztok!
Az Ágoston Lajos GU50-es csöves erősítővel kapcsolatban lenne kérdésem. Szerintetek az járható út, ha egy DC/Dc konverterrel állítanám be a 6,3V-os fűtést?
Teljesen felesleges.
A hálózati trafót eleve a szükséges feszültségű/áramú tekercsekkel kell kivitelezni. A DC/DC konverterrel csak plusz zajt vinnél a rendszerbe.Szerintem.
Akkor a 9V-os fűtést ami a rajzon is van, egyből 6,3V-ra tekercseltessem? Ezután már akkor csak egyenirányítani kell a 6,3V-ot?
Ha ezt a verziót választod, akkor 9V-os fűtőtekercs kell az előfokcsöveknek, a rajz szerint.
Itt ellenállásokkal van beállítva a fűtőfesz, egyenirányítás után. Én sima váltóval fűtőm a sajátomban, (6,3V) nem tapasztaltam semmi zajt, vagy hibát ezzel a megoldással. Válaszd a Neked legmegfelelőbb megoldást. Ha mindenképp DC-vel fűtenél, akkor maradhat a 9V-os tekercs, és a következőt választanám:graetz,puffer és egy sima LDO stabilizátor.(LT1084/85, vagy akár egy kommersz LM317) A hozzászólás módosítva: Szept 19, 2019
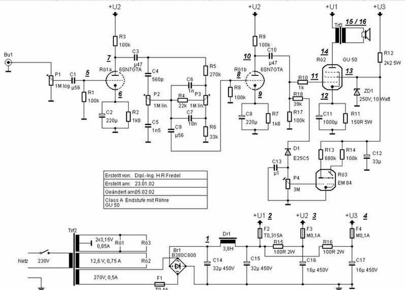
Nincs valakinek véletlenül egy nyomtatható rajza a GU50-es erősítő 350V-tápjához? Vagy ha van már kész nyáklemez ehhez a táprészhez, az is érdekelne.
Mégis csak a csöves? A damaszkuszi út??
A hozzászólás módosítva: Szept 19, 2019
Én is váltóról fűtöm az előcsöveket! Majd fűtéspotenciál emelés a végcső katódellenállóról ha autóelőfesz van, szerintem legyen. Az erősítőm zajtalan. Lehet így is. Először ezt kell eldönteni. Az AC és DC fűtésnek is meg van a maga tábora. Az én tapasztalatom szerint az AC szól jobban.
Itt egy komplett rajz aminek a táp része jó lehet neked. A kép a jogis-rohrendbude oldalról való
Ne haragudj, de pontosítanom kell. Olyan nincs, hogy zajtalan egy erősítő, csak az a kérdés, hogy mennyi. Ha azt mondod, hogy nincs hallható zaja (ez a füled érzékenységétől is függ) akkor az azt jelenti, hogy az erősítő zaja (zaj + brum) a jelszint alatt (jel/zaj viszony) legalább 45 - 50 dB, vagy annál alacsonyabb szinten van. Egy végfok esetén a legrosszabb esetben a jel/zaj viszony 90 dB körül kéne lennie.
A közvetett fűtésű csövek fűtése, és katódja között meglehetősen jó szigetelés van, azonban ennek is vannak paraméterei. Van feszültség limit, amire különösen kell ügyelni a kaszád felhasználásoknál. Van átvezetés, ami azért meglehetősen nagy ellenállás, de erre is ügyelni kell, különösen a nagy erősítésű, és igen kis jeleket feldolgozó erősítőknél (mikrofon erősítő) Ez esetben kell megfontolni az egyenáramú fűtést. Van kapacitás is, ami azért nem túl nagy, de a nagyfrekvenciás alkalmazásoknál okozhat problémát, hangfrekvencián nem jellemző.
A GU50-nek 12,6V a fűtőfeszültsége és kb. 0,8A a fűtőáram igénye, ehhez tessék méretezni a fűtést, de az adatlapján le van írva minden fontos paramétere.
Üdv!
Ez jó, csak monó erre tessék figyelni a táp méretezésekor!
Üdv!
Mit is kell előerősítgetni a mai hangtechnikában? Valaki okosan elmagyarázhatná...
Szerintem egy 2000 oldalas topicban senki nem fogja neked elmagyarázni.
Egyszerűbb ha utána olvasol, vagy komolyabban beleolvasol a topicba. |
Bejelentkezés
Hirdetés |







Félig-meddig jogosan, de a semlegestől távol állnak, és ezt nem árt figyelembevenni.
Valamikor egy éve kb. eszembe jutott, hogy van otthon két kisebb kimenőm amit a PL508 SE-hez csináltam, de nem lett elég, egy régi rádió trafóm, meg némi ECL86 és EZ80 csövem. Eredetileg úgy terveztem, hogy minden lemezzel és mindennel együtt az epítés max 48 órát vesz idénybe, mindenesetre azóta eltelt egy év így csak úgy hívom, hogy "nettó 48 órás erősítő", ugyanis az összes ráfordított idő ennél tényleg nem volt több (a bevásárló túrákat nem vettem bele persze...). Mindenesetre ilyen lett, ez most jó lesz egy darabig, amíg nem csinálom meg a 6P3SZE PP-t. (Igen a fa csak sima fenyő, de ez volt otthon gyorsba). A trafókra még lehet 3D nyomtatok valami burkolatot, mert a kimenők pl. a jó öreg töredezős műanyagból vannak. 










