Fórum témák
» Több friss téma |
Fórum » Akkumulátoros fúró
Sziasztok!
Van egy Bosch Professional GSB 12V 15 típusú 12 voltos akkus csavarbehajtó. Nincs hozzá akkum! Csak egy tápegységről tudom megtáplálni. A jelenség az, hogy amikor megnyomom a gombját a megvilágító fény kigyullad illetve a töltöttségi szintet jelző ledek is világítanak, de sajnos a motor meg se nyikkan. A motor jó, mert tápról kipróbáltam. A panelen lévő két darab FET-ből az egyik fel volt robbanva, ezért mind a kettőt kicseréltem. De a helyzet változatlan. Ha volna valakinek valami tippje, hogy merre induljak a hibakeresésben az nagy segítség lenne. Üdv Gabi
Szia proli007!
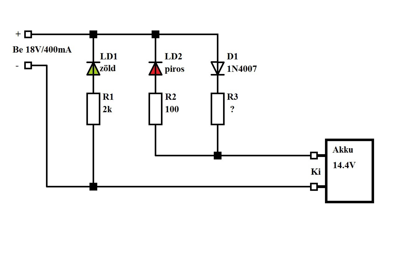
Ha ezt a töltő áramkört 14.4voltos NiCd akkupakkhoz szeretném használni, akkor kell valamelyik alkatrészen változtatnom?
Hello! Igazából nem. De ez csak egy "valami", nem egy korrekt töltőáramkör. Ez egy gyári készülék minimalizált belsővel. Mert a 1,4V-os aksiban 12 cella van. Ennek a névleges feszültsége a cellánkénti 1.2V. Töltési feszültség maximuma kb. 1.45V, ami 12 cellára nézve 17.4V. A soros dióda nyitófeszültsége 0,6..0,7V és így már meg is van a 18V feszültség. De szépséghibája a dolgnak, hogy pld a zöld Led nyitófeszültsége kb. 2.2V. Tehát az 5.6 Ohm-on 400mA-nak kell folyni, hogy a dióda egyáltalán világítson. És akkor még ott van a 470 Ohm feszültségesése.
Tehát ha a 18V tápfeszültség stabil, nem fogja túltölteni a cellákat, csak éppen a soros 5.6Ohm miatt (ami alapból a töltőáramot korlátozza), a töltés vége a végtelenbe fog elhúzódni, a töltés jelzése viszont 400mA alatt, (amikor a cellákban 1.3V lesz) már ki fog aludni. De ha azt vesszük figyelembe, hogy a NiCd töltésének figyeléséhez igazából jó módszer nem gazán van, akkor megfelelhet a dolog. Gondolom ez volt a tervezési megfontolás amikor készült a gyárban, na meg az olcsóság.
Akkor marad minden alkatrész. Van egy hasonló töltőm (a mellékelt fájl szerinti kapcsolással), csak abba elégett az R3 ellenállás és nem tudom behatárolni az értékét, ezért inkább megcsinálom azt, amit te is felraktál ide.
Köszönöm szépen a segítséged!
Oké, de a két Led-et legalább fordítsd meg. Mert így nem fog világítani.
Üdv mindenkinek!
Van egy parkSide Akkumulátoros Fúró ami egyik napról másikra megadta magát. A szabályzó elé bekötött tápegységgel jól működik, viszont az akku előtt lévő panel nem ad át áramot! Valószínű ez az akku figyelő áramkör? Ha ezt átkötöm és direktbe kötöm amit megtettem jól működik a fúrógép! Milyen problémát okozok ezzel? Köszönettel András.
Ha nem figyelsz az akku állapotára, két három mély kisütés, és kukásítod az akkut is. Ha figyelsz rá, hogy 30-40% alá ne merüljön ( munka közben azért elég nehéz) , gondolom sok bajt nem okozol.
Nem lesz se túláram védelmed, se túltöltés, se túlmerítés.
Ha a BMS nem ad ki feszültséget, ez lehet azért van, mert az egyik cellád (vagy egy vezeték) hibás, persze lehet, hogy a BMS a hibás. NE töltsd a BMS nélküli akksit, csak cellánként, balanszer kábellel és rendes töltővel! Az eredeti töltő ha elkezdi tölteni (nincs benne ellenőrzés) akkor az akksi könnyen kigyulladhat.
Az újabb akkus gépek külön akkuval, töltővel jönnek. Ha jól látom ez meg a fúrógépben van/volt, így a töltést nem érinti ( szerintem). Persze ha régebbi a gép....
Szia, igen külön töltője van ami szépen tölti, az akkun van külön töltöttség szint jelző is!
A igazából majdnem kuka lett volna az egész de így még megmentettem egy darabigig még használható lesz! Szerintem .
Sziasztok!
Szeretnék ajándékba venni egy akkus fúró-csavarozó gépet, ház körüli, hobbi, barkács célokra lenne nem állandó használatra. Nem lenne rossz azért ha pl. előfúrva fenyőbe be tud hajtani pár nagyobb facsavart, esetleg előtte kulccsal megindított M5-M6 nem berohadt csavart is kitekerne. Egyáltalán nem vagyok tisztában hogy ezen célra hány amperes és voltos Li-ion akkusat érdemes venni, segítenétek ebben? Ezekből a gépekből ajánlott valamelyik esetleg, ebben az árkategóriában gondolkodom: Link1 Link2 Link3 Köszönöm szépen!
Minél nagyobb a feszültség, és minél nagyobb a kapacitás (Ah), annál jobb. Ugyanis ez azt jelenti, hogy sok cella van az akksiban, tehát a terhelés megoszlik köztük, kímélve lesznek.
2Ah mint akksi számomra felejtős! Kivéve, ha van sok jó minőségű cellád, és a cella csere sem okoz gondot.
Ún. akkus ütvecsavarozók között keresgélj... Bővebben: Link
Egy márkásabb gép Li-ion akkuja elvan egy pár évig azért, főleg ha keveset használják? Vagy 1-2 év és cserélni kell a cellákat?
Ez kiszámithatatlan. Egy 12 éve vett Hitachim még most is menne, ha a töltö nem ment volna tönkre. 2 éve vettem ugyanolyat, igy 2 géphez 4 akkum volt és egy töltöm. A tavasszal az uj mindkét akkuja tönkre ment. Még gariban volt. Kicserélték, de az ujban már más az akku, igy a régit már nem tudom tölteni. Azon gondolkodom, hogy érdemes-e megoldani a töltést a > 10 éves akkukhoz.
Egy másik nagyobb géphez szintén 2 drb 20V-s akkuk vannak, de az egyik a kezdettöl rosszabb mint a másik. Ezt nem akarták kicserélni. Már az Einhell gép is vagy 4 éves, és müködik. A hozzászólás módosítva: Szept 19, 2021
Ha bizonyos időnként feltölti az akksit (még használat nélkül is merülnek!), akkor nem lenne szabad, hogy baj legyen. Először havonta érdemes megnézni az akksit, aztán a merülésből lehet következtetni, milyen időnként kell újra rátölteni. De ez nem garantálja, hogy nem megy benne semmi tönkre
Sziasztok !
Makita 10.8V akkus fúró gondjaim vannak. Egy DF 330D-ben DF330D -ben tönkrement a kapcsoló és arra gondoltam, hogy egy új DF333D kapcsolóját átrakom bele. Igen ám de a 333D 3 ponton csatlakozik az akkuhoz: +, -, és T. A kérdés hogy a T (sárga vezeték) jelűt hogyan figyeli a kapcsoló mert csak a +, - -t csatlakoztatva nem működik a gép ? (csak a világítás LED-et kapcsolja,, a motor nem forog) Még annyi infó, hogy 333D-hez nincs akkum, ezért nem tudom megmérni. Képek: A hozzászólás módosítva: Szept 20, 2021
Esetleg az is nagy segítség lenne, ha valaki megmérné, hogy milyen potenciálon van a "T" kivezetés az ilyen 10.8V-os akkumulátoron ?
Ház körül hobbi szinten szerintem az ütve csavarozó felesleges/ illetve egy fúrót úgyis kell venni mellé. Az olcsóbb fúrógépek sem biztos hogy rossz választások, Ha van rajta fordulatszám váltó, nagy eséllyel behajt egy akár nagyobb facsavart is. Amúgy a nyomatékot nézném, azt jobb gépekre ráírják. A 35-40Nm feletti nagy valószínűséggel elég. Az már csavarhúzóval sem igen után húzható.
Ilyen gépem nincs de egy másiknál, szintén 10.8 V-os, a - és a T között 16 kΩ-nyi ellenállást mérek, kb. 20 °C-on.
Köszi ! És a feszültség mennyi "-" hoz képest ?
Nulla. A - és a T között egy termisztor lehet.
A DF333D*-nek 12V-os az akkuja és más "fazon"...BL1015-BL1040 típusok.
A 330-asnak pedik a BL1013-as az akkuja ugyebár....és, ha jól látom 3 kivezetése van, a "T" is közte van...vagy nem?! A gép akku csatlakozója csak 2 pólusú, szabadon lóg a "T"... /Ezeket bárki kiderítheti a netről.../ A hozzászólás módosítva: Szept 22, 2021
Így van. De ekkor viszont nem működik a gép. Az eredeti kérdésem arra vonatkozott, hogy hogyan kell. "T" kivezetést becsapni, hogy 2 pólusú akkuval működjön ?
Eléggé szűkszavú a válaszod... Akkor most bekötötted a kapcsoló 3. kivezetését az akku "T" kivezetéséhez, vagy nem?
Bizonyára a akkuba integrált áramköri részt kéne ("T" és a "-" között...a TH1-et?) átrakni a gépbe... Szabálytalan (nem fogja mérni az akku hőmérsékletét) ugyan, de működhet. A hozzászólás módosítva: Szept 22, 2021
Bocs, csak mobilról írtam és úgy nem könnyű hosszabban írni...
Tehát a lényeg: a DF330 készülék, amiben megpusztult a kapcsoló, nem az enyém. Egy új 11 ezer körül van. Gondoltam, hogy veszek egy DF333D-t és annak a kapcsolóját átrakom. Az a kétezer forint különbség megéri hogy marad egy kapcsoló nélküli gép, akár alkatrlsznek is. De ugye csak szétszedéskor derült ki, hogy a 333 kapcsolójába 3 vezeték megy az akku csatlakozóból: 3, - és T. Csakhogy hiába tettem rá a kétpólusú akku, nem megy a gép. Tehát valahogy be kéne csapni a T csatit hogy működjön. Szerintem, Olyan nagy gond nem lehet belőle, hiszen a 330-ban sincs eredetileg akku hőfok figyelés. Egyénként köszi a tanácsot !
Köszi az infót ! Akkor majd megpróbálom ezek alapján ellenállással.
Sziasztok!
Van 2 db Extol 18 Voltos 1200mAh-s, NiCd akkus csavarozóm. Teljesen egyformák, 4 akkuval szép állapotban, csak ház körüli hobbi barkács dolgokra használtam őket. Sajnos a 4 akkuból már csak egy használható, az sem tökéletes. Az lenne kérdésem hogy mit ajánlanátok, érdemes-ez akkukat felújítani és maradjon NiCd, esetleg átalakítani lítiumosra, vagy nem éri meg és inkább venni kellene egy másik komplett lítiumos gépet. Nem bánnám ha megmaradnának ha anyagilag nem ráfizetés, jelenleg így használhatatlanok. Van még amúgy egy 3. ilyen gépem is akukkal, azt kaptam, csak az 14 voltos. Köszönöm szépen a véleményeket.
Ha megér neked kb 10000 ft ot akkor összeraknak egy új akupakkot hozzá. Ha nagyon ráérsz, értesz hozzá ( ?) a mostaniakat szétszeded összeválogatsz egy valamire való működő pakkot ( kicsi az esélye) Átalakíthatod lítiumosra, de jönnek a problémák, nem tudod garantálni a mélykisülés védelmet , szerezni kell hozzá töltőt. Mire ezt mind összeszeded, megint 10000 felett fogsz járni. Ha ezek a gépek megérnek ennyit, akkor a hozzáértéseden múlik mit választasz. Amúgy új fúrógép.
A lítiumosítást kihagyom, inkább az új akkuk készítésén gondolkodom, segítséggel meg tudnám oldani. Jó volt anno a 2 géppel dolgozni (egyikkel előfúrni, másik csavarozni).
Igaz most találtam egy ilyet, nem tudom jó választás lenne-e. Köszönöm. |
Bejelentkezés
Hirdetés |













