Fórum témák
» Több friss téma |
Fórum » Multiméter - miért, milyet?
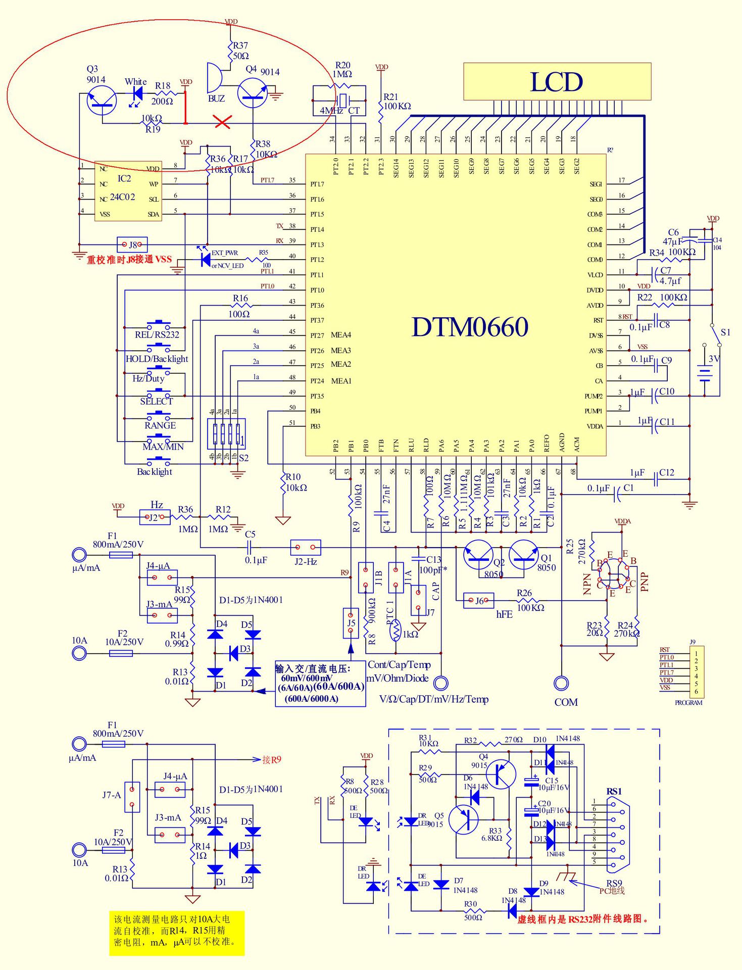
Hali! Ha van hely,tegyél egy mikrokapcsolót az elem negatív áramkörébe akkor bármilyen állásban kitudod kapcsolni!
Csak ötlet, nem próbáltam. A háttérfény tranzisztort a belső áramkör bekapcsolt tápfeszültsége nyitja. Ha kikapcsol a multi, akkor a tranzisztor is lezár, nincs fény.
OK, köszi.
A háttérvilágítás kikapcsolását sajnos passzolnom kell
A tranzisztor bázisát, ellenállás közbeiktatásával, kösd olyan pontra, ami veszültség alatt van a bekapcsolás alatt. Már ha van ilyen pont és az nem érzékeny részen van.
Ha a rajz jó, akkor így.
A kollektor és emitter összezárásával azt éri el, mint amit te is berajzoltál. A Vdd viszont közvetlen az elemekhez kapcsolódik, magyarán a LED addig világít, amig van elem a műszerben.
PT1.2 (40-es láb) esélyes lehet.
Ha a rajz jó, akkor a Vdd az S1-es kapcsolón keresztül kapcsolódik az elemhez. Tehát a készülék kikapcsolva nem világít.
Lehet, de a kollektor és emitter összekötésével nem jó. Ez is azt az eredményt adja.
Jó, jó, de ki köti a kollektor az emitterrel össze?
Félreolvastam a problémát, lásd itt: Bővebben: Link. Az a lényeg, hogy a CE összezárása vagy a bázis fix pontra kötése (mindkettő azonos eredményt ad) nem megoldás.
Szép estét!
Szeretnék venni, főleg kondenzátorok kimérésére egy használható multimétert ami ESR is tud. Tudtok ajánlani valamilyent ? Köszi
Ha nem "komoly" műszerben gondolkodsz, pl ez: Bővebben: Link
Szia. Komolyabbra gondoltam.
![]() Találtam egy ilyet Bővebben: Link kérdés, hogy ez hány µF ig mér? A hozzászólás módosítva: Feb 4, 2021
Találtam egy másikat is. Ismered valamelyiket?
Bővebben: Link
Ilyeneket én nem vennék, nem pontosak, ESR-t sem mér, ezektől sokkal többet ér egy LCM3. Ami meg attól valóban jobb azt nem kapod meg 6 számjegy alatt forintban.
Esetleg érdemes ezt is megnézni.
DEREE DE-5000
Mostanában ellepték a netet a 9205A műszerek hirdetései. 1790-től indulnak. Eleve Dunát lehet rekeszteni a variánsokkal, sokszor még egy hirdetésen belül is többféléről van kép. Így aztán lutri, hogy mit is kapsz. Mivel van már egy ilyenem (mint kiderült az a jobbik gyártmányok közül), egy postaköltség nélküli 1900-as ajánlatnak nem tudtam ellenállni.
Az azonosságok: - nagyjából úgy néz ki - ellenállás 200MΩ-ig (van olyan változat, ahol csak 20MΩ) - kapacitás 200µF-ig (ebből is van csak 20µF-ig) - kapacitás mérése ugyanúgy a 2 középső kivezetésen a mérőzsinórokon keresztül - ugyanaz a méretű kijelző A különbségek: - a dobozán össze-vissza marhaságok, data hold, stb - gagyi műszerzsinór - a forgatókapcsoló más és érzetre is gagyibb - bekapcsoló szintén - sípoló állásban van egy zavaró szünet, mire megszólal - 200Ω állásban az eredeti 0,4Ω, ezen 1,xΩ és a forgató kapcsoló mocorgatásától is változik - a kijelzőn nem jelzi a méréshatárt - az elemtartó sem ott van, ez a legkevésbé zavaró - a tranzisztor foglalat is fentre került, ez sem lényeges Az auto power off is gyanús, de elfejeltettem megnézni.
Ez a MSER-100 nem mér kapacitást, csak a soros-veszteségi ellenállást (ESR) mér kondenzátoroknál, valamint kis ellenállás értékeket mér.
A másik műszer a DM6013L csak kapacitást mér a leírt tartományokban. Egyik sem "komoly", ezektől az LCR-4-es is többet tud. A DE-5000 már jobb választás, de ESR-értéket nem mér. Üdv!
Ez még nem is baj, mert használható, ha egy "igazi" -hoz beállítod. Nekem is van, megkedveltem a gyorsasága és a nagy kijelzője miatt. DE. A bajom az vele, ami évek után jött csak ki, hogy a banán csatlakozó aljzatok elfáradnak és nagy áramot, kis ellenállást hamisan kezd mérni. Valamint a forgókapcsoló és a tranzisztor vizsgáló foglalat köré festett feliratok nagyon könnyen lekopnak.
A DE-5000 mér ESR értéket.
DE-5000 A legtöbb fontos paramétert méri és a teszt frekvenciát is lehet változtatni. A hozzászólás módosítva: Feb 5, 2021
Ja lemaradt még egy dolog:
- a jobbikon a műanyagra vannak szitázva a feliratok - a gagyin egy fóliára, bár nem az az azonnal leválós egyelőre
Lehet, hogy mér ESR-értéket, meg pontos műszer, de inkább még mindig egy LCM-4-es, ami sokkal olcsóbb és a kapacitás értéke mellett jelzi ki az ESR-mértékét, nem külön méréssel.
Nem nekem kell, tehát a kedves felhasználó dönti el, hogy ez, vagy az, vagy más. ![]() Üdv!
Jó, de ha a kedves felhasználó dönt, akkor legalább ne vezessük félre. A DE-5000 természetesen egyszerre mutatja a kapacitást és az ESR értéket. Ráadásul szabvány frekvenciákon mér, így közvetlenül tudod hasonlítani az adatlaphoz. Persze nyilván drágább, mert jobb. Hogy aztán erre szükséged van-e vagy sem, az más kérdés.
A hozzászólás módosítva: Feb 5, 2021
Én 10 évvel ezelőtt kaptam egyet, mert feltöltött kondenzátort mértek vele, és a belső védelem már kevés volt. Megjavítottam, és úgy megtetszett, ajánlottam ismerősnek is vegyen ő is. Amikor megláttam mit kapott (nem Kínából olcsón) akkor azért gondoltam némi szépet. A feliratok gagyik, az anyag gagyi, újra kellett állítani minden méréshatárban, mert durván csalt ( 10-15%) két év után szegmenshibás lett (hibára utaló nyom nélkül pötty icvel ). így aztán kuka. Pedig alig használta. A javítottat meg azóta is használom, pedig hurcolászós, kinti műszer.
Elnézést kérek, ez a Covid megvicceli az embert. Nézem, nézem és mást látok, mint kiderült más készülékhez tartozó adatlapot néztem.
![]() Üdv!
Semmi gond!
Csak nekem meg itt van a kezemben a műszer, és csodálkoztam, hogy nagyon határozottan cáfolod, hogy hogyan tud ESR-t mérni
Ha ott van a kezedben akkor gondolom mértél már vele induktivitást is. Azt hogy méri? Komoly gondban vagyok, ugyanis szükségem lenne egy valamirevaló induktivitás mérőre, olyanra, ami képes bármilyen kivitelű nagyobb értékű (1-20H) induktivitás korrekt mérésére.
Trafók, kimenőtrafók induktivitását szeretném mérni, de a létező összes megoldás (műszer) amiket eddig próbáltam a vicc kategóriát súrolják. Tizenezer forintos multiméterek, LCM3, alkatrészteszer mind mind valótlan értéket mutat! Még az alkatrészteszter ami talán közelíti a valós értéket, de ha már összezárom a szekundert hogy szórást is mérnék, elvérzik, ellenállásnak látja a trafót. Garantáltan 3,9H körüli trafót (laborban, mérőhíddal mérték) a kézi multiméter (maxwell) 1,7H-nek látja, az LCM3 1,3H-nek (viccnek is rossz), az alkatrészteszter 3,7H-nek. Utóbbi ha jól emlékszem a tekercs indukciójából származó áramot méri, nem pedig oszcillátor részévé teszi, talán ezért mér korrektebbül. Ha minden igaz (ha nem majd kijavítjátok) a multiméterek zöme eleve rezgőkörben méri az induktivitást, azaz ha az nem a szokványos felépítésű, netán nagyobb saját kapacitása van, akkor eleve valótlan értéket fog adni. Szóval keresek egy olyan induktivitás mérőt ami képes megmérni egy 5H-s induktivitást, függetlenül annak kivitelétől, és lehetőleg nem másfél millióba kerül. Jóság stb nem érdekel, elég ha az értéket meg tudja mérni. Az alacsony értékekkel (uH-s tartomány) nincs ilyen gondom, azt az LCM2-m is tökéletesen méri.
Mivel nincsen etalon induktivitsom, ezért összehasonlítást nem tudok mérni. Trafót nem kellett még mérnem, csak kisebb induktivitást, azt jól méri. Kondenzárotból volt pár ismert értékű 0,5%-os pár 10nF-os, azokat is szépen mérte.
De most egy random trafó primerjét rákapcsolva 7H körüli értéket mérek 100Hz-en. De ez nem mond semmit, mivel nem tudom a valós értéket. De lehet hogy összedobok valami mérési összeállítást valamikor és ellenőrzöm. A soros ellenállást jól mérte, azt tudtam ellenőrizni egy másik multiméterrel. Viszont a készülékhez járt specifikáció, e szerint a 20H-is méréshatáron 100Hz-es mérőfrekvencián 0,6% +3digit a pontosságal és 1mH felbontással mér. Miután elég részletes specifikációt adnak a műszerhez (ami nem feltétlenül jellemző a sok olcsó műszerre), és amiről még nem hallottam sehol, hogy nagy hazugság lenne, azért azt gondolom, hogy lehet neki hinni. |
Bejelentkezés
Hirdetés |








