Fórum témák
» Több friss téma |
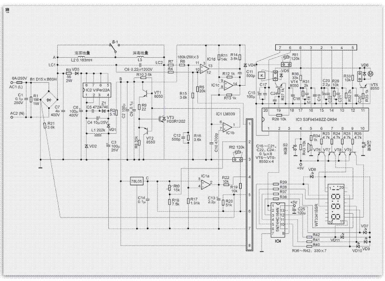
Még egy kérdés. A Viper 22 kimeneténél hány voltnak kell lennie? Én bekapcsolásnál 80V-ot mérek, ami visszamegy 35V-ra, pedig van ott egy 18V-os Zéner dióda is!
A hozzászólás módosítva: Ápr 4, 2022
Leírom a hálózatba való első csatlakoztatás jelenségét, hátha ez utal valamire, mert igazi hibakód nem jelenik meg, pl. "E3"!
Ahogy bedugom a hálózatba, annyi történik, hogy az összes Led világít, és a kijelzőn pedig 8888 jelenik meg, majd csipog egyet, és minden led, és a kijelző is kialszik. Viszont ha megérintem a bekapcsolás gombot akkor bekapcsol, és négy db ---- villogó vízszintes csík jelenik meg a kijelzőn. Ezek után lehet állítani a főzési fokozatokat, amit rendesen ki is ír, és csipog mert nem ismeri fel az edényt. Relé behúz ventillátorok forognak, majd bizonyos idő után kikapcsol, de a ventilátorok még forognak kb 2 percig!
Tanulas tanulás.
Minnél többet tudok annal kevesebbet . A folyamatban szerintetek mikor kapcsol be az igbt ??? Mert szerintem a komporátor a kondi feszt látja ???? Elvileg a képen a 3. Függőleges szaggatott vonalnál . Kapcsol be . Nem tudom ez a kép nagyon elgondolkodtatott. És jó lenne egy szakember aki segítene a tanulásban Köszönöm A hozzászólás módosítva: Ápr 9, 2022
Na ez az erre gondolok. Amikor a kondi másodszor valt polarítást .
Akkor indul az igbt ?
Zenert nézd meg. 18 szokott lenni álltalaban
Köszi a tanácsot, de az előbb írtam le, hogy nem így van!
"A Viper 22 kimeneténél hány voltnak kell lennie? Én bekapcsolásnál 80V-ot mérek, ami visszamegy 35V-ra, pedig van ott egy 18V-os Zéner dióda is!" A másik 18V-os zénernél meg van a 18V! A kapcsolásirajz hasonló, de nem a Hendi-é, abban nincs LM 339-es IC, csak az említett 3 db kis tranzisztor és egy IC amin ez szerepel F20-A-II, valamint a Viper22.
A Viper 22-es zenére 18V mutat. A tranzisztoroknál, amiből jobban megnézve 5 db lett, az a zéner nem mutat semmit. Illetve testhez képest fordított polaritással mutat 19V-ot, addig amíg nem adok fűtési parancsot, mert akkor bekapcsol a ventilátor és lemegy 0V-ra a feszültség, majd ha kikapcsol a ventillátor újra visszajön a 19V. Két tranzisztor collektorjánál is ez a helyzet, csak ott rendes a polaritás.
Sziasztok! Nemrég vettem egy indukciós főzőlapot és kb egy hét után E3 hibakódot ír ki ami a könyve szerint hőmérséklet szenzor hiba. Miután a bolt már kb egy hónapja nem válaszol a garanciális javítás kérésemre ezért szétszedtem és egy olyan alkatrész méri a hőmérsékletet mint egy tűs dióda, csak ennek középen van a csík. Ellenállásméréskor 90KOhm az ellenállása, ha kézzel melegitem lemegy 82-re. Milyen alkatrész ez? Jól mértem egyáltalán? Hol lehet másikat venni? Mi a hivatalos neve?
Szia!
A mérésed szerint egy 90-100 kohmos NTC lehet. Melegítsd fel 40-50 fokra és ott is mérd meg. Biztos sokkal jobban le fog csökkenni az ellenállása. A készülék neve után keresve talán megtalálod valahol egy ilyen NTC pontos nevét és adatait, vagy az elektrotanyán valaki megírja. Elképzelhető, hogy a panelen van inkább a hiba.
Sziasztok!
Van egy Electrolux EHD6740FOK-om, ami egyre gyakrabban a videón látható szekvenciát produkálva lekapcsol, majd bekapcsolást követően szintén ugyanígy kikapcsol (végig gyullad balról jobbra telibe a 4 visszajelző, majd 26 és 17 kód középen). https://www.youtube.com/watch?v=ojnBqze1Axg Szétszedtem, lelkes laikusként égést, kondi puffadást, teljesen triviális dolgokat nem láttam rajta. Szervíz persze komplett lap cserében gondolkodik... Esetleg valami tipp? Előre is Köszi! A hozzászólás módosítva: Jún 3, 2022
Sziasztok. Lassan egy honapja keresem a megoldast egy indukcios fozolap hibajara.
Whirlpool hah6000, eleg regi ikeas laprol van szo. Cserlve lett benne a gombokat vezerlo interfesz. Minden tokeletesen mukodott, majd kikapcsolas utan mar tobbe nem kapcsolt be, helyette a " 8 . 3 0 uzenet jelenik meg. Sikerult beszereznem a szervizkonyvet, ahol meg hasonlo uzenetek sincsenek, minden hiba " F " vagy " G " betuvel kezdodik. Igen am, de a szervizkonyve ir a 2 db ket koros elektronikan talalhato Jumper allitasi lehetosegekrol, sajnos nem relevansak mert azon hibakra adna megoldast ami " G " betuvel kezdodik. Minden otletet eszrevetelt szivesen fogadok, barmi kerdes vagy esetleg kepek feltolteset szivesen, keresre. A szervizkonyveket is szivesen oda tudom adni masoknak segitseg gyanant. Koszonom hogy szantatok idot az elolvasara, tovabbi szepnapot kivanok.
Lehet érdemes lenne akkor közzétenni, mert a fene sem fogja keresgélni, ha úgyis tudjuk hogy neked megvan. Inkább kivárjuk.
Sajnos tobb mint 8 Mb, igy a Google Drive-on helyeztem el.
Koszonom a segitseget.
Valamit mértél már rajta? Gondolok itt a tápfeszültségekre. Kellene lenni 5V-nak, meg 17-20V körüli feszültségnek, ezt "készenlétben" is kellene mérni. Ha ezek megvannak, csak akkor lehet tovább lépni. Jó lenne szerintem is egy-két kép róla, akkor talán többen is tudnának segíteni.
Üdv mindenkinek !
Egy indukciós lappal kapcsolatban szeretnék segítséget kérni . A hiba jelenség az , hogy a hálózathoz kapcsolás pillanatában leold a hálózati megszakító ! Szétszereltem ,de semmi zárlatra utaló jelet nem láttam . Le kötöttem a réz tekercset , ezt követően a hiba megszűnt , majd e tekercs csatlakozóira egy közönséges villanyégőt kötöttem . Be dugtam a konnektorba és minden jó lett. Le futtatta az ellenőrzést ,egyet pityent és készenlétbe kapcsolt . Be kapcsoltam , az izzó világított és látszólag rendben volt minden . Gondoltam rossz a tekercs , ezért vettem egy másikat , be kötöttem és be dugtam a konnektorba és abban a pillanatban le verte a hálózati megszakítót ! Esetleg valaki tudja a megoldást ? Előre is köszönöm !
A tekercsre kijut a hálózati feszültség, illetve az egyenrányított 230V. Az égőnek elég nagy az ellenállása, így nem vett fel akkora áramot, hogy kioldja a biztit, viszont a tekercs néhány Ohmos ellenállása már jelentős áramot venne fel, amit a biztosíték nem bír el. Ezek szerint elektronika hiba van a főzőlapban.
Biztosan 220 van a tekercsnél , mert megmértem , de azt nem tudtam , hogy nem annyi kell !!! Ezekszerint van valahol egy feszültség szabályzó ? Biztosan nem trafós , mert az nincs , de akkor az van a nagy hűtőborda alatt ?
Hát nem teljesen így működik ez! A tekercs egy nagyfrekvenciás PWM szabályzott jelet kap ez miatt nem oldja le a biztit. A PWM jel kitöltésével lehet szabályozni a teljesítményét, illetve a hőfokát. Szerintem a jel előállító fokozat teljesítmény félvezető része lett zárlatos. Ez legtöbbször valamilyen IGBT, vagy néha FET. Ennek hűtőbordán kellene lenni, így könnyű megtalálni.
Sikerult feltolteni nagy nehezen.
https://drive.google.com/file/d/1-1yaq-KZm1BZTHXIf2-0SsH3jaq-EtRw/v...ivesdk
Igazán köszönöm a segítséget , ha lesz időm megnézem mi van a hűtő alatt ! Szép napot!
Szép Napot ! Le bontottama a hűtőt , két IGBT és egy egyenirányító van alatta . ha jól csináltam akit csináltam , akkor egy H20R1203 számú IGBT rossz ! Lehet , hogy más is , de egyenlőre ezt találtam . Gondoltam ki cserélem , de nem lehet kapni ! Esetleg tudna segíteni abban , hogy hol lehet venni egy ilyen alkatrészt ?
Sziasztok!
Ha az igbt full zarlatos minden minden labbal. Mi a tapasztalat mit tud kinyírni ? Meghajtó tranyik.. Processzorban esetleg a rezgőkörről befutó 2db mérőág ??
Üdv!
Van egy gorenje indukciós főzőlapom, tavalyi modell. Előjött egy olyan hibajelenség, hogy a 2db baloldali főzőlap F-A hibakódot ír ki. Mindenhol azt írták ilyen esetben áramtalanítás, semmi más nincs. Van, hogy elmulik a hiba, de egy vizet nem lehet vele felforralni vele, mert félúton már dobja a hibát. Az első hibát azután adta ki, amikor 1 hónappal ezelőtt, egész éjjel ment lassan. Van ezekben esetleg olyan érzékelő ami miatt hamarabb leold ezért?
Szia!
Van pl. a tekercsek közepében egy kis üvegdióda forma ntc, aztán van egy kis áramváltó, pár cm-es ferrit trafó. A hibakódot nem ismerem.
Sziasztok segítséget szeretnék kérni egy alkatrész helyettesítő keresésbe. AEG típusú főzőlap igb elköszönt viszont nem találok helyettesítőt. A típusa RJH65T14.
Ha valaki tudna segíteni vagy lenne elfekvőben 2db megvásárolnám. Köszönöm a segítséget előre is további szép napot.
Sziasztok! Sikerült a fórum segítségével megjavítanom a Fagor 5IFT 22X főzőlapom indukciós részét a vezérlő panel kondenzátorainak kicserélésével. Köszönöm nektek.
Segítséget kérnék!
Van egy indukciós főzőlapom, hibaüzenetet nem ír ki, és semmilyen edénnyel nem indul el, csipog, majd kikapcsol! Vezérelni szabályozni lehet, de nem akar üzemelni. Mi lehet a baja? Esetleg az IGBT megszakadt?
Sziasztok, Beko HIC 64401 indukciós főzőlap hibásan 3 fázisra lett kötve, pedig csak 1 illetve két fázisú bekötés lehetséges.
A gép elfüstölt... Lehetséges a javítása vagy kuka...? Tudok esetleg szerelőt aki ért hozzá?
Talán szakszerviz? Hobbiból szerelgetők nem kifejezetten mazohisták.
|
Bejelentkezés
Hirdetés |
















