Fórum témák
» Több friss téma |
Villámháború az asztalon...
Elfogyott a KP92-es hűtőpasztám, így nem tudtam befejezni az erősítőpanelt. A Conradban csak KP97 van, aminek a fele a hővezető képessége. Nem tudom mikorra érkezik meg a megrendelésem, ezért előkészítettem a készülékház alját a panel beszereléséhez. Terveim szerint csak az alj marad meg dobozkészítéskor. Ehhez meg kellett a hűtőbordák alatt a levegő áramláshoz a két nyílás. Amíg megjön a paszta, lehet, hogy a rács is felkerül rá alulról. A hozzászólás módosítva: Márc 28, 2023
Ez-az
- Mivel elfogyott a KP92 pasztám, szerettem volna újat vásárolni belőle. Hát jelenleg nem kapni. Pár nap után feladva az elveimet, kényszerűségből vettem helyette KP97-et. Ennek a fele a hővezető képessége. Így adva a teszt lehetősége, hogy ez elég-e. - Viszont végre találtam szellőzőrácsnak valót. Ez egy 80x500mm-es, 0,8mm vastag, alu perforált lap, 3mm-es furatokkal. Ebből fogom a készülék aljára leszabni a 60x125mm-es darabokat. - Matatás közben találtam egy régi tartalék benzincső maradékot. Azonnal gyanús lett a mérete. Pont jó lett toldónak a műanyag tengelyekhez.
Próbaüzem
Végre eljött a pillanat, és megszólalt a HC-TB-ME. Egyenlőre próbaüzemben megy OPA134-ekkel. Hát a kíváncsiság és a hangja kiszögelt 2-3órára. Anélkül, hogy áradoznék róla, szerintem megérte a vacakolást ez a kütyü. Volt, amit reméltem az előző tapasztalataim alapján, de azért ezt meg is hallani az más... Röviden, valószínűleg a visszacsatolás miatt megnőtt, a hangereje, és ezzel párhuzamosan jobban is melegszik. A tértextúra szellősebb lett. Ebből adódóan sajátos lett a hangok aurája a testes hangszínpad miatt. A magasak, és a mélyek tágultak. A vcskrz alapállása jelenleg bizonytalan, mivel akkora dinamika tapasztalható nélküle, hogy többször tapasztaltam a túlzó dinamika érzetét, mint eddig. És mindez még változhat 2-3 hónap múlva...
Paparazzo történet
Jó ideje nem történt velem ilyen, de most így, 6 tucat táján, kiválasztott lettem... Mikor végre elkészült a HC-TB-ME, és rámértem a kimenetére, a jobb csatorna bizony -12 voltot mutatott. Addig is belefáradtam az egészbe, de várt rám a hosszabbítás. Elhatárolok, elmélkedek a magam képességei szerint, hát az IC-tok 6,7 lábán rövidzár várt. Figyelembe véve a szerelés mikéntjét, a pákám milyenségét, hát vennem kellett pár mély levegőt a folytatáshoz. Sejtésem az volt, hogy mi várhat, és a további károk árnyékában a következőket tettem: benne hagytam az IC-t a foglalatban, hogy a melegtől ne tudjanak az adott foglalatlábak elállni a pozíciójukból a meleg hatására. A penel kivételével nem volt gond, mivel a vastag tápvezetékek még nem voltak beforrasztva. A panelt a bordákra (hátára) borítva, megpróbáltam az asztali lámpát úgy beállítani, hogy belássak a javítási területre. A rossz pákám miatt nehezen tudtam a kis területen megfelelően forrasztani, és nem vettem észre a foglalat lábán leszivárgó ónt, ami alul vékonyan átfolyt a szomszédos lábra. Hát a hiba megvolt, de át kellet gondolni a továbbiakat, mivel, ha használhatatlanná olvasztom a foglalat műanyag káváját, akkor annak cseréje további drasztikumokat indukált volna. Nos szerencsém volt, mert mindenféle térbeli, forrasztási kunsztokat alkalmazva sikerült eltávolítani az átfolyást. Már épp lazítani akartam, de így sem volt jó. A végtranyóra mérve várt a következő meglepetés, a kollektor-testzárlat. Hmmm. Nem szoktam rámérni szereléskor, és nem is volt eddig ilyen problémám. De most ezt is megtapasztalhattam első kézből... Nos ez a dolog nem az a probléma, amin sokat kellene gondolkodnom. Postai dolgozó korom idejéből származó tapasztalat, amikor egy sokrugós, kulcsnak hívott 3 állású kapcsoló típikus hibája volt az a zárlat két érintkező között, hogy egy gyártási spén átszúrta a köztük lévő szigetelőlapot. Ezt csak szétszerelés után lehetett látni a lapocskát fény felé tartva, egy sötét pötttyként. Sejtettem, hogy ilyesmi vár rám szétszerelés után. Mivel nincs itthon levegő spay, maradhatott az M3-as menetben forgács, amit az M3-as csavar tekergetésével sikerül a felszínre hozni, és az láthatatlanul megtalálhatta magának azt a helyet, ahol sikerült boldoggá tennie. És végül, kipróbálhattam a V5-ket is, hogy milyen változást jelentenek a hangzásban.
Elcsodálkoztam most. Egy Dale ellenállás hangját kihallod az erősítőből, de azt nem, hogy a műveleti erősítő kimenete a pozitív tápfeszre záródik? Hat nap bejáratás után derül csak ki, hogy az egyik csatorna nem is szól? Vagy csak én nem tudok olvasni a bejegyzések között? Nem akarok troll lenni, figyelemmel kísérem a topikot, igyekszem kussolni, de most nem tudtam.
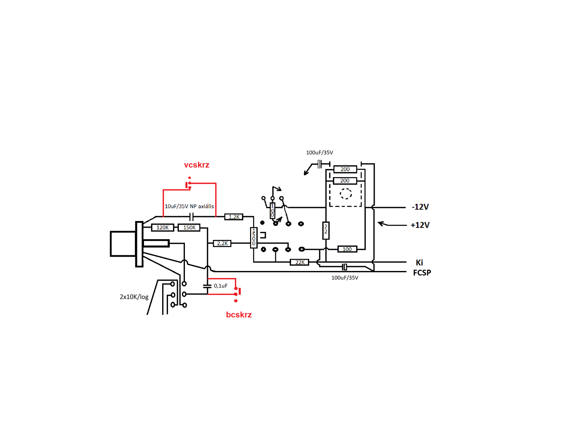
"Mikor végre elkészült a HC-TB-ME, és rámértem a kimenetére"... A javítás óta a bejáratás ideje 85 óránál tart. És jelenleg nem tudni, hogy a készülék jelenlegi hangjában mi tudható be az ellenállások, a vezeték típusok, a szerelés mikéntjének, az egész összességében. Remélhetőleg egy jó hónap múlva már ez jelentkezni fog. Megjegyezném, hogy a továbbiakban, további változásokat is tervezek annak okán, hogy a felvételek problémái jobban korrigálhatók legyenek. Sajnos elkövettem azt a hibát, hogy amit megtettem a panelen, elfelejtettem a vcskrz panelén megtenni. Ez hamarosan elkészül.
Tehát akkor az utóbbi hozzászólás, ami az előzőt követte, az az előzőt megelőző?
Ott volt az orrom előtt...
A vcskrz panelén elfelejtettem főpanel szerinti kialakítást elvégezni. Ezt most pótoltam. Gyakorlatilag ezzel teljesen elhatároltam a két csatornát egymástól, és oldalanként a földcsillagpontból földelt bordát a bemeneti földcsillagponttól. Történt ez a kapcsoló melletti üveggyöngyökkel, és a kapcsolópanel bordához való rögzítéséhez használt TO220-as tok szigetelőgyűrűivel.
Esetleg a Salas DCG3 -as füles/line erősítőt valaki megépítette / hallotta esetleg. Megvan a teljes KIT, kb. félig készen, kiváncsi lennék a visszajelzésekre.
Közben "véghajrában" vagyok a Pass M2x-el, amely elé lehet, hogy pont jól jönne. Akik nem ismerik:
Nagyon szereted etetni a trollokat... Értem én, hogy hobbi elektronika, a nyák minősége nem a legjobb, de a túlmelegített, feketére égetett műgyanta tartalmú, gyantában úszó nyák, 70-es évek amatőr készülékeire jellemző szerelési minőség mellett ha ebből te bármit hallasz, az minden lehet, csak nem megismételhető és valódi eredmény.
Vannak nulláról amatőr által utánépített EMG nixies multimétereim, egyedi mérőóráim, erősítőim, germánium tranzisztoros házi erősítőm, aminek még a trafóvasa is kézzel vágott és nyomokban konzervdobozt is tartalmaz és azoknak a kivitelezése is egy nagyságrenddel igényesebb. Nyákot nem kéne 350 fok felett égetni, mert idővel szenesedik és mint tudjuk a szén VEZETŐ. A műanyag kapcsoló meg szintúgy nem szereti az ilyet, illetve ha légszerelve melegíted túl, a külön lábak meg sincsenek vezetve, kilágyulva el tudnak mozdulni rossz pozícióba. Mint ahogy a ráégett gyanta is passzív alkatrészként viselkedik. A zárlatos ic foglalatra meg nem is mondok semmit. Hővezető pasztából a legolcsóbb is megtenné, vagy ha picit nézelődnél akkor MX4 vagy szó szerint akármilyen pasztát vennél bármelyik boltban, nem fog számítani ha kiszárad az sem. Drága alkatrészektől nem lesz jó egy erősítő. Műanyag kábelcsatorna a készülékház alján süllyesztendő nem süllyesztett facsavarokkal egyszeres szigetelésű hálózati kábelekkel, sarkok sincsenek gérbe vágv , jól bevilágított képek a kirobbantott lukakról a doboz alján, megérinthető hálózati potenciálon lévő alkatrészek, dobozba belelazúrozott távtartók és alu idomok. Beszakadt kerámiaátvezetők, fél hosszban levert bevonatú ellenállások (aminek biztos vagyok a hangját azonnal észrevennéd egy teszten). Ha deszkamodell, akkor egy deszkára kell építeni, de ez kész dobozként és nyákként nem mutat sok jót a készítőjéről. Ha már úgy döntöttél blogként dokumentálod az építést, akkor érdemes lenne picit a kivitelezés színvonalára is figyelni. Nem pénzbeli vagy képességbeli dolgok ezek, csak odafigyelés kéne, nem átrobbantani a fát vágásnál / fúrásnál, kiszedni az alkatrészeket lazúrozás előtt, alkatrészeket nem legyilkolni, nyákot szebben kialakítani alámarás nélkül, pontos furatokka. Jó fluxszal forrasztani az alkatrészek és a nyák szétégetése nélkül, a panelt lemosni utána stb. 5-6-7 képet olyan részletről felrakni, ami leginkább az így sikerült, végleges verzióban majd megcsinálom jobbra azért kategóriába esik. Láthatóan nem a csak szóljon valami nem túl nagy torzítással a célod, de ahhoz illene magasabb minőséget társítani. Mivel a fizikai gyártással van a legtöbb bajod, érdemes lenne gyártatnod a nyákokat, akár Kínában is és a famunkákat előre megtervezve kivágatni valakivel vagy akár fillérekért fából cncztetni. esetleg simán összefogatni két fararabot, hogy ne robbanjon ki a túloldalon a vágás és finom fogazású univerzális/ fémvágó pengét használni keretes fűrészben, vagy legalább a fát a hátoldalán késsel bekarcolni, hogy a nem leeső oldalon kevésbé szálkásodjon.
Azzal kezdeném, hogy az emberek szeretnek mást okolni az általuk elkövetett hibákért. Nem kell leplezni, hogy nem bírtad tovább, és elmondtad a Te véleményedet. Megteheted. Az hogy ez mennyire van a valóságtól, az Neked úgy is mindegy... Ha már ennyire aggódsz elmondanám, hogy úgy néz ki, hogy ez lesz az eddigi életem legjobb füleserősítője. Azért csak lesz, mert még járatni kell, hogy az ezüstvezeték "éle" elmúljon. Reménykedtem benne, de hallani lenyűgöző. A tér analitikája páratlan. A hangszerek megszólalásának analitikája lenyűgöző. Úgy néz ki, hogy olyan közepes kategóriájú hallgatók, mint a HD650, K701 csak visszafogják majd a leendő képességeit.
Nem megbántani akarlak, de én füllel szoktam zenét hallgatni, nem szemmel! Rendkívül házsártos a felvételek minőségére. Nem lehet vele sokáig elviselni a vacak minőségű zenei anyagot. és még egy: keményen rávilágít egy zenei anyag igénytelenségére, értem ezalatt a hangszerelés, és témaszegénységre. Mondhatnám kihangsúlyozza a semmit. És a félreértések elkerülése okán, Kedves Tóth Béla fórumtársunkkal folytatott eszmecsere kapcsán, ha valaki, mit én is sokféle zenét hallgat, akkor nem elég egy erősítő ehhez. Ugyanis nem lehetséges a sokféle műsoranyaghoz képest az ideális hangzáskövetés. Nemrég úgy alakult, hogy elővettem ideiglenesen a FH4 erősítőmet, hogy megtudjak egy két kedvencemet hallgatni, jobb híján. Rátévedtem egy 60-as, 70-es évek könnyűzenei gyűjteményére, és elhűltem, hogy milyen kellemese szólt ezzel a készülékkel. Abszolút retro hangzásvilággal szólt. A HC-TB-ME valósággal széttépi ezt a hangulatot. Kérdés, mikor, mihez, mennyi részlet a megfelelő? Én úgy látom ezek után, hogy a zenei anyagok miatt az említett (egy erősítő nem elég) okán bizony előfordulhat, hogy a legjobb meghallgatás adott felvételhez, egy csöves erősítő tudná produkálni. Én ezt már nem tudom magamnak megoldani, de látok benne fantáziát, nálam fiatalabb zenehallgatók számára. És "sajnos" még egy fejezet hátra van a HC-TB-ME-ből. A bcskrz kivitelezése. Ez a főpanel aljára kerül jobb híján. Véleményem szerint egy erősítő hangjának egyik meghatározó része az építés milyensége. minél több alkatrészt tartalmaz, azok mind befolyásolják az elérhető hangminőséget. A hozzászólás módosítva: Ápr 14, 2023
Érdekes kapcsolás, lehet hogy berajzolom szimulátorba és játszok vele egyet.
Az AD823-mat DC szervóba túlzásnak tartom. A kitről tudsz adni pár infót? Pl.: kép a nyákról, honnan származik, stb... A J1-J2 milyen típus? Milyen gyártmány? Idézet: „Véleményem szerint egy erősítő hangjának egyik meghatározó része az építés milyensége. minél több alkatrészt tartalmaz, azok mind befolyásolják az elérhető hangminőséget.” Pontosan erről írt neked fél oldalt "antiktelefon". Én is szoktam hasonló "gubancokat" elkövetni gyorstesztekhez - nem tagadom - de megmérem, esetleg meg is hallgatom, majd gyorsan szét is szedem. Egyetlen dologra koncentrálsz, méghozzá szerintem a leglényegtelenebbre, a maradék száz problémát viszont figyelemre sem méltatod, azok nem léteznek.
De Karesz, gondolod, ha az úgy lenne, akkor így szólna, ahogy? Az meg, hogy mi a lényeg az a hallgatás során kiderül. Nem veszitek komolyan, hogy nem a látvány adja a hangminőséget, hanem amit hallani az egészből.
A full dokumentáció csatolva pdf-ben, remélem engedi.
Persze van fóruma is, 7 éves! Salas DCG3 diyaudio.com
Ja igen J1-J2 JFET:
LSK389, dual JFET "vagyonokért", a korábbi Toshiba 2SK389 utódja a Linear Systems-től. Az ebay-n még azért akad a Toshibából is néhány eredeti, persze vigyázni kell a kínaiakkal. Helyettesíthető válogatott 2db 2SK170-kel, amelyek könnyebben elérhetőek. A másik dual tranyót nem ismerem, szerintem régebbi mint a Toshiba és nekem nincs is. A hozzászólás módosítva: Ápr 14, 2023
Elhiszem, hogy jól szól, de mihez képest? Mindig ez a legnagyobb probléma mindennel - ha most a szubjektivitást figyelmen kívül hagyjuk. Úgy lenne értelme egy ilyen tesztnek, hogy ott van mellette mondjuk a Benchmark... beledugom a fejhallgatót ebbe és abba és hallok, vagy nem hallok különbséget. Millió kapcsolás létezik fejhallgatós témában is, de Te egy körül forogsz már hosszú évek óta. De nekem személy szerint ezzel sincs bajom, neked pedig örömet okoz. Az írásaid mindig elolvasom, mert vagy érdekes, vagy mosolygok rajta, de mindig szerzel vele néhány kellemes percet. Azt gondolom csináld tovább úgy, ahogy neked jól esik. Egészség legyen az a lényeg : ) Hely meg van itt elég, a topikban.
Azzal kezdeném, hogy megtisztelő az, hogy az olvasóim között tudhatlak. Elsősorban kezdő építőknek szerettem volna biztatást adni az e-féle építésekhez. Tudom, hogy ez eltér a szokásos módoktól, de nem hiába. Király Tibivel az a véleményünk, hogy kevesebb alkatrész, kevesebb hangzásra kiható negatív eredmény. Bechmark? Megpróbáltam ránézni. Kétfajtát találtam belőlük hirtelen, az egyik állítólag egy új változat... Belső képet nem találtam róla, pedig az lenne igazán érdekes, ami utalhat a milyenségére. És mielőtt a nagy megmondónak látszanék, ez csak egy viszonylagos dolog az egészben. Valami olyan mint a vaktesztek mirevalósága. A külső, a látványa valaminek az csak üzletpolitika. Erről jut eszembe, az egyik barátomnak mondom (Ő is zenebarát), nemsokára olyat mutatok neked, amilyet még nem hallottál... Kérdezi mennyiben van? Mondom nem számoltam. -Mennyit érhet? -Kinek? Magamnak csináltam, nekem megfizethetetlen. Ami a cserélgető összehasonlításokat illeti, ahhoz, hogy ez viszonylag korrekt is legyen, az eszközöknek megfelelően bejáratottnak is kellene lenni. És ez a tesztben alkalmazott fülesekre is igaznak kellene lennie.
Ami a kapcsolásokat illeti: én ezt úgy gondolom, hogy hiába kalandozik valaki a kapcsolások között a jobb hangzás reményében, ha nincs az adott kapcsolásnak ehhez megfelelő gyakorlati megvalósítása. Nálam felejtős a fólierdő, és az összevissza hosszú huzalozás, hogy jól nézzen ki a panel, meg a szerelés katonásan képet mutasson. Ennek ugyanis hangzásbeli ára van. Amit most építek, még nekem sem fog tetszeni doboza a várható kinézete miatt. Azonban az elektronikának erre van igénye. Majd letakarom, ha nem hallgatom, ha annyira zavar. Arról meg már ezerszer beszéltünk, hogy a világon minden többé kevésbé bizony szubjektív. Így nincs értelme annak, hogy erre hivatkozzunk. Azt gondolom nem kell hangsúlyoznom Neked, hogy mennyire más a hangfalas, és a hallgatós üzemmód hátterek közti elvárások milyensége. Régebben egyszer felemeltem a vidi korona hangfalaimat, hogy a magas sugárzója ülő helyzetben fülmagasságban legyen. Körbe raktam a helységet pokrócokkal, párnákkal, stb. Elámultam, hogy mennyit jelentett hangzásban. Mire az asszony hazaért, ennek nyoma sem maradt. Szóval, ha ezt az ember meg akarja csinálni a lakószoba látszatának fenntartásával, és a további háttérmunkák összegét is hozzáadjuk, akkor kitelne belőle a mellékletben lévő hallgatók valamelyike. Megmondom őszintén, én valamelyik hallgatót választanám.
Az előző oldalon van a két füles erősítő belseje. Az van alájuk írva, hogy Benchmark és Pass (Nelson).
Ha megnyerem a lottó ötöst, kapsz tőlem két ilyen fejhallgatót karácsonyra. De ebben azért ne nagyon bíz, mert egy db lottó szelvényt vettem eddigi életem során, azóta is sajnálom az erre kidobott pénzt : )
NEC uPA68H
Elvileg van itthon és kapható, mikor utoljára személyesen néztem még eredeti is. 1041Ft bruttó.
A kihúzott dugó esete, avagy a kiszabadított szellem megjutalmazott
Karesz már rég győzködött e kapcsolások becsatoló kondijának a kihagyására. Az EVAmp-ME esetében ez nehezen megoldható lett volna, viszont a HC-TB-ME-nél ezt eleve elérhetővé tettem a későbbiekre... Amikor még Head Canaamp volt, akkor meg is próbáltam, de akkor még nem találtam előnyösnek. Most, amikor Béla (Tóth Béla fórumtársunk) segítségével, javaslataival kialakult a HC-TB-ME, elérkezettnek láttam Karesz javaslatát újból kipróbálni. Tettem ezt annál inkább, mivel is tudni szerettem volna, hogy a bcskrz alapállásának jó lesz-e a rövidzár, annak a hangzásvilága. Örültem volna, ha meggyőzően a vcskrz-vel, a kapcsoló nyugalmi állásával azonosan adódna a bcskrz rövidzár állása. Éjszaka, amikor nyugiban, amikor a bcskrz paneljét terveztem a szerelési nehézségek bonyolultsága miatt, eszembe jutott, hogy ki kellene próbálni, hogy most mit mutat. Leszereltem a vcskrz panelt, kerestem két megfelelően hosszú ezüstvezeték darabkát, mivel is elszabdalni ezt a jelenlegi aranyáron hozzáférhető vezetéket nem volt szívem elszabdalni. Ahogy csináltam e dolgot, egyre türelmetlenebb lettem a kíváncsiságtól. Éjszak csak digitális műsor volt hozzáférhető. A player HDD-én az egyik jóminőségűnek mondható anyag egy Patricia Barber volt. Ez a Compation koncert lemeze volt. Már ezelőtt is átszaladtam pár tesztanyagomon, és megállapítottam, hogy több magas a rövidzárral. Azonban ez a koncert kiszögelt. Régebben is belehallgattam már, és nem szerettem különösebben bele. azonban ma hajnalban kiszabadult a palackból a szellem.
Sajnos valahogy lemaradt a folytatás...
Azt tudtam, hogy a Miflex audio kondi nem Jantzen silver gold. Eddig ezeket a tápokban használtam, de most a helyszűke, és hogy volt a fiókban, tette kapóssá. Nem csak a magastöbblet ami került, hanem, hogy valahogy jellemezzem, a könnyed zuhanás, ahogy a dinamikát jellemezném. A hangerőszabályzás lágyabbá vált, nem volt olyan hirtelen átbukós. Szóval Patricia Barber koncert, adj neki… Amikor énekelt, és hangsúlyozott, rajtam folyt szét a énekhang forté-ja. Nem volt olyan hangszer, aminek a pittyenését ne észleltem volna. A közönség tapsviharában jól lehetett hallani, hogy hol beszélgetnek tapsolás közben. De ami ennél is döbbenetesebb volt, eddig nem volt szerencsém hallani a zenekar profizmusát, odaadását a nem semmi zenei hatásokért. Minden zenei effekt döbbenetesen egyedi, irányfüggetlenül, önállóan jól értelmezhetően szólt. Így a kiváló produkció magával rántott, mint egy örvény. Rám ragadt a hallgató, pedig csak a Maxell volt rajtam, nem egy Focal Stellia. Karesz, köszi a javaslatod! Ha csuklasz, az én miattam lesz. Hát többek közt ez előnyös a fórumban, a csapatmunka.
Mostanában minden bajom volt, így elakadtam a folytatással. Azonban a fiammal elővetettem a lemezjátszónkat, hogy kipróbáljam (analóg 24/192-őn) a HC-TB-ME-t. Csodák azért nincsenek, Tűt kellene cserélni benne, egy jó korrektor sem ártana, mármint úgy ahogy most építeném meg. Ami viszont tapasztalható volt, hogy amit utoljára tapasztaltam az az LP-kre is érvényes volt. Ilyen részletgazdag élményben még nem volt részem a hajdani nem kevés zenehallgatásom során. Persze, mint minden másban, itt is érvényes adott LP minősége. E kísérlet előzménye a lemezjátszó jav. témában,
Éjjel 1-ig tartott a buli. Nagyjából, egy kicsit belehallgattam az LP-imbe. Jobban nem lehetett volna, mert még mindig tartana a szeánsz. A tűágy már nagyon bekeményedett. Lehet, hogy kínomban, átmenetileg veszek egy utángyártottat. Jó lenne egy viszonylagosan egyenes hangkép. Ide vonatkozó dolog a kisebb nyávogás alkalmanként. Azt gondolnám, hogy ez a portalanító ecsetem miatt adódott. Valószínűleg túl meredek szögben tartottam, és nagy fékhatás okozója lett. Ettől kezdve laposabb tartással végeztem a portalanítást. A többi tapasztalat a fejhallgatóeősítő témában.
Éjjel 1-ig teszteltem a HC-TB-ME LP-k-el. A lemezjátszó hibáit leszámítva (lemezjátszó jav. témában bővebben) érdekes dolgok adódtak a készülékkel. Az első a szigorú szelekciója az LP-k-nek. Ahogy említettem az előzőekben, ez a derék készülék nagy zenekritikus. Erőteljesen rávilágít egy hangszerelés hiányosságaira, és egy keverés felszínességére. Nagyjából ez úgy képzelhető el, hogy a hangok nem csak irányból érkeznek, hanem azon belül egy helyről, pontról. És innen adódik, hogy mit hallani a pontok között. Szóval, ha nem jó a stúdiómunka, akkor árvácskák azok a bizonyos hangocskák a réten.
hallottam kísérleteket ezek kezelésére, melyik milyen volt, és volt ahol csak a zene hatott rám. Az egyik meglepetés számomra a meghallgatott keretből Rutkai Éva előadói lemeze volt. Másik János - Adamis Anna páros, modern hangzás a sanzonokhoz megfelelően kitöltött térrel, a témáknak megfelelően. A vcskrz nem volt kiszögelve. Ideje végre megcsinálnom a bcskrz-t, mert szerintem azt is lett volna alkalmam váltogatni a lemezek hallgatása közben.
Kerülgettem a bcskrz-t, mint a forrókását.
Tudtam, hogy erősen fel kell kötni a gatyókámat, az összesen két kezemmel. Ha ideiglenesen is, de az előlapot is meg kell emelni, mivel felfelé fog terjeszkedni a nagy mű. Ennek oka, hogy a bcskrz panel alul kap helyet, így a panelbakokon magasítani kell. Nem kaptam műanyagrudat sem az eddigi átmérőben, ezért úgy döntöttem, hogy a vcskrz tolórúdját átteszem a bcskrz kapcsolójára, és az előbbi rudazata két darabból lesz. Ehhez síkba kellett marni az absnicli rudacskám egyik végét (Kiv 1,2 képek), és a másik felébe került az M4-es menet. A toldást egy 6 mm-es rézcsővel viteleztem ki, annak a gyárilag vágott végével az én síkba mart rudacskámhoz illesztve. Egy ideje így használom. A bcskrz kivitelezéséhez egyoldalas panelt választottam. Ezzel nem is lett volna probléma, csak a kapcsoló felszerkesztése volt horrorisztikus két kézzel. Végül is meglett, a többit majd megpróbálom elfelejteni. Következhetett a beszerelés. Még jó, hogy így gondoltam a tápok kialakítását, ahogy, mert az erősítőpanel kiszerelését a pufferkondis panelek kiszerelésével együtt volt célszerű elvégezni, mert a 2 mm-es vezetékek kiforrasztását nem mertem megkockáztatni az esetleges fóliasérülések miatt, amit a nagy hőhatások okozhattak volna. - A diódahidakról a bekötőkábelek le, - hallgatóhoz vezetékek le, - vcskrz panel le, és kiköt, - toló, és fogórudak lehúz, - főpanel és pufferpanelek kicsavarozása, és kiemelése egyben. Az egész fúrógépre igazítása fejjel lefelé. Kijelöltem a bcskrz panel helyét a bordák alján úgy, hogy a kapcsoló kivezetései minél közelebb essen a becsatoló kondikhoz. Majd műtéti eljárást alkalmazva, csak a beavatkozás helyét hagytam szabadon.
Sajnos méretes távtartó híján nem tudtam még összerakni a HC-TB-ME-t.
Ez azért nem tölt el örömmel, mert napról napra kitolódik a további bejáratási ideje. A bcskrz 4 bekötő vezetéke elölről indítja a bejáratási időt. 400 óráról van szó. legfeljebb néha azzal vigasztalódhatok, hogy alkalmilag lekapcsolom a becsatoló kondiról a rövidzárat egy kicsit, amennyiben az adott felvétel igényli. Ha valkinek furcsa lenne ama bejáródás mint olyan, a mellékletben találhat ezzel kapcsolatban sóhajokat (fordítógépes). A bcskrz beszereléséhez azonban még rögös út vezetett. A panelén ki kellett két szerelőnyílást alakítani a forrasztási helyek elérhetősége miatt. A potiról a kondira vezető csatlakozást egy-egy furattal készítettem elő. A becsatoló kondi az üveggyöngyökre
csak mechanikai okokból van forrasztva a saját lábaival. Ezért a kondi tövénél vannak a be, és elvezetések forrasztásai. A bcskrz kötéspontjai így kerültek alul a 2,2k-ra, és felül a poti vezetékéhez a bcsk-ra. A panel rögzítése most is szigetelővel történt. Mivel a méretezés amúgy szemre történt, a panel furatait utólag korrigáltam reszeléssel. Emiatt a furatok torzultak. A távtartók végei csapottak, nehezen maradna rajtuk az M3-as alátét. És még erre jött a TO220-as szigetelőalátét. a panel felső felén erre egy TO3-as szigetelőalátét a nagyobb alja miatt, és erre jött megint egy M3-as alátét. A négy rögzítőcsavar beszerléséhez egy kis fortély kellett, a fura szendvics okán. Én ezt úgy csináltam, hogy átdugtam a panelfuraton egy kettes fúrót, alulról ráfűztem a TO220-as szigetelőalátétet, és az M3-as alátétet, majd együtt tarva a kettes fúrót a távtartó furatába vezettem. Ebben a helyzetben a távtartón az M3-as alátét, azon a TO220 szigetelő gyűrű, majd a panel. A panel négy furatában M3-as csavarok lazán betekerve. Így a panel pozíciója adott. Oda készíttetem az első rögzítőcsavart úgy, hogy annak a fejénél felfűve egy M3-as alátét, majd egy TO3-as szigetelőgyűrű. Ezt követően a panelt a távtartóra nyomva kihúztam a kettes fúrót, és a helyére betekertem az összekészített rögzítőcsavart. Majd ezt még háromszor elkövettem.
Más, a tolórúd magfurata, és menethossza nagyobb volt a kelleténél. Ne volt szimpi, hogy a nyomkodás során a kapcsoló rudazatát (a vége négyszögletesek) a kapcsolórúd sarkaira vágott 4-es menet tartja meg. Ezért arra gondoltam, hogy e terhelést a két rudazat homloklapját összefektetve vigyék el a nyomogatási terhelést. Ehhez egy édesség csomagolófóliáját használtam fel megtunkolva a nyomórúdat, hogy csak a kellő hosszban legyen feltekerhető a kapcsolóra.
Az egy dolog, hogy a fán robbantással csinálod a likat, mindenki nem érthet minden anyaghoz.. De hogy a nyákon egy réz pad igényes kialakítása sem megy?!? lásd: Kiv 4.JPG Ez már meredek! Nem volt otthon ragszalag?? |
Bejelentkezés
Hirdetés |



















































