Fórum témák
» Több friss téma |
Csak az én véleményem....
Nem vagyok a többfokozatú IC-s csodák híve. Persze bizonyos háttérnek lehetnek a tuningjai. Ha rendszerben gondolkodunk, ezeknek is illeszkedni kellene egymáshoz a kis zaj figyelembe vétele mellett. Ez persze vonatkozna a fokozatok dinamikai képességeire is. És ehhez van egy pókhálós fóliaerdő, felfűzött tápolással. Minden esetre jól eladható, mert kicsi, sok minden van benne, és így beindítja a vásárló fantáziáját. A Sennheiser 1 millió táján árulta az ilyenjét. Most épp KT EVAmp-ME változatával hallgatom a rádiót. Nincs is benne "IC", és mégis jó hallgatni. És ha zenét akarnék hallgatni a youtubról usb-n át, akkor csak kikapcsolnám a rádiót ehhez. Igaz rondább, nagyobb, de jól megy az AKG701-el.
Azért nyúltam a poti házához, mert a jelföldet kivezette a poti tengelyén és a rögzítő anyán keresztül az erősítő előlapjára, ahol összebunyózott a védőfölddel és jött a brumm
![]() ABU: A TPA előtti fokozatra azért van szükségem, mert az erősítő elé kötött DAC-hoz nagy bemenő impedanciájú erősítő kell, a TPA-nak pedig ez alacsony, így főleg impedanciaillesztés miatt hagyom benne, de jól jön a plusz erősítése ha majd egy érzéketlenebb vagy 600 ohm körüli fejest kötök rá.
Értem, nem ártott volna egy-két kép a Te verziódról, hogy aktuális verziót lásson az ember. A poti rögzítése szigetelőgyűrűvel elhatárolható a háztól földelés szempontjából. Ez állna egy vállas darabból, és egy sima szigetelő műanyag gyűrűből. De lehetne két vállas is, ha rövid a kis átmérő hossza. hasonlóan az RCA szigetelőgyűrűihez. A ház furatának a nagyobbítása, megoldható reszelővel is megfelelő alátámasztással, és egyirányú reszelőmozgatással a feltámasztás irányába. És lehetőleg finom reszelő legyen, hogy ne tépje az anyagot, mivel az nem lehet vastag anyagból. Persze türelem az kell majd hozzá, és az új méretet körkörösen fel kell jelölni a művelet előtt. És kellene egy esztergálási lehetőség is hozzá...
"És egyben hozzájárul a részletek érzékelésének lehetőségéhez." (2023.06.21)
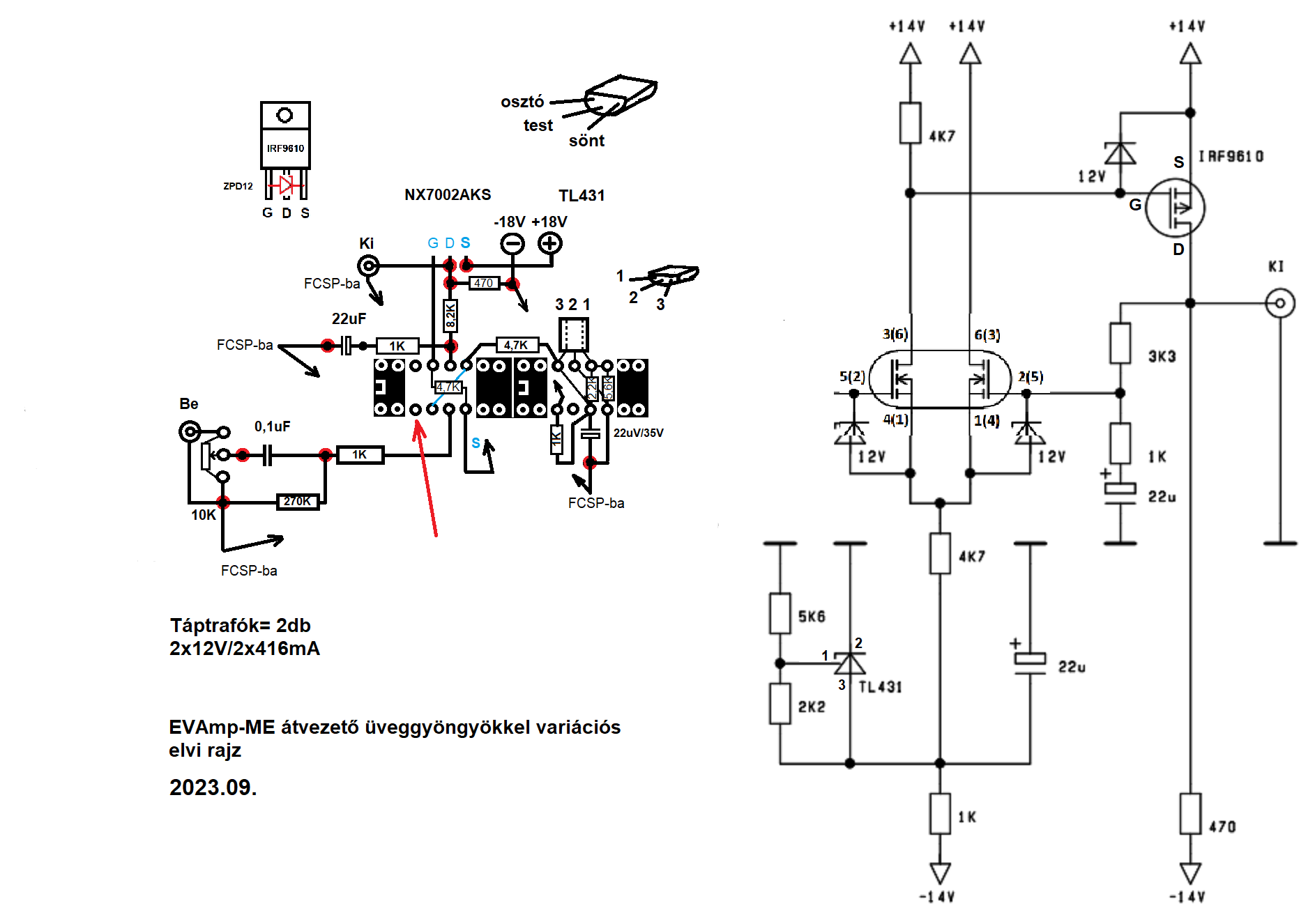
Az eltelt időben sok érdekes dolgot adódott megtapasztalnom. Ezek egy része talán szerencsésebb lenne az audiofil témában elemezni, de azért talán innen adódnak ezek a tapasztalatok. Az EVAmp-ME-t igyekeztem a lehetőségeim szerint a legigényesebben megépíteni, vagyis a HC-TB-ME csak az átvezető üveggyöngyök alkalmazásával kapott többet. Most nem térnék ki a FET, és a tranzisztoros végfok közti eltérésekre. Vagyis a hangzásbeli eltérés jobbára az üveggyöngyök eredménye. Ez pedig igen jól hallható. A címben említett részletek érzékelése tekintetében is számottevő. Mondhatnám a részletek karakteresebbek, a tér nagyobb és áttekinthetőbb. Egyes felvételeknél szinte magányosnak érzi az ember magát a térkupolában. És ha nem koncentrál az ember a zenére, észre sem veszi, hogy a következő felvétel már monó a rádióban, mert ugyanúgy hallja az összes hangszert, mint sztereóban. Nem gondoltam volna, hogy ez a dolog ennyit számít majd... A mellékletben egy kis áttekintés.
Virág et.-at idézve: a helyzet egyre fokozódik...
Az EVAmp-ME felújítása Mivel nemrég csináltam furcsának tűnhet e dolog, ám az audiofil témában megírtam ennek okát. Ezek után az átépítés irányelvei: 1, az alkatrészeknek a paneltől történő elszigetelése 2, ez érinti a hűtőbordákat, és a kimeneti forgókapcsoló érintkezőinek merevítőtárcsáját is 3, a hűtőborda méreteinek növelése, és a vcskrz-nak kialakítása a bordán 4, A panel tervezésekor nem lehet hosszabb távolság a kötéspontok között, mit előzőleg, mivel a felhasznált ezüstvezetékek hosszának elégnek kell lenni, mert már nincs belőle pótlásra. Ennek kivitelezéséhez szükséges eszközök: 1, átvezető üveggyöngy, és a levegőbe lógatott IC-foglalat lábai, vagy más lehetőségek az audiofil témában ez is taglalva volt. 2. A panel, és a borda közé egy tefloncsíkot teszek, és alulról vállas szigetelőgyűrűkön át M4-es csavarokkal rögzítem a bordákat. A fogókapcsolóra nem paneltárcsát teszek, az érintkezők merevítésére, hanem egy 2mm széles teflontárcsát kap. 3, a hűtőborda új mérete (hőpufferrel) 155x60x45mm, ebből az adódó hátfal vastagság 15mm, a drain ellenállások (2x100 ohm/3W) hűtőtömbje a régi marad, bordák távtartója a kimeneti oldalon lejjebb kerül, mivel a borda tetejéhez rögzített vcskrz-nek az előlap felé kell a kiút. 4, ha felmerül, esetleges alkatrész pozíciók megváltoztatásával is akár, a megoldás megkeresése. A földcsillagpont kialakítása megváltozik. A terhelés mentesítő lekerül a bordáról, és a többi táp terhelésmentesítői szerint szintén „csokit” kap, és az előtt egy nagy üveggyöngyön lesz a földcsillagpont kialakítva oldalanként. Innen lesznek a bordák is földelve. Az RCA-k elszigetelése még nem alakult ki, mivel elhasználtam a hozzájuk adott lépcsős szigetelőgyűrűket. Lehet, hogy a 2+2 bakot teflonlapra fogom szerelni. Elgondolkodva a dolgokon az embernek célszerű a legrosszabbra számítani. Ez az esetleges téves feltételezésem, hogy csupán az üveggyöngy a megoldás a problémámra. Mert az sem lehetetlen hogy a meghajtó fokozat eltérése, vagy a tisztán FET-es kapcsolásban van eltérő térhatásérzet. Ezt majd a gyakorlat igazolja. Minden esetre a mechanikai bonyodalmak, az elfogyott ezüsthuzalok okán a tervszerinti mechanikát több kapcsolásra is megterveztem.
Mint kiderült, egy számomra nagy fába vágtam a képzeletbeli fejszémet. Eléggé aprólékos dolgok adódtak az átépítésben. Az EVAmp-ME-ben a visszacsatolás kondenzátorát „felapróztam” egy panelre. Ezek rögzítésének is helyet kell biztosítani. E paneleken nem lesznek az alkatrészek a paneltől elszigetelve, csak a panelek a bordáktól. Időközben sikerült jó áron egy 400x86x5,5mm-es maradék teflonlaphoz jutnom. Anyagi okokból, és egyéb körülmények miatt talán nem mutatósan alakulnak a dolgok, de eddig legalább a terveim tarthatóak. Persze még a régi panel bontása sem lett egyszerű, mert a 100W-os pákám is elhagyott, és a pótlása is pénzbe kerül. Amit most látni, több ponton változások látszanak az előzményekhez képest. A DAC egységhez csatlakozáshoz az aranyozott, utóbb vásárolt tüskéket fogom alkalmazni a helyszűke miatt. A becsatoló kondik középre kerülnek árnyékoló persellyel. A potinál a lábaikat tartó terhelésmentesítést az átvezető üveggyöngy helyett csavarokra bízom, mert nem volt szimpatikus a teflonba lukat fúrni, hogy a panelra az üveggyöngyöket fel lehessen forrasztani.
Úgy éreztem, hogy nem árt, ha a poti bakja nem a panelen van, ellentétben a kimeneti elemek rögzítése esetében, ahol a potitengely csapágyháza, és a kimeneti illesztőkapcsolónak semmi köze az erősítőhöz, csupán mechanikai tartalmuk van. Még nem egészen látom az IC foglalatok helyét, akár egymáshoz képest is, mivel igen kötött a tápvezetékek terhelésmentesítőinek pontos helye, és ahhoz képest a másik oldalon a szerelt (össze dugott) egység magassága, és térbeli pozíciója a kondenzátorpanellel. Ezt becslések után, egyenként kell majd tisztáznom. És persze az egészet előtte, és utána szét- és összeszerelni, esetenként. Valamint mindig ellenőrizni, hogy a bontott ezüstvezetékek hossza elég legyen az összes kötéshelyen. Látványmagyarázatként a jelenlegi állapothoz, a kimeneti rész összefércelve, és már csak igazgatásra szorul mechanikailag, meg a forgókapcsolóra még kell a teflon tehermentesítő. Az eleje meg csak épp-hogy állapotban van. A hozzászólás módosítva: Okt 15, 2023
Egyben akartam látni a „tákolmányt”
Az előzőekben említett okok miatt, és mivel már nem a régi a memóriám, egyben szerettem volna látni a panelt a bordával 3D-ileg. A panellel kezdtem a 2mm-es furatokkal. Az összeszerelt bordák hátától mérve, sublerrel húztam egy 4,8mm-es csíkot. Majd az elől-hátra kijelölés után a 2mm-es furaton pontosan tudtam átjelölni a keresztpontokat, és jöhetett a bordákon a pontozás. A bordákat a távtartókkal egybe hagytam a jobb felfekvés miatt a platnin, és így jelöltem fel, pontoztam, és fúrtam elő 2mm-es fúróval. Azért ezzel, mert jobban helyezkedett bele a pontozásba. Azonban vigyázni kellett a vertikális tengelyvonalra, mert a szerelvény súlya és a fúró mérete miatt a tengelyvonalba húzásra nem lehetett számítani. Így minden alkalommal figyelni kellett, hogy a fúró nehogy ferdén haladjon fúrás közben, a törés elkerülése miatt. A bordáknál az azokra szerelt hőpuffereket ezentúl a borda részeként említem, mivel már a hátlap részének számít. Szóval a bordákba egyenként 12db menet lesz vágva (2db M4-es, és 10db M3-as). A 2db M4-es alul a borda végein rögzítés céljából. Szintén alul, 3db M3-as a tehermentesítő „csokik” rögzítésére, a hátfalon 2db M3-as a VCSK-panel (vertikális) rögzítésére, és felül kettő M3-as a VCSKRZ panel (horizontális) rögzítése céljából. És végül a Drain ellenállások hűtőtömbjének, és a FET rögzítésére (vertikális) a hátfalon 3db M3-as. A panel furatait ezek után felfúrtam, az attól való elszigetelés miatt. Az M4-esekhez 6-ossal (a szigetelő alátéthez), a „csokikhoz” 5-6mm-essel célszerű.
Az egész napos lábfájás csodákat tesz az emberrel...
Elnézést a hibáért a téma olvasóitól! Korrekció a képeken
VCSKRZ panel dilemma
Nem átlátva az újraépítés bonyodalmait, 5mm-el növeltem az alaplap szélességét. Haladva az építéssel az az érzésem támadt, hogy jobb lett volna, ha legalább 10mmel tettem volna ezt meg. Közben azonban úgy hatott, hogy elég lesz az az 5mm. Most azonban amikor a kapcsoló elhelyezése felmerült hát nemigen volt a számára hely a két oldal visszacsatolás kondipaneljei között. Nem igazán szerettem volna új panelt kialakítani a sok furi miatt. Nézegettem a kapcsolót, hogy hogyan tudnám megoldani a rögzítését a két panel között, és ekkor támadt az ötlet… Ott voltak az asztalon az IC foglalatok is a méretezés miatt, és beugrott a házasítás ötlete. Az látszott, hogy a kapcsoló lábai raszteresek, de laposak is egyben, és kérdéses volt, hogy a szélességük a vastagságukkal együtt alkalmas e a foglalatba passzírozásra. És lőn csoda, ha keményen is, de bejött Most már csak a kapcsoló lábainak párhuzamos szűk távolságával volt a gond. Nézem-nézem nagyítóval, és feltűnt, hogy a foglalat oldalfalába az érintkezők nem középen vannak. És mit ad isten, ha két foglalatot egymás oldalához nyomtam, a közös oldaluknál a kapcsolót be tudtam nyomni mindkét oldal csatlakozóiba. Vagyis megoldódott a probléma. Egy 16 lábú foglalatról levágva az oldalfalakat, majd egymással szembe fordítva kapok kapok egy kapcsolófoglalatot. Ezután ezek középső egymás melletti 3 lábra kerül a kapcsoló, és a végeiken két+három pár lesz a panelre forrasztva a rögzítésül. A kapcsoló lábai természetesen a levegőbe lógnak majd, így spóroltam 4db átvezető üveggyöngyöt. Ha így veszem, még jó is a kis hely, mivel oldalirányban a bekötésükhöz rövidebb rövidebb huzalhossz is elég a szereléshez a VCSKRZ panelen oldalanként 2db szerelési ablakot kell vágni a bekötéseikhez. A kapcsoló tolórúdja a HC-TB-ME-nél bevált módon fog elkészülni… ui.: ehhez a dologhoz Svájci gyártású foglalatot használtam.
És még a vége...
Ezen a héten nem nagyon haladtam az építéssel. Mechanikáztam, részletek a hűtőborda témában.
Egy röpke „bejárást” azonban tettem. Megnyugtatott, hogy egy bumszli RCA-val is lehet csatlakozni. A kimeneti illesztő kapcsoló ritkán lesz használva, vagyis a közelségük nem napi probléma. Változatlanul úgy tűnik, hogy az IC foglaltoknak lesz helyük az elvi rajz szerint, és a variációs változatot építem ki, azaz az NX7002AKS előtt lesz egy szabad csatlakoztatási lehetőség az esetleges műveleti erősítő számára.
Sziasztok! Öcsémnek szeretnék egy fejhallgató erősítőt készíteni, ebben kérném segítségeteket. A cél egy 50ohm-os fejhallgató meghajtása, hyperX füles 53mm-es hangszórókkal. Jelenleg egy kis dac-al használja, de.nem elég erős hozzá. 500mW-os kimenet 32ohm-on már elegnek kell legyen az 50ohm-os hoz is. Tudnátok ajánlani bevált és jó minőségű kapcsolást és esetleg panel tervet hozzá? Nem számít ha draga alkatrészekből áll.
Ilyet találtam eddig, ezt nem tudom milyen, max teljesítményben is ...tűnik.
Esetleg ez? Én bátyámnak építettem ilyet.
![]() Bővebben: Link Bővebben: Link A hozzászólás módosítva: Nov 26, 2023
Ez is szuper Köszönöm! S/N viszonyban jobb a másik. Tapasztalat mit mutat, elégedett vagy vele? Erő van bene ahogy nézem.
Szia! A Lehmann is felkapott mostanában. A sima PCB-től a trafós építőcsomagig bármi rendelhető távol-keletről. Ha nagyobb hangnyomásra is igény van, az aszimmetrikusan klippelő canampot elkerülném.
Szia! Tudnál egy linket hozzá adni?
Amit belinkeltem az az asszimetrikus klippelő canamp?
Látom nem az amit linkeltem a canamp.
Ez jó ha nagy hangnyomást szeretnék? Ezz jobb szerinted? A hozzászólás módosítva: Nov 26, 2023
A Lehmann-ról itt egy korábbi beszélgetés. Egyszerű és szellemes topológia, nem tartalmaz átfogó visszacsatolást.
Árban a tól-ig így néz ki: Aliexpress
Tesóm használja már 10 éve és ő elégedett vele nagyon. Az én részem az építés volt és az biztos hogy egy kezdő is meg tudja építeni. Lehet te nem vagy kezdő, de nekem akkor ez szempont volt.
Mennyire ismered ezt a konkrét típust amit linkeltél? Nem gerjedékeny vagy zajos vagy ilyesmi? Ha azerinted jó féle akkor megrendelem egyben, akkor már nem darabokban.
Szia,
én most ezt építettem meg egytápos verzióban. Most reszelem hozzá a házat, mert a próbák során tetszett a hangja. Ha kész lesz bemutatom.
Szia! Amit ajánlottál erősítő , ahhoz elegendő az 50VA-es 2x15V os toroid, vagy nagyobb kell?
Szia! Még a 10 VA-es transzformátor is elég.
Amiért hosszan lamentálok, hogy az ajánlatomat megerősítsem-e, az a KIT-en lévő tápáramkör. A tranzisztoros fokozatnak szűrt stabil tápra van szüksége. A kapcsolást egy fórumtársunk kérdései nyomán deszka modellként építettem meg. Labortápról telesen zajtalan és hozza azt az elvárt hatást, hogy a hangok nem az ember fejében szólnak, hanem egész valósághűen szétterülnek a környezetben, ahogy az egy felsőkategóriás füles-erősítőtől elvárható. A KIT-en látható LM317/337-től csak remélni lehet a stabil működést. Rád vár az úttörő szerep, hogy a velük kapcsolatos tapasztalatokat megosszad. A Lehmann belsejét csatolom.
Azt irja, hogy LM317-337 van benne, de ranagyitottam a panelra és a szitálás valami IRF0234N-re mutat. És ha 7812 7915 párosra cserélném az jó lenne?
Ez nagyon ötletes. Szimulátorban hihetetlenül jó. Számolj be majd a hangjáról.
Nekem is felkeltette az érdeklődésem ez az erősítő. Ezt tápot találtam hozzá. Nekem kicsit soknak tűnnek a pufferek, de én nem értek annyira hozzá.
Egyenlőre így állok, és ismét megbizonyosodtam arról, hogy nem tetszik az OPA1602 hangja. Jövő héten kipróbálom más műveleti erősítőkkel is.
Kíváncsian várom. Az eredeti kapcsolást csináltad meg, vagy vátoztattál valamit?
Nem sok az a szűrés. Arról beszélsz amit én linkeltem?
Ezt csináltam meg. Beszámolok róla, örülök, hogy érdekel.
|
Bejelentkezés
Hirdetés |
















































