Fórum témák

» Több friss téma
Fórum » NYÁK terv ellenőrzése
 
Témaindító: Paso, idő: Okt 4, 2005
Lapozás: OK   202 / 202
(#) Gafly válasza Alkotó hozzászólására (») Máj 30, 2025 /
 
Én csak most akadtam bele, szerintem jó cikk. Sok dolog van benne, amire nem gondoltam.
(#) jonasr75 válasza Gafly hozzászólására (») Jún 13, 2025 /
 
Szia! Jó ez a cikk,de kissé emelt szintű, kell hozzá több alaptudás. Van ennek előzménye? Olyanra gondolok ami az ettől alapabb dolgokat mutatja be (pl. GND vezetősáv kialakítás, alkatrészek elhelyezése, alap tervezési szempontok stb...)
(#) jonasr75 válasza kokozo hozzászólására (») Jún 13, 2025 /
 
Szia! Az elhelyezésnél követtem az általad ajánlottat, de a vezetősávok eltérnek. Itt azonban azt olvastam, nem mindig előny az 1 rétegű lap a 2 rétegűvel szemben. Kérlek véleményezd. Ja, és Tináról KiCAD-re váltottam, mármint a PCB revezőnél.

pico_pcb.PNG
    
(#) proli007 válasza jonasr75 hozzászólására (») Jún 13, 2025 /
 
Hello!
Vicces. Szimmetrikus dolgokat aszimmetrikusan tudsz tervezni. Indokolatlan kurflik vannak benne.
Egyébként az egyoldalas: Kevesebb réz, kevesebb munkafázis, kevesebb vegyszer stb. A föld tartalékai végesek.
(#) jonasr75 válasza proli007 hozzászólására (») Jún 13, 2025 /
 
Szia! A csatlakozóknál utalsz az asszimmetriára? Vagy arra, hogy a kapcs rajzhoz képest van fordított oldalon a ki- és bemenet? Mégis az 1 rétegűre kéne ebben az esetben törekedni? Az útvonalakat még átdolgozom, hogy kevesebb legyen a "fölösleges" hurok.
(#) proli007 válasza jonasr75 hozzászólására (») Jún 13, 2025 / 1
 
Nem a csatinál. Minden végfok egyforma és a vezetősáv vonalvezetése különbözik.
Amikor minden oda megy ahova kellene, akkor kész a terv? Nem!
Utána kell értékelni a vonalvezetést és célszerűséget. Azt javaslom, hogy ilyenkor kapcsold ki a rétegeket és csak egy oldal képét nézd és akkor látni fogod a lehetőségeket. Ilyenkor már nem a "kapcsolási rajzot" látod a nyákon, hanem a kinézetet.
Pld. az U2..U3..U4 3 és 5-ös lába össze van kötve. Az Ic-k közötti átkötést simán lehetne az Ic-k hasa alatt vinni, Te meg kívül kerülgeted az alkatrészeket, Minek?

Kokozo (és még sokan mások) egyébként sokkal gyakorlottabbak ilyen területen. Aki régebb óta műveli ezt a technikát, annak a régi tervezőkkel, lehetőségekkel és szokásokkal felvértezve készítenek áramkört.

Pld. Anno is terveztünk kétoldalas nyákot, de házi gyártásra. Így furatgalván nem jöhetett szóba, az alkatrész lábaknál szoktuk az átvezetést megoldani, alul-felül beforrasztva.
Elkó és csati bekötését csak a forrasztási oldalra terveztük. Mert ugye a másik oldalról nehéz lett volna forrasztani, esetleg fémek vannak ott. stb.
Én anno még szoftvert is írtam a lézernyomtatóhoz, hogy amikor két láb közötti átvezetés van, vágjon le a lábból. Ha az alkatrész oldalon egy lábhoz nem megy vezetősáv, akkor oda ne rakjon le lábpöttyöt. Tehát amikor beforrasztásra került az Ic, csak ott kellett felül forrasztani, ahol volt lábnak pöttye. Így a felső oldalon a lábak közötti átvezetések is egyszerűsödtek. De ez már a "volt"..

De nem taglalnám a dolgot, mert sok van és bármit változtatsz új lehetőségek/megoldások/gondok jönnek létre.
(#) Skori válasza jonasr75 hozzászólására (») Jún 13, 2025 /
 
Ez a körbevitt GND rossz megoldás. A középső két IC tápja gyakorlatilag nem ugyanoda van hidegítve, mert a kettő közötti összekötés körbemegy a fél panelen. A nyáktervet a táppal kellene kezdeni. Pl. az IC-k alatt középen végigvinni a GND-d, és ehhez rövid úton bekötni az IC-k tápját hidegítő kondikat. A ±táp végigmehet lent és fent. Minden egyéb utána jöhet...
Gyári panel esetén készítenék nagyobb GND felületet is.
(#) Skori válasza jonasr75 hozzászólására (») Jún 13, 2025 / 1
 
Valami ilyesmit próbálnék. Ez így egy hosszú keskeny panel, de "félbe lehet hajtani" és akkor egy arányosabb téglalap forma lenne. Csatlakozókat nem tettem rá, csak forrasztási pontokat. Lehetne még optimalizálni rajta, de ötletadónak szerintem jó lesz így is. SMD-ből megépítve pedig lényegesen kisebb lehetne.
A hozzászólás módosítva: Jún 13, 2025
(#) jonasr75 válasza bbb hozzászólására (») Aug 15, 2025 /
 
Szia(sztok)!
Indult valaki ezen a tanfolyamon? Nekem a nyaram túl sűrű (még a projektjeimet is pihentettem), nem tudtam bevállalni. Az intézővel beszéltem telefonon, mondtam neki ha indulna egy későbbi időpontban (késő ősz vagy tél) akkor lehet belevágnék.
(#) Skori válasza jonasr75 hozzászólására (») Aug 15, 2025 /
 
Nekem vagy huszonXéve, Attila barátom tartott egy Eagle gyorstalpalót , 1...2 óra alaltt. Persze azelőtt is terveztem már nyákokat, csak nem Eagle-ben, hanem papíron... Ha eljutsz egy erős kezdő szintre akkor már tudsz kérdezni, és önállóan haladni. Valamivel később már a munkahelyemen is terveztem egy halomnyi különféle nyákot.
Csakhogy mint ahogy korábban erről volt is szó, az elektronikai alapok is kellenek hozzá, amit egy tanfolyamon nem tudom mennyire tudnak (vagy akarnak) átadni. A legtöbb szakma (mert ez is az) a gyakorlatban sajátítható el, azaz tervezz sok nyákot, készítsd el, nyomozd ki, ha nem megy, hogy miért nem akar menni. Kérj tanácsot, mutasd meg itt, kérdezz...

Azzal az egy kis nyákkal is jól eltűntél. Megtervezted? Elkészült valamilyen formában? Működik?
Ha ez nem megy, akkor mit vársz egy tanfolyamtól? Itt is segítenek sokan, csak kérdezned kell...
A hozzászólás módosítva: Aug 15, 2025
(#) Skori válasza jonasr75 hozzászólására (») Aug 15, 2025 /
 
Ha visszaolvasol elég sokakban merültek fel kételyek a tanfolyammal kapcsolatban. Kevés a konkrét infó, és annál több a marketing szöveg. Viszont műszaki embernek az előbbi (lenne) a fontos...
(#) jonasr75 válasza Skori hozzászólására (») Aug 15, 2025 /
 
Szia!
Igen, kicsit eltűntem, de nem azért mert feladtam, hanem mert kisebb felfordulás van nálam (építési munkálatok, nyaralás stb.) de mindenképpen folytatom. A picoszkópos nyák az készen is van terv szinten, el is készítem, őszre a szkóp is megérkezik.
(#) jonasr75 válasza Skori hozzászólására (») Aug 15, 2025 /
 
Értem én. Az iskolai képzés valóban nagyon harmatos, csak kíváncsi voltam hogy egy magát ennyire profiként reklámozó tanfolyás mennyire nívós . Nyilván többet tanul az ember, ha csinálja, elakad, kérdez, folytatja, legyárt(at)ja, átméregeti, újratervezi.
(#) pipi válasza jonasr75 hozzászólására (») Aug 15, 2025 / 1
 
Ha jól látom a Kicad-et oktatják... Én megtanultam a hozzávaló tutorial-ból, de le kell ülni és végigcsinálni, mindent benne, az alkatrésztervezéstől kezdve... Azt nem tudom a saját oktatóanyagát a verziók függvényében mennyire tartották karban, mennyire aktuális, én kicsit leragadtam a kicad5-nél, a legtöbb anyagom ebben készült. Fel van téve mellé a Kicad9-es is, de ezt kevésbé használtam, ebben nem született új projekt, a régieket meg szeretem a sajátjával megnyitni, jobb a békesség. A magára valami adó nyákgyártók oldalán meg fenn van az adott nyáktervező progi szükséges beállítása a megfelelő gyártófájlok létrehozására.
pl: https://jlcpcb.com/help/catalog/180-PCB-Files-Preparation itt még Kicad verziófüggően is !
(#) Alkotó válasza jonasr75 hozzászólására (») Aug 15, 2025 /
 
Én is beszéltem velük, és kimondottan feszegettem azt a számomra fontos alapkérdést, hogy a program kezelésének megismerését célozza meg az oktatás, vagy a paneltervezéshez szükséges ismereteken van a fő hangsúly.
Zavaros választ kaptam, olyan kiragadott részletekkel, mint "ezt a kettőt nem lehet elválasztani" (szerintem nagyon is lehet, mert amikor még nem voltak programok közkézen akkor is készültek panelek), vagy "igyekeznek minden részletre rávilágítani" (ami azért elég kétséges), vagy "fontos hangsúlyt kap a gyárthatóság" és ehhez hasonlók.
(#) jonasr75 válasza pipi hozzászólására (») Aug 16, 2025 /
 
Na igen, akinek már van valamilyen CAD-es előképzettsége, nem maga a KiCAD megtanulása a nehézség. Nyilván van ott is 1-2 trükk, ami már a haladó szint. A nyák tervezés már inkább az. A pcb tervezőjében az automatikus alkatrész elhelyezés pl. nem a legjobb. Csak kissé összehúzza 2-3 sorba az alkatrészeket mindenféle logika nélkül. Az autorouting pedig ebből adódóan szintln nem ad jó eredményt. Én pl. ezt néztem meg és csináltam végig, könnyítésül a feliratot bekapcsolva:
PlumPot videos
(#) niedziela válasza Alkotó hozzászólására (») Aug 16, 2025 /
 
Tegyük fel, hogy amit a képzés tájékoztatóban irnak az mind igaz szóról szóra.
Ahogy láttam, minden fejezetre egy alkalom van.
Van pár olyan rész a témában amihez akár 100 óra is kellene a teljesség igénye nélkül, de gondolom az egy alkalom azért ennél rővidebb időtartam.
Valószínűleg "ha" a képzés tájékoztató igaz, és egy programon keresztül mutatják be a tervezést, hasznos lehet annak aki már foglalkozik vele, meg van az elektronikai ismerete, érti a kapcsolási rajz olvasást, érti az áramkörök működését, és most magában az áramköri lap tervezésben szeretne előrelépni. Ez a képzés akár egy jó alap is lehet hozzá.
De, azzal mindenki számoljon, hogy az online képzések nem arról szólnak, hogy 6x4 óra online tanfolyam után a kezdő, haladó, vagy profi szintre kerül.
(#) trickentrack hozzászólása Szept 29, 2025 /
 

Ventilátorvezérlő és signal/clip jelzés

Sziasztok!
A forumon találtam ezt a két kapcsolást, amit "ötvöztem" egy nyáklapra. Illetve egy feszstabot raktam még a panelra. Valaki rápillantana? Vagy esetleg jobb alternativa is érdekelhet. Az Alkotó által tervezet QUAD-405 R.Ludvig verzióhoz szeretném használni.
Köszönöm!
(#) proli007 válasza trickentrack hozzászólására (») Szept 30, 2025 / 1
 
Hello!
A BC547-ek kollektor-emitterét én fordítva látom.
(#) trickentrack válasza proli007 hozzászólására (») Szept 30, 2025 /
 
Szia! Tényleg ezt valahogy benéztem! Köszi!
(#) Alkotó válasza trickentrack hozzászólására (») Okt 1, 2025 / 1
 
A CLIP jelzésre talán célszerűbb olyan megoldást használni, ami azt nézi a kimeneti feszültség mennyire közelíti meg a tápfeszültséget. Például nálam jól működik Reloop javaslata.
(#) trickentrack válasza Alkotó hozzászólására (») Okt 11, 2025 /
 
Ráterveztem a paneledre, remélem nem probléma.
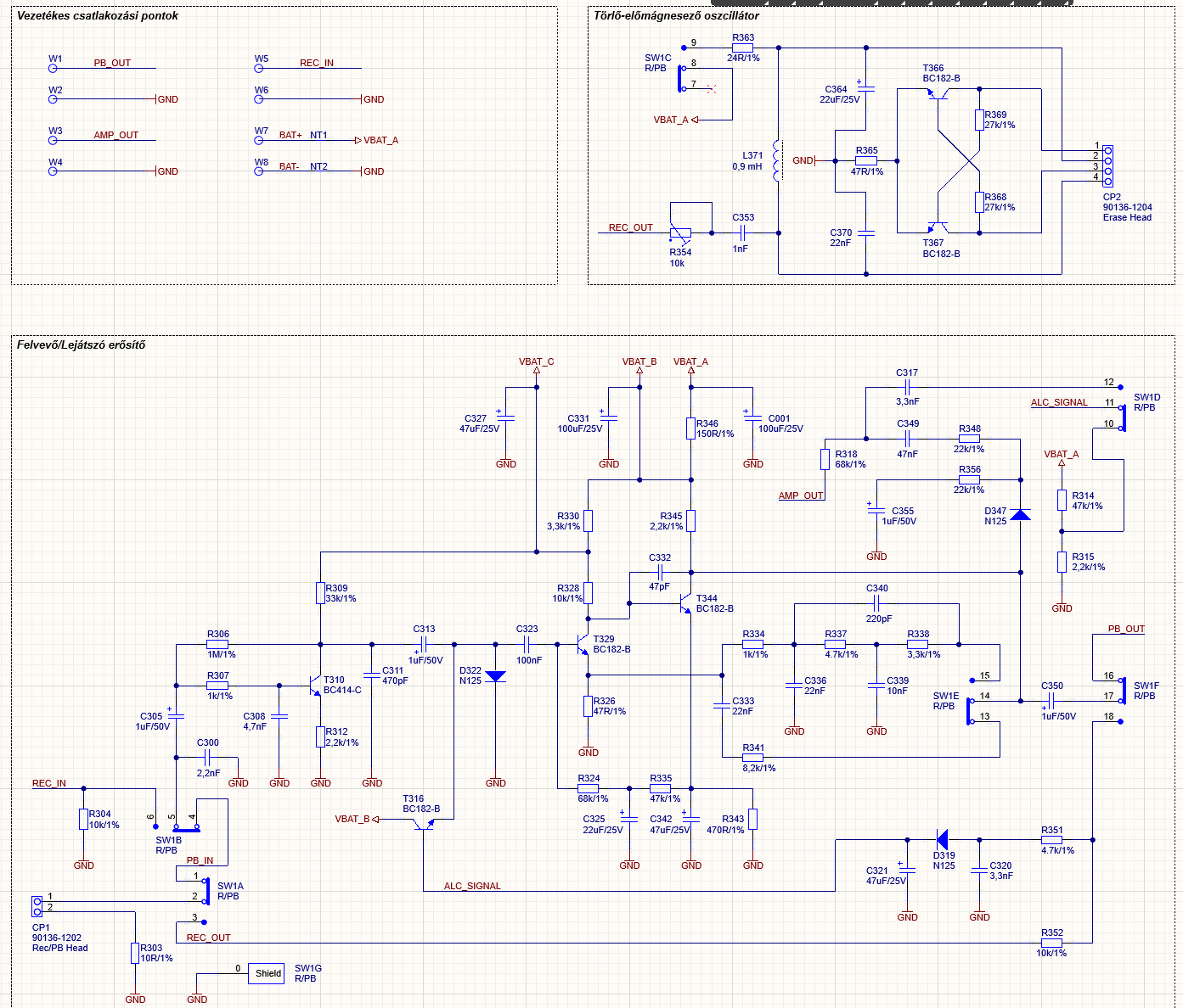
(#) Tomi94 hozzászólása Nov 7, 2025 /
 

Magnó panel ellenőrzése

Sziasztok!

A mellékelt kapcsolást tervezem újraépíteni (régen ugyanilyen magnón felvett, más készülékekben elég éles tónusú felvételek archiválására kell a konkrét típus - de ha már belefogtam, megcsinálom úgy, hogy menjen a felvétel is).

Szeretnék kérni egy panelterv ellenőrzést, főleg a földelési koncepciót illetően. A cél az volt, hogy csillagpontos legyen, legalább egységenként (pl. törlő-oszcillátor, előerősítő, kimeneti fokozat) külön szálon vezetve a GND-t a tápszűrő elkóig. És persze a végcél, hogy minél kevesebb búgása legyen (A teljesség kedvéért kiegészítem annyival, hogy vagy akkuról fog menni, vagy egy külön panelon levő tápegységről, amiben lesz még egy 2200 µF-os elkó, és két vezetékkel fog csatlakozni ennek a táp bemeneteire.)

* A fémházas átkapcsoló szándékosan csak egy ponton van bekötve a földelésre.
A hozzászólás módosítva: Nov 7, 2025
(#) lóri válasza Tomi94 hozzászólására (») Nov 7, 2025 / 1
 
Szia!
Nekem vékonykáknak tűnnek a vezetékek.
(#) Tomi94 válasza lóri hozzászólására (») Nov 10, 2025 /
 
Szia!

0.5 mm az összes. Végülis sok helyen lehetne vastagabb (kb. csak az SMD alkatrészek becsatlakozási pontjainál mondhatom, hogy kifejezetten így néz ki jól számomra), de a gyártás szempontjából bőven teljesíthető (cégnél lehet alkalmanként a profi gyártáshoz hozzácsapni egy-egy privát projektet is, azokhoz mérten ez durva felbontású), és nagy áram sehol nem fog ebben folyni. Végerősítő szándékoltan nincs a kapcsoláson..
(#) zenetom válasza Tomi94 hozzászólására (») Nov 10, 2025 / 1
 
Szia,
Idézet:
„a végcél, hogy minél kevesebb búgása legyen”

Már csak ezért is ajánlott minél vastagabb vezetősávokat használni. Minél véknyabb, annál inkább viselkedik antennaként.
Bár ma már nem nagyon vannak gyártási hibák, de ebből a szempontból is ajánlott vastagabbra. Illetve ha forrasztás közben derül ki, hogy valamelyik vezetősávhoz még hozzá kéne forrasztani egy valamit, akkor azt is könnyebb a vastag vezetősávhoz.
Igazából minden a vékony vezetősáv ellen szól.
A hozzászólás módosítva: Nov 10, 2025
Következő: »»   202 / 202
Bejelentkezés

Belépés

Hirdetés
XDT.hu
Az oldalon sütiket használunk a helyes működéshez. Bővebb információt az adatvédelmi szabályzatban olvashatsz. Megértettem