Fórum témák
» Több friss téma |
Közben összeraktam a moddolt kapcsolást, megszólalt még nem álltam neki méregetni, de így elsőre kellemes hangú, nem fáraszt. Ami változott:
-2N7002DW helyett LSK389A dual jfet - tothbela és mcc fórumtárs javaslataira építve a közös pontot áramgenerátorról hajtva egyforma Id állítható be, ami 1mA-re van megválasztva, a kimeneti DC fél óra után is 0.15mV. Egyelőre ennyi.
Bár nem írtad a puffer méretét, azért kíváncsi lettem volna, hogy mi a helyzet, ha a visszacsatolás 22µF-ját rövidre zárva? Ehhez viszont legalább 20-24000µF-os puffer kell elvileg...
Nagyjából kész a V-DMOS FET fejhallgató erősítő mechanikája.
A hűtőtömbök még nincsenek lefűrészeltetve, így azok rögzítő furatai még hiányoznak. Mint már írtam, én független csatornákkal szoktam építeni, így az alps poti mechanikáját nincs hova földelni. Ez eddig sem okozott problémát, ám most találtam egy lehetőséget, amivel egy négyzetmilliméterrel sem nő a fémfelülete. Épp azon törtem a fejemet, hogy hogy rögzítsem az alps potit, amikor frappáns ötletem támadt. Eszembe jutott, hogy van a fiókban műanyag polctartó könyök. Ez a 30x30-as műanyag könyök a bútoriparban használatos, és amikor előhalásztam, kiderült, hogy főnyeremény a terveimhez. Felfúrva az egyik rögzítő furatát a poti menetének, majd az élébe a poti elforgás elleni csapjának furatát is elkészítve, megpederhettem a bajuszomat, mivel jobb nem kellhetett. Később meglátom, hogy a tetejéből levágok-e, de egyelőre ennyi. És megjegyzem, a poti rögzítése csőkulccsal gondtalan. Szerencsémre megtaláltam a hajdani maradék 5,3mm vastag teflonlapomat is, így ezzel csapágyaztam a poti tengelyét, meg ezzel lesz az IC is rögzítve a hűtőtömbjébe. A DN2540N5 még beszerzés alatt, de azért lehet előre gondolkodni, bizonyos dolgokat beszerezni, beszerelni. Jól jött, hogy a borda 111mm hosszú mindössze, mert így elégségesnek látszik. ha csak 20cm-t veszek a NEI1001-ből, mivel a földvezetékhossz 10cm-en belül adódik. Januárig félretéve…
Azok a villanyszerelős sorkapcsok nagyon testidegenek nekem az erősítőépítésben.
Ne haragudjál, de ezt nem ítélheted meg. Nem vagy audiofil személyiség.
Ebben van némi igazság. De mert nem vagyok festő, zenész, vagy költő, még lehet véleményem festményekről, konceretekről, vagy versekről. És az én véleményem nem lesz kötelező másoknak is, de számomra mégis lényeges szempont.
Ezt a vonalat követve, markáns véleményem van Elek "mester" építéseiről. Szerintem, nem ott van a lényeg ahol ezt ő gondolja. Durva túlzásokba esik, részben képzetlensége, részben torz gondolatai miatt.
Vedd észre az iróniát...
... és ne ess kísértésbe, hagyd el a személyeskedést. A hozzászólás módosítva: Dec 15, 2025
A Sennheiser HD 201 fülesről néhány gondolat…
Pár napja wellnessezni voltam egy kórházban. Kértem a családtól egy egyszerű fülest a telefonomhoz, hogy elviselhetőbb legyen a dolog. Hát így lett a HD 201-em. Az első benyomásom, hogy jól nézett ki. Azt hittem, hogy meg akartak lepni a hajdani Maxell után valami különlegességgel. A hangja, nem kevésbé volt meglepetés, mivel barátságos hallgatható volt a körülményeim ellenére. Mondhatnám, olyan csöves hangzásra emlékeztetett a régi telefonommal. Ám jobban nyújtózkodtak benne a mélyhangok így nyersen is. A stabilitása a nagy testvérek szerinti. Haza térve alig vártam, hogy megismerkedjem az adataival, meg hogy csatlakozzam vele a hibridemre. Ám jött a meglepi… Egész másképp szólt, mint a telefonommal. Ránézve, 20-18000Hz, és a lényeg a 24 Ohm-os impedancia. A mi menyiben a magyarázat. Ha kisebb impedancia kerül a kimenetre a kelleténél mindig mélyérzet hiány adódik és több közép-magas. Így jobban hallani a nyersességből fakadó torzításokat is. Utána néztem vélekedő oldalakon, és ott a hozzá nem értésből kifolyólag elég sok megtévesztő véleményt olvastam. Először is nem mindegy, hogy egy erősítőhöz veszünk egy hallgatót, vagy fordítva. Mint megjegyeztem az impedanciáknak stimmelne lehetőleg, és még további dolgok is felmerülhetnek… Egy fülesnek megvan a maga elektromechanikája, a gyártója preferált anyagmilyensége, annak a hallható zeneisége. Így a bejáratási ideje változó. És persze jön a vásárló elvárása is az egészhez. Nekem semmi bajom ezzel a készülékkel. Megjegyzem ez egy tizedébe kerül, mint az AKG 701. Ezt azért említem, ha valakinek túlzó elvárásai lennének… Mindenképp célszerű járatni, hogy a középhangok elsimuljanak. Én még csak 20 óránál járok. Zárt hallgató létére tágas, szép szellős panorámát mutat a hibriddel, és hatásosak az extra mélyei. megmondom őszintén, kíváncsivá tett, hogy mit lehet belőle kihozni. Árnyék, még a kórházban a látogatók megemlítették: mi van a füleddel, vérzik? Mint kiderült, fekete pontok voltak a fülkagylómban. Kiderült porlik a fülpárna szivacsa. Hát ez nem valami egészség megőrző dolog. Hazaérve lemostam a kórház után alkohollal. Sehol nem festette meg a törlőrongyot, és a feliratozás épp maradt. Így más nem maradt hátra, kell egy jó fej, és fülpárna hozzá. Nem rég volt nálam egy használt AKG 550 (Kínai). Annak is hasonlóan bomlottak szivacsos felületei. Nos arra nem akarnék semmit venni a hallott hangja miatt, pedig drágábban árulják, mint ezt. Sajnos ronda fémes hangzású ehhez képest, és se igazán magasa, és mélye.
Majd lemaradt...
Minden kedves fórumtársamnak KKÜ és BUÉK! És persze a jövőben is sikeres tevékenykedést kívánok!
Ha igazi meglepest akarsz, akkor probald ki a Massdrop HD58X Jubilee-t.
En csak ezt tartottam meg a Sennheiser-ek kozul (a 660S2 mellett). Also arkategoriahoz kepest nagyon szepen szol (persze, szubjektiv, mi mas lenne) ![]() ![]() ![]() Amúgy boldog karácsonyt, minden audiofül, és audiofületlen hobbistának! A hozzászólás módosítva: Dec 23, 2025
Köszi az ajánlatod!
Azonban, mint írtam a körülményei adták lehetőséget. 50 óra után egész jól kisimultak a közepei, és ha nem túl vacak felvételt hallgat az ember vele, akkor még hagy hozzáképzelni jobb hangzást is a saját pillanatnyi sajátjához. Azonban igen kritikus a felvételekkel. Értékelem, hogy a kemény közepei ellenére képes különválasztani a hangokat a térben, nem olyan, mint az említett AKG 550. Ha új fülesben gondolkodnék az csak is felső kategóriás lenne. HD650 van, de az AKG701(Osztrák) a kedvencem, annak ellenére, hogy használtan vettem. És még egy, ahogy írtad, egyéni dolog, hogy kinek milyen hangzás a megfelelő, és ehhez jön az adott rendszer szinergiája. Így nem biztos, hogy egy elemen célszerű elverni a port...
Volt egy kis nyugalmam, így összedobtam a jobboldal tervét is.
Lehet a szereléshez kinyomtatni papírra. Felhasználói kérésre a mellékletek törölve. A hozzászólás módosítva: Dec 28, 2025
Moderátor által szerkesztve
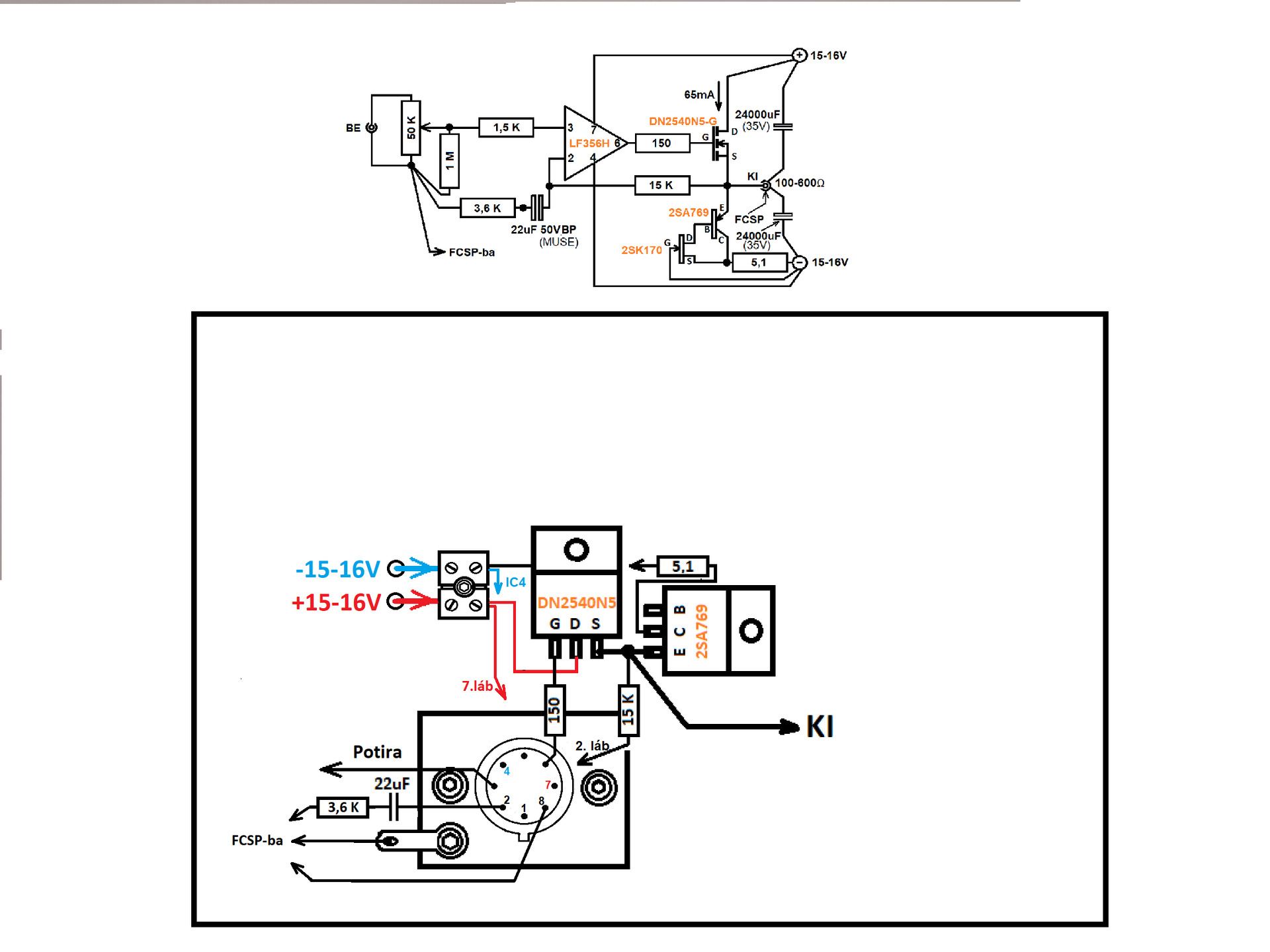
Az LF356 1-es lábát szerintem ne kösd le az FCSP-be mert gondok lesznek.
1, 5, láb az offset és a csúszka a pozitív tápra megy (ha offsetezni is akarsz). A 2SK170 már nem fért rá a rajzra, vagy kifelejtetted? A hozzászólás módosítva: Dec 27, 2025
Először is nagyon köszi az alarmodat!
Valahogy heppem az 1, 8-as lábcsere. Tán a stroke, vagy az öregedés... Pedig olvastam:Kérdés: Idézet: „földelhető e az LF356H háza Az LF356H egy TO-99-es tokban lévő JFET bemenetű műveleti erősítő . Ennek a tok típusnak van egy fém háza, amely a 8-as lábhoz (pin 8) van csatlakoztatva. Igen, a háza földelhető, és a tok földelése gyakran ajánlott a zajcsökkentés és az árnyékolás érdekében. A bekötési rajz szerint: • 1. és 5. láb: Ofszetfeszültség állítás. • 2. láb: Invertáló bemenet. • 3. láb: Neminvertáló bemenet. • 4. láb: Negatív tápfeszültség (V−cap V raised to the negative power ?−). • 6. láb: Kimenet. • 7. láb: Pozitív tápfeszültség (V+cap V raised to the positive power ?+). • 8. láb: A fém házhoz van kötve. A fémház földelése különösen hasznos, ha az áramkör érzékeny jelekkel dolgozik, mert védelmet nyújt az elektromágneses interferencia (EMI) ” 2SK170, igen nem akartam zavarossá tenni a bekötési skicc-et. Valójában közvetlen a 2SA769 lábaira tervezem forrasztani. Még egyszer köszi a javítást!
Immár helyesen:
Volt egy kis nyugalmam, így összedobtam a jobboldal tervét is. Lehet a szereléshez kinyomtatni papírra.
Idézet: „• 8. láb: A fém házhoz van kötve.” Szerintem ne hidd el és főleg ne idézd be amit az AI mond, hanem inkább nézd meg az adatlapot, vagy mérd meg. Adatlap szerint a 8-as láb sehova sincs kötve. Amivel dolgom volt fém tokos opamp mindegyiknél a V- (4-es láb) volt a házra kötve. A 8-as láb a frekvencia kompenzációra volt használva, már amelyik toknál ez ki van vezetve, pl. LM301, de az LF356-nál nincs, ezért az a láb ott nincs bekötve. Ezen kívül a fém tokon lévő kis fülecske nem az 1-es lábat jelöli, hanem a 8-ast, a fül helye hibásan szerepel a rajzodon.
Idézet: „Amivel dolgom volt fém tokos opamp mindegyiknél a V- (4-es láb) volt a házra kötve.” Ez így van az LF356H esetében is, a kerek fémtok a negatìv tápfeszültség bevezető lábához van kötve. TJ
Azért jobb lett volna, ha a rajzodon ez szerepelt volna, ha már így. De semmiről nem maradtam le ezek szerint... Én ha közlök valamit, abban nincsen HA, mert ugye ez hobbista fórum lenne, ha nem tévedek. Olvastam is erről valahol, de hittem elvileg egy rajznak.
Végül is azért a korai részletezés, hogy amikor gyakorlatra fordul a dolog pontosítani tudjon, akinek gyakorlata van benne. Megjegyzem, ismereteim alapján (ami nem sok ez ügyben) nem tudom mennyire hidegítés a féltápfesz? Persze katonáéknál az utolsó parancs érvényes. Mondjuk azt sem tudom, ha a stabilitás miatt a panel szintjéig betolva szerelik a túloldalon a toktól 1,6mm-en bírja e a forrasztást? Persze, ha kipróbálom megtudom. Minden esetre kár volt fixre tenni a ház kivezetését, mert így változtatni sem lehet rajta. Jobb lett volna a külön láb.
Abból tudok kiindulni, amit rajzon kaptam, mivel nem ismertem ezt az eszközt. A kapott rajzon ez irányú megjegyzés nem volt, így feltételeztem, amit.
Mérés, azért ez nem ilyen egyszerű. Még nincs meg az antisztatizáló csuklópántom, vagyis kerülöm a fogdosását. Végül is nem 5Ft volt.
A berakott " V-DMOS headphones amplifier " elvi rajza az LF356H opamp KÜLSŐ lábbekötéseit ábrázolja
![]() 1. Amelyik láb számozása nincs a rajzon, azt NEM kell sehová sem bekötni 2. Az LF356H belső elrendezését/kivezetéseit pedig az adatlapokon kell kikeresni 3. Ezeket az adatlapon szereplő információkat mindenkinek tudomásul kell vennie, NINCS lehetőség bárkit, bármikor ezért kritikával illetni ![]() TJ. A hozzászólás módosítva: Dec 31, 2025
Akkor rossz rajzot kaptál, vagy rosszul értelmezted.
Az NC azt jelenti, hogy No Connect, vagyis nincs bekötve. A hozzászólás módosítva: Dec 31, 2025
Idézet: „1. Amelyik láb számozása nincs a rajzon, azt NEM kell sehová sem bekötni” Azzal kezdeném, hogy nekem megvoltak a magam szempontjai. Ehhez sikerült rossz rajzból kiindulni. (Melléklet) Idézet: „2. Az LF356H belső elrendezését/kivezetéseit pedig az adatlapokon kell kikeresni” Megtörtént, de nem adott választ, hogy ezzel a felhasználással árnyékoltnak mondható e a 4. lábra kötött házzal? Idézet: „3. Ezeket az adatlapon szereplő információkat mindenkinek tudomásul kell vennie, NINCS lehetőség bárkit, bármikor ezért kritikával illetni” Én nem kritikának mondanám, mivel nem vagyok szakember, csak az elképzeléseim szerint szeretném ezt a kapcsolást megépíteni, és elég problémássá vált a dolog az IC tekintetében. A gyártó elképzeléséért mi értelme mást okolni. Persze ez nem azt jelenti, hogy feladnám az elképzeléseimet, csak tudni szeretném, hogy mivel állok szemben ez esetben.
És megint megkérdezem azon fórumtársakat, akiknek volt dolga az említett tokkal, hogy kibírja e a forrasztási hőt a toktól kb 2mm-re?
A mellékelt tipus nélküli cirill betűs rajzra azt mondanám, hogy az ellenség megtévesztése az első számú dolga a haza védőinek
![]() (A National Semiconductor/USA gyártmányú LF356H meg hogyan került cirill betűs rajzra - azt elképzelni sem tudom) TJ.
Most már csak az a kérdés, hogy tényleg K140UD22-es IC-id vannak (mert úgy néz ki, az az LF356H megfelelője, vagy az is egy megfelelője) - nem olvastam vissza -, mert akkor tényleg annak az adatlapja a mérvadó...
A nyugati LF356H-knak ha megnéznéd az adatlapját, látnád, hogy van az aljukon, a lábak között egy 1 mm-es kiemelkedő korong a ház részeként, aminek még a neve is az, hogy "seating plane", tehát ott nyilván 1 mm + a NYÁK vastagsága a minimális távolság. De a forrasztás sebessége többet számít. Idézet: „Most már csak az a kérdés, hogy tényleg K140UD22-es IC-id vannak (mert úgy néz ki, az az LF356H megfelelője, vagy az is egy megfelelője) - nem olvastam vissza -, mert akkor tényleg annak az adatlapja a mérvadó... ” Szerintem egy kapcsolási rajzon szereplő tipusszámok sohasem a véletlen művei, én is tudatosan választottam ki az alkatrészeket a leközölt fejhallgató erősìtőhőz. TJ.
Uraim köszi az értekezést! Világossá vált a lényeg. Isteni szikra ért, és kialakult bennem a teendő ez ügyben. Jöhet a kivitelezés...
Idézet: „....de nem adott választ, hogy ezzel a felhasználással árnyékoltnak mondható e a 4. lábra kötött házzal?” A fejhallgató erősìtők jellemzően a nagyszíntű (LINE) kimenetekről műkődnek, ráadásul általában nincs szükség nagyobb feszültségerősítésre sem. Tehát itt a különböző külső zavarok nemigazán jelentenek veszélyt, az opamp "árnyékolása" itt nem elsőrangú kérdés. Amennyiben a tápegységek elektrolit kondenzátorai távolabb vannak az opamptól, akkor lehet a tápfesz lábaknál un. bypass kondenzátorokat beépíteni. Ezek néhány mikrofarádos, audio tipusok lehetnek, például Audio Note STD, Nichicon MUSE, stb. TJ. |
Bejelentkezés
Hirdetés |













... és ne ess kísértésbe, hagyd el a személyeskedést. 














