Fórum témák
» Több friss téma |
Fórum » Csöves erősítő készítése
Ne feledd betartani a fórum viselkedési szabályait, és a topik megmaradásának feltételeit. [link]
A téma átmenetileg fagyasztva lett, hozzászólni nem tudsz!
Ja és jut eszembe. Mindenhez lehet csövest kötni. Egy gagyi csöves lepipálja a félvezetősök alsó és középkategóriáját, egy jó csöves pedig veri a bármely félvezetős felső kategória-közepét is. (Sok minden, mint a minőség is szubjektív) Volt lehetőségem megtapasztalni, onkyo erősítőt hallgatni csövessel szemben. Nem feltétlenül a mikro-nanokristályos izébizé vasakra gondolok, épeszű költségvetéssel körülbelül negyede áron lehet kihozni egy jó csövest egy hiper extraszuper félvezetőshöz képest.
Készülget a GI30 PP is, már megvan "papíron" a terv.
Ez a rajz még csak előzetes alfa terv, ugyanis így egy nyák temető... Készülni fog egy tömörebb panel, akol a csövek ki lesznek kábelezve. Igazából ez a terv azért is tetszik nekem, mert talán könnyebb a végső beépítés a dobozba.
Áhhá, értem
A különbséget egy jobbféle fülessel is észre lehet venni… Meg méretileg se ott van a kettő. Az MP3-mal lett elcseszve a zene, mint olyan - mégis sokan örülünk, hogy mekkora kollekciónk van belőle ![]() [ON] Lehet, hogy még a jövő héten nem, de az azutánin biztosan tudok írni a GM70 SE hangjáról ![]() A legfőbb alkatelemek nemsokára megjönnek, viszont néhányat kintről kellett rendelni, mint pl katódellenállás (60W @ 2,5k nem egyszerű móka 10Wattosokból összelapátolni)… A Rajzot csak a beállítások után teszem közzé, amit elvileg nem igényel, mert úgy van megtervezve /direkt csatolás/.
Sokan vannak (többek közt én is) akik számítógépről hallgatnak zenét csöves erősítővel. A hangminőség más paraméterét befolyásolja az erősítő, mint a műsorforrás, úgyhogy mindenképpen érdemes vele foglalkozni.
Nem az MP3 az egyetlen számítógépen lejátszható zeneformátum. A FLAC veszteségmentesen tömörített hanganyag, igaz kb. négyszer akkora helyet foglal, mint az MP3.
6ZS2P , 6ZS1P .7 lábú kis pentódához nincs valakinél adatlap , hiába kutatom ?
De van. Íme:
Ha esetleg nem ismered Ezt az oldalt Akkor szerintem dobd be a kedvencekhez. (nekem is ott van) itt szinte az összes cső adatlapja fenn van.
Sziasztok. Valaki esetleg nem tudja hogy honnan lehetne szerezni gu81-es csövet? Vagy ha valakinek van akkor legyenszives szóljon. köszönöm.
Talán az apróhirdetésekben? Most is árulnak egyet.
782/A lesz az, 752-ről nem hallottam.
Keresd csak, érdemes. Beag AE211 és AE782/a rajzát fogom küldeni, azt amiben ez a kimenő van. üdv
Készül a füles végfok. Még nem alakult ki, hogy hová kerüljön a bekapcs. gomb, és a jack csatlakozó, illetve a végleges szín a sasszinak. A keret reményeim szerint fa lesz, de csak a két oldalán.
Támadt egy kis gond: AE785/ A erősítőmnél ha a magashangszínt fullracsavarom akkor JOBBAN elkezd zugni a táp(alapjáraton is zug de nem annyira) és szerintem szívja le a tápot.Mi lehet a baj?
"A tápfesz az az anódja katódja közti fesz vagy a tápfesz?"
Jogos a 2 pont, természetesen AK fesz, hiszen az van anódkarakterisztika "U" tengelyén. Mivel ennél a csőnél a fix előfesz a nyerő, a kettő ugyanaz, legalábbis ez volt a fejemben. 6e5p trióda bekötéshez a kimenőd nem lenne jó, kár is próbálni.
Lehet, hogy van egy nagyfrekis gerjedésed. Szkóppal rá kellene nézni A kimenő primer oldalra.
Csöves tápról kérdeznék!
Van nekem egy Tunsgram AZ 21-es egyenirányítócsövem. Az adatlapján (ha lehet annak nevezni, csak egy kép van a bekötésről, és a lábkiosztásról a Radiomuseum-on) két dolog értelmezésében kéne segíteni. Egyik az, hogy megvan adva puffernek max. 60uF. Az nem lenne gond, ha a következő összeállítást alkalmaznám: trafó->AZ 21->60u alatti elko->fénycsőfojtó->többi puffer és táp? Másik gond az, hogy böngészgettem kapcsolásokat ahol AZ 21-et használtak egyenirányításra és két megoldással találkoztam. Egyik, hogy a fűtéskörből lett kivezetve a tápfesz., másik az hogy egy külön lábról vették le (bár a rajzjelén is a fűtésről vették le, majd linkelem). Melyiket alkalmazzam? Mivel nem találtam adatlapot, meg google se segített sokat még arra lennék kíváncsi, ha 225v-ot adok a dióda anódjaira, hogy kell kiszámítani a pufferelt feszültséget? Halottam olyat, hogy itt nem játszik a gyökkettő... És egy esti elméleti kérdés: Ugye a csöves erősítőket rövidre is lehet zárni, de a szakadás (terheletlen állapot) nem megengedhető üzemi állapot (csöves diódáknál is így van?). Ennek valaki meg tudja magyarázni a pontos okát? Üdv és kössz előre a válaszokat...
Köszi.
6E5P végcsőként trioda modban nagyon jó. orion tv hangkimenőtrafókkal. 4Ohmos hangszóróhoz 295V:táp 120Ohm:Rk 43mA:Ik 8Ohmos hangszóróhoz 325V:táp 195Ohm:Rk 33mA:Ik Ez utóbbi 10W Pda azaz bírja is a cső, valamint 8Ohmos műterhelésen 13VPP-t tudott...2,6W effektív! És ami hihetetlen a hangja. Vakamint, hogy egyszem cső és egy ellenállás a rádiós kimenőre kötve és "kész" az erősítő, ez tényleg a legeggyszerűbb csöves erősítő. Egy baj van vele, még katódkondival is nem hajtja koppra a standard cd kimenet, katódkondi nélkül pláne. De úgy tippelem egy sima e88cc fesz erősítő fokozatot elé téve sehová nem kell kondit rakni, max a két fokozat közé, vagy dc csatolva kellene megoldani, és akkor kondimentes lenne, bár a tápban akkor is lenne átok.
A GU50PP kb hány wattot tud? És hangszer erősítőnek ki mennyire ,,ajánlja"?
Nomeg a bal alsó sarokban egy görbesereg, ami a kimenő egyenfeszültséget mutatja különböző terhelőáramok, és transzformátorfeszültségek függvényében. Azért ez az info nem kevés.
Ehhez a csőhöz 32 +32 µF -os kondi dukál (60 uF), a két pozitív közé kötve a fojtót. A második szűrőkondi értékét csak akkor növelheted, ha ellenállásos szűrést is alkalmazol, a bekapcsolási tranziens áramok korlátozása miatt. A fűtésnek azért van három kivezetése, mert ha nagyobb áramot (max 120 mA) veszel ki, akkor a fűtőszálat szimmetrikusan kell terhelni, ezért ilyenkor az 5 lábra kell az elvezetést kötni, így a fűtésből származó brumm is kisebb. Arra még figyelni kell, hogy a trafó 230 V -os tekercsének (mind a kettőnek külön) az egyenáramú ellenállásának 100 ohmnál nagyobbnak kell lennie. Egyébként itt is játszik az 1.41 -es szorzó (csúcsfeszültség), csak ebből le kell vonni a terhelőáram okozta veszteségeket, ami a csöves egyenirányítóknál a cső belső ellenállása miatt elég nagy, elérheti a 20 - 30 V -ot is.
Sajnos nem vagyok regisztrálva oda (ha jól értelmeztem meghívós meg fizetős), Google képkeresőben meg sehol semmilyen görbe...
Igazából a sokak által megépített djhans féle vagy az elektroncso.hu-s PCL 86 SE-t szeretném megépíteni, ott a graetz után C-L-C tag van, ezt kéne (ha lehet) átalakítani.. A trafó már megvan, de műszer nincs kéznél pillanatnyilag. Eredetileg egy régi csöves rádióból származik, 4v-os ág is van rajta külön a csöveknek (ezért az AZ21-et választottam), van rá esély akkor hogy jó lesz? Ha rendes méretben föltudod tenni a grafikont vagy egy adatlapot sokat segítene. Ha nem, akkor legalább a 2x225V-os anódfeszültséghez tartozó értékeket.Szerk: Mellékletbe föltettem a kapcsolásokat. Meg akkor van nekem 2db. csöves tv-ből bontott MM-es 350V-os kondim...Az van ráírva hogy 220u/110u/22u (most fejből írom, de kb. ennyi). Mindegyikhez van egy szimbólum (négyszög-háromszög-kör), és a csatlakozókon (3db) is az alján. Naszóval akkor ha nekem mondjuk 220µF kell akkor hogy kell összekötni a 3 kivezetést? Négyszög az egyik fegyverzet, és Kör+Háromszög összeforrasztva alkotja a másikat?
Kb. 50W-ot
Igen, fizetős, de azon az oldalon is rajta van, amit a gugli felhoz, igaz elég kis méretben, de azért látható.Bővebben: Link Ha a hálózati trafódon van 4 V, akkor nagyon valószínű, hogy jó lesz. A két elkó, amit használhatsz ezesetben 32 +32 µF lehet az előzőkben leírtak miatt, a félvezetős egyenirányítás 100 + 100 µF -jával szemben. A kb. 25 - 26 mA fogyasztásnál ennek elégnek kell lennie. A meghajtó fokozat 47 kohm utáni szűrőkondi már maradhat. A másik rajz szerint ugyan 47 µF ok vannak, de a végcső mellett (felett) is van egy, ami már sok.
Sziasztok.
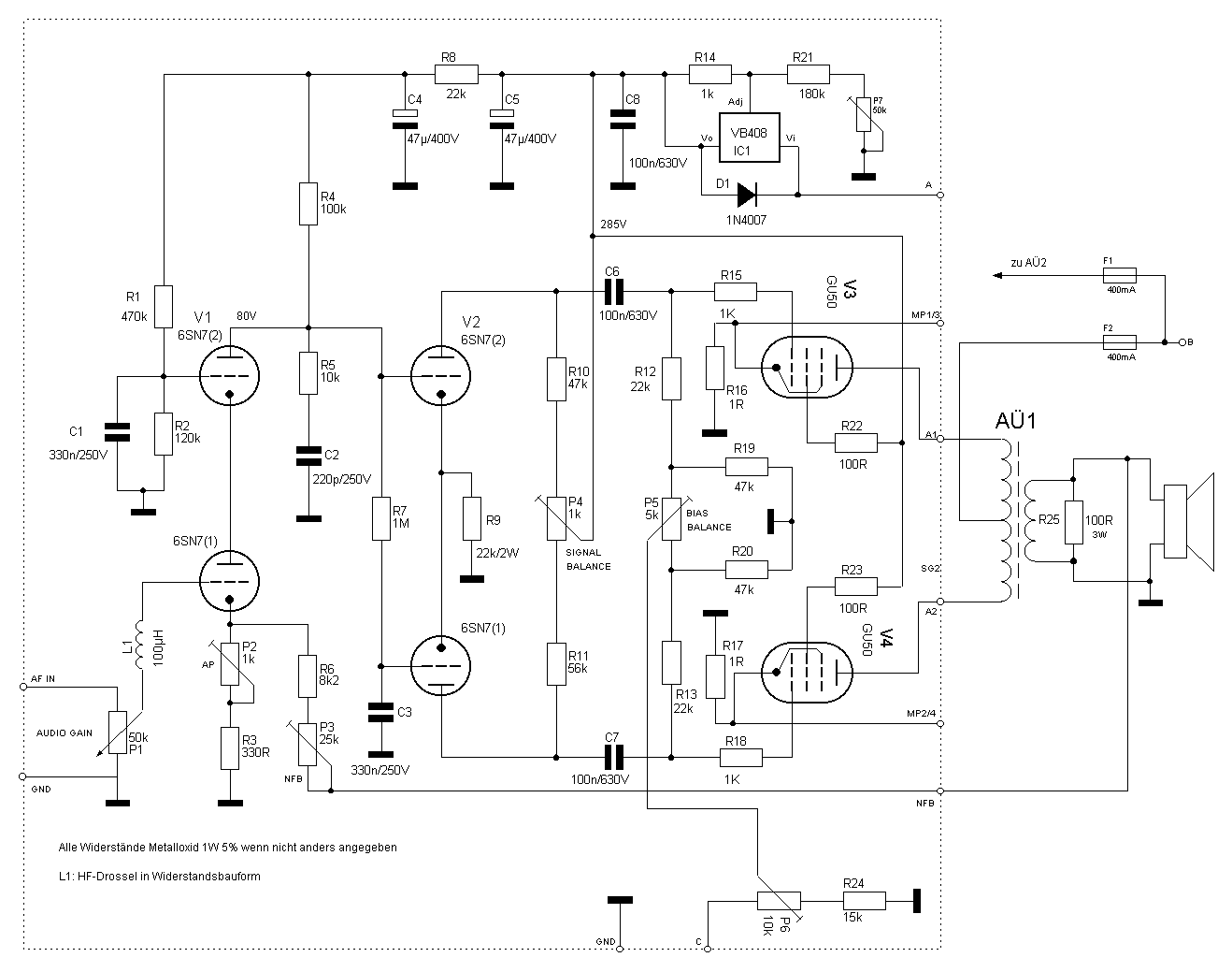
Ismer itt valaki olyan személyt aki megépítette a 2007-es RT ÉK. 66.oldalán található GU50 hibridet?
"de a felsorolt típusokhoz egyáltalán nem illik a cső hangja. "
Az elektroncsöveknek nincs olyan a sajáthangja, ami nem illik bizonyos műfajokhoz. A többi konstrukció és hangsugárzó kérdése.
Talán megnyomva a feszültséget, mondjuk 700V felé, több is kijönne.
Csak találtam egy pdf-et ahol rendes méretben vannak a grafikonok. Ha 50-80mA-el számolok kb 30-40V is eshet a csövön. Ekkora csökkenéskor ki kell cserélni az ellenállásokat már, vagy rendben lesz egyelőre így is?
Én két oldalt szeretnék építeni, szóval az a 25-26mA nem tudom hogy alakul, adatlapon 39+1.2mA van megadva (pentóda-trióda). Ezesetben a 32µF-től mennyiben térhetek el felfelé vagy lefelé? Fémházas MM kondiból van most 1.2u, van egy 22u, és 2db 3 féle fegyverzetű kondi (220/100/47). Ezek 350V-ot bírnak mind, ezeket használnám igazából... AZ21->22µF->fojtó->csatornák szétválasztása->csatornánként 47uF? Lehet késő van de valami nem stimmel nekem az elektroncso-s vázlattal. Ha ohm törvénnyel számolok, akkor 275V-37V=238V. Az ellenálláson 37 volt esik, az ellenállás meg 47kohm (47000ohm). I=U/R, kb 0.78A jött ki ami elég fura...
"A legfőbb alkatelemek nemsokára megjönnek, viszont néhányat kintről kellett rendelni, mint pl katódellenállás (60W @ 2,5k nem egyszerű móka 10Wattosokból összelapátolni)… A Rajzot csak a beállítások után teszem közzé, amit elvileg nem igényel, mert úgy van megtervezve /direkt csatolás/."
Csak a két GM-70 elfűt vagy 300W-ot, ehhez még extra hőleadás, csak azért, hogy ne kelljen 1-2 évente utánállítani? Futottam én is egy kört katódellenállással (DRD kapcsolás), de nem ajánlom senkinek.
Ez a kérdés igy nem helyes , a GU50pp -ét meglehet építeni akár 20 W -is meg meglehet építeni akár 100W -is , ez sok mindentől függ , elsősorban az alkalmazott anódfeszültség és a hozzá tartozó természetesen nagyobb teljesítményű trafók mind a hálózati és a kimenő is .
Idézet: „van nekem 2db. csöves tv-ből bontott MM-es 350V-os kondim...Az van ráírva hogy 220u/110u/22u (most fejből írom, de kb. ennyi). Mindegyikhez van egy szimbólum (négyszög-háromszög-kör), és a csatlakozókon (3db) is az alján. Naszóval akkor ha nekem mondjuk 220ľF kell akkor hogy kell összekötni a 3 kivezetést? Négyszög az egyik fegyverzet, és Kör+Háromszög összeforrasztva alkotja a másikat?” Én úgy tudom, hogy úgy van,hogy a fémház a közös negatív fegyverzet,és a szimbólumokkal jelölt csatlakozók felelnek meg annak a kapacitásnak,ami rá van írva. Tehát ha Neked pl. 220µF kell, és mellette háromszög ikon van, akkor a háromszög ikonos láb lesz a pozitív fegyverzet.(Tehát negatív a ház, pozitív a háromszög.) A kapacitások összegezhetők, a "szimbólumos" lábak összekötésével. |
Bejelentkezés
Hirdetés |


A különbséget egy jobbféle fülessel is észre lehet venni… Meg méretileg se ott van a kettő. Az MP3-mal lett elcseszve a zene, mint olyan - mégis sokan örülünk, hogy mekkora kollekciónk van belőle 















