Fórum témák
» Több friss téma |
Fórum » Inverteres hegesztőtrafó
Beindult a rendszer. Közben jött egy kedves ismerősöm, aki jobban vágja ezeket a kapcsolóüzemű témaköröket, és Ő mondta, hogy a jelalak megfelelő, a képen látható lengések a kivitelezés velejárói. Szóval visszaraktam az IGBT-ket, és adtam neki 320V-ot. Semmi hangja nincs, a szabályzás is működik, csak a potit kötöttem fordítva. Annyi, hogy az Anti-stick szerintem nem működik, mert ha leveszem a kimenet visszacsatolását, akkor a LED-je világít, viszont, ha leragad a pálca akkor nem világít és az áramot sem csökkenti a minimumra. Ezt még át kell néznem, de szívesen veszek minden ötletet. Köszönöm mindenkinek a segítséget, és az infót.
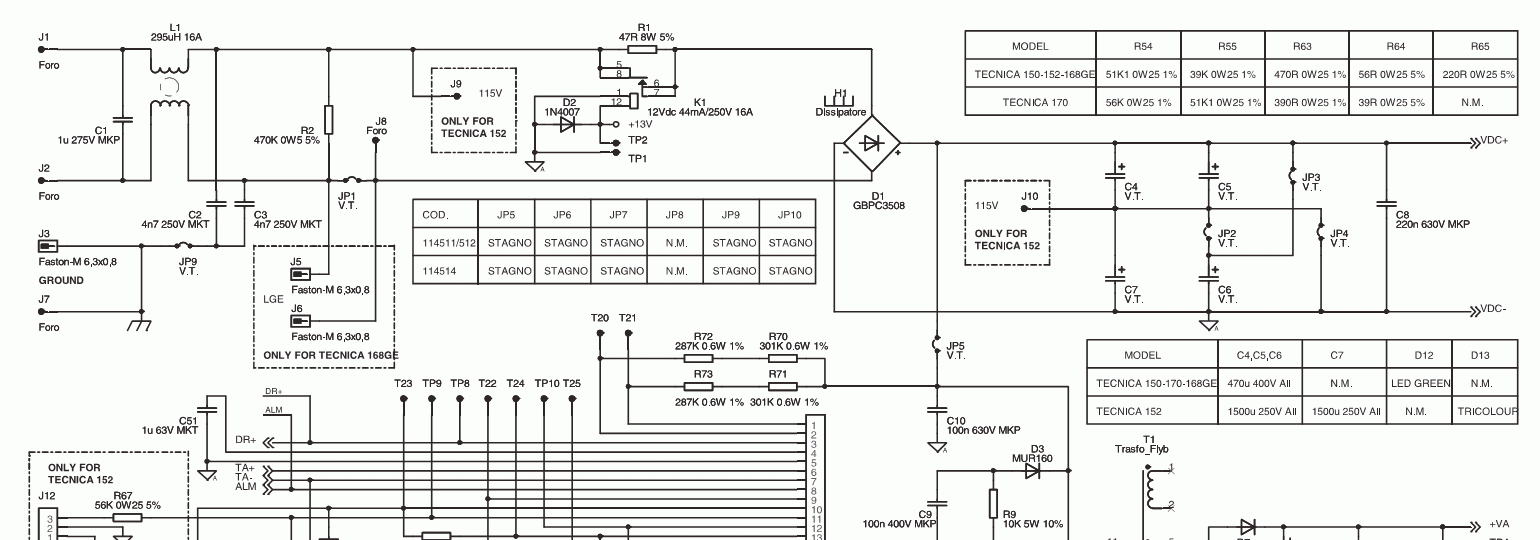
Szia katt.Kattinds rá amit felraktam és mondj véleményt.Azt látom hogy érted a működést,vagy is teljesen képbe vagy.De ezen a kapcs rajzon generátoros üzem módba egy induktivitás van a rajzon,ami a betápon van,mint egy PFC.Akkor ez hogy működhet generátorról,és még reklámozzák is.
Szia.Az Anti-stick et ki tudod próbálni hogy szabályozható tápról adsz neki tápot ,mármint a heg kimenet,és a zenerrel tudod a lekapcsolási feszt beállítani.Én ezt ált 17Voltra szoktam állítani.
Én arra a rajzra írtam a korábbiakat, amit belinkeltél, tehát a 168GE akármire. Nekem megnyílt rendesen a zip fájl.
Nem értem, mire vagy kíváncsi. Mi az, hogy generátoros üzemmódban van egy fojtó a bemeneten? A PFC teljesen más tészta, azok többségében egy fojtó van a bemeneten, amit egy tranyó hozzázár a negatív tápfeszhez, vagyis a már egyenirányított betápfesz negatív sarkához. ( Persze, van másmilyen is ) Ebben a kapcsolásban egy dupla tekercses fojtó van, a feladata a szimmetrikus vezetett zavaráramok kijutásának csökkentése a hálózat felé. Az, hogy miket reklámoznak, arról itt, nem érdemes írni... a papír mindent kibír, az internet meg még inkább, mert még papír sem kell hozzá... Csak józan ésszel végiggondolva, egy hegesztőgép akkor vesz fel nagy áramot ( teljesítményt ), amikor meggyullad az ív. És, ezt nagyon gyorsan megteszi, mondjuk a Maci esetében ez 150...200 us, ez alatt a teljesítményfelvétele közel nulláról mondjuk 3 kW-ra emelkedik. ( Ettől (is) olyan jó ) Egy ilyen hordozható aggregátor meg talán 5 kW-os és 50 Hz-es, ennek megfelelően, a szabályozóköre sem lehet túl gyors, mondjuk 150...300 ms lehet az az idő, mire kiszabályozza, hogy ismét 230V legyen a kimeneti feszültsége. Ugye, ez alatt a Maci régen leállt, hiszen alig kap betápot. Ha így nézzük a dolgot, akkor esetleg egy sima 50 Hz-es trafóról jobban lehet hegeszteni aggregátorról, mint inverterről. Legfeljebb, egy kicsit nehézkes az ívgyújtás. Egyébként, ez a kapcsolás olyasmi mint a Maci ( aszimmetrikus félhíd ), nagyon szimpatikus, hogy optocsatolós a gatemeghajtás ( sokkal kevesebb zavar jut vissza a vezérlésbe ) és nagyon antipatikus, hogy mindehhez külön tápfesz kell. De semmi sem tökéletes. A Maci jobban tetszik, sokkal egyszerűbben megépíthető, még abszolút kezdőknek is.
Szia!
Szerintem ő a J5-J6 kapocsra kötött külső LGE jelölésű fojtóra gondol, ami a rajz szerint csak a GE-s verzióban van. Szerintem egy passzív PFC, mint a korai PFC-s PC-s tápokban.
Igen, az lehet, nagyon gyenge ez a dolog PFC-nek. Az is igaz, hogy ez nem a bemeneten van, úgyhogy ezt már nem is néztem korábban. Meg alapharmónikus feszültség esik rajta, ráadásul a terhelés függvényében. De jobb, mint a semmi. És ettől miért működne generátorról?
Nem tudom, de ezt a különbséget találtam csak a sima és a GE-s verzió között. Talán, hogy PFC-vel nagyobb a folyási szög az egyenirányítón, így a generátor terhelése is egyenletesebb, kisebb a csúcsáram nagysága.
Igen, ez is igaz, de az óriási, hirtelen teljesítményfelvétel még mindig ott van, amire nem tudom milyen gyorsan tud reagálni az aggregátor szabályozóköre. És ahhoz, hogy az a fojtó ott hatásos legyen, jó nagy méretű lenne. Igen, nagyobb lesz a folyási szög, de ez alapjában csak annyit jelent, hogy az aggregátor tekercselése kevésbé melegszik, mert nem lesznek akkora csúcsáramok. Az átlagfelhasználót ez nem nagyon fogja érdekelni, ha egyébként meg nem tud ívet fogni. Ennél egyszerűbb, ha sokkal nagyobb pufferkondik vannak. Persze, az meg drága. A fojtó is... persze, azért biztos van olyan aggregátor, amivel a GE kivitel jól működik. A reklámban biztos arra gondoltak...
Az nem lehetséges , hogy maga a generátor alkalmas inverteres hegesztő működtetéséhez és így együtt ajánlják a két gépet ?
Sziasztok!
Valaki tudna segíteni abban, hogy az alábbiak közül melyik IGBT-t rendeljem meg a Macihoz? -IRG4PC50UDPBF -IRG4PC50UD Az előzőre azt írják a katalógusban, hogy 55A-es, a másikra meg, hogy 27A. Mekkora áramhoz kell IGBT(-ket) választani? Köszi előre is!
Hello, a pbf csak annyit jelent hogy ólommentes... Nekem mindig azt mondták, hogy HGTG sorozatból amelyik párhuzamosítható... Ráadásul nem kell diódás ami csökkent az igbt árán.
Nem. A Telwin egy hatalmas cég, a világ minden pontjára szállít hegesztőgépeket. Én nem hiszem, hogy ha nem működne, akkor mernék reklámozni. A mostani katalógusukban 3db gép van ami alkalmas generátoros táplálásra, de azokban is fojtótekercs van. Bár a legújabb belsejét még nem láttam. Kifejeztten generátorokhoz ajánlják őket, generátorokat viszont nem gyártanak.
Ha van rá lehetőséged mérd le a külméreteit a fojtónak, valamint ha látszik(tudom be van öntve) érdekel sziliciumlemezes vagy ferritmagos-e. Ha van képed róla estleg azt is csatolhatnád. Köszönöm.
Azért írtam , kérdeztem mivel aggregátorral együtt volt hirdetve -én nem nagyon értek a témához sőt inkább talán mondhatni "hüle" vagyok hozzá de nézd mindenki hitetlenkedve nézett , hogy ilyen egyszerű lenne a megoldás . Egyszer már volt téma itt a fórumon az inverteres hegesztő üzemeltetése aggregátorról de konkrétan dűlőre nem jutottunk (én azért csendben beraktam a maci alkatrész dobozába egy gyári PFC-s 12V-os tápot ami 100-240 V AC-ról működik gondolva a vezérlő meghajtásra csak jó lesz és ami nem nehezebb egy Puskás trafótól)
Én is láttam már inverteres gépben fojtót de nem volt a gyári adatlapon az aggregátoros üzemmód ajánlása . Aggregátorokban viszont már beépítik az invertert és ezért mertem kérdezni , hogy nem-e ilyen aggregátorról van szó (mellékelek egy képet a PFC-s tápról és az aggregátor inverteréről ) . Bocs ha hülyeségeket írtam .
Szerintem a fojtó csak kiegészítés, pont a tápáram felfutási meredekségének a korlátozására. A trükk a Viper körül keresendő. Ugyanis a Viper is kap jelet a PWM IC-től még pedig a DR+ jelzésű ponton. Mivel a segédfeszültség előállítása Viper-el történik, feltételezem hogy figyeli az optocsatolókat meghajtó jelet(a rajz erre utal)és ha a jel értéke kilép az ablakból,akkor megszünteti a segédfeszültség előállítását még előtte,mint ez bármilyen galibát okozna. Persze,ez csak feltevés. Ha ilyen gép a kezembe kerülne, kibogoznám, hogy is működik ez a rész.
csináltam két képet. telós kép, nem valami éles.
Sok gépben van ilyen Viper (általában ez szokott tönkremenni) de azok a gépek nem alkalmasak generátoros táplálásra. Valszeg akkor a fojtó és a Viper lehet együtt az okosság.
Üdv emberek!
E65 tekintetében kaptam választ a lomextől, gondoltam tájékoztató jelleggel feldobom ide a válaszukat: A ferrit mag minimálisan rendelhető mennyisége 36db, nettó egységára. 2,68Eur/db, szállítási idő a megrendeléstől számítva kb. 6 hónap. Sajnos nem tervezzük a vasmagok raktározását (érdeklődés hiányában.) Mindenesetre nem fogok 36 db-ot megrendelni tőlük.
És nem is akarsz fél évet várni rá....
Még nem biztos de lehet hogy nekem lesz mégegy eladó.
Sziasztok!
Segítségetek szeretném kérni.. Adott egy Weco Discovery 140 Névre hallgató inverteres masina.. Nos a vezérlésnek a kapcsitápja megadta magát.. Elszállt a kapcsoló FET ami IRFBE30 volt, ennek következtébe elvitte a Current sense smd ellenállást is aminek az értéke így nem leolvasható.. Ha esetleg tudja valaki ennek az ellenállás értékét, és megosztaná velem azért nagyon hálás lennék... Töltök fel 1-2 képet róla hátha az segít..
Ha az IRFBE 30 mögött levő SMD-ről van szó, az 1 ohmos.Ez az ellenállás az IRFBE 30 Source lábát és a testet köti össze.
Igen Róla van szó.. Nagyon szépen köszönöm!!!
Nincs véletlenül a Weco Discovery 140-röl egy kapcsolási rajzod?
Mert azt nagyon megköszönném. Üdv:. BeLac
Én is készítettem pár telefonos képet arról a fojtóról amit említettem - azon aránylag jól láthatók a menetek és talán a méret arányok is .
Ha lesz véletlenül egy eladó, akkor privátban írj rám!
Sziasztok!
Segítséget kérnék! Egy „Booster 170 REHM 5 - 170 A” típusú inverteres hegesztőgép rajzára lenne szükségem. Ha neked megvan kérlek küld el vagy írj. Üdv:. BeLac |
Bejelentkezés
Hirdetés |



















