Fórum témák

» Több friss téma
Fórum » Előerősítő
 
Témaindító: Bukall, idő: Feb 22, 2006
Témakörök:
Lapozás: OK   15 / 75
(#) kristikoma válasza tanci hozzászólására (») Aug 23, 2011 /
 
Szerintem nem kell oda a testpontnál levő 2db 100nF-os kondi, hanem elég a be és kimenetnél, de ha ez sem segít, megpróbálkoznék árnyékolt kábellel vezetni a HF feszültségeket.
(#) Gránátalma hozzászólása Aug 24, 2011 /
 
Üdv, készítettem sprinttel egy nyáktervet, ha valaki vetne rá egy pillantást, hogy nincs e benne hiba, megköszönném.

Ja és hova lenne érdemes tenni a potit?
(#) demcar hozzászólása Szept 7, 2011 /
 
Üdv, mindenkinek.

Nekem egy előerősitőre lenne szükségem, amin van egy poti amivel a hangot tudom szabályozni. Egy ST151- hez kellene, aminek teljes kivezérléshez 1V bementi jel kell. Nagyon sok kapcsolást átnéztem már nemnagyon tudtam egyedül megtalálni a megfelelő kapcsolást, ezért is irtam ide, hogy a jobban hozzáértő kollégák lehet hogy tudják hogy mi lenne az ideális.
A segitséget előre is köszönöm.
(#) Alkotó válasza demcar hozzászólására (») Szept 7, 2011 /
 
Ez egy nagyon jó előfok. Nem olcsó bele a két IC, de az eredmény megéri.
(#) demcar válasza Alkotó hozzászólására (») Szept 7, 2011 /
 
Tetszik a kapcsolásod!
Csak az a borsos ára az OPA-nak
Na de elgondolkodom rajta, és köszi a gyors segitséget.
(#) Alkotó válasza demcar hozzászólására (») Szept 8, 2011 /
 
Valóban, számos más típusú műveleti erősítővel is megpróbálhatód. Ha az én panelom alapján képzeled el, akkor abba mindenképpen duál tokozású erősítő kell, tehát ha TL, akkor 072 vagy 082 vagy esetleg 062.
(#) demcar válasza Alkotó hozzászólására (») Szept 8, 2011 /
 
Már megrendeltem az OPA-kat, úgyhogy azok lesznek benne.
(#) Alkotó válasza demcar hozzászólására (») Szept 8, 2011 /
 
Nem fogod megbánni. De általánosabb típusokkal is nagyon jó eredményeket lehet elérni
(#) demcar válasza Alkotó hozzászólására (») Szept 8, 2011 /
 
És még egy olyan kérdés hogy láttam hogy a tápba 7812kell a párjával és a gnd lábaihoz pedig 3V zener dióda amit nemtudok beszerezni :no:
Megépithető a kapcsolás a nélkül is sima átkötéssel?
(#) demcar válasza (Felhasználó 13571) hozzászólására (») Szept 8, 2011 /
 
Értem, És köszi a segitséget.
(#) Alkotó válasza demcar hozzászólására (») Szept 8, 2011 /
 
Ahogy Köbzoli mondja. Ez egy "általános" táprajz és hozzá panelterv, ezért van egy ilyen elvi lehetőség benne, amivel lehet a stabilizátor kockát "hangolni".
(#) demcar válasza Alkotó hozzászólására (») Szept 8, 2011 /
 
És még egy olyan kérés, hogy óriási szemétség lenne ha kérnék egy nyáktervet is az előerősitőhöz, mert ott csak a kapcsolás van és a beültetés. (lehet maga a lay formátum is) Előre is köszi.
(#) poros válasza Alkotó hozzászólására (») Szept 8, 2011 /
 
Szia! Szeretném a véleményedet kérni az itt ajánlott kapcsolást érdemes lenne megépítenem TDA7294 elé.
Ha ezt nem , kérlek mutass valamit amit érdemes lenne elé tenni. Előre is köszönöm válaszodat!
(#) Alkotó válasza poros hozzászólására (») Szept 8, 2011 /
 
Nem tudok egyértelműen válaszolni. Az előfok (gondolom az OPA2134-esről van szó), egy nagyon jó előfok, aminek rajzi beállítása talán 3,5 szeres erősítést eredményez.
A végfok elé akkor KELL előfok, ha a jelforrás nem ad elegendően nagy jelet a teljes kivezérléshez.
Nem kötelező, de érdemes akkor is előfokot alkalmazni, ha a hangerő szabályozást akarod korrektül megoldani. De ezt azért csak óvatosan tekintsük törvényszerűségnek, mert itt az egyetlen potiból eredő illesztetlenséget kell összemérni egy komplett előfokkal (ami két fokozat). Az utóbbinál nincs illesztési gond, de lehet zaj, torzítás, és minden egyéb, amit egy komplett elektronika hozhat magával. Manapság már a források kimeneti ellenállása nagyon kicsi, a végfokok bemeneti ellenállása meg 10kR feletti, tehát egy sima potis hangerőszabályzó sem jelent elviselhetetlen kockázatot.
Ha a forrásod kimeneti jele elegendően nagy, akkor szerintem nem indokolt egy ilyen drága előfokot használni. Egy 10-47kR nagyságrendű, logaritmikus potméter is megoldja a szintszabályozást.
(#) Alkotó válasza demcar hozzászólására (») Szept 8, 2011 /
 
**
Ha gyártáshoz alkalmas "kép" megfelel, mondjuk PDF formátumban (ezt javaslom), akkor abban tudok segíteni.
(#) demcar válasza Alkotó hozzászólására (») Szept 9, 2011 /
 
Igen az nagyon jó lenne, lehet úgy is.
(#) poros válasza Alkotó hozzászólására (») Szept 9, 2011 /
 
Köszönöm válaszodat!
(#) demcar válasza Alkotó hozzászólására (») Szept 13, 2011 /
 
Szia bocs hogy irok neked, de szükségem lenne a nyáktervre ha nem gond. Mert nemnagyon tudom ilyen profin megtervezni mint te.
(#) szamóca hozzászólása Okt 2, 2011 /
 
Használt már valaki LM4562NA ME-t?
Adatai, ill. leírása alapján nagyon komoly kis ME.
(#) reloop hozzászólása Okt 5, 2011 / 2
 
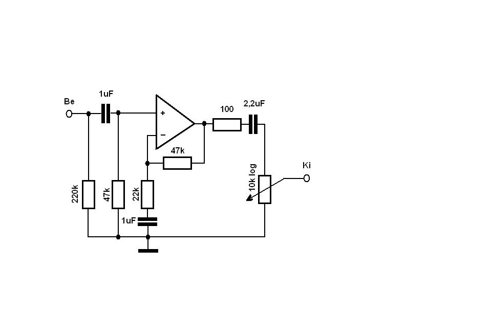
Sziasztok! Sokan szeretnék a meglévő végerősítőjük érzékenységét növelni. Ezennel közreadom a nálam bevált kapcsolás dokumentációját. Műveleti erősítőnek NE5532 -t ajánlok. Az előerősítőt 2x9VAC trafóról, 2200µF szűréssel táplálom.
(#) Alkotó válasza reloop hozzászólására (») Okt 5, 2011 /
 
Ha bevált akkor tilos hozzányúlni.
De ennek mégis van annyi előnye, hogy két fokozatból áll, így a kimeneti impedancia nem függ a poti állásától, úgy mint nálad.
Eredetileg a rajzot az "Elliott Sound Products" jegyzi, ami azonos Rod Eliottal -ha jól tudom-, tehát jó kezekben van a dolog. Sőt én már olcsó IC-vel is kipróbáltam, amivel szintén nagyon jó volt.
(#) reloop válasza Alkotó hozzászólására (») Okt 5, 2011 / 1
 
Üdv! Próbáltam egyszerűségre törekedni. Elliott a balansz miatt alkalmaz két fokozatot.
Amit fontosnak tartok: a bemeneti csatoló kondenzátor 220k (lehetne akár nagyobb is) kisütő ellenállása. Ez a kondi egy szabadon hagyott végű kábelről (jack,RCA) ellenőrizhetetlen potenciálra töltődhet, és tönkre mehet az IC a kábel csatlakoztatásakor.
Eleve híve vagyok az egységnyi DC erősítésnek, mindemellett a visszacsatolás kondenzátora részt vesz a felüláteresztő szűrésben.
A potméter és az IC kimenet közül nem szívesen spórolom ki a csatoló kondenzátort. Az IC kimenetén Elliottnál nem kizárt némi egyenfeszültség megjelenése (offset hiba), ilyenkor a legkisebb csúszka hiba is dübörgéssé válhat a hangsugárzókon.
(#) szamóca válasza Alkotó hozzászólására (») Okt 5, 2011 /
 
A nem invertáló kapcsolásnál mint bemeneti, mint a kimeneti buffernél, miért használ ellenállást? Mi értelme?
A kimenetet miért ilyen magas ellenállással zárja le?
(#) reloop válasza szamóca hozzászólására (») Okt 6, 2011 /
 
Itt a forrás munka: Bővebben: Link
(#) szamóca hozzászólása Okt 27, 2011 /
 
Én csináltam egy egyszerűt.
(#) reloop válasza szamóca hozzászólására (») Okt 27, 2011 /
 
Gyönyörű! A rajza publikus?
(#) szamóca válasza reloop hozzászólására (») Okt 27, 2011 /
 
Köszi. Nem rajzoltam, kapásból a NYÁK-ot terveztem, mert annyira egyszerű. Van egy 2u2 stiroflex DC csatoló, majd egy 1k8 820p aluláteresztő tag, egy 68k bemeneti illesztés nem invertáló ME kapcsolás kétszeres fesz erősítéssel spec. kis zajú LM4562-vel, egy 10k poti majd egy jelkövető nem invertáló tag 1k soros ellenállással, és az ME-k 100nF-os tápszűrői.
(#) reloop válasza szamóca hozzászólására (») Okt 28, 2011 /
 
Köszönöm. A poti utáni erősítőt nem tudtam kivenni a nyákon átsejlő rajzolatból. Így tiszta. Az IC-vel látatlanba is meg vagyok elégedve
(#) ricsippi hozzászólása Nov 19, 2011 /
 
Sziasztok!

Egy kis segítség kellene!

TDA-2030-as végerősítőhöz találtam előerősítőt!
Az előerősítőt számítógép hangkártyához szeretném kötni majd utána a végerősítőt!

Viszont az előerősítő bemeneti feszültsége 2-20mV-ig terjed!
A hangkártya által kiadott fesz. viszont változó,de így is kevés!0.49V........0.1V-ig terjed!

Szerintetek alkalmas előerősítőnek?Vagy tudnátok TDA-2030-hoz előerősítőt ajánlani?

Válaszotokat előre is köszönöm!
Üdvözlettel:Ricsippi
(#) szamóca válasza ricsippi hozzászólására (») Nov 19, 2011 /
 
Valamit félreértelmezel. Az előerősítő egy jelszint, és-vagy impedancia, esetenként frekvenciakorrekciót, szabályzókat is alkalmazó fokozat, a végerősítők előtt.
Az ámítógép hangkártyája un nagy jelszintű, alacsony kimeneti impedanciával rendelkezik, (akár 2V) mely szint alkalmas még az érzéketlen végerősítő egységek kivezérlésére is. Magyarán nincs szükség előerősítésre.
Következő: »»   15 / 75
Bejelentkezés

Belépés

Hirdetés
XDT.hu
Az oldalon sütiket használunk a helyes működéshez. Bővebb információt az adatvédelmi szabályzatban olvashatsz. Megértettem