Fórum témák

» Több friss téma
Fórum » Csöves erősítő készítése
 
Témaindító: seedz, idő: Márc 31, 2006
Témakörök:
Ne feledd betartani a fórum viselkedési szabályait, és a topik megmaradásának feltételeit. [link]
A téma átmenetileg fagyasztva lett, hozzászólni nem tudsz!
Lapozás: OK   1510 / 2208
(#) mofesa válasza pucuka hozzászólására (») Márc 3, 2013
Igen,először izzás is volt,aztán maradt egy leheletnyi kék fény,majd az is eltűnt.Azért kellett "játszani" vele,mert az 1000µF -os katódkondenzátor és a 30mA hatására iszonyatosan torzított.Más részt meg be akartam határolni az értékek közötti mozgásteret.
(#) pucuka válasza mofesa hozzászólására (») Márc 3, 2013
Könnyen lehet, ha felizzik az anód működik a getter, elnyeli a gázokat. azért van benne.
(#) mofesa válasza pucuka hozzászólására (») Márc 3, 2013
Csak,mint jelenséget említettem.Szerencsére nincs már benne,és szépen is szól.
(#) havranarpi hozzászólása Márc 3, 2013
Sziasztok!
Az lenne a kérdésem ,hogy ennek a Gu50 Se-nek az esetében megfelelő lenne-e ez a táp megoldás?290V ~
Illetve a negatív előfesszel az lenne a kérdésem ,hogy hogyan állítják elő ,
Hiszen egy diódahídnak pozitív és negatív kivezetései vannak.Akkor .hogyan lesz negatív a fesz?
(#) tyraw válasza havranarpi hozzászólására (») Márc 4, 2013
A kapcs rajzban nekem úgy tűnik, hogy a GU50 re eső jel egy részét ugye egy potin meg egy ellenálláson keresztül földeled, de a -40V is egy ellenálláson, és egy potin fog menni a jelre, tehát a poti tekergetésével az üresjárati előfesz vezérlőrácsra eső része is változni fog, gondolom nem erre szántad. Azzal hogy van egy trafó szekundered, a transzformált váltófesz egyenirányitod, és van egy fesz. adatod, az csak potenciálkülönbség. A földet tekintjük 0-nak, tehát ha az egyiket lekötöd a 0-ra, attól még a másik ugyanúgy fog az előzőhöz viszonyulni, tehát ha a pozitivat kötöd a földre, akkor a negativ ágon a földhöz képest negativabb potenciált hoztál létre.
(#) bakos13gab válasza havranarpi hozzászólására (») Márc 4, 2013
Nem kizárt, hogy működni fog (biztos működni fog). De majdnem biztos, hogy nem lesz kielégítő a 47µF egy ilyen SE erősítőben. 470µF már inkább. PP-hez jó lenne, de az SE sokkal kényesebb a tápra. Egy fojtó jobb lenne, azzal már biztos kielégítő lenne a brumm helyzet.
(#) bakos13gab válasza havranarpi hozzászólására (») Márc 4, 2013
A negatív fesz meg úgy lesz, hogy azon a tápágon a + ágat nevezed ki gnd-nek, összekötöd ezen táp - pontjával és a cső rácsához a negatív ágat viszed. Ennyi. Sorbakötöd a graetzeket, polaritás helyesen. "középről" leveszed a GND-t és ehhez képest máris megvan a nagy fesz + és a kisebb -. Tessék elővarázsolni erősítőrajzokat és áttanulmányozni.
(#) skylooker válasza bta hozzászólására (») Márc 4, 2013
Igen, régen ezt hívták D osztálynak, csak aki kitalálta az impulzusüzemű fetes végeket, az nem tudta...
(#) fater0827 hozzászólása Márc 6, 2013
Üdv. Mindenkinek
A negatív rácsfeszültség előállítása , lehetősége régi rádió rajz segítség !
Ha kész készülék van gond , de újnál max katód ellenállást kell talán módosítani .

Gerjesztett hangszóró , gerjesztő tekercse mint fojtótekercs úgy szerepel , régebben láttam (olyan 1 K Ohm ellenállást képvisel ) .
Üdv .
(#) bakos13gab válasza fater0827 hozzászólására (») Márc 6, 2013
Én ezt a régi rádiós megoldást nem tartom szerencsésnek. Legalább is mai konstrukciók esetén.
Akkoriban biztos nagy technikai bravúr volt, lévén a kis feszt nehezen tudták volna egyenirányítani/megoldani elektroncsövekkel. Ha jól rémlik ezt hívják félautomata előfeszültségnek, amikor az össezs csőnek van egy közös katódellenállása (lényegében a rádió kapcsolásának testpontját emeleték el a táp negatív pontjától a kellő mértékben). Ennél szerintem üzembiztosabb egyéni katódellenállás használata vagy külön tekercses megoldás. Ma már nem tétel egy 1N400X-ekből kialakított graetz vagy más ilyen megoldás.
(#) lorant hozzászólása Márc 6, 2013
Sziasztok. Végre megjött a toroid szerintem szép
35öV-1A
60V-0,5A
2x6,3-6A
3,15-0-3,15-4A
Remélem, hogy jó is lesz
(#) mc-4 válasza lorant hozzászólására (») Márc 6, 2013
Jól néz ki! Mit kértek érte?
(#) Orbán József válasza mc-4 hozzászólására (») Márc 6, 2013
Szia! Méretre készült, vagy ...? Nagyon guszta.
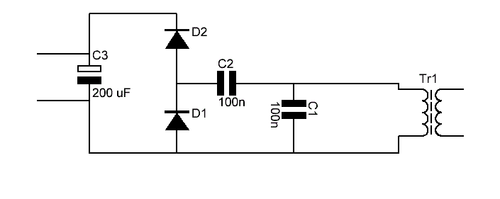
(#) havranarpi hozzászólása Márc 6, 2013
Ez alkalmazható lenne SE erősítő anódtápként?
illetve az lenne a kérdésem ,hogy a GU50 SE kb mekkora teljesítményt ad le?

SE tap.GIF
    
(#) lorant válasza Orbán József hozzászólására (») Márc 7, 2013
65euró volt és igen méretre adtak hozzá még olyan rögzitő valamit isa tetelyére illetve termisztor NTC t (ugy néz ki minta kerámia kondi nemtudom mire lesz ) meg tettek bele hővédelmi biztositékot. a primér és a szekunder szigetelve van egymástól és a közepe pedig bevan öntve valamivel.. Nemtudja vlaki mire van aza termistor NTC ?
(#) mark.budai válasza lorant hozzászólására (») Márc 7, 2013
A primerrel sorba kötheted. Az NTC, amíg hideg, nagyobb az ellenállása, de ahogy a rajt folyó áram melegíti, egyre kisebb lesz. Tulajdonképpen egy lágyindítóként használhatod így.
A hozzászólás módosítva: Márc 7, 2013
(#) mc-4 válasza Orbán József hozzászólására (») Márc 7, 2013
Nagyon guszta! Ha másra nem úgy felraknám a polcocskámra.
(#) Orbán József válasza mark.budai hozzászólására (») Márc 7, 2013
Ez egyáltalán nem biztos! Ha csak érzékelőnek van berakva, akkor azt a változó ellenállást egy komparátor áramkörrel össze kell hozni... Típusból nem készültem, de ha a mérete nem túl vaskos, akkor csak érzékelő, villanymotorokba is raknak ujabban, és a frekiváltóban van erre felkészített áramköri elem, hogy feldolgozza...
(#) justice válasza havranarpi hozzászólására (») Márc 7, 2013
Szia !

Ahogy olvasgatom a fórumot, látom sokan kezdenek bele GU-50SE épitésébe.
Amennyiben nem ütközik semmilyen szabályba, mellékelek egy dokut, ami szerintem
érdemes arra hogy elolvassa, akit érdekel.
A doksit egy barátom irta, az Ő engedélyével teszem közzé.
Ha sértené a HE valamilyen szabályát, kérném a moderátorokat hogy értesitsenek, illetve töröljék a dokut.Köszönöm.
(#) Orbán József válasza havranarpi hozzászólására (») Márc 7, 2013
Áramra elégtelen, a feszültség kétszerező ilyen célra - anódtáp Hi-Fi-be - "egészségtelen".
Az ilyen kapcsolásokat és kicsi szűrést rácselőfesznek szoktak fabrikálni, ahogy láttam.
(#) pucuka válasza Orbán József hozzászólására (») Márc 7, 2013
Teljességgel igazad van. A feszültség kétszerezőnek általában nagy a belső ellenállása, ezért kevéssé terhelhető. Előfeszültségre jó, de komolyabb anódáramra már nem.
(#) Szpisti hozzászólása Márc 7, 2013
Sziasztok!
Jön a jóidő, körülnéztem picit a garázsban, és találtam egy izmos EI trafót.
130x85-ös, és a pakettvastagsága 82mm (!). Igaz nem az a papírvékony lemez az anyaga.
Korábban játszogattam a gondolattal, hogy kellene egy GU50PP-t készíteni.
Szerintetek ha kétfelé veszem ennek a trafónak a pakettjét, a két 40-esbő lehetne
megfelelő kimenőt barkácsolni ?
Meg találtam 0,26-os zománchuzalt is vagy másfél kilót - ebből a primer megoldható lenne?
Tudom van sokfelé méretezés hozzá, de gondoltam a tapasztaltabbak egyből rá- vagy lebeszélnek
Szóba jöhet GU50SE is, sok szimpatikus kapcsolást begyűjtöttem ilyenből is - de az a hír járja hogy a PP-nek jobb hangja van.
Itt porosodnak a 6N8C-k meg a GU-k, foglalatok - valamit kezdeni kéne velük végre.
(#) Orbán József válasza viktorio333 hozzászólására (») Márc 7, 2013
Jó...
(#) viktorio333 válasza Orbán József hozzászólására (») Márc 7, 2013
Köszönöm akkor már megérte
(#) viktorio333 hozzászólása Márc 8, 2013
Bővebben: Link
A hozzászólás módosítva: Márc 8, 2013
(#) Orbán József válasza viktorio333 hozzászólására (») Márc 8, 2013
Azt a főállású hangmágus...
(#) viktorio333 válasza Orbán József hozzászólására (») Márc 8, 2013
Még külsöre csunyácska de a hangja már mesél Nincs jobb a régi tesla hangszóróknál.
(#) mofesa válasza viktorio333 hozzászólására (») Márc 8, 2013
Nem azért,hogy kötözködjek,távol áll tőlem,de ez nem egy gitárerősítő?Úgy lenne ildomos,hogy legyen egy olyan videó is,ami az igazi hangját mutatja meg,amennyire lehet,mondjuk gitárral.Olyat nem tudsz készíteni?
(#) Szpisti válasza viktorio333 hozzászólására (») Márc 8, 2013
Én látok ott valami SAL-t is
De végre valaki aki nem dubcidubcit nyomat a csövesén!
Következő: »»   1510 / 2208
Bejelentkezés

Belépés

Hirdetés
XDT.hu
Az oldalon sütiket használunk a helyes működéshez. Bővebb információt az adatvédelmi szabályzatban olvashatsz. Megértettem