Fórum témák
» Több friss téma |
Mielőtt kérdezel, a következő két dolgot ellenőrizd!
I. A helyes tápfeszültségek megléte.
II. A kimeneten van-e egyenfeszültség.
Élesztés.
Üdv!
Idézet: Igen van! Nézz utána mi a megnevezése annak a tranzisztor tokozásnak amilyet keresel, és úgy tedd fel a kérdést! „Valakinek valami ötlete?”
Sziasztok,
Tudnátok ajánlani 25-30V DC (egyenirányított, szűrt) nem szimmetrikus tápfeszültségről működni képes B vagy D osztályú végfokozatot (pl hidalt ) ? Az IC-s nem akadály, ha netán jó minőségű hangot tudna az kifejezetten előny lenne ![]() Kösz. A hozzászólás módosítva: Márc 16, 2014
Szia! Itt egy IC-s.
Bocsánat, egy fontos dolog kimaradt, nem szívesen tennék bele kicsatoló kondenzátort a kimenetre
.
Köszönöm a tippet! Esetleg LM1875-tel próbáltad már ugyanezt a kapcsolást?
Még nem, megnézem gyorsan a Lottószámokat hátha...
Szia! Egy sub erősítőt készítek, és egy sub váltó táp ellátásán gondolkodtam, érdekelne Te hogy oldanád meg? Legszivesebben az erősítő tápjáról venném le a feszültséget 78-7915-el, de a stabilizátorok nem birják a +-50V-ot... vagy előtét plusz zenner lenne a jobb? De ahhoz is kéne tudni az áramfelvételt, mert annélkül nem tudom mekkora előtét kell elé, még van a külön trafó, de az nagy pazarlás lenne. Szerinted hogy oldjam meg? Sajna még nincs megépítve az áramkör mert még csak most rendelném az alkatrészeket hozzá. A stand-by rész nincs megépítve.
Szia! Egy tranzisztor segítségével könnyebb elvezetni a veszteségként keletkező hőt. Bővebben: Link
Épp azért írtam h 100W-ra gondoltam , mert nem nagyon tudom a gomba tranyók tokozását stb. Azért kértem volna egy tervet.
Hali!
De mégis milyen végekkel szeretnéd?NPN+PNP-vagy NPN-NPN polaritásúakkal.?
Vagy esetleg ha le írnád a kiszemelt tranzisztorok típusát,akkor jobban tudnánk segíteni.
Ha már egyszer "gomba tranyók"-ra gondoltál, akkor csak tudod a tokozását nem?
TO-3,gondolom én ez lehet a gomba.Pl.:itt is van egy,de azért ennek a megépítéséhez azért több tudás kell,mint a félvezetők beazonosítása. A hozzászólás módosítva: Márc 17, 2014
Ez Óriási ez....
vagy úgy is mondhatnám,hogy gyilkos gomba jó,amúgy meg a tülöknek kéne a bázisnak lennie nem? A hozzászólás módosítva: Márc 17, 2014
Ehhez meg itt kapsz csak alkatrészt ...
Szia! A viccet félretéve, ha ezt a hobbit választod illene idáig önállóan eljutni.
Na jó,ennyire ne menjünk el,de az a kapcsolás még így nem igazán üzemszerű.Inkább ezt ajánlom boris92-nek.
És ez így már működőképes,minden tekintetben. A hozzászólás módosítva: Márc 17, 2014
Inkább segítsünk a kezdőknek.
Viszont abban igazat adok reloop kollégának,hogy ténleg jó lenne bizonyos ismeretekkel tisztába lenni.
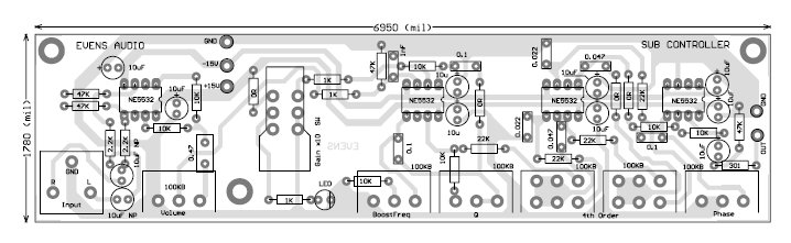
Már csak egy rajz hiányzik hozzá, el is készítettem üstöllést
Elnézést hogy közbe kérdezek de az 1µF os bemeneti kondi és a 22K ellenállás között miért van 3db forszem?
Azt a híd-kapcsolás bemenetének szántam. Köszönöm az észrevételt, máris jelölöm a rajzon.
A hozzászólás módosítva: Márc 17, 2014
Sziasztok!
Valaki nem tudna egy kicsit segíteni,vagy valami ötlet esetleg az RX-497-el kapcsolatban? Köszönöm
Ha a kimenetre mérsz rá akkor persze,hogy nem mérsz semmit mivelhogy letilt.Valószínű egyen van a kimeneten...,ha nem nyomta ki a tápági biztiket akkor mérj közvetlenül a kimeneten,végtranyón,fet-en,STK-n,IC-n vagy nem tudom mi van benne. Ellenőrizd a feszeket,félvezetőket,passzív elemeket stb.,...szóval ez nem olyan egyszerű,hogy valaki megmondja látatlanban mi is lehet a baja.Lehet,hogy csak a relé rossz...,tehát át kell nézni mindent a legnagyobbtól a legkisebbig.
Értem köszönöm,egyébként úgy mértem ,hogy a tiltás már ki volt kapcsolva.
Akkor átnézek mindent megint.
Hi.
Van egy stk 4101-ii ic-m ebből szeretnék egy sztereo erősítőt építeni. Le tudnátok írni, hohy hogyan csináljam? elég kezdő vagyok!
Az "erősítő mindig és mindig" témában kellett volna ezt megkérdezned, kár ezért új témát nyitni... a moderátorok örömére. Először keresni kell egy kapcsolási rajzot, utána beszerezni az alkatrészeket de mindenekelőtt ha bontott az STK akkor ajánlott leellenőrizni, hogy egyáltalán jó e.
Sziasztok erősítő mágusok!
Lenne egy gyors kérdésem, remélem nem kerekedik vita belőle. Melyik fajta kondenzátor a legmegfelelőbb be-, kicsatolónak? Úgy rémlik, hogy a fólia, de poliészter, vagy polipropilén? Köszönöm! |
Bejelentkezés
Hirdetés |







vagy úgy is mondhatnám,hogy gyilkos gomba jó,amúgy meg a tülöknek kéne a bázisnak lennie nem? 






