Fórum témák
» Több friss téma |
Fórum » Tina
Sziasztok!
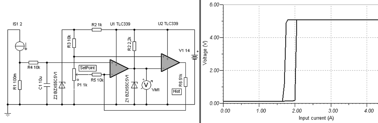
Bővebben: Link ezt a kapcsolást szeretném kicsit átalakítani, mert egy másik szimulátor programmal szeretném szimuláltatni (EveryCircuit). Csak ideális műveleti erősítő van, de be tudom állítani a min. és max. feszültségeket. Tehát beállítottam min. re 0V-ot, max-ra pedig 12V-ot. A műveleti erősítő áramát korlátoznom kellene, csak nem tudom pontosan, hogy mekkora ellenállással (ideálisnál végtelen áram is tud folyni). Most 50ohm van bent, ezzel már le tudja húzni a 2k2-t 540mV alá, és az 5V is stimmel nagyjából, 5.14V mérhető. Ha a hiszterézis opamp bekapcsol, akkor 12V lesz a kimenetén, az R6 51k-t túl kicsinek találom. A bal oldali. műv. erősítő invertáló lábán, ha a poti közép állásban van, 2.27v és 187mV-ot tudok mérni. Viszont az eredeti képen a jobb oldali szimuláció szerint a visszacsatolás megfelelően működik, nálam viszont nem. Hol kellene még realizálnom az ideális műv. erősítőt? Esetleg a felfutó él túl gyors? Ezt tudom még állítani, ha kell. Köszi! A hozzászólás módosítva: Máj 15, 2014
Hello! Nem vetteted figyelembe, hogy a komparátornak nyitott-kollektoros kimenete van, míg az OPA-nak nem!
Nagyon örülök! Két diódával tökéletes a kapcsolás. Furfangos a megoldás is!
Kár, hogy komparátort nem tudok berakni, nincs az alkatrészek között.Köszönöm! A hozzászólás módosítva: Máj 15, 2014
Azért az a tökéletestől messze van, mert a referencia kicsi, a dióda nyitófeszültsége aahoz képest nagy. Ha diódát használnál, akkor pld. a referenciát 0..5V-ig kell állítani, majd utána leosztani a kis értékre. Ennek a megoldásnak az a lényege, hogy a hiszterézis állítása nem befolyásolja a kapcsolási pont beállítását. (De nyitott kollektorral is precízebb, mert kb. 20mV-ra tud lemenni. De mindennek van következménye, előnye-hátránya..
Köszönöm a tippet!
A diódánál beállítottam, hogy ne essen rajta a 0.7V. Nagyon tetszik az ötlet, mert egyszerű.
sziasztok!
az lenne a kérdésem hogy TINA 8.0-ban hogyan lehet létrehozni egyéni alkatrészeket PCB (layout) tervezőben? mert pl van egy csomó kondi ami nekem túl nagy (magasság, szélesség stb) és összébb kéne rakni a lábakat de sehogy sem tudom megoldani. videót nem találtam érdemlegeset azért írtam ide. lényegében annyi kéne hogy alkatrész hogyan lehet átszerkeszteni? aki tud segíteni az írjon. köszii
Helló !
Ha például egy szűrőt tervezek a TINÁ-ban, akkor az "Analysis-AC Analysis-AC Transfer Characteristic" -el kell lemodellezni ? Próbáltam, de teljesen más diagramot rajzolt, mint amilyen eredmények netes számolóknál jöttek ki. Mit ronthattam el ?
Szia! Hogyan értelmezted a diagramot? Nem azzal van a gond? Tégy rá célkeresztet, és adj meg Y-nak -6,02dB-t!
Kösz, de szerintem nem.
Pl. egy sávszűrő, nálam a diagramon a TINÁ-ban tök egyenes. A másik méretező program szerint meg "sávot szűr". Feladom. Majd mérek impedanciát hangkártyával, vagy ilyesmi. Kösz a segítséget !
Nézzük meg annak a sávszűrőnek a képernyőmentését!
Azt megkérdezném hogy impedanciában mekkora változás kell hogy a hangerőt fele annyira hangosnak halljuk ?
Ugye dB -ben 3 -al csökken, de az mekkora impedanciacsökkenés ?
A fele annyira hangos érzékelése elég szubjektív az arány 1:4 és 1:10 közé esik. Ha az 1:4-et vesszük és a feszültséget konstansnak, akkor négyszeres impedancián érjük el. Tehát azonos érzékenységű hangsugárzókat figyelembe véve a 16 ohm-ot mondhatjuk felel olyan hangosnak mint a 4 ohm-osat. Mondjuk ez csudára nem Tina kérdés.
szia Olvasom hogy a Tinával dolgoztok. Nekem sikerült letölteni a 9.5 verziót angol nyelven **********
Sokkal jobban működik mint a 8-as a FotoPrint-et minden esetben beteszi az alkatrész mellé és szinte mindig jó is tudom javasolni mindenkinek Tilos a warezolás és/vagy arra buzdítás. A hozzászólás módosítva: Aug 6, 2014
Sziasztok !
A Tina-ban lehet beírni új alkatrészt (tranzisztor) és elmenteni hogy legközelebb is meglegyen ? Nem találtam sajnos ilyen opciót.
Sziasztok!
Tud valaki valamilyen bevált Tina alternatív programot Mac OSX-re? Csak olyan érdekel ami legalább a 74-es TTL és a 40-es CMOS sorozatot ismeri. Köszi!
Kicsiben Paul Falstad Circuit programja. Java alapú és minden platformin megy. Igaz, hogy kapuszinten vannak benne a dolgok TTL IC-k, de kisebb tesztekhez bőségesen elegendő. Érdemes átböngészni a demo fájlokat. Néha meghökkentő a tudása - jó értelemben véve.
Sziasztok!
Egy olyan áramkört szeretnék leszimulálni amiben van 2db referencia feszültség, TL 431. Ezt hogyan tudnám megoldani? Nem találtam benne ilyen alkatrészt.
Hello! Nekem Tina-9-es van,de abban van TL431-es.Spice macros-voltage regulators mappában található. Üdv.
Köszi a választ. Megtaláltam
![]() A Regulators-ok között eszembe se jutott megnézni, csak a References-ben néztem.
Akkor jó munkát!
Sziasztok!
Igazából egy másik témából jövök át ide, és ezelőtt nem használtam még ezt a programot.. Tina 7.0 van a gépen, ehhez találtam manualt is, ilyen nagyon alap dolgokat (pl. RLC-kör analízise) már megértettem ennek alapján, viszont az eredeti feladatom kicsit összetettebb.. Adott egy HF szinuszoszcillátor kapcsolás, eredeti formájában 300 Hz, 1 kHz, 3 kHz frekvenciákra. Nos, nekem pedig 1 és 10 kHz-es szinuszjelekre lenne szükségem, ám nem sikerült rájönnöm, hogyan adódnak a megfelelő elemértékek. Ezek után javasolták a szimulációt. Odáig oké is, hogy beviszem a rajzot, és a spektrum-analizátort is megtaláltam, de annak a működésével elakadtam.. Beállítottam azokat, amire rájöttem, mit csinál, viszont így elindítva nem ad ki semmilyen diagramot, csak a homokóra villog ki-be az egérmutató mellett.. Előre is köszönöm az ötleteket, hogy mit kéne módosítanom az összeállításon!
Válasz erre a hozzászólásra.
Szia! A T2 drain és source el van cserélve. Ezt az alkatrészt felhelyezés után két forgatással és egy tükrözéssel tudod megfelelő pozícióba állítani. A kimenet nem jó helyre csatlakozik - a táp közös pontjára. A kimenetre 4-8 ohm ellenállást, vagy ilyen értékre állított hangszóró szimbólumot szoktam tenni. A táp közös pontját testelni kell! Az egészben az a szomorú, hogy a szimulátor nem látja a műveleti-erősítő terhelés hatására bekövetkező tápáramváltozását, tehát ezt a kapcsolást nem lehet Tinával modellezni, legalábbis nekem eddig nem sikerült
Sajnos, a Multisim-nek is ilyen baja van. De nem minden opampnál, van amelyiknél működik a tápáram dolog.
Most éppen itt tartok.
Most már megjelenik a kimeneten a kb 23x erősítés.
Ahonnan én nézem, a kimenet keményen fekszik a negatív tápon.
Rajzilag már helyes, de nincs jel a kimeneten. Az előbb már utaltam az okára.
Tehát hiába szenvedek ezzel, nem tudom majd modellezni.
|
Bejelentkezés
Hirdetés |














