Fórum témák
» Több friss téma |
Sziasztok!
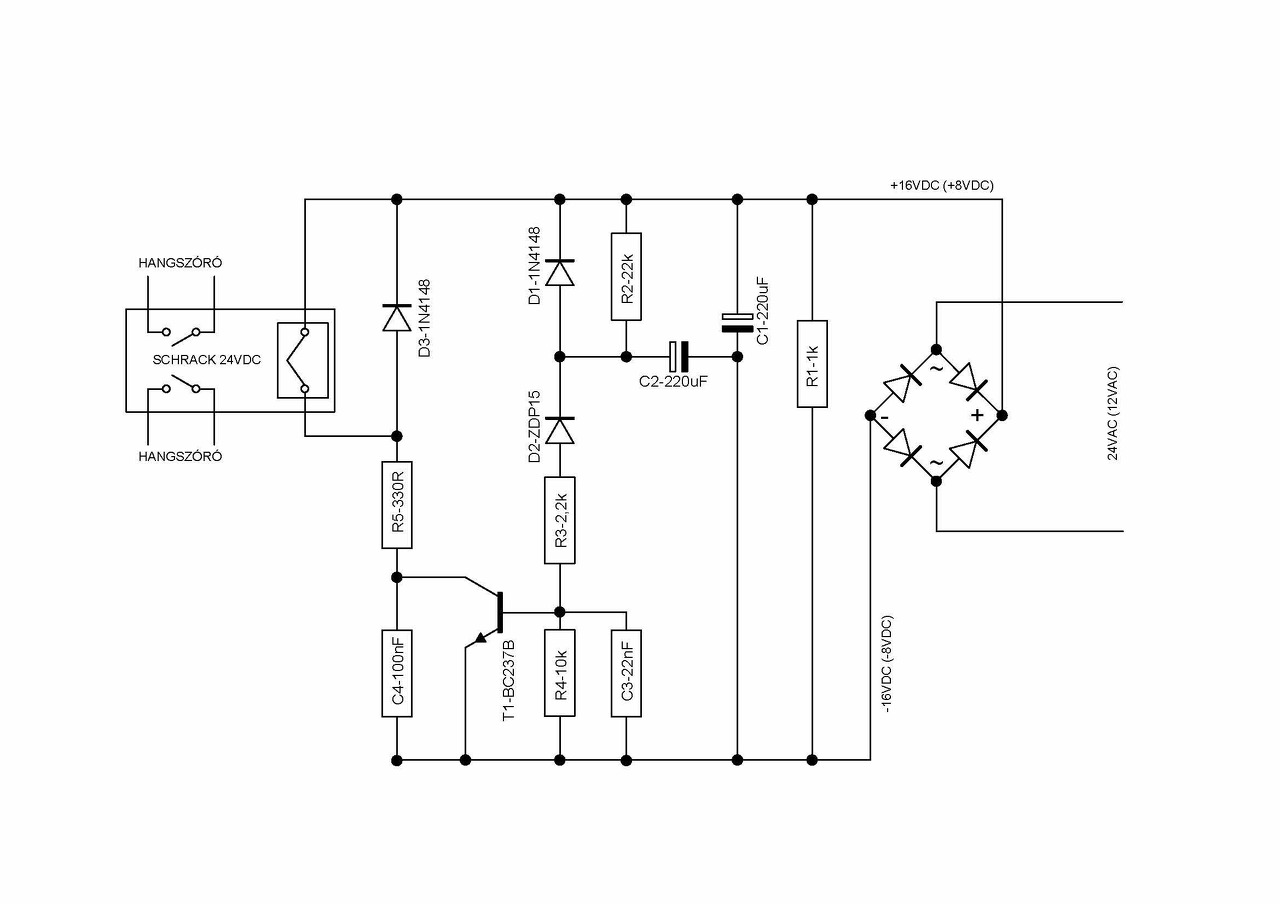
Van egy jól működő hangszóróvédő a meglevő (QUAD405) erősítőmben. Új erősítőt építek, amiben ugyanezt szeretném használni. Megpróbáltam rekonstruálni a kapcsolást a nyák alapján (mellékeltem). 24VAC-ről működik a régiben, az új trafómon a 4*36V mellett, azonban csak 12VAC kimenet van (zárójelben a rajzon). Tudnátok segíteni, hogyan alakítsam a kapcsolást, hogy 12V-al is működjön? Előre is köszönöm! A hozzászólás módosítva: Márc 24, 2015
Esetleg Reloop védelme nem jöhet szóba, ami eleve 12V-ra van kitalálva (és még DC-t is figyel, ami elég fontos lenne).
Szia! Ez csak egy koppanásgátló, a kimenetre jutó egyenfeszültségtől nem védi a hangszórót. Megér némi áldozatot még a legolcsóbb hangsugárzó védelme is.
A témáját keresd fel!
Szia!
D2 helyére ZPD7V5, R1 helyére 560 Ohm R2 helyére 10k...15k (nem muszáj változtatni de akkor a késleltetés nő bekapcsoláskor), 12V tekercsű relé, R5 értéke relé függő, ki kell kísérletezni, hogy a relére 12V körül jusson. Viszont, ezt az áramkört nem nevezném hangszóróvédelemnek, mert ez csak egy koppanásgátló. A végfok hiba miatt a kimeneten megjelenő DC feszültség ellen nem véd, ami sokkal nagyobb veszedelmet jelent a hangszórók számára mint a be-ki kapcsoláskori tranziens. Javaslom egy összetett védelem alkalmazását pl.: Bővebben: Link, Bővebben: Link. A hozzászólás módosítva: Márc 24, 2015
Sziasztok!
Köszönöm mindenkinek. Igen, ez csak koppanásgátló, igaz. Igazatok van, megéri a védelem. Előszörre, egy igazán egyszerű áramkör megépítését terveztem megcsinálni. Skori védelmét néztem ki ezután megépíteni, bár ott kérdés, hogy duál mono elrendezés esetén, az egyik oldali tápról leszedett 48V okoz-e valami gondot/eltérést. Jobb gondolatnak tűnik - hamár 12V rendelkezésemre áll -, reloop védelmét megépítenem. Köszönöm az ötleteket (azért kísérletképpen megpróbálkozom lukacsp változtatási javaslataival ).
Szia! Gondoltam, hamár belekezdtem és voltál olyan kedves leírni a változtatásokat, meg is építem a koppanásgátlót, az összetettebb áramköröket majd utána próbálom összerakni.
Most kinyit a tranzisztor, esik is 15,8V a relére, de csak félig húz be. 12V-os a relé. Közvetlenül a 15,9VDC re kötve a diódahídnál, még behúzza. Mi lehet a gond? Az R5-ön szinte semmi feszültség nem esik...
Szia! Az érintkezések körül lesz valami gond, mert a mérések ellentmondásosak. Egy 12V-os relé 10Vdc-től vígan behúz. Mérd újra R5-öt testhez képest! A tranzisztor felőli végén pár tized volt szaturációs feszültség várható, másikon a tekercs-ellenállás és R5 által osztott feszültség.
Szia! Hihetetlen, hogy mindig pontosan ráérzel a problémára! A relé volt bénán beforrasztva. Kevés, csak 6,85V esett rajta, Így R5-öt módosítottam 75V-ra. Köszönöm, most tökéletes.
Ha bármi adódik, legközelebb átviszem a "hangszóróvédelem" témába a gondjaimat.
A QUAD 405 INDUKTIVITÁS NÉLKÜL IS MŰKÖDIK?
Működik úgy-ahogy , de miért kiabálsz?
Bekapcsolva maradt a caps lock és akkor vettem észre amikor el küldtem a be jegyzést.
Küldés után pár percig lehet még javítani a módosítás gombbal.
Amúgy miért merült fel az előbbi kérdés?
Mert vettem egy építő kitett amiben nem voltak benn az induktivitások de feljebb meg találtam hogyan lehet csinálni.Bővebben: Link
Nekem át van itatva valamivel a tekercs, tehát merev az egész, bajt okoz ? Most olvastam a kép alján, hogy tilos.
A hozzászólás módosítva: Ápr 3, 2015
Itt nem okoz bajt, mert eleve nagy az elvárt tűrés (6,9 uH +-20 %, 3 uH +- 5 %).
A lakkok megváltoztatják a tekercs körüli "tér" permeabilitását, ezért a tényleges induktivitás megváltozik. Viszont ha a tekercs "mozogni tud", akkor a geometriájának megváltozása is értékváltozást idéz elő, ezért esélyes lehet, hogy a lakkozás rögzítő képessége több előnyt jelent, mint az okozott értékváltozás.
Sziasztok!
Van még ezer évvel ezelőttről 2db "Urbán" féle egységcsomagból összerakott panelem. Találtam egy trafót ami talán jó lenne hozzá, de a szekunder feszültsége 42 V ha minden igaz, ami ugyebár egyenirányítva és pufferelve igencsak átlépi a leírásokba megadott 50 V-ot. Szerintetek elviseli ezt a pluszt?
Nem lehet tudni...Milyenek a tranyóid a végén?
BD249C és BD242C
Hm... talán.
A trafón nem tudsz változtatni, gondolom 2x42V?
Igen 2×42V. Az a baj, hogy olyan toroid aminek ki van öntve a közepe gyantával, nem nagyon lehet szétszedni.
Esetleg alkatrészcsere a panelon? A hozzászólás módosítva: Ápr 3, 2015
Egy megoldás, kb. 10%-os csökkentésre, próbáld ki.
230/12V~40-50VA trafó szekunderét belekötött a toroid primerjébe. Attól függően, hogyan van bekötve, hozzáad, vagy levon a primer feszültségéből 12V-ot. Ha ez nem elég, ugyanígy 24V-os trafóval próba. Akkor máris 50V=nál vagy és nyugodtabban alszol. A hozzászólás módosítva: Ápr 3, 2015
A megoldás akár működhet is, mint egy soros fojtó, de mégis van egy kicsi ellenérzésem. A bekötött kis trafó szekunderjére kerülő feszültség, nagyjából a soros tekercsek ellenállásainak arányától fog függni. Szerencsétlen esetben, akár a 12 V-os tekercsre juthat mondjuk 40 V, ami önmagában nem is lenne túl nagy baj, de ekkor a kis trafó eredeti primerjén már nagyon magas lesz a feszültség (kb. 750 V), olyan magas, ami már szigetelési és átütési kérdéseket vet fel.
Én nem fojtóként értem, hanem trafóként azt a trafót. Tehát megkapja a hálózatot, ami a szekunder oldalon 12(24)V-ot létesít, ezzel trükközök a bekötési iránnyal, hozzáadom, levonom ezt a feszt a toroid primerjénél. Nyilván le akarjuk, úgy bekötendő.
Elnézést, ha nem voltam körültekintő a leírásomba az imént.
Egy valamilyen kapcsolási rajzba le tudnád ezt nekem rajzolni, mert nem nagyon értem mit kellene, hova kötni.
Valahogy így.
Tovább lehet variálni, ha akarod.
10 mH tekercs az már nagy lenne? Ha 6.9 uH helyett azt raknék bele?
Röviden: Nem.
Ha esetleg elírtad, és az első érték uH-ban értendő akkor esetleg megszólalhat, de nem tartom jó ötletnek próbálkozni vele. Bővebben: Számold ki mennyi 6,9uH 20%-a, majd add hozzá 6,9uH-hoz, ha az eredmény kevesebb mint 10mH akkor ne próbáld meg helyettesíteni. (Az eredmény 8,28uH. Te egy 1449-szer akkora induktivitást akartál beszerelni, az kicsit nagy kölönbség).
Köszönöm a vàlaszod! Át gondoltam én is erre a következtetésre jutottam hogy túl nagy. Meg az lenne a kérdésem hogy 34 voltról működne e? A leírasában azt írjak hogy 30v-ról is működik.
Gond nélkül, de ha van a védelmet hozzá kell igazítani a tápfeszültséghez.
|
Bejelentkezés
Hirdetés |





). 






