Fórum témák
» Több friss téma |
A rajzon a Q3 emittere és a föld közé beraksz egy kis értékü méröellenállást, amin mérheted az áramfelvételt és egy komparátorral kiértéklheted. Ha nagyobb áram folyik, nagyobb lesz az áramesés és billenhet a komparátor.
A kapcsolásban a logikai IC tápjának feltétlen azonosnak kell lennie a motor tápjával, mivel a híd "felső" tranzisztorai PNP-k.
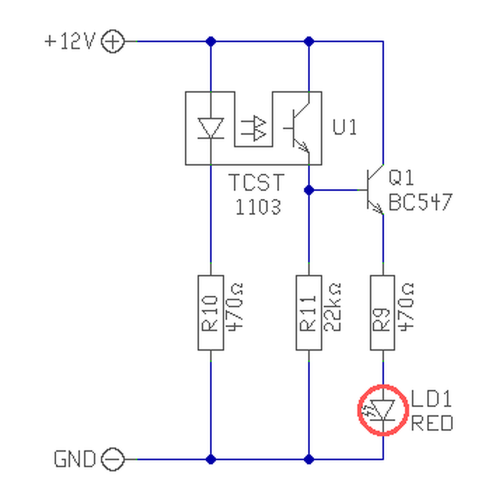
Belekapartam a rajzba egy lehetséges megoldást, ami a 4093-as schmitt-trigger NAND kapu 4-esre épül. A bekapcsoló tranzisztor emitterébe helyezett kisohmos ellenálláson a motorra megengedett max áram esetén 0,7V körüli feszültség ébred. Ez képes nyitásba vezérelni a következő (tetszőleges típusú kisjelű NPN) tranzisztort, ami egy ellenálláson keresztül igyekszik kisütni a flip-flop bemenetén lévő feltöltött kondit. Ezt - megfelelően megválasztott alkatrész értékekkel - 3...6 másodperc alatt tudja megtenni. (Azért is van rá szükség, mert a motor indulási áramfelvétele meghaladja még a max terhelés esetében mérhető értéket is, így sosem tudna elindulni...) Tehát -ha a túláram a megadott ideig fennáll, a tranzisztor a schmitt-trigger bemenetét a billenési szint alá képes lehúzni és a flip-flop átbillen és úgy is marad. A kimenetén lévő LED jelzi az állapotát, egyúttal a - feltétlenül schottky - diódával a fennálló vezérlőfeszültséget "elszívja" talaj-ágat kapcsoló tranzisztortól - mindaddig, míg a reset gombot meg nem nyomják. Esetleg elfogadhatatlan módon a tápfeszültség bekapcsolása után is tiltott állapotban indul és resetelni kell, de ezen is lehet segíteni, ha szükséges.
Hello! A tranyó bázisáramát, talán célszerűbb lenne egy tranyóval a "földbe vágni", mert egy dióda nem biztos hogy megteszi azt egy CMOS kimenetével. üdv!
Annyi van itt még hogy a 24vDc rendszerről van szó és a motor körülbelül 10 A fog "megenni".
Köszi a segítséget
Sziasztok!
Adott a rajzon lévő áramkör ami két akksit tartalmaz, és egy relé kapcsolja át a két áramkört. Amit meg szeretnék oldani, hogy a 2 ledet úgy bekötni, hogy asszerint égjenek, épp melyik akksi felől folyik az áram. Valami ötlet? Köszi előre is
Üdv! A ledeket kössed rá a relé érintkezőjére az egyik led alap helyzetben világíteni fog ha átvált a relé akkor elalszik és a másik fog világítani. ha viszont azt akarod hogy legyen olyan állapot hogy egyik aksi sincs használatban 2 relé kell + 1db 3 állású kapcsoló aminek van 1, 0, 2 állása.
Ha viszont úgy szeretnéd megoldani hogy csak akkor világítson a led ha ténylegesen áram folyik akkor az már nem olyan egyszerű dolog. A leg egyszerűbb erre egy rid relé rajta egy tekercsel de ez csak bizonyos teljesítményre alkalmazható mivel az áramod a tekercsen fog folyni ezért korlátozott lesz.
A hozzászólás módosítva: Okt 22, 2014
Szia, nem értem teljesen hogy gondolod, sorba ugye nem köthetem a ledet, ha viszont rákötöm bármelyik érintkezőre a 3 közül akkor folyamatosan világít, mind1 hogy kapcsol a relé. A relétekercsel párhuzamosan se köthetem, mert igaz akkor fog világítani amikor áramot kap, viszont tudnom kell hogy nem e mentek tönkre a relé érintkezői. olyasmi kéne nekem mint pld egy analóg árammérő, amit bekötök az áramkörbe sorba, nem nagyon van ellenállása, bírja a nagy áramokat is, csak mutató helyett egy pici kapcsoló van benne.
A relének csak egy váltóérintkezője van? Ha igen, lehet még egy relét bekötni a kapcsolásba?
Igen csak 1, és nem lehet + relét, mert tudnom kell hogy a relének ez az érintkezője nem e sült be, és hogy jól működik e a relé
Hello! Mondjuk nem írtad, mekkora a minimális áram amit már érzékelni szeretnél, mekkora a maximális áram ami átfolyhat, valamint mekkora a megengedhető feszültségesés. Általános dolgokra pedig csak általános válasz adható.
De ha az ampermérő számodra megfelelő, miért nem használsz azt? Attól nem csak az áram folyásáról kapsz információt, hanem a nagyságáról is.
Szia, 12V -os rendszer(12-14.4V), max 30A folyhat, 0.5-1A körül kéne bekapcsolnia, az se baj ha kissebb, de 1A nél már mindenképp jó lenne 4mm2 es sodort rézvezetékek mennek mindenhova. ha működik hogy egy reed relé köré tekerek pár menetet ebből a vezetékből az is jó lenne, csak nem tudom milyen reed relé kell és hány menet hogy 1A ig kapcsoljon. Az lenne a legjobb ha készen tokozva tudnék ilyet venni, kb mint egy relét, de nem találtam sehol.
Jah* még annyi, hogy az ampermérő azért nem jó mert autóba van, és nem akarom szétfarigcsálni a műszerfalat, két led praktikusabb lenne. Így is van már benn egy ampermérő töltésjelzőnek, 1*egy bőven elég.
*mod. A hozzászólás módosítva: Okt 22, 2014
Hello! Ezt értem, de a kérdésekre is válaszolhattál volna, ha valami "megoldást" is szeretnél..
Szia, bocs de már mindent leírtam szerintem, olvasd vissza az utolsó 10 kommentet, egy "kapcsolási" rajz -al kezdtem, az utolsó előttibe pedig benne vannak az értékek, vagy mire vagy még kiváncsi?
Bocs! Valahogy nem láttam a felette lévő posztot..
Egy Reed cső érzékenységét ampermenetben (gerjesztés) adják meg. (Ez más relékre is igaz.)Itt ennél a típusnál a "Standatrd AT range" sorában 10..60 ampermenet érzékenységet ír. Vagy is ha egy menet van a csőkörül, akkor 10..60A értékre fog meghúzni. Nyilván 1A meghúzáshoz 10..60 menet tartozik.
Köszi, ezzel sokat segítettél, de 14mm -re fizikailag lehetetlen 4-es vezetékből ennyit rácsévélni, vagy sokkal érzékenyebb reed relé kellene, amit nem tudom létezik, e, vagy valami más megoldás :S
Ha találsz olyan vezeték szakaszt az aksi és a relé között, aminek ellenállása 5milliohm körül van, akkor esetleg így meg lehet próbálkoznia jelzéssel. A potival az IC offset hibáját, és egyben a jelzés küszöbértékét lehet beállítani.. De próbálkozni kell, az biztos.
még arra gondoltam, hogy veszek egy lágyvasas ampermérőt, szétszedem, a mutatót pedig kicserélem egy kettévágott papírtárcsára, ami egy optócsatolót kapcsol amikor a tárcsa elforog a fotóérzékelő elől.
Minek a papírtárcsa? Csak azt kell érzékelni, hogy a műszer nullán áll-e. Ha nullán áll, a mutató eltakarja az optot és nem világít a Led.
igaz, asszem így lesz, mert nyákot nem tudok csinálni. Már csak ehhez kéne nekem egy egyszerű kapcsolás, az optós részhez, ha lehet 3-4 elemnél többet nem akarok beépíteni, pláne nem IC-t mert ahhoz már tényleg nyákot kéne csinálni. Egyébként hihetetlen hogy nem lehet venni ehhez készen egy egyszerű cuccot, ha már analóg ampermérőket, de még multimétereket is fillérekért dobálnak.
Elég mókás hozzáállásod van. Egy nyák (akár egy próbanyákon pár forrasztás), egy IC az gond. Egy műszer, meg egy opto behelyezése az meg nem? Egy mechanika beépítése sokkal több energiát odafigyelést kíván, mint egy elektronika kivitelezése. De Te tudod..
Köszi, közbe eszembe jutott még valami, talán a legegyszerűbb. A próbapanel eszembe se jutott, csak levilágítani nem tudom, azért ódzkodtam tőle. Amit 4 kommentel feljebb linkeltél, hogy keressek egy 5mohmos részt. Ahogy számolgattam kb 1 méter 4-es rézvezetéknek lenne ennyi az ellenállása, de a hőmérséklet változás és a csatlakozás minősége nem tudom mennyire befolyásolja a dolgot. Viszont ampermérőkbe kapható söntellenállás, ami bírja a sok ampert és sokkal stabilabb mint a rézvezeték. Ha ilyet tudnék szerezni(1-2 oldalon láttam) akkor erre méretezve a fenti kapcsolást, talán az lenne a legjobb megoldás. Kérdés hogy hol tudok ilyet venni, és hogy kéne méretezni.
- A csatlakozás minősége a főáramkört érinti, nem a feszültség figyelést. Mert azt így kell kialkítani.
- Gyári Shunt ellenállásokat névleges áram mellett általában 75mV-ra méretezik. egy 30A-os ezek szerint 2,5mohm. Áruk kb. 3000Ft felett van. Az IC offset feszültsége néhány mV, ez már azért egybeesik az 1..2A áram feszültségével. De gondolom ezzel az "egy Led-es" megoldással nem lőnek nyulat. (Keresni a hálón én épp úgy tudok, mint Te..)
Hát igen, nekem négy db kellene belőle ami egy kisebb vagyon. Sajnos 1 méterbe se tudom bekötni a rézvezetéket mert csak 30cm van az akksi és a relé között. viszont találtam manganin huzalt amit ehhez ajánlanak 150ft ért méterét, 1.5ohm méterenkénti ellenállással. Ebből 10 cm-be 30 db-ot összesodrok, az pont 5mohm. remélem összejön. Köszi az eddigi segítséget!
Szia!
Még egy lehetőség; Veszel 2db digitális unipoláris hallszenzort (pl.: Lomex 56-00-56, TLE4905L), veszel 2db toroid vasmagot (pl.: PC táp 3,3V-os simító fojtó vasmagja). A vasmagba belevágsz gyors-darabolóval egy rést, beleragasztod a szenzort. A vason keresztül fűzöd az érzékenységnek megfelelő menetszámmal az aksihoz menő drótot, a szenzor kimenetére pedig áramkorlátozó ellenállással a ledet. Persze tápellátás is kell a szenzornak. Az áram iránya fontos, mert csak az egyik irányban fog működni. Ha nem tetszik a toroid vágása, bármilyen légréses E vagy ETD (vagy más) mag is jó, csak elférjen a légrésben a szenzor. A vas "lágy" ferrit vagy vas legyen, azaz kicsi legyen a maradék remanencia, mert különben nem fog kikapcsolni az érzékelő.
Sziasztok!
Volna egy megoldandó gondom. Autómban a tetőablak vezérlését automatikus továbbítással szeretném megoldani, tehát kb 2-3 sec jel után folytassa automatikusan a nyitást, valamint a zárást. Továbbá végállásra áramfigyelést szeretnék kialakítani. A vezérlő jelek adottak, két bemenet ami alap esetben 0 feszültség van, jel szint 12v lenne. A táp 12-14,4v lenne, valamint van még egy extra amit alkalmazni kéne, ez pedig az hogy kulccsal bezárom az ajtót és ha úgy tartom 2-3 sec-ig akkor elkezdi behúzni az ablakot, de ezt csak addig teszi amíg jel van. A becsukáshoz adott egy mikrokapcsoló ami testre viszi a jelet, tehát felhúzó ellenállással alap esetben magas szinten van. A motor vezérlése nem kényes, megoldható relével is vagy elektronikusra is. A motor teljesítménye nem ismert számomra de 20A-es biztosítékot nem verte ki sose. Eddigi elgondolás annyi volt hogy relékkel megoldottam hogy a nyitás zárás megfelelően menjen, kulccsal becsukható. Viszont az automatizálás lenne érdekesebb, mert azzal nem jutottam előrébb. Áramfigyeléshez akár egy darab 1 ohm-os ellenállás is beleférne mert végállásban megáll a motor (rövidzár ugye) és az ellenálláson esik a feszültség. Ezt a relék elé táp ágba be lehetne rakni és csak feszültséget kéne figyelni az ellenálláson forgásiránytól független. Az alap állapotba visszajutásnak automatikusnak kell lennie, ne legyen extra gomb hogy a végállás tiltást megszüntessem. Tehát ha végállásba ér megállítja a motort és visszaáll alap állapotba. Tehát újabb impulzus esetén folytathatja a nyitást tiltásig. Esetleg még egy kis bonyolításnak hogy nyitáskor egy bizonyos állásban megálljon de becsukásnál nem. Ezt a jelet egy mikrokapcsoló oldaná meg, gyárilag van rajta és fogaskerekekkel van megoldva a működtetése, valamint NO NC lábai megvannak, mindkettővel lehet variálni. Az ötleteket előre is köszönöm. Üdv McDeath
Üdv! Végálláskapcsoló ha van a nyitott állásába visszafelé egy dióda, ami bírja a motort és csak a másik irányba tud elindulni. (Az ablaktörlő motorja 1,5A-nél már sokat eszik.) Ha végig akarod járatni szerintem nem igazán fontos akkor időre, a-stabillal is megoldható (2db)
|
Bejelentkezés
Hirdetés |













