Fórum témák
» Több friss téma |
Ez nem kérdés. Csak mindig reménykedem - hátha a kereskedők között is vannak szakemberek. Mondjuk tartanak komplementereket, és/vagy meghajtócsaláddal. Hát nagy általánosságban nem jön össze mással sem. Lomexet is megnézem még.
Sziasztok! Hogy ne maradjak adós az eddig elkészültekkel, mellékelek néhány fotót. Nyilván most éppen ki van termelve a rossz oldal panelje. A doboz eddig tartalmaz egy egyedi tápkapcsolót - már a feeling miatt is, tartalmaz egy trafó leágazópanelt, egy ideiglenes hangerőpanelt és a két végfokot. Hozzátartozik az igazsághoz, hogy ezt a dobozt kb 15 éve kezdtem el alakítgatni - ma már másképp csinálnám, de ha már megvolt.. Nincs kész egyáltalán, cnc-re vár még a hangerőgomb, bár, most sikerült egy gyógyszeres kupakból, egy alátétből és egy kis fából némi ezüst festék segytségével pofásabbat kialakítani, de szeretnék jobbat. Amire még vár az erősítő: Az említett félvezetők cseréje, 2x56V tápfeszre átállás, 2db mutatós, kínai VU meter, koppanásgátló, bemenetválasztó 4 bemenethez: CD, Aux, Tuner, Tape. Kikerül az ideiglenes potméter és egy távirányítható motoros kerül bele.
Szia! Nincs benne brummogás? A pufferek elég dekorációs jelleggel vannak bekötve.
Egy szem brumm sincs. Bár hevenyészve lett huzalozva, de nem esztelenül.
Nyilván áthuzalozom még. A Buli miatt kellett csak sietnem. Egyébként a hangjával semmi gond nem volt. Ráadásul a koruk ellenére ezek a kondik nagyon jónak mondhatóak - ki lettek mérve alkatrészteszterrel. Bár beszereztem újabbakat - azok sem mutattak jobb értéket.
Sziasztok!egy kérésem lenne hozzzátok,épitteni szeretnék egy Qvad 405-öst amelyben 4 darab 2sc5000-as végtranyó van,ehez kellene nekem kiprobált tesztelt kapcsolási rajz meg panelterv,elöre is köszi!!
Bővebben: Link
Itt a fórumon is van kereső, még GOOGLE barátunk se kell...
Helló!
Van 2db quad 405 végfok panelem. BD249 -es végtranzisztorokkal. A - oldal felöli mindkettőben zárlatos lett, és a kimeneten ott van a - tápfesz. Most készült hozzá egy táp védelemmel kiegészítve 2*35V. Szerintem nem azzal van a baj. De kicsit gyanús, hogy mindkét panelon elszállt ugyan az a rész. Előtte (mert kiszedtem egy erősítőből) hibátlanul ment. Annyit módosítottam, hogy a 2 BD ki volt vezetékelve egy hűtőbordára, és én azokat beleültettem a NYÁK-ba, és rácsavaroztam a panelen található L idomra, és leszigeteltem. Mi lehet ennek az oka? Köszi! ![]() Reloop: most bizonyított a védelem! Működik! A hozzászólás módosítva: Jún 27, 2015
Lehet, hogy nem jól sikerült a szigetelés. Ki kell csipogni, mielőtt bekapcsolod, sőt mielőtt beforrasztod. Én forrasztás előtt rögzítek, így még van lehetőségem javítani, ha valami nem úgy sikerülne.
Elnézést, hogy félre vezettelek titeket. Nem zárlatos! a NYÁK-ban a szélső két lábánál csipog a multi, kiforrasztva tökéletes (elsőre lusta voltam kiszedni, meg azért se mert kezd leválni a sáv.). De az még fenn áll, hogy egyenfesz van a kimeneten. Tehát a panelon máshol van a hiba. Esetleg van pár tipped merre keresgéljek? Vagy hogy mi okozhatja ezt a jelenséget?
Köszi! ![]() UI: Én is úgy szoktam mindig, ahogy leírtad, lecsavarozom, beforrasztom, és többször is ellenőrzöm. (És általában csillámmal szigetelem.) Köszi a válaszokat!
4db 4700u 35V
A táp bekötésével kezd szerintem.
Rá volt írva az aljára minden!
(Jól kötöttem be!)
BD249-et én 2x35V-ról nem hajtanék (már ha 2x35VAC). Esetleg ha BD249C de az is határeset. Főleg ha csak a trafóra van írva a feszültség, mert régebbi 35V-os trafók 41V körül adnak le a 240V-os hálózati feszültségről. Én pont ezért "szabom" át a végfokaimat éppen. Ami eldurranhat - el is durran!
Szia! A pozitív táp ott van a panelen? Linkelj be egy rajzot amely pozíciószámai alapján el tudsz igazodni az erősítődön!
Szerintem nem ilyen kedves hangon szóltak hozzád..
Habár az APT eredeti végfoka és a Quad között azért van némi, hatásfokot és maximális megengedett záróréteg-hőmérsékletet, SOA-t, hőhíd egyedi jellegét érintő eltérés, ezektől teljesen eltekintünk ezzel az állítással, hogy az APT bordája márpedig elég-mégis, talán nagyot nem hibázunk, ha a hűtésigényüket, maximum megengedhető hőmérsékletüket közel egyformának gondoljuk. Arra tekintettel, hogy az APT iparibb felhasználása okán meglehetősen túlméretezetett, mondjuk úgy, hogy nem lehetetlen, hogy bizonyos körülmények között elegendő tartósan két végfoknak, de az ilyen általánosításba torkolló egyéni tapasztalatot, megállapítást azért óvatosan kezeld, hiszen a bordát tapogatva fogalmunk sem lehet a zárórétegen uralkodó viszonyokról, és az, hogy egy végfokra kimondjuk, hogy 600 cm2 kell neki, azzal még nem vagyunk tekintettel például az L-idom tulajdonságaira és a terhelési csúcsokban keletkező hősokkra, esetleg zárlatra, a komplett rendszer felhasznált anyagokból fakadó hőellenállására. Kérdés, hogy mi a cél. Otthon néha megküldeni a hangerőt, vagy építeni egy stabil bulijárgányt, ahol a következő tíz évben, és 300 buli alkalmával nem kell tartani attól, hogy a végfok elpusztul. Ha az előbbi, az APT bordája valószínűleg elég lesz, ha az utóbbi, akkor az ilyen kibírt pár rockbulit megállapítással nem sokat tudunk kezdeni, akkor a korrekt megoldás nem hasraütésből, hanem számolásból, mérésből áll.
Annyit korrigálnék mindössze, hogy az APT100 stabilnak gyártott 24 órás 100V-os MONO rendszererősítő. Azaz egy oldalt elbír nevetve a hűtőborda, de sztereo-hoz nem ártana nagyobb hűtőfelület. Igaz - valameddig elmegy, hiszen sokan építették már át. A tápegység is egy csatornához készült. Így érdemes kalkulálni.
Itt egy kép róla, de még nem találtam róla dokumentációt. Majd ha találok belinkelem!
A hozzászólás módosítva: Jún 28, 2015
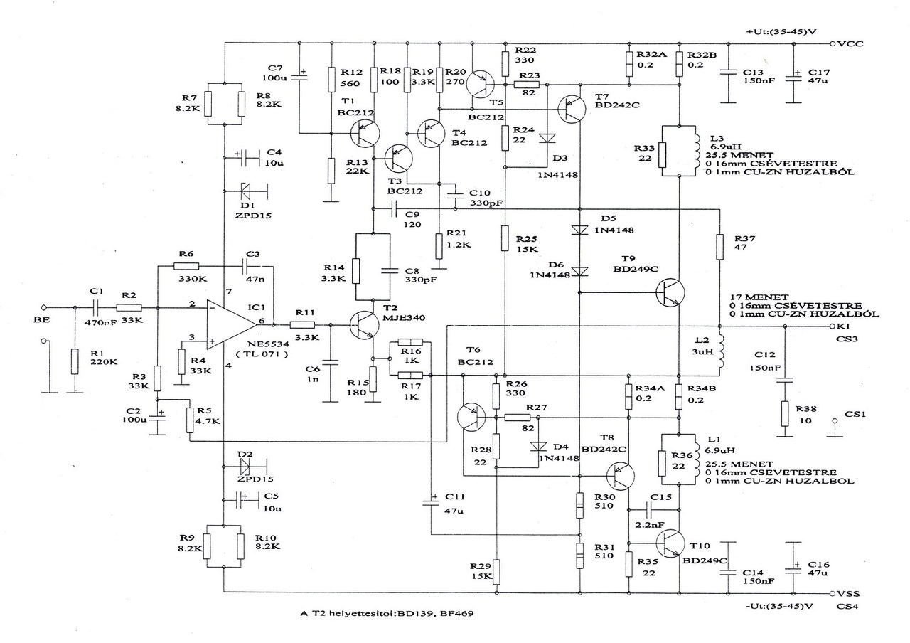
A rajzra rá kéne írni a feszültségeket, íme egy példa: Bővebben: Link
Ez lenne a teendő: Bővebben: Link
És itt egy beültetési rajz:
Akkor mérek, és írok aztán!
Sziasztok! Segítségeteket kérném mert nem boldogulok egy R Ludvig féle Quaddal. Alkotó PCB - t építettem meg. Az a problémám, hogy a +/- 15 és +/- 49 táp feszeim megvannak. A kimeneti fesz 0. Semmi nem melegszik az életet adó füstök nem jöttek ki semmiből. De viszont ha jelet ( zenét adok a bemenetre kb 1w hangerő jelenik meg. Még azt a 199 t keresem. Bár az az 1w szép tisztán szól. Mind a két panelom ezt az eredményt produkálja. Valaki megépítette ezt a típust? Hátha van valakinek van valami tapasztalata. Segítséget előre is köszönöm !!
A hozzászólás módosítva: Jún 28, 2015
Szia! Az 1W-os plafon a torzítás megjelenéséből, vagy kivezérletlenségből származik?
R30-31-nek melegednie kellene üzemszerűen (kivezérlés nélkül is).
Ez az urbános nyák.
Bővebben: Link +-45V-nál nem szabad feljebb menni a táppal. A bemeneten egy elko van a tiéden ha jól látom, ha majd működik akkor egy jobb minőségű fóliára illene cserélni. A hozzászólás módosítva: Jún 29, 2015
Igen!
![]() Még nem piszkáltam, nem méregettem, majd estére. A kondit én is cserélni akartam, mert elég hülye pózban áll a másik panelon. ![]() Köszönöm a dokumentációt!
Szívesen! Szigetelést nézd meg a tranyó és a hűtőborda között. Akár egy pici sorja is átszúrhatja a szigetelőt. Érdemes egy finom csiszolópapírral a fúrás és sorjázás után áthúzni a felületet.
Azt nem látom, hogy szigetelő gyűrű van-e a csavarok alatt. A hozzászólás módosítva: Jún 28, 2015
Van gyűrű van, és a szigetelés is jó. (legalább is a csipogó szerint!
)De az is lehet, hogy mégis az rossz, mert a multi kis feszültsége nem, de a táp lehet már átüt. (Még nem is próbáltam úgy hogy leszedem a bordát! ) A hozzászólás módosítva: Jún 28, 2015
|
Bejelentkezés
Hirdetés |












Nyilván áthuzalozom még. A Buli miatt kellett csak sietnem. Egyébként a hangjával semmi gond nem volt. Ráadásul a koruk ellenére ezek a kondik nagyon jónak mondhatóak - ki lettek mérve alkatrészteszterrel. Bár beszereztem újabbakat - azok sem mutattak jobb értéket.
Működik! 









) 