Fórum témák
» Több friss téma |
Előfok nincs benne,egy 7915 stab. ic van benne és arról megy a venti de eléggé behallatszódik a jelbe,szépen zúg a hangszóróból.
Köszi a választ
Van esetleg valamilyen program amivel meg tudnám tervezni ezt az áramkört, egyébként egy állófűtést szeretnék hajtani vele.
Van egy 24V-os trafó, egyenirányító híddal. Nyilván tettél rá szűrésnek valami kondenzátort, mert:
Idézet: „Ugyanis mikor a a trafó megkapja a terhelést felmegy 33 voltra, az pedig már sok.” attól lehet magasabb a feszültség, de terhelés NÉLKÜL. Nyilván megijedtél a mért 33 V-tól és nem merted rákötni a 24V-os szerkentyűt... Pedig az nyilván sok ampert fogyaszt, amitől be is állna a 24 V (igazából lehet, hogy nem is kellene neki szűrés, csak ha van benne valami elektronika is. Akkor viszont tényleg vigyázni kell vele, szétválasztani az elektronika tápfesz bemenetét a nagy fogyasztótól és csak azt stabilizálni.
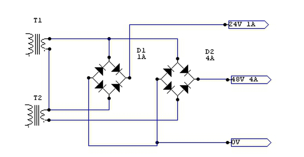
Sziasztok! Mellékelnék 2 kapcsolást, és érdeklődnék, hogy melyik az életképesebb. A 24V-on nem kell csak pár mA-er. Válaszokat előre is köszönöm.
Szerintem egyszerűbb, ha leírod, hogy mi kellene egyáltalán. Tehát 24V-on pár mA, és 48V-on?
48V-on kb. 3A kell. Egy ventillátor fordulatszám szabályzásához kell. 48V megy a ventillátor betápnak, 24V meg a vezérles. Annyit még elfelejtettem megosztani, hogy mindenképp 2db 24V-os trafoval kell megoldani, mivel az áll rendelkezésünkre.
A hozzászólás módosítva: Jan 22, 2016
Esetleg LM317-et be tudsz rakni. 37V lehet maximálisan a bemenő és kimenő lába között, 48-24=24, tehát jók vagyunk. Sőt. Ha tényleg csak pár mA kell, akkor sima zeneres stabilizátor is megoldás lehet.
A hozzászólás módosítva: Jan 22, 2016
LM2576 adj lesz benne. De mivel az se tud 37V nál nagyobb bemenőt elviselni, ezért kell a 24V-os megcsaplolás. De mivel közös a negatív, nem tudom melyik kapcsolás lenne a leg célszerűbb. Az első megoldásnál elég egy kisebb és egy nagyobb terhelhetőségű egyenirányító, a másiknál mindkettőnek nagy kell.
A hozzászólás módosítva: Jan 22, 2016
Szerintem nem jó irányból közelíted meg a kérdést. Minek egy 3-5A-es step down konverter, ha csak pár mA kell? Minek használsz fel két szekunder tekercset, hozzá két egyenirányító hidat, ha elég 1-1 is, plusz egy LM317, vagy egy zeneres stabilizátor?
Idézet: „Minek egy 3-5A-es step down konverter, ha csak pár mA kell?” Azért, mert ezek állnak rendelkezésre. Idézet: „Minek használsz fel két szekunder tekercset, hozzá két egyenirányító hidat, ha elég 1-1 is.” Nem elég egy, mivel kell a 24V is meg 48V is. És mivel 24V-os trafóból bőven van, nem fogok 10eft-ért trafót venni. Elég lenne 1 szekunder is, ha nem kerülne 6 szoros árba a HV-s step down konverter. De a 317 akkor se lenne jó a magas bemeneti fesz miatt.
Azt írhattad volna, hogy a trafó már meg van, és ebből kell dolgoznod. Egyébként nem tudom, olvastad-e, de: "37V lehet maximálisan a bemenő és kimenő lába között, 48-24=24, tehát jók vagyunk."
Itt írtam. Bár utólag belegondolva, másképp kellett volna feltennem a kérdést, de Sebi megadta a tökéletes megoldást. Köszönöm mindkettőtöknek a segítséget.
Sziasztok,
55V 10A terhelhetőségű egyenfeszültségű tápegység esetén mekkora kapacitású szűrőkondenzátor javasolt, kétutas egyenirányítás után? Nem stabilizált, és nem baj, ha nagyobb áramfelvételnél leesik a feszültség néhány voltot. Esetleg van valami szabály, hogy amperenként mekkora kapacitás szükséges? Köszi!
A "Hullámzás feszültsége" esetemben mit jelent?
![]() Illetve kétutas egyenirányítás esetén is 50Hz-et kell beírnom?
A hullámzás (ripple=fodrozódás, hullámzás) értelmezéséhez ott a magyarázó ábra. Mivel egyik mennyiség sem színuszos, pontos érték csak a csúcstól csúcsig mért feszültség.
A kétutas egyenirányítás esetén is 50 Hz -et (az egyenirányítani kívánt feszültség frekvenciáját) kell beírnod, és ha kiválasztod az egyenirányítás módját, a számoló a megfelelő értéket adja, de neked tudnod kell, hogy kétutas egyenirányítás esetén a hullámzás frekvenciája a bemeneti feszültség frekvenciájának duplája lesz. A hozzászólás módosítva: Jan 23, 2016
Oksa, akkor jól gondoltam és számoltam mindent elsőre is
![]() De amikor játszottam a Tool-al, eléggé elcsodálkoztam az eredményen. Most már rájöttem, hogy ha felteszem a szemüvegem, akkor nem 100 uF, hanem 100mF van kiírva.
Adott egy 48V-os 2,24A-es transzformátor. 2db RL207-es dióda és 2db 2200µF 50V-os kondenzátorral felépített szimmetrikus tápegység. A végeredmény 66,8V jött ki de nekünk nem ennyi kell hanem az eredeti feszültséghez képest alig kevesebb (2x35V). Hol a hiba? Mit változtassunk rajta?
A hozzászólás módosítva: Jan 23, 2016
"Hol a hiba?" Az "Adott" a hiba. Mert ha 2*35V kell, akkor nem 1*48V-os trafót kell használni. Valamint nem egyutas egyenirányítást, ami nem sokra jó.
Egy lehetőség van, hogy hídegyenirányítóval egyenirányítasz, kapsz 62..65V-ot, és virtuális földpontot alakítasz ki. (Az erősítőknél megtalálod.)
Sziasztok Lenne egy gyári kapcsolási rajz Pioneer Erősítőről. Szétment benne a segéd trafója nem tudom mekkora szekunder feszültséget adott le. Kapcsolási rajzon pirossal karikáztam remélem tudtok segíteni Köszönöm.
Mivel egy 5 V-os stabilizátor ic.-re ad feszültséget 7-9 V közötti AC szerintem megfelel.
holnap megpróbálom de a 12V felül mi szerepe lenne
és miért van 6 dióda mikor összeköthetné 2-2 pozitívot hisz ugyan az a feszültség 303-304 és 305-306 végek. Nem terhelés miatt van az tuti
Hello! Én úgy látom, hogy azért van 6 dióda, mert az egyiken 1000µF van ami lassan csökkenne tápfeszültség kikapcsolásakor, a másiknak viszont 1µF a szűrése és ezen érzékeli a Q300 a feszültség megszűnését. Ez lesz a puffanás védelem.
Ki tudja megmondani ez a régi adapter hogy múködik mert azt állitják hogy villanypásztor de az nem lehet!Köszi a választ van bent egy UA 723 PC ÉS BD 245A TRANZISZTOR MEG VALAMI OROSZ Küldöm a képet valami MGTSZ GYÁRTOTTA
Mutatom a rajzát: Nagyjából ilyen.
|
Bejelentkezés
Hirdetés |

















