Fórum témák
» Több friss téma |
Hello!
- Elsőként az inverter felesleges, mert az "NC" gondolom egy független kontaktus. Ha pedig így van, akkor azt a tápra kötve a lehúzó ellenállásán egy alacsony szintű jelet ad a bontásakor. De ha a GND-re kötöd a kontaktust és felhúzó ellenállást használsz, akkor egy magas szintet ad bontásakor. Az pont az ivertáltja az elsőnek. - Másodsorban nézd meg a rajzodat, Te az inverterrel tápláltad meg az 555-öt. Ez nem lehetséges, mert egy CMOS kimenete nem terhelhető még ennyivel sem, hát még ha az 555 a relét is próbálja meghajtani. Nézd meg a CMOS terhelését az adatlapon, néhány mA csak. (Egyébként egy CMOS nem használt bemeneteit soha nem illik a levegőben tartani, annak határozott logikai jelre van szüksége.) - Tehát ha az 555-el hajtod meg a relét, akkor annak fix tápfesz kell. (Másik lehetőség az lenne, ha az inverter helyett pld. egy tranyót alkalmaznánk az 555 táp kapcsolására.) - De rajzoltam egy megoldást amit el lehet követni ebben a felállásban. De a bementi jelnek hosszabb ideig fenn kell állni, mint a késleltetés ideje. Különben rövidül az. De ha az "NC" jel csak egy impulzus, akkor célszerű az 555 népszerű monostabil kapcsolását alkalmazni. Valamint a Tr bementet egy differenciáló tagon keresztül működtetni. - Elvben az LM317-nek 3V-ot kellene adnia. De a be és kimenetére illik gerjedésgátló kondikat tenni. És az alapterhelésének 5mA felett lenni. Ellenőrizd az LM317 bekötését, mert gyanús, hogy az nem jól van. (Nézd meg az adatlapját") A hozzászólás módosítva: Máj 29, 2017
Sziasztok!
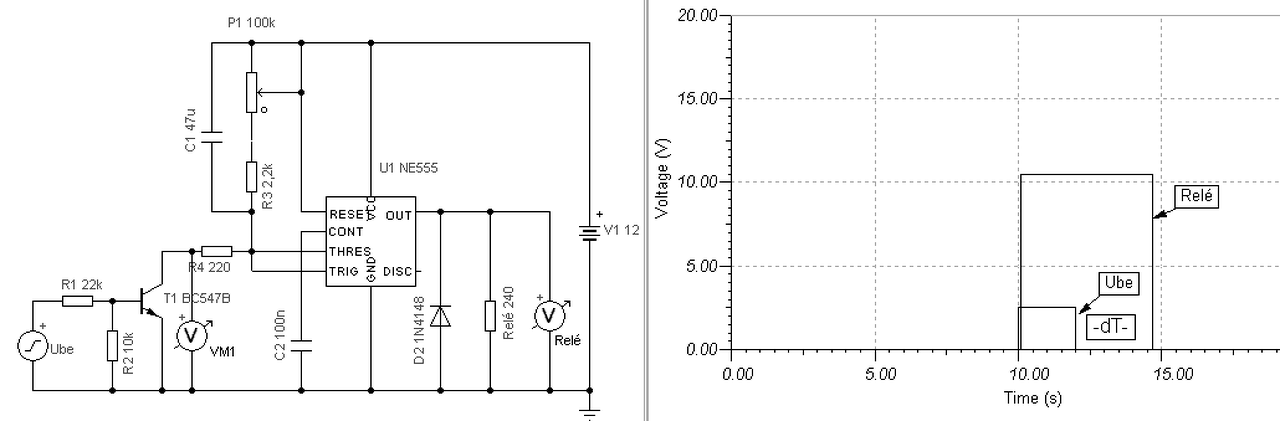
Szükségem lenne némi segítségre! 10 másodperces időközönként szeretnék +8-12v-t max 2 másodperc időre kapcsolgatni. Megoldható-e 555-tel, ha igen akkor kaphatok egy kapcsolást? Előre is nagyon köszönöm! Vili A hozzászólás módosítva: Máj 31, 2017
Hello! Ha erre gondoltál.. De ez a "+8-12V" kissé homályos mit is takar. Az első 2sec bekapcsolás hosszabb lesz. De a többi már egyforma. (Oka, hogy a kondinak az első ütemben 0..8V-ra kell töltődnie, a többiben pedig 4..8V-ig.)
Nagyon köszönöm!
8-tól 12V-ig működik a kapcsolni kivánt eszköz.
Oké, de mi az amit kapcsolni szeretnél vele? Mert az 555 kimenete leginkább 100mA-ig vehető igénybe. Valamint kb. 1V-al kevesebb feszültséget ad ki, mint a tápfeszültsége.
Üdv. Mindenkinek !
Tudna valaki segíteni ? Egy olyan kapcsolási rajzra volna szükségem mint a végtelenített futófény . De nekem csak 3 led kellene hogy kigyulladjon felváltva 1-2 másodpercre a 30. 60. és a 90 másodpercben . Hogy érthetőbb legyen , az első led kell hogy villanjon 1-2 másodpercre a 30. másodpercben , 2. led a 60. másodpercben . a 3. led a 90.másodpercben . És kezdődik minden előröl . A segítséget előre is köszönöm . Üdv.
Megépitettem 4x a kapcsolást, de sajnos csak egy folyamatosan világitó Ledet kaptam minden alkalommal...
Hello! Megrajzoltam a kapcsolást de nem ártana tisztázni néhány dolgot.
- Mekkora a tápfeszültségről működtetnéd? - Milyen pontos kell hogy legyen a 30 másodperc? (Mert az 1..2 sec igéynből látható, hogy az különösebben nem lényeges.) - Valóban csak Led-et szeretnél működtetni vele, vagy mást? És ha Led akkor egy mezei 20mA-es Led lesz? A hozzászólás módosítva: Jún 8, 2017
Akkor pedig valami hibát követsz el, mert ez egy nagyon egyszerű dolog. Esetleg egy fénykép?
"A búvár hencser...
...Igen tanulékony állat. A tudósok megfigyeltek egyszer egy búvár hencsert, amelyik tizenöt éven át csúszott a sötétben mindig ugyanazon az úton, s minden alkalommal úgy beleesett egy gödörbe, hogy kitörte a lábát, farkát és a nyakát - a tizenhatodik évben azután egyszer csak elkezdte a gödröt kikerülni; igaz, hogy a gödröt épp ebben az évben temették be, de a búvár hencser mindenesetre kiáltó jelét adta tanulékonyságának." ![]() Viszont az értékelendő, hogy nem csak annyit írtál hogy "nem megy", hanem a konkrét hibajelenséget. De sajnos most mégis csak annyit tudunk mondani, hogy valamit rosszul köttöttél össze, vagy rossz értékű egy alkatrész. Ha fölteszel egy fotót, talán látható lesz a hiba oka...
Huba, Szameg! Ez elegáns megoldás! Én 3 db 555-öt pazaroltam volna el...
A hozzászólás módosítva: Jún 8, 2017
Nem tudom mennyi látszik belőle.
A másik oldalról is kellet volna kép, mert eddig az látszik, hogy a 100µF várhatóan fordítva van bekötve.
Az Axiális kondi volt forditva bekötve, nem szoktam vele dolgozni és teljesen megzavart rajta a préselés... Ameddig nem irtad, addig észre sem vettem rajta a fekete csikot. Nagyon köszönöm a segitséget!!!
Üdv!
Az a kérdésem, hogy az idő beállítás az IC2 kimenetén (3 láb) a magas vagy az alacsony szint idejét érinti. A T1 késleltetés T2 vagy T2 késleltetés T1 a kapcsolási sor. Köszönöm.
Hello! Nem egészen érthető amit kérdezel.
- Az IC1 egy astabil kapcsolás, ami egy lefutó rövid idejű trigger jelet állít elő IC2 számára. A frekvenciája a 22kohm-os potival állítható. - Az IC2 egy monostabil multi. A 2-es lábra érkező trigger jel hatására a kimenete magas szintre vált. A C3*(R15+Poti) idejétől függően visszavált alacsony szintre. Újbóli impulzust ismét a trigger jel váltja ki. - Az IC3 kapcsolása szerintem hibás, a cél gondolom az lett volna, hogy az impulzusok csak 0,5sec ideig tartsanak. (De pld. a 6-os láb nem lóghat a levegőben..)
Az időzítőt értem - T1 kapcsol, késleltetés után T2 .
Az IC3- mikrókapcsolón keresztül kap feszültséget 0.5 mp után kikapcsol és ha a kapcsolót elengedem majd újra megnyomom akkor indul újra az időzítés. Milyen kapcsolást használjak az IC3 -nál ? Köszönöm
Így van esély, hogy úgy fog működni. De a C5 kondit vedd ki, mert lehet az IC3 hasmenést kap tőle.
Sziasztok. Szükségem volna egy olyan kapcsolásra természetesen 555-el ami négyszög jelet generálna pár Hz és kb 1Khz között fokozatmentesen (de minimum 1Hz-től 400Hz-ig kéne). Kotorásztam a neten de nem találtam olyat ami jó volna. A válaszokat előre is köszönöm.
Miért ne találnál? 500 k körüli logaritmikus poti a kimenetről a kondira, 1µF kondi a szokásos bekötéssel. Egy potival soros ellenállással beállíthatod a max frekit.
A hozzászólás módosítva: Jún 25, 2017
Sziasztok.
Egy olyan kapcsolást szeretnék 555-el megoldani hogy van 2.5v feszültségem. Ha ez a 2.5v megjelenik akkor az 555 meghúz egy relét és addig benntartja amig a 2.5v fenn áll. Ha a 2.5v eltűnt egy trimmerrel szeretném szabályozni kb 0-10sec időtartamra hogy meddig maradjon bent a relé. 12v tápfeszültségem van mellé. Előre is köszönöm az ötleteket.
Hello! Ez pont 2,5-ra kapcsol, mert a TL431-nek ennyi a referenciája. De lejjebb nem lehet vinni, csak feljebb egy osztóval. A 100k-val lehet az időt szabályozni, de nullától analóg módon nem szabályzunk időt. (Meg szükség sincs ilyesmire.)
Szia.
Annyira nem lényeg hogy pont 2,5v-ra kapcsoljon, csak kb annyi feszültségem lesz impulzusnak aminek el kell indítsa. Ha ez a feszültség megszünik akkor kell az időzítés induljon tervem szerint olyan 2 másodperc amit késleltenie kell.
Akkor a bemeneten egy mezei tranyó is megteszi a TL helyett.
Holnap összedobom és kipróbálom.
Köszönöm.
Üdv!
Az hogy lehetne ezt a kapcsolást úgy át alakítani, hogy ne fényre (villámra), hanem 5 másodpercenként csináljon egy képet amíg ki nem kapcsolom. Az se lenne hátrány, ha esetleg lehetne állítani ezt az időt. A kapcsoláshoz tartozó cikket itt találjátok: Bővebben: Link Előre is köszönöm!
Hello! Ha így megfelel..
Tökéletes!
Köszönöm szépen!
Egy olyan kapcsolást keresek ami egy impulzusra bekapcsol, és egy impulzus sororozatra (ugyanazon a bemeneten kb 5-10 impulzus 2 Hz-s frekivel) meg ki. Egyet már kitaláltam az impulzussorozatot integrálva kb 2 sec alatt visszabillenti az 555-t, de hátha lesz valakinek egyszerübb ötlete.
Kösz
Sziasztok! Adott egy stabiliziált tápegység 2A terhelhetőséggel, és egy NE555-ös IC. A tápfesz állítható a tápegységen, de igazából nem is ez a lényeg. A kimenetet beállítottam úgy, hogy a számomra megfelelő frekvenciájú és kitöltési tényezőjű négyszögjelet lássam. Na most a problémám a következő. A négyszögjeleim elején van egy jelentősebb feszültség tüske amit ki kellene küszöbölni, de nincs ötletem, hogy hogyan, és hogy lehetséges e. Első képen látható, hogy a táp stabil DC, második képen látható a kimenet, a harmadik képen egy kis ráadás van. Egy ultrahangos szenzorra küldöm a jelet, ami a terhelés miatt megváltoztatja a jelalakot. Kérlek ha bármi ötletetek van segítsetek.
|
Bejelentkezés
Hirdetés |























