Fórum témák
» Több friss téma |
Köszi a tanácsokat!
Mint írtam, túl vagyok a problémákon. Kedves mentorommal átbeszélve a felmerült problémákat, egy csokorban kaptam választ rájuk. Az utóbbi építéseimben nem volt probléma a tápolással. Talán a tápvezetékek vastagsága, vagy a csillagpontos kábelezés, de nem volt szükség az IC lábain a bypass kondikra. Most ugyan nem 2mm-es tápvezetékekkel tervezem a kivitelezést, hanem csak 1.2mm-es ezüstözött tömör rézhuzallal, de bízom benne, hogy elég lesz a kevesebb mint 20cm-es hosszon. És az előzőekben közölt rajzon talán látható, hogy a bejövő tápvezetékről csak pár centiméter az előfok, és a végfok külön tápvezetéke. Idézet: „Tehát itt a különböző külső zavarok nemigazán jelentenek veszélyt, az opamp "árnyékolása" itt nem elsőrangú kérdés.” Nem vitatva e sorokat, de én ezt ha kicsit is, de ezt nem osztom egészen így. Az a feltételezésem, hogy ez adott esetben hathat a hallható hangra. Szóval inkább kizárom mint lehetőséget. Ide tartozna még egy kapott tanács, hogy a NC láb, ha tényleg nincs semmire kötve, akkor egy 1K-val le lesz földelve. Mivel elvileg árnyékoltnak tekinthető a tok, már csak a rajta levő mínuszt kell majd a terveim szerinti kivitelezésnél kezelni. És ez már nem gond, ha az árnyékolás megoldott. Mindössze nagyobb átmérőjű furatba kerül az IC, és a hűtőzsír átviszi az esetleges hőt. Azzal a képet nézve az általad készített készülékről nem volt világos, hogy az IC mekkora hőt termel, mivel hűtőcsillaggal láttad el. A forrasztási közelségről, pedig azért tettem fel kérdést, mert minőségi aranyozott rudacskákkal fogom rögzíteni egy teflonlapra, és a magasság, mint kiderül szűkös. Így pepecselni kell majd vele. Le kell mind két végéből csípni a kívánt hossz miatt. Ebből kifolyólag az IC lábaira 2-3mm-en kell majd a toldást forrasztani. A csatlakozó tüske egy Svéd hagyatékból, az Árvill-től van. Jó minőségű, így le lehetett csípni belőle úgy, hogy egyengetve beledugható majd az IC láb bele. Az 5mm vastag teflonlapba nyomva a másik végét is befogom rövidíteni. Az e szerinti terv alapján 5mm-es lesz a hűtőtömb, 5mm-t szánok a forrasztással a toldásra, és a teflon lap is 5mm vastag. Összesen e szerelvény úgy 15-18mm magas lehet majd a hűtőbordán.
Teljesen értelmetlenül elveszel a részletekben, aztán meg sorozatkapcsokat építesz be egy audió eszközbe.
Idézet: „Azzal a képet nézve az általad készített készülékről nem volt világos, hogy az IC mekkora hőt termel, mivel hűtőcsillaggal láttad el.” Ott van az adatlapon ez is. RTFM. Egyszer megtanulhatnád. Absolute Maximum Ratings: 1000 mW. Ehhez hozzászámolod a tok termikus ellenállását, ami 160°C/W. Meg beleszámolod a bordád hőtorlódását és már meg is van az, hogy mekkora hűtő felület kell ennek az IC-nek.
Annak is ugyanaz a lábkiosztása, mint az LF-nek.
Csak ez alulnézetet mutat. A hozzászólás módosítva: Jan 2, 2026
Ilyen szép találatom nem volt, amire a típus is rá volt írva. Meg amúgy is mindegy.
Tudod, mint minden nézőpont kérdése. Az audiofilben a részletekben van a lényeg. Terhelésmentesítőnek meg jobbat nem láttam még, és még ráadásul be is vált az eddigiekben is.
Annak jobban örültem volna, ha előzékenyen kiszámoltad volna nekem. Egyébként változott a menü... Átgondolva az eddigieket, felesleges a külön hűtőtömb az IC-nek, mivel úgysem érhet földelt felülethez. És még a blokk magasságának is kedvező az az 5mm-rel kevesebb. Ezért a nagy bordába fúrom a fészkét, amibe hűtőpasztába nyugszik majd. Vagyis nem lehet gond az IC esetleges melegedése.
Ágyúval verébre. Ez az IC nem fog melegedni. Tápárama 5mA. Egy MOS tranyót hajt meg hangfrekvencián. Disszipációja 150mW körüli, amit a picurka SO8 tokozása is simán elvisel hűtés nélkül, a fém házas tokozása meg bőven.
De ha ez okoz neked örömöt, akkor csináld nyugodtan.
Köszi az adatokat!
Idézet: „De ha ez okoz neked örömöt, akkor csináld nyugodtan.” Örömöt az fog okozni, ha majd a hangja is tetszik! Különben meg, ha az előzményeket megnézed ez a dolog is a kivitelezés része. Magyarul, nem lehet csak úgy változtatgatni ezen az előzmények miatt.
A meglepetés, Douk Audio V3
A fiam cuccai közt találtam, és egyből felhívta magára a figyelmemet. Ingyen volt az ismerkedés, hát meg is ejtettem. Azzal kezdeném, hogy kézbe véve semmilyen kifogást nem találtam rajta. Gusztusos, minden a helyén van, és jól néz ki. Akármilyen gyártó elégedett lehetne vele, pláne az ára viszonylatában. A csatlakozói stabilak, és a potija is racsnis. Szóval tip-top. Megmondom őszintén a hangját illetően is reménykedtem, hogy hasonló lesz a külsejéhez… A fejhallgatózás egy olyan műfaj, ahol bizony mindent hallani, és a direktsége miatt hamar kijön a jó és rossz érzete. Ezt úgy ábrázolnám, ha nem jó azonnal lekívánkozik az ember füléről, ha meg jó, akkor elfelejted, hogy a füleden van. Nos ezt a készüléket terhes hallgatni. Szomorúnak mondanám, hogy csak nézegetni kellemes! A meghallgatása a K701-el (Osztrák) történt. És még… Kikapcsoláskor felfut a hangerő, és kattan. A bekapcsolás a beépített időzítővel probléma mentes. A hangképe bejáratással nem tudom mennyire változna (torzítás), de a középhangok között érzek olyan hangokat, amik feltehetőleg kellemetlenek maradnak tartós használat esetén azután is. A mélyeket elfogadhatónak mondanám az ára tekintetében. Majd elfelejtettem, a tápolása 5 voltról lehetséges (USB). Azt meg, hogy Hi-Fi azt túlzásnak tartom.
Hogy folytassam, megfaragtam a két teflonlapot, úgy nagyjából, és eldőlt az IC toldása is.
Végül is a szegecsfejes megoldást választottam, hogy érintő forrasztással lehessen a kötéseket abszolválni a négy láb térbeli kilógása miatt. Így távolabbi forrasztás adódik az IC toktól is. Azonban a Kínai állványos fúrógéppel nem lehet csak úgy teflonba derékszögbe 1mm-es furatot fúrni ilyen hosszon. Így muszáj 1mm-es központfúrót venni hozzá a siker reményében, hogy az azzal előfúrt furat megvezesse az 1mm-es fúrót.
Nincs kedved bele kukucskálni? Pár csavart kell csak kicsavarni, és készülhetnek a fotók a belsejéről. Biztosan tanulságos lenne.
Ilyen képekre gondolsz?
A Képen látható MUSES8920 nem eredeti tartozék, azt már egy felhasználó rakta bele, eredetileg a másik kép szerint Texas NE5532-vel adják, ami után 2 tranzisztoros buffer van. A tranzisztorok és a körülöttük lévő alkatrészek elég szimmetrikus elrendezésben vannak és a diódák miatt lehet a linken láthatóhoz hasonló elrendezés, vagy nem.
A kimenetnél lévő két nagy ELKO miatt nem hiszem, hogy kettős táp van. A bemeneti 5...20V-ból (U3 PRO-nál már csak 5V) egy kapcsolóüzemű IC állítja elő a tápfeszt.
Igen, köszönöm. Lehet hogy Eleknek is javulna az értékelése, ha kicserélné az eredetit egy korszerűbb, kifejezetten ilyen célra fejlesztett erősítőre. Ma már sok típus létezik, amik a 40-50 évvel ezelőtt tervezettekhez képest jelentős minőségi javulást tudnak felmutatni.
Elképesztő mértékben fejlődött a félvezető technológia minden téren azóta. Pl: LME49720, vagy hasonlóak. A második képen azt írja, hogy eleve foglalattal készült a kütyü, előre gondolva a felhasználókra.
tki képe alapján látszik, hogy NE5532 van benne, aminek az ajánlott minimum tápfeszültsége +/-5V. Egyszeres tápnál ez 10V-ot jelent.
Vagyis a sima 5V USB táp kevés neki. Próbáld meg 12V-os dugasztápról. Lehet hogy megjön a várt hangzás.
Jobban megnézve, látom hogy van benne egy kis konverter, ami az 5V-ból állíthat elő megfelelő tápfeszt a kütyünek.
Akkor csak az IC cserélgetéssel lehet "javítani" a hangzást.
Röviden, megleptetek!
Felszínesen, csak a benne lévő kábellel dugtam az USB-be. Azonban a véleményetek alapján vettem a nagyítót, és látom a hátán az 5-20V-ot. Mivel a fiam nálunk volt éppen, rákérdeztem, és kiderült, hogy kölcsönkészülék, így a belenézés nem megy. Viszont most már, hogy említettétek a nagyobb feszültséget, jobb híján kölcsön kapta a media player analóg tápját (12V). És valóban más lett a hangja. Ezt már így ellehet viselni huzamosabb ideig. Innentől a dolog egyéni, mármint ki mire szánja, milyen elképzelések mentén, milyen hallgatóval. Szöveg vágásra, szerintem így már használható, talán nem annyira terhes. Zenehallgatásra, ha magamból indulok ki, maradnék a hibridemnél. Dehát ennyi pénzért nem várnék csodát. Örömmel konstatáltam, hogy bizonyos esetekben hasznos lehet levenni a polcról, nem csak ott nézeget ezt a jópofa kis készüléket... ui:. az már egyéni dolog, ha valaki cserélgetni akar benne valamit, azonban, szerintem ez összességében alapvetően nem fog jobb hatást produkálni, mivel ahhoz más is kellene, és akkor már nem ekkora lenne, és nem is ennyibe kerülne.
Változnak az idők...
Érzelmi hullámzások között, de elhatároztam, hogy elbontom az utolsó KT-mat az EVAmp-ot. Előtte a FH6-TB300-ME járt így az EVAmp miatt. Ennek oka a lakás szűkössége, meg a benne lévő alkatrészek felesleges veszteglése. Úgy néz ki, hogy a közeljövőben jó lenne a Jantzen Silver Gold becsatoló belőle a készítés alatt lévő V-MOS FET hibrid álomhoz. Így is van dobozban két KT féle FH4, egy Canamp, amit még át kellene majd építenem +-24V-ra, ha már kedves mentoromat megkértem a rajzmódosításra, meg UK-ból már megvettem a végtranyókat hozzá. Szóval három elég utánam, a Canamp, a hibrid (az egyetlen kondis kicsatolós), és a most nagy elvárásokkal készülő V-MOS FET hibrid.
Ha mindenáron szándékodban áll a cső+DMOS hibrid házasítás, akkor egy ilyet tudok ajánlani. Hangsúlyozom DMOS, és nem VMOS. A VMOS az más, ne is engedd hogy félrevezessenek.
Mivel felmerült a kimenet direkt csatolása, csakis stabil kompenzált önbeálló áramkör jöhet számításba. DMOS kimeneti tranzisztor áramgenerátoraként csakis ugyanolyan DMOS elemet tudok ajánlani, mivel ezek együtt változtatják a paramétereiket, így nem fog elmászni a kimeneti nulla Volt. Az alsó trióda katódkörében történt egy kis változtatás, hogy visszacsatolás igény esetén ne legyen DC a kapcsolón, ne kattanjon. Lehetett volna kondenzátoros leválasztás, de mivel ragaszkodsz a drága kondenzátorokhoz, így inkább ezt a megoldást láttam kedvezőbbnek. A csövek fűtése most nem aktív része a kapcsolásnak, így azt külön kell megoldani.
Ráért volna, de köszönöm!
Persze én is, mikor jobbat nem tudtam, előre elkészítettem a tápok tervét... De hol van ez még. Mondjuk lehet tervezgetni... Van egy kis problémám, úgy emlékszem, hogy a bontásra ítélt EVAmp-ban Jantzen Silver Gold csak 100nF-os, mint leendő becsatoló a cső előtt.
Látom módosítások kellenek feszültségben...
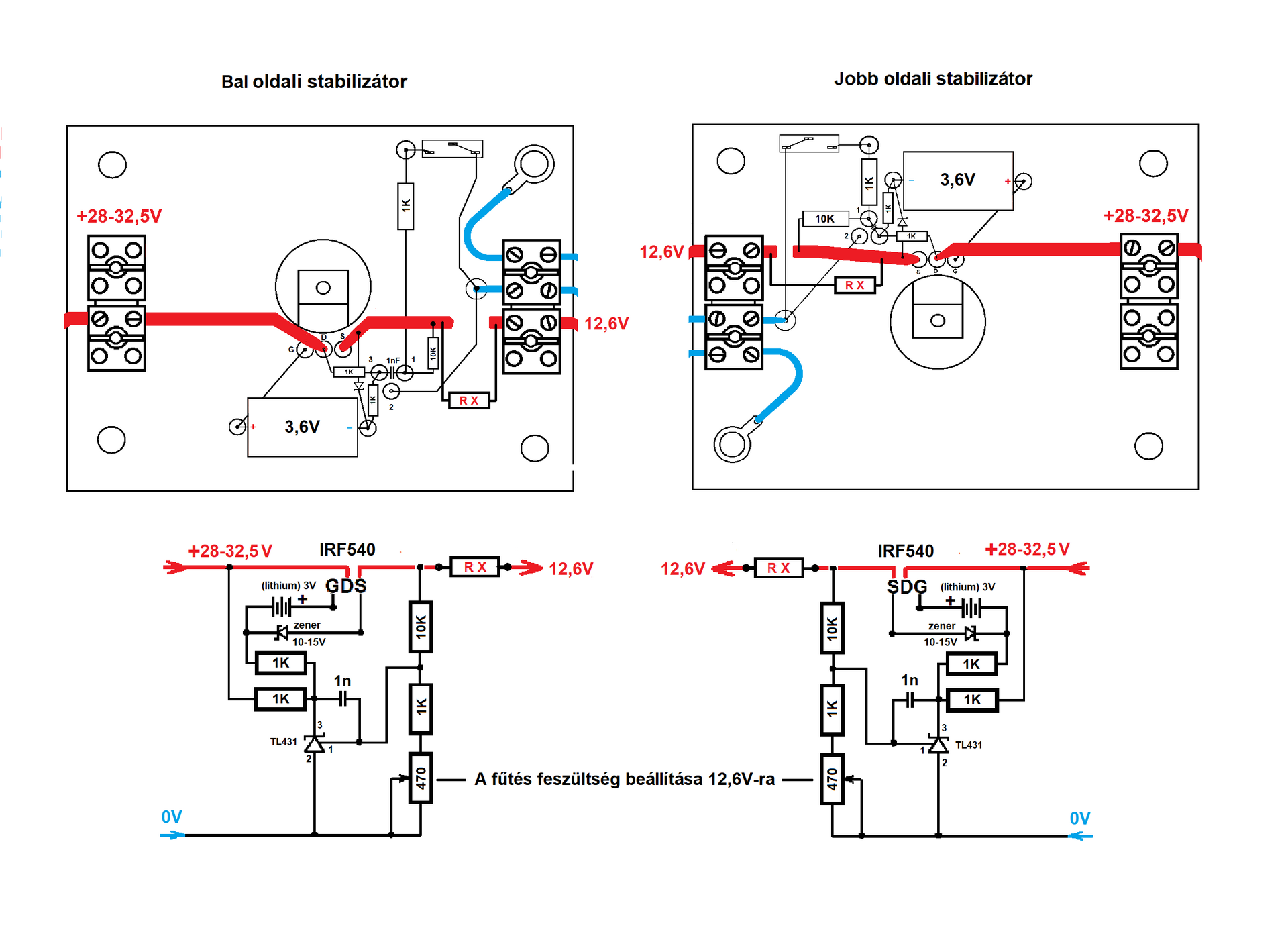
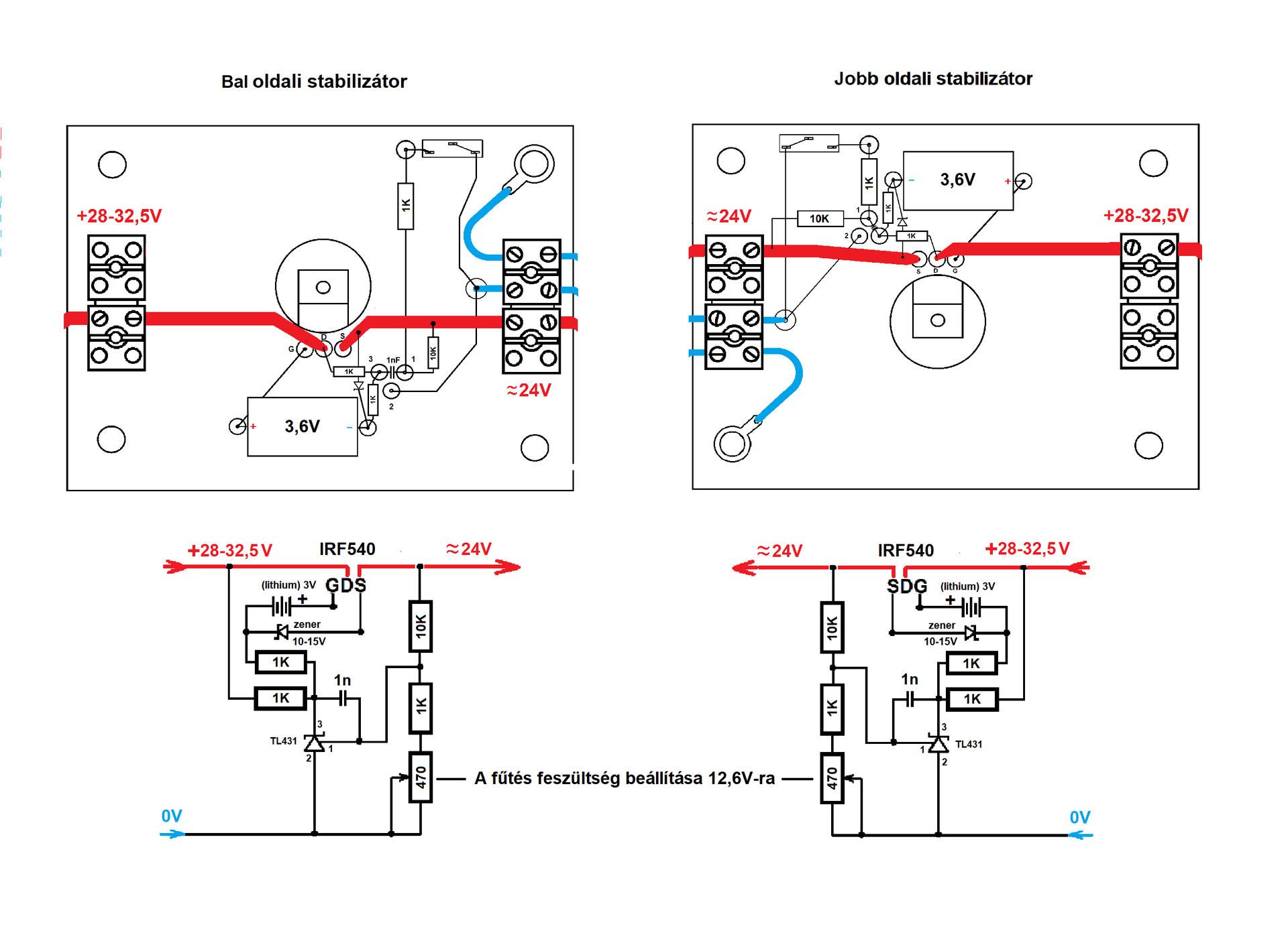
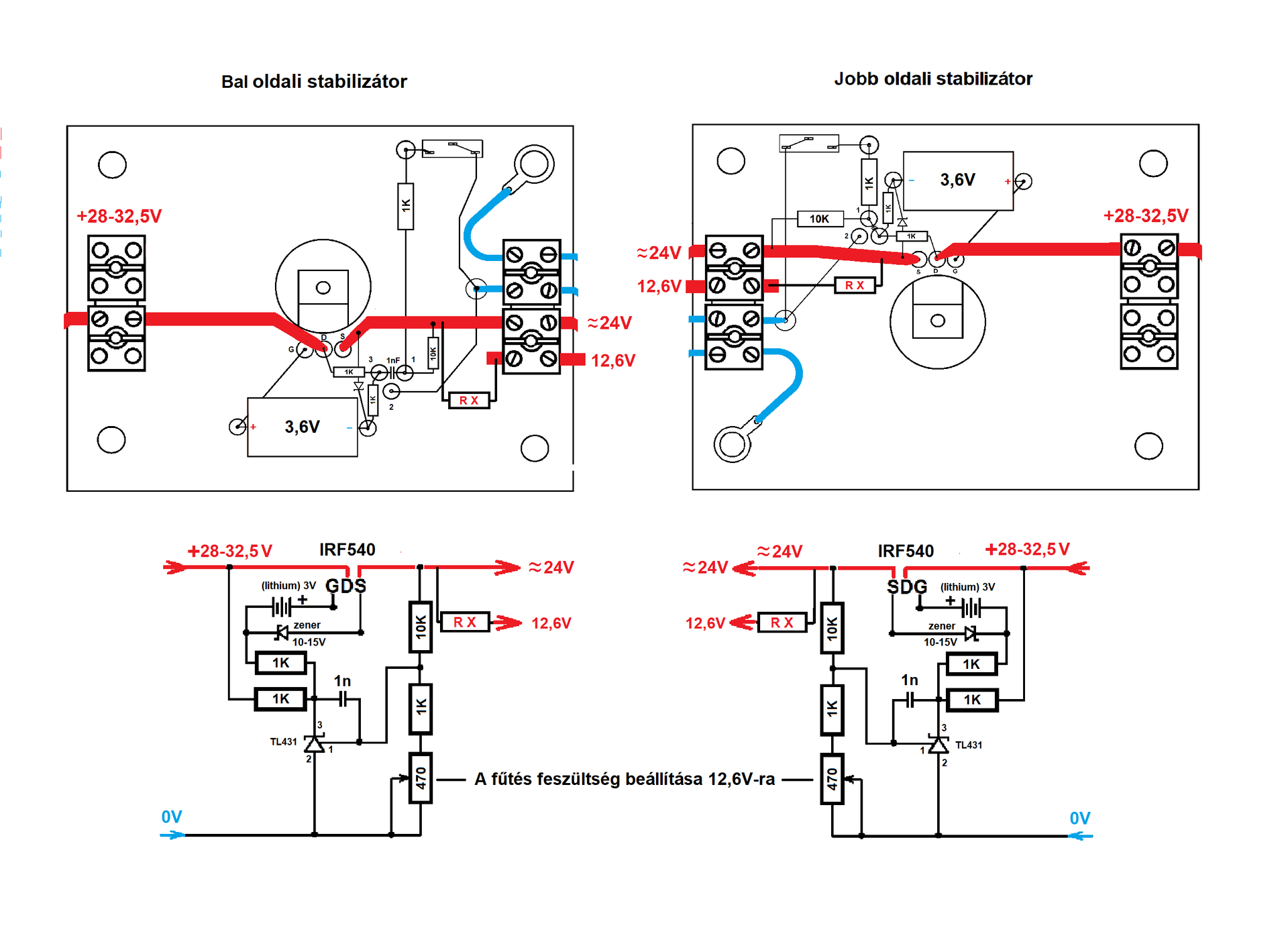
Én ragaszkodnék a külön tápoláshoz (előfok, végfok). Közben elkészültek a teflonlapok. A hozzászólás módosítva: Jan 14, 2026
Az előfok 350uA fogyasztású, a fűtés az igazi nagyágyú. Mivel szigetelt a fűtőszál, lehet közös fűtőtrafó is. 6,3V 0,6A, vagy 12,6V 0,3A, esetleg egyetlen 25,2V 150mA.
Az előző hibridrajzod szerinti lesz a táp, de ezúttal mivel nem a FET lesz a feszültségosztó, hanem egy hűtött ellenállás a stabba. Lényegében hasonló elv szerint gondoltam, vagyis a poti a stabba a 12.6 voltot állítja be, ezért nem pont 24 volt kerül a csőre.
Én inkább külön trafót használnék a fütésnek
Így gondoltam...
Idézet: „Ha mindenáron szándékodban áll a cső+DMOS hibrid házasítás, akkor egy ilyet tudok ajánlani.” Ennek okát még az elején leírtam. Így elmondhatom: IGEN. Az igaz, hogy tunerman ihlette a dolgot, és természetesen azt is megépítem, mivel érdekel a hangja, de amit Te közöltél a végső elképzelésem szerint, azt nagyra értékelem, mivel tapasztalataim szerint igen hasznos a kapcsolható visszacsatolás. Eddig a hibridnél lenyeltem, ha a felvétel túllőte a képességeit, mivel igen kellemes volt az eredeti tulajdonsága. Az új (házasított) kapcsolásban valószínűleg tágabb minőségi lehetőség nyílik a felvételek milyenségének követésére. Így rögvest rávettem magamat az általad kínált lehetőségre. Végül is a cső eredeti tápja csak a 12,6V-ot adja majd külön. A többi a +-24 voltról megy majd. Mivel megkoptak képességeim mindent jegyzetelnem kell. Ezért olyan az elvi elképzelésem jegyzéke, amilyen. Jöhet a konkrét szerelési rajz elkészítése... Ha találnál korrekciós észrevételt, megköszönöm! Crossfeed, xfeedNapokban hallgattam meg egy tök közönséges kapcsolást, lényegében NE5532+komplementer emitterkövető BD139/140 semmi extra, filléres alkatrészek DC csatolás, de annak olyan akusztikai tere volt, hogy az én OPA1612+BUF634-em (ami sztereóban 2x drágább, mint a fenti erősítő táppal együtt...) oda vissza verte, pontosságban azért elmaradt egy picit. Amikor felvettem a fejhallgatót olyan volt, mintha nem is lenne a fejemen, full transzparens érzet, a hangoknak tökéletes mélysége, iránya van, mint aki élőben vesz részt a színpad előtt, nem gondoltam volna, hogy a saját fejhallgatóm ilyenre képes.Jött a válasz, hogy az erősítő crossfeedet használ a bemeneten, ami annyit tesz, hogy passzív lp filterrel csillapítva késleltetve átkeveri a jobb csatorna jelét a balba és fordítva így szimulálva a természetes hangzást. Azt olvastam, hogy a zenéket meg bármilyen műsort nem fejhallgatós használatra keverik, hanem hangszórókra, amikor hallgatjuk a zenét hangszórón keresztül ugye a jobb oldal hangjait a bal fülünk is érzékeli, meg fordítva is. Fejhallgatónál ez leszűkül, mert ott van a fejünk útban és hosszú távon fárasztó érzetet adhat, jobban dolgozik az agyunk. Az a jó, hogy a filter bármilyen erősítőre implementálható akár passzív akár aktív egységként, passzívnak az egyszerűsége ellenére van egy kis ára, mert csillapít valamennyit a hasznos jelen. Nekem annyira megtetszett ez a hangzás, hogy crossfeed nélkül én már el sem tudom képzelni a fejhallgatót, így neki is álltam elkészíteni a saját verziómat, IC foglalat jó erre, abban könnyen cserélgethetők az RC elemek. Az említett erősítő Meier-féle szűrőt használ, az eredeti pedig Linkwitz-féle. Véleményetekre lennék még kíváncsi, mert azok mindig megoszlanak. Használ esetleg valaki ilyet? Topic keresőben kulcsszóra nem találtam bejegyzést erre vonatkozóan. |
Bejelentkezés
Hirdetés |



































