Fórum témák
» Több friss téma |
A hangszóró negatívját nem a panelhez kell kötni, hanem a csillagpontba, ami célszerűen a puffereket összekötő kis vezetékdarab
Bekötöttem mindent úgy, ahogy mondtad... most masszív 4,5v egyenfesz van a kimeneten...
Multkor a hsz negatívját is a jelföldhöz kötöttem, úgy nem volt ilyen jelenség... azaz rámértem, úgy most sincs... Mi lehet a probléma?
Közben megtaláltam a problémát, és szerintem egyben annak az okát is, hogy miért működött"jól" az erősítő, amikor minden földet a jelföld pontra kötöttem...
Az általad említett ellenállás a jelföld, és a tápföld között 2r2, amit én sikeresen félreolvastam a beültetési rajzról, és 2k2 ment a helyére... Most kicseréltem, és eltűnt az egyenfesz a kimenetről... (Még szerencse, hogy említetted azt az ellenállást, én meg mondom utána nézek már, hogy mégis mekkora... 2200ohm kicsit soknak tűnt, aztán megnéztem a kapcsolási rajzot, és lám... tényleg sok ) Idézet: „ Hála PCB fórumtársnak közelebbi ismeretséget kötöttem a SprintLayout5.0-val akinek a honlapjáról l lehet tölteni az útmutatót a kezeléséhez és egy nagyon jó kis progi az már biztos.Gyorsan csináltam is egy stereo Quad405 nyákot egy már meglévő felhasználásával kicsit átbuheráltam az Urbán félét az íc lábak közötti átvezetés horror az amatőr körülmények között(Saaját vélemény) Használjátok fel . Ez a 40w-os kivitel ami szobai körülmények körött bőven elég sőt Mrex” Szia! Azt szeretném kérdezni hogy ezen a nyákon van bal oldalt az alja felé egy 120p kondi és felette egy ellenállás vagy olyan jelölés és nincs ráírva érték ez micsoda és mi az értéke? Köszi QUAD_405_40W_STEREO_BEÜLTETÉS.pdf (176.44 KB), QUAD_405_40W_STEREO_NYOMTATÁS_NEM-TÜKRÖZÖTT.pdf (67.87 KB), QUAD_405_40W_STEREO_NYOMTATÁS_TÜKRÖZÖTT.pdf (64.7 KB),
Ilyenkor célszerű a kapcsolási rajzot megnézni. Javaslom ezt tedd te is. (Az eredeti, gyári rajz szerint R38 as pozíció, melynek értéke 47 ohm)
Sziasztok! Elkezdtem összerakni egy quad 405-öt van benne eredetileg 4 db1n4148 dióda azt szeretném kérdezni hogy használhatnák e helyettük 1n4002 tipusú diódát.
Sziasztok!
Azt szeretném kérdezni hogy milyen hibája lehet a quadomnak ha a hangszóró kimeneten ott a tápfesz!?
mondjuk szerintem a félvezetőid vezetővé váltak?? Tranyót ki,mérd ki,és aztán kiderül..
Kösz a választ! Van egy maréknyi 4002-őm gondoltam hátha,dehát akkor nem rakom bele hanem veszek oda valót. Láttam egy Quad panel képet amin a két szélső tekercs helyett csak egy átkötés van 1mm es dróttal. ha a két tekercs elmarad milyen következménnyel járhat? Tettem föl képeket, itt járok a z építéssel.
Fog attól még szólni csak a híresen alacsony torzítása már nem lesz meg. Nagyobb lesz. Nekem sincs meg még a tekercs egyik sem, de várok 1mm-es huzalra és akkor megcsinálom. Nem kötöm át addig sem.
Sziasztok!
van egy quad 405-öm, mono és az a gondom hogy meggyullad és elég a 270ohm-os ellenállás Ez mitől lehet? Nagyobb teljesítményű ellenállás kellene? Köszi!
Ott valami félvezető gond lesz.
Szia!
Szerintem benne, de nem én epítettem De van utána hangváltó, ami 200hz-es tehát tulajdonképpen mélnyomóhoz kell. De amúgy ha betennéb vagy 3W-os ellenállást az nem segítene?
Nem, mert ott a 0,5W-os is elég lenne ha minden rendben van. El lehetnek csúszva a munkapontok. Mérd ki a tranzisztorokat. Minden ellenállás a helyén van?
Ebből lesz az én Quad 405-öm. Csak végfokot akarok építeni. Még a hűtőbordák hiányoznak.
Abszolút klasszikus! Talán csak a toroid "túl korszerű" bele, de e miatt ki ne cseréld. Biztos vagyok benne, hogy semmivel sem lesz rosszabb mint ha csilli-villi, 1% fémrétegeket, meg csupa LOW ESR-t használtál volna.
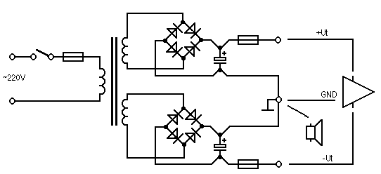
Mivel csak egy "szekunder-készleted" van, javaslom a közös greatz-et, és a közös puffercsoportot, mert ha külön-külön csinálod a két oldalnak, akkor szinte lehetetlen ilyen trafóval ügyesen összehuzalozni.
Szerintem az a trafó két szekunderes, csak össze van forrasztva az egyik oldalon.
Szerintem így kéne csinálni:
Félreértesz!
Én "szekunder-készletet" írtam. Ami alatt azt értem, hogy közös tápról fog menni a két oldal, nincs nekik külön-külön szekunder. Ezért javasoltam, hogy a kondik is kerüljenek egy csoportba. Én egyetlen greatzet mondtam, de ha már van kettő, akkor állítólag ez a megoldás jobb mint az "egy-hidas" változat. A rajzod is azt mutatja, amit javasoltam (nálad dupla greatz), csak a kondikból 2-2 van párhuzamosan. Egyébként a gyári kivitelben is közös táp van és egyetlen egyenírányító híd. De nagyon bölcsen, már a kapcsoláson eleve gondoltak arra, hogy felszakítsák a hurkot egy pár ohmos ellenállással.
Hali!
Készülök megépíteni a quad erősítőt,viszont bizonytalanságba botlottam. Az URBÁN féle nyák a kiszemelt,amin TO3-as tokok vannak,sokan mondják hogy nem működik/direkt hiba van benne elrejtve. Igaz lehet ez? Idézet: Ilyen baradságot honnan veszel ? Tisztában vagy a kijelentéseddel ! „vannak,sokan mondják hogy nem működik/direkt hiba van benne elrejtve. Igaz lehet ez?”
Hibásan nem tették volna bele a Rádiótechnikába...
Oké,köszönöm. Meg vagyok nyugodva.
Mondta nekem 1-2 ember,hogy nem működik. Valamint olyan variációt is hallottam már,hogy direkt tettek bele hibát. Ezt én is nehezen tudtam volna elképzelni. Egyébként melyik évben került Ez a nyák az RT-be? keresgéltem,de nem találtam bennük.
Félreértés ne essék,ezt nem Én állítom.
2006/4. Ha nincs meg akkor szólj és felteszem a Quad-os részt ide.
Nem találtam meg benne,pedig megvan az újság PDF-ben.
Az lehet de most te személyesen irtad ide !szóval akkor ki ? Egébként csak is a nem hozzáértő emberkéknek nem jó az a bizonyos Quad , de nincs azzal semmi gond ! Az más kérdés hogy van aki még egy kit-et sem tud össze állitani és akkor szokták ezt mondani hogy nem jó! A kit -ben található alkatrészek azok már viszont lehet megkérdőjelezhetőek , de még erre is azt mondom hogy aki az alkatrészeket sem ismeri az ne akarjon egy Quadot összeállitani ! Valóban sokan leítrták itt ezt a Quad modozatot de miert , ha bemész egy üzletbe akkor ott is vehetsz hamis tranzisztort . Maga az egész konstrukcióval semmi gond , ha csak a nyák egyszer használatosságát nem rónám fel , ha túl sokat forrasztgatod akkor azt nem szereti , de ez nem azt jelenti hogy direkte hibát követett el a könstrüktőr!
Elárulom én is használtam anno Urbános nyákot , kb 15 évvel ezelőtt és még a mai napig működik .
Oké,akkor én is az urbánost nyomtatom.
A kivágott képet Sprint Layout-ban lemásoltam. Felteszem,hátha segítek vele valakinek. A nyák tükrözve volt,egyszer már beleestem egy ilyen csapdába,hogy a tükrözött nyákot másoltam le,és azt vasaltam fel. Szerencsére ott csak egy műveleti erősítő került a nyák másik oldalára! |
Bejelentkezés
Hirdetés |




) 







