Fórum témák
» Több friss téma |
Ez még jobb választás lehet. Ráadásul 12bit mellett hozza ezt a sebességet.
Sziasztok!
Köszönöm a válaszokat mindenkinek. A tokozás csak annyiban befolyásol, hogy olyan legyen, amivel otthoni környezetben is tudok dolgozni. A tqfp 64 az nem ilyen... Hp41C: Az említett mikrovezérlő nagyon jónak tűnik, főleg a gyors A/D miatt, de mindenképpen PIC32-vel kell dolgoznom, ez adva van. Ezért gondoltam a PIC32MX250F128B-re.
Sziasztok!
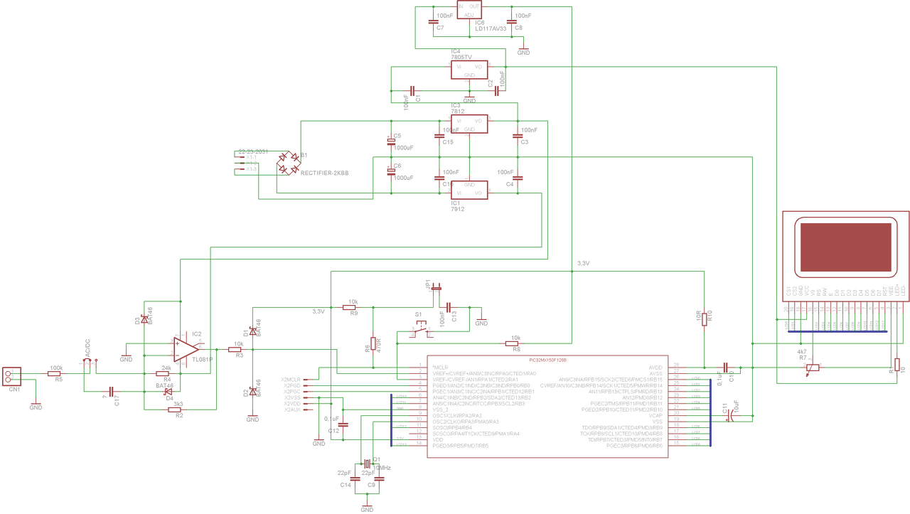
Megint jönnék egy kis segítséget kérni. Mostanra elkészült a kapcsolási rajz, de mivel első mikrovezérlős tervem, biztos van benne hiba. Leginkább az LCD, és a PIC bekötése bizonytalan számomra. Egy nyomógomb van bekötve, ezzel majd a kijelzőre rajzolt periódusok számát szeretném változtatni. Ezen kívül lehet még valamire feltétlen szükség? Csak +/- 5V-os tartományban mérne azon a frekvencián, amit a PIC ADC-je elbír.
A nyomógombbal tennék párhuzamosan kondit pergésmentesítésre.
Ellenőrizted a pic lcd-re menő lábait hogy bemenetként 5V kompatibilisek? Már ha olvasni is kell az LCD-t... Az LCD bemenetnek elég lesz a kb 3V körüli vezérlés? Én inkább 3V-os LCD-t választanék. Az LCD D0...D7 bitjeit valamelyik port alsó bitjeire kötném mondjuk b0...b7 persze sorrendben, különben jót lehet mazsolázni mire összevadászod a 8 bitet. A programozólábakat meg b10/11-re. Idézet: „Ellenőrizted a pic lcd-re menő lábait hogy bemenetként 5V kompatibilisek?” Alig van 5V-tűrő lába ezeknek a 32MX-eknek. Idézet: „Én inkább 3V-os LCD-t választanék.” Olyat nehéz venni (ergó drága). Sokkal olcsóbb odarakni pár szintillesztő IC-t (egy 74AHCT244 vagy 245-öt a csak kimeneteknek, egy 74AHC245 + egy 74AHCT245-öt sorbakötve meg az adatlábaknak). A három IC max. 150 Ft, ha nem kell visszaolvasni, akkor ráadásul csak két IC kell.
Sziasztok!
Mekkora hiba, és hogy elkerülte a figyelmem. A szintillesztő IC-vel történő megoldás jól hangzik, valószínűleg ez mellett döntök. A lábak párosítását a nyákterv befolyásolta, így jött ki egyszerűbbre a pályatervezés. A programozást MikroC-ben tervezem, így talán nem jelent nagy gondot, hogy nem sorban van. (Ez csak feltételezés, szóljatok, ha nem így van) Az LCD lábak olvasásán nem gondolkodtam, erre mikor lehet szükség? Köszönöm mindkettőtöknek, sokat segítettetek.
A labak sorbarakasa azert fontos, mert amikor egy byte-ot ki kell irni a kijelzore, akkor nem mindegy, hogy egyszeruen kiirod, vagy elotte rendezgetni kell a biteket, esetleg maszkolgatni, ilyesmi. Lehet ugyeskedni tablazattal, ezzel-azzal, de akkor sem egeszseges. Ugyanis a kijelzore igen gyorsan kell irni. Bar, ha belegondolok.... A kijelzo buszsebessegehez kepest egy 80MHz-es pic32-nek nem okoz gondot egy-ket plusz utasitas.
A kijelzot akkor kell olvasni, amikor a BUSY bitet olvasod, hogy lehet-e irni bele. Tokeletesen meg lehet elni nelkule. Viszont a rajzon a +/- 12V foldje es a tobbi fold nincs osszekotve. Legalabbis en nem latom.
Köszönöm Neked is a segítséget.
![]() Próbálom akkor átrendezni a kijelző bekötését. Jól gondolom, ha nem kívánok visszaolvasni, akkor a kijelző R/W lábát le is lehet földelni?! A rajzon nem látszik, de a vezeték nevének megadásával az Eagle összeköti. Kicsit zavaró lehet, így javítom ezt is. A Pic azon lábait, amik programozásra vannak használva, simán ráköthetem az LCD-re is, vagy kell valami kiegészítő elem? Kicsit utánajártam a PIC és az LCD feszültségkülönbségéből adódó problémának, és a mikroelektronika oldalán azt találtam, hogy ez az adatlábaknál nem jelent problémát, az egyik fejlesztőpaneljükön közvetlen vannak összekötve. Gondolom csak visszaolvasásnál szükséges, hogy a PIC lábai 5V toleránsak legyenek. Javítsatok ki, ha rosszul értelmeztem valamit. A hozzászólás módosítva: Okt 31, 2013
Idézet: Igen.„Jól gondolom, ha nem kívánok visszaolvasni, akkor a kijelző R/W lábát le is lehet földelni?!” Idézet: Azok a labak is sima I/O labak. De erdemes megfontolni, hogy ha azokat a labakat a kijelzohoz hasznalod, akkor nem tudod debuggolni a sw-edet.„A Pic azon lábait, amik programozásra vannak használva, simán ráköthetem az LCD-re is, vagy kell valami kiegészítő elem?” Fuggetlenul a tapfeszultsegtol, az osszekotendo alkatreszeknel tobb dolgot kell nezni, es ezekbol derul ki, hogy ossze lehet-e oket kotni vagy nem. 1) Kimenet max. feszultseg -> bemeneten elviselt max. fesz. Ha utobbi kisebb az elsonel, utobbi alkatresz tonkremehet. 2) Kimenet garantalt min. fesz H-ban -> bemenet min. fesz a H szint eleresehez Ez neha meg 5V-os IC-knel sem megfelelo, mert egyes chipek csak 2.4V-ot garantalnak a kimenetukon, es sok MOS IC minimum 0.7*Vcc feszultseget tekint csak H szintnek. Tehat a meghajto csak 2.4V-ot garantal, de a vevo 3.5V folott tekinti H-nak. Sok adatlap a minimum kimeneti feszultseget csak egy bizonyos terhelo aram mellett adja meg (pl. 4mA), de azt nem adjak meg, hogy egyetlen MOS bemenetnyi terhelessel mekkora feszultseg lesz a kimeneten. Ez szivas, mert akkor nincs meg az adat a tervezeshez. De abban biztos lehetsz, hogy egy 3.3 voltrol jaratott IC-bol semmikeppen nem jon ki 3.5V. 3) ugyanez a procedura az L szintekre, bar ott kevesebb a gond. De nem elhanyagolhato ez a kerdes, amikor bemeneteket diodakon keresztul huznak le L szintre (pl. billentyuzet matrix, ahol minden nyomogombbal sorban van egy Si dioda). Ilyenkor a meghajto labakon garantal max. feszultseg L szintnel es a bemeneten elvart maximum kozott elofordul, hogy csak 2-300 millivolt kulonbseg (margin) van, es ezt egy dioda el is viszi. Pl. LSTTL szabvany szerint a egy kimenet L szintben 0.4V lehet maximum, mig a bemenetek 0.8V alatti feszultseget erzekelnek L szintnek. Van 400mV kulonbseg a ketto kozott. Ez tobb, mint jo. De ha van kozben egy Si dioda, akkor annak a 650mV nyitofeszultsege hozzaadodik a kimenethez, es rossz esetben a bemeneten mar csak 1.05V-ig fog lemenni a feszultseg, ami nem eleg az L szinthez. Tehat, amit az egeszbol ki akarok hozni, hogy meg kell nezni az adalapokat, es az ott leirtakbol kitalalni, hogy mi a jo.
Köszönöm, tanulságok válasz
![]() A kijelző adatlapjából úgy tűnik, hogy az RST lábon kívül az összes lábnál 2V kell a H szinthez. A PIC adatlapjában találtam, hogy az 5V toleráns lábakat lehet Open-Drain lábként konfigurálni, pont ilyen céllal, így csak egy 5V-ra húzó ellenállásra van szükség.
Ennel az open drain meghajtasnal egyre erdemes figyelni, hogy a felhuzo ellenallas es a terheles kapacitasa mekkora felfutasi idot eredmenyez. 100ns-os nagysagrendu idok is kijonnek neha. Ez egy LED-nel nem szamit, de egy kijelzo adatbusznal vagy egy viszonylag nagyobb frekvenciaval (PWM) meghajtott FET-nel mar okozhat meglepeteseket. De a te esetedben ezzel nem kell foglalkozni, mert a 3.3V biztosan eleg az LCD-nek, siman lehet TP kimenettel hajtani.
Itt a kijelző adatlapjának ide vonatkozó része: KS0108 Voltage levels. Ebből gondoltam, hogy az RST lábnak nem elég a 3,3V, viszont már láttam másik kapcsolást, ahol valóban közvetlen volt rákötve.
Akkor hagyatkozok inkább a tapasztalatokra, hagyom ezt az open drain-t, ha még ráadásul nem is túl megbízható vele kijelzőt meghajtani. Köszönöm a segítséget.
Marpedig, ha az adatlapban szereplo RSTB az az altalad emlitett RST, akkor nem eleg neki. Eleg egyertelmu: 0.7*Vdd. Az 3.5 volt. A resethez teljesen jo az OpenDrain meg egy 3.3k, mert ott felengeded a resetet es varsz 1-2 us-ot. Egyszer kell megcsnalni, nincs jelentosege. A tobbi labat meg hajtod rendesen totem pole kimenettel. Aztan nem ritka az olyan, hogy valamit specifikacion kivul hasznalnak es megis mukodik. Lehet, hogy csak hidegben mukodik, de lehet, hogy mindig jo lesz. Gyerekjatekba lehet igy tervezni, de auto- es orvosielektronikaba meg atomeromube, repulogepbe nem.
Gondolom, hogy az RSTB az a reset lábat akarja jelenteni.
Igazából csak egy ellenállás többletet jelent, úgyhogy csinálok neki helyet, és ha nem elég a TP kimenet, akkor beteszem ![]()
Úraim, ki tudna segiteni a STM32F3discovery űgyében.
Előre kőszőnet.
Sziasztok!
Telefonon szeretnék Oszcilloszkóp programot futtatni. Hogyan tudnék olyan védelmet készíteni ami biztosan megyéi a telefon áramköreit. Előre is köszönöm.
Androidos Samsung telefonra töltöttem le egy szót programot és ha jól tudom 1v nál nagyobb feszültséget nem célszerű rá engedni.
Például egy (kompenzált) feszültségosztó, majd 2db (vagy 4db) dióda antiparallel bekötésben.
A feszültségosztó arányosan osztja le a feszültséget, a dióda pedig nem engedi a nyitófeszültsége fölé emelkedni.
Köszönöm az infót. Tudnál egy ilyen kapcsolási rajzot küldeni?
Köszönöm
Nézz át ebbe a topikba, amúgy is oda tartozik.
Sziasztok!
Szeretnék készíteni egy USB-s digitális oszcilloszkópot, két csatornás és legalább 20Msps (/csatorna) mintavételezési frekvenciával. A megvalósításnál a legfontosabb szempont a költség, szeretném a lehető legolcsóbban megoldani, ezért valamilyen PIC mikrovezérlőt használnék (tudom, hogy FPGA-val sokkal jobbat lehetne csinálni, de azt egyelőre hanyagolnám, talán majd később ha nem sikerül másképp). Nem tudom eldönteni, hogy 16 vagy 32 bites mikrovezérlőt használjak (pl: dsPIC33EP256MU806 és PIC32MX440F512H, mindkettő kezeli az USB-t), mert eddig csak a 16F, 18F családokkal foglalkoztam. Mennyire bonyolult a programozásuk? Ahogy nézegettem a páldákat a 32 bitesnél szinte nem is láttam hasonlóságot a 8 vagy 16 bites változatokkal, itt csak mind valami függvények vannak meghívva, fogalmam sincs hogy honnan... Ezt is lehet regiszter szinten kezelni mint a 18F szériát? Az ADC 8 (esetleg 10) bites lenne, párhuzamos kimenettel és ez csatlakozna egy külső 32/64 kbyte-os (SRAM) memóriához vagy esetleg a mikrovezérlő belső RAM-ját használnám helyette. Ha a dsPIC-el kezelném az SRAM címzését (csak a címzést mert az adatvonalak az ADC-től jönnek), akkor azzal elvileg 20MHz-ig is felmehetek (3 utasítás ciklus címzésenként, 70MIPS-en), ha a belső 28kB-os memóriájába menteném a mintákat akkor a címzés és beolvasás miatt már igencsak lecsökkenne a frekvencia... PIC32 esetén gondolom ez kb kétszer gyorsabb lenne, mivel az kb 120MIPS-en megy. Szerintetek melyik megoldás lenne a legjobb, hogy a lehető legnagyobb frekvencián tudjam eltárolni az adatokat, majd aztán ha megtelik a memória akkor USB felküldöm a PC-nek és minden kezdődhet előlről. Esetleg még az is szóba jöhet, hogy a memória kezelésére valami digitális számlálót, PLD-t, esetleg CPLD használjak, így a mintavételezés sokkal nagyobb frekin menne, de ekkor már majdnem lényegtelen a PIC típusa, lehetne akár 18F is, mert az már csak az adattovábbítással foglalkozna. Bármilyen ötleltet, javaslatot, tapasztalatot szívesen fogadok ![]() Üdv, Atti A hozzászólás módosítva: Jan 22, 2014
Senkinek semmi ötlete az előbbi hozzászólásomhoz?
Azt elfelejtettem írni, hogy az analóg rész (a bemeneti fokozat, OPAMP, PGA) és a PC szoftver most nem annyira lényeges, inkább a hardver szíve legyen jól megalkotva, aztán a többit már lehet arra építeni. A PC szoftvert C#-ban írnám, csak nem tudom, hogy az tudja-e elég gyorsan kezelni az USB-n érkező adatokat, mármint a számításokat és az ábrázolást, gondolom ez két külön szálon kellene menjen... Köszönöm előre is!
Köszönöm a javaslatot!
Tapasztalat szerzés céljából mindenképpen megéri, mivel ez lenne a diplomadolgozatom ![]() Tudom hogy lehet vásárolni is, de amit saját magad készítesz az azért mégis csak másabb
Szia !
Korábban már elég sokszor felmerült a témában az SRAM és ADC mikrovezérlővel való címzése. Sebesség tekintetében ez nagyon lassú. A 40MIPS-s dsPIC-el és a 80DMIPS-es PIC32-vel 3-4MSPS mintavételi sebességet lehet elérni és ez idő alatt a mikrovezérlő más feladatot nem tud végezni. Esetleg a Microchip új PIC32MZ sorozatával érdemes próbálkozni. Ez 330DMIPS-s. Címzésre én FPGA, CPLD, CMOS-ic t javaslok. Mivel a saját projektem parkoló pályán van már régóta és az elképzeléseiddel egyezik, ezért úgy döntöttem hogy a kapcsolási rajzokat és a VHDL forrást nyilvánossá teszem. Mintavételezési problémáim voltak. Négy verzió készült, de mindegyiknél ugyanez a probléma merült fel. A tápellátási hibára gyanakodtam, de egyre inkább azt gondolom a CPLD panellal van a probléma. Pontosabban az áramkorlátozó ellenállásokkal. Akkor kezdem a CPLD panellal. A kapcsolási rajzon a lábakat átneveztem. Sajnos ma már nem tudom beszkennelni. Láthatóan más célra készült
Az utolsó, azaz négyes verzió. Szétbontottam a panelt két részre hogy az autorouter külön huzalozza.
Kettes verzió a neve ellenére.
|
Bejelentkezés
Hirdetés |


















