Fórum témák

» Több friss téma
Fórum » TDA7294 végerősítő
 
Témaindító: Dióda, idő: Ápr 17, 2006
Lapozás: OK   502 / 611
(#) Davidd hozzászólása Aug 26, 2014 /
 
Sziasztok! Lenne egy olyan kérdésem, amit szerintem ebben a topikban még nem tettek fel. Mivel a vizsgamunkám egy tda7294 re alapuló iskolarádio lenne, emiatt nem lenne rossz, ha valahogy 110V os rendszert alakitanék ki. Namost a kérdésem az lenne, hogy ezzel az icvel lehet-e ilyet létrehozni, ha igen akkor szimpla vagy híd kivitelben? Tudom kell hozzá kicsatoló trafó, azaz tegyük fel hídat készítek, hogy legyen elég nagy teljesítményü, akkor a trafó primerjét megtekerem 8 ohmra, a szekundert annyira hogy legyen meg a 110V és kész is a nagy valami? Mert ha igen, akkor elég sok szempontból sokkal jobb lenne.
(#) gaben110 válasza Davidd hozzászólására (») Aug 26, 2014 /
 
Szia!Szerintem ahogy leírtad működni fog a dolog, de biztosan kapsz rá pontosabb választ vannak itt akik nagyon vágják ezt.
(#) Szpisti válasza Davidd hozzászólására (») Aug 26, 2014 /
 
Keresel egy APT100 kimenőtrafót, és már kész is a"nagy valami"
Az egy tranzis 100W-os végfok volt, és 100V-os rendszerre dolgozott pont úgy , ahogy neked kell.
De találsz méretezést is ehhez a tipushoz a neten ha nem találsz készen.
Lehet hogy még én is találok egyet a sufniban...
(#) gaben110 hozzászólása Aug 26, 2014 /
 
Én kérdésem az volna hogy mivel tudom egyszerűen megoldani azt TDA7294 végerősítőn hogy csak mély hangot erősítsen azaz bemegy a teljes jel de a kimeneten csak kb 200hz alatti hangok szóljanak.Tölcséres mély láda meghajtására kellene de a ládában nincs hangváltó.Vagy egyszerűbb ha veszek bele hangváltót ami leszűri a magas hangokat?
(#) Davidd válasza Szpisti hozzászólására (») Aug 26, 2014 /
 
Sajnos nincs ilyen trafóm. Tekerünk házilag apummal egy kimenőtrafót, már csak kérdéses hogy egy iskolában, ahol 3 folyosó van folyosónként 2 hangszóró mekkora teljesítmény kellene? Építsek hidat? Biztos ami biztos.
(#) Szpisti válasza Davidd hozzászólására (») Aug 26, 2014 /
 
Oda bőven elég a szimpla megoldás.
Sőt oda elég lenne egy AE785 (BEAG) 50W-os kimenője is.
A hozzászólás módosítva: Aug 26, 2014
(#) Davidd válasza Szpisti hozzászólására (») Aug 26, 2014 /
 
Na akkor okés, szimplám le is van gyártva. Akkor próbálkozom azzal amit az előbb a fentiekben leírtam, annyi hogy akkor csak 4 ohmra fogom a primert megtekerni.
(#) reloop válasza gaben110 hozzászólására (») Aug 26, 2014 /
 
(#) gaben110 válasza reloop hozzászólására (») Aug 26, 2014 /
 
Köszönöm!Megpróbálkozok vele,nagyon jónak tűnik ez a megoldás!
(#) reloop hozzászólása Szept 4, 2014 / 4
 
Sziasztok!
Elkészültem végre a híd-kapcsolás egyszerűsített változatával. A mérete mindössze 74x35mm.
A közös, szimmetrikus-tápos sztereó kiépítés gyakori előfordulása miatt jelföld leválasztást iktattam be.
Az egyik képmelléklet azt illusztrálja milyen szabálytalan kábelezést alkalmaztam a próbához, ennek ellenére teljesen búgás mentes az erősítő.
Figyelembe vettem pár, a fórumban megfogalmazott igényt, így kapott az áramkör egy viszonylag lassú fel és lefutású némítási lehetőséget, valamint 3,5dB-lel növeltem a jelerősítést, mely így 50x-es.
Tesztelés és mérés után összeállítom az utánépítéshez szükséges dokumentációt.
A hozzászólás módosítva: Szept 4, 2014
(#) Alkotó válasza reloop hozzászólására (») Szept 4, 2014 /
 
Remek lett, és elfér a kengyeles rögzítés is (aki olyat akar).
A hozzászólás módosítva: Szept 4, 2014
(#) pont válasza reloop hozzászólására (») Szept 4, 2014 /
 
Nem tudom mit tudsz/fogsz majd még csiszolni a projekten...
Viszont lehet tényleg egy kicsit át kell értékelni az árnyékolt kábel szerepét, hova elengedhetetlen és hova felesleges. Neves gyártók cuccaiban sincsenek mindenhol a "Line" vezetékek árnyékoltból...
(#) reloop válasza pont hozzászólására (») Szept 4, 2014 /
 
Szia! Nemsokára ráncfelvarrást kap a szóló IC-s egyszerű NYÁK, és végre elkezdem gyártani az igényes változat prototípusait. Például ennek az amatőr változatát.
(#) sonny007 válasza reloop hozzászólására (») Szept 4, 2014 /
 
Szép munka!

Ha egyszer felfejlődöm én is hasonló szintre építek én is egy hidat!
(#) gaben110 hozzászólása Szept 4, 2014 /
 
Sziasztok!Normális eset ha a TDA 7294 híd kapcsolásnál ami tökéletesen szól, GND hez képest a két kimenet nem egyforma erősségű?GND+egyik kimenet erősebb jóval a GND+ másik kimenetnél.
Köszönöm!
(#) reloop válasza gaben110 hozzászólására (») Szept 4, 2014 /
 
Szia! A híd második felének IC 2-es lábára megy két 22k ellenállás mindkét 14-es lábról. Félő nem egyformák
(#) gaben110 válasza reloop hozzászólására (») Szept 4, 2014 /
 
Ellenőrizni fogom.
Köszönöm!
(#) zotya1983 válasza reloop hozzászólására (») Szept 5, 2014 /
 
Ez már ránézésre is "ínycsiklandó", ez lesz a következő hídas amit építek,csak még nyákot kell vennem/maratnom hozzá Gratula nagyon szép munka!
(#) gaben110 válasza reloop hozzászólására (») Szept 5, 2014 /
 
Szia!Megtaláltam a hibát ami okozta a GND hez képest eltérő kimenő TDA7294 teljesítményt híd kapcsolásnál.
Igazából én voltam a hibás,mivel én a GND t az RCA kábel GND jelről vettem és oda kötöttem a hangszóró egyik vezetékét másikat meg ugye a kimenetre és ebben az esetben eltért a kimeneti teljesítmény 2 ic között, de nem csak eltér hanem búgós zúgós hangja is volt hol erősebb hol gyengébb zajokat hallottam.Most kivezettem a GND t a tápról na onnan már tökéletes,egyformán szól mindkét IC a híd kapcsolásban és semmi zaj.
Nekem mindkét híd modul külön trafóról-egyenirányító-puffer ról megy, az nem gond ha én most a 2 külön modul GND jét belül közösítettem?Mert ha bedugtam az RCA kábelt az alapból össze zárta a 2 modul GND jét egybe.És a közösített GND t kivezettem hátul így tudom hídba is 2x 150w 8 ohm és anélkül 4x 70w 4 ohm ba használni a végfokot.Ez szabályos így?
(#) reloop válasza gaben110 hozzászólására (») Szept 6, 2014 /
 
Szia! Valóban, a hangszórónak a táptól kell testet adni, ha nem a híd-kapcsolást használod.
A két független táp közösítésére az a jobb megoldás amelyik kevesebb zajt termel. Ha a bemenetnél végzed a közösítést, a hangszórónak az érintett táptól vidd a GND-t.
(#) gaben110 hozzászólása Szept 6, 2014 /
 
Sziasztok!Van egy 10 ledes mono kivezérlés jelzőm, megtudnám azt oldani valahogy úgy hogy TDA 7294 erősítőm mindkét kimenetéről működjön?Jelenleg egyik hangszóró kimeneten van és pont tökéletes ha csúcsba hajtom kigyullad az utolsó led is,de ugye csak akkor működik ha az egyik vagy másik oldalra kötöm, a másik oldalát nem jelzi, össze meg nem köthetem a 2 x150w w híd kimenetet mert akkor olyan mintha párhuzamba kötném és mono lenne meg gondolom nem tenne jót neki.

Nekem az lenne a lényeg hogy mindkét csatornára működjön ha szólnak, ha csak egyik szól akkor is ugyanúgy működjön ha a másik akkor is.Megoldható ez egy db mono kivezérlésjelzővel anélkül hogy közösítem a kimeneteket?
Köszönöm!!
(#) reloop válasza gaben110 hozzászólására (») Szept 6, 2014 /
 
A témájában érdeklődj! Diódák segítségével valószínűleg egyesíthetők a csatornák a kivezérlésjelző számára.
(#) violin válasza reloop hozzászólására (») Szept 6, 2014 /
 
Na ez engem is érdekel....
(#) reloop válasza reloop hozzászólására (») Szept 11, 2014 / 2
 
Megpróbáltam ProfiCAD segítségével lerajzolni az egyszerű híd tervemet.

TDA7294_3.png
    
(#) Gabó válasza aramis hozzászólására (») Szept 18, 2014 /
 
Ööö ebből a képből minden megállapítható, csak a hiba nem...
(#) aramis hozzászólása Szept 18, 2014 /
 
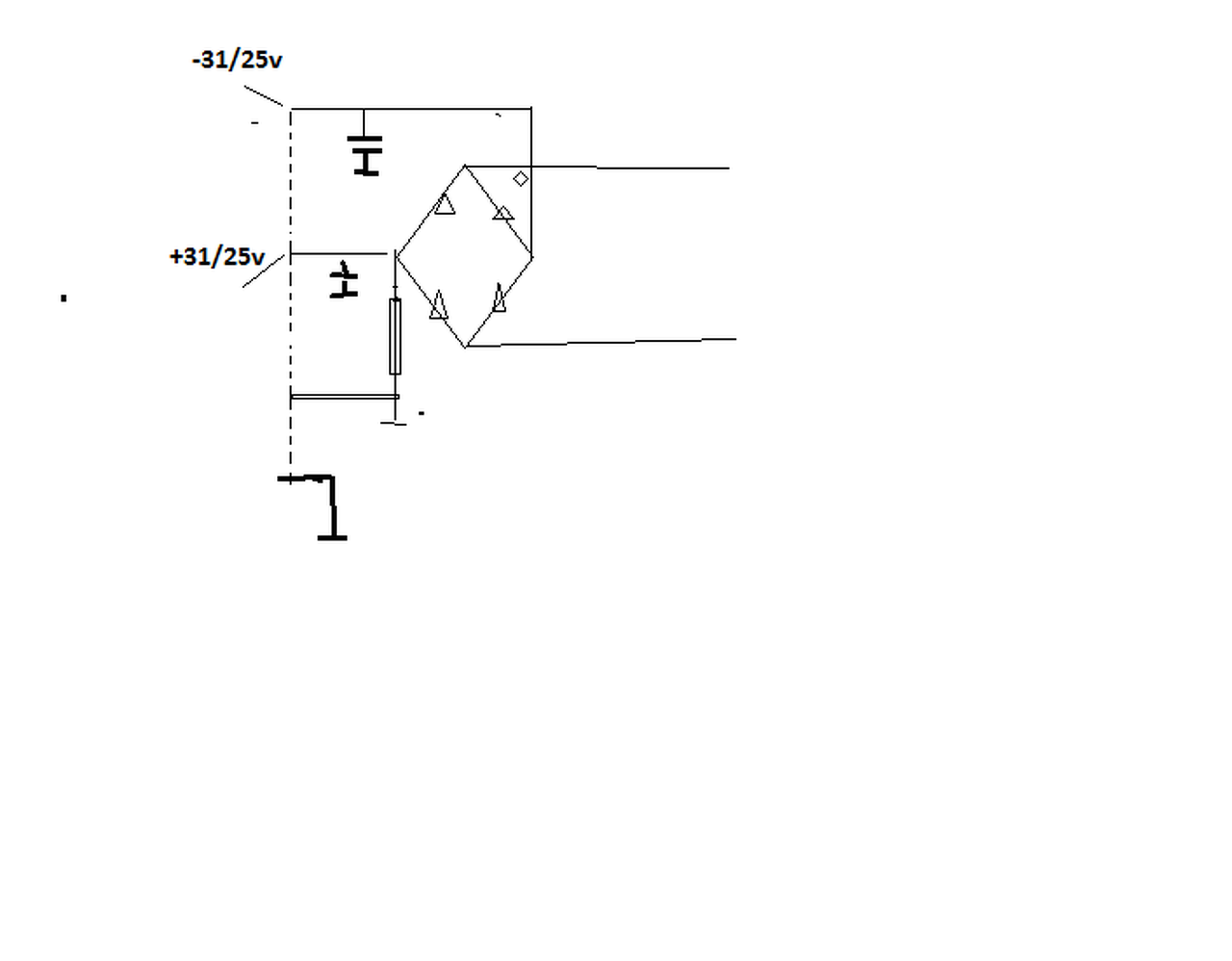
Sziasztok!Segítséget kérek tápegység hiba miatt. A képen látható tápegységen a pozitív 31/25 v és a negatív 31/25 v helyett több mint 55 voltot mérek .kérdésem miért van sokkal több feszültség?

táphi.png
    
(#) lukacsp válasza aramis hozzászólására (») Szept 18, 2014 /
 
Nem tiszta, hogy ki kivel van a rajzon. Csatolok egy rajzot. Így néz ki a tápegységed? Ha nem, akkor az a baj.

tap.jpg
    
(#) Gabó válasza lukacsp hozzászólására (») Szept 18, 2014 /
 
Pont én is most akartam linkelni egy rajzot, de gyorsabb voltál. Sajna az elemzéssel sok idő ment el
(#) aramis válasza Gabó hozzászólására (») Szept 18, 2014 /
 
Szia! Most találtam meg erről a tápról van szó.
és nem tudom miért nagyobb a feszültség.

RA6363S_4.pdf
    
(#) lukacsp válasza aramis hozzászólására (») Szept 18, 2014 /
 
Azért, mert a rajzolós kislány akinek el kellett készíteni a kapcsolási rajzot titkárnő képzőbe járt, nem műszaki iskolába. A graetz híd még csak véletlenül sem úgy néz ki mint ezen a rajzon, hanem úgy ahogy azon a rajzon amit én csatoltam. Nézd össze hogyan állnak a diódák a két rajzon.
Következő: »»   502 / 611
Bejelentkezés

Belépés

Hirdetés
XDT.hu
Az oldalon sütiket használunk a helyes működéshez. Bővebb információt az adatvédelmi szabályzatban olvashatsz. Megértettem