Fórum témák
» Több friss téma |
Fórum » Házilag építhető fémkereső
Mondjuk ilyet bármikor tudnánk csinálni, mármint aki autoCAD-hez is konyít. Aztán - bár nem néztem még utána - biztosan van olyan szoftver, ami autocad-ből 3D nyomtatásos kódra átalakítja a modellt.
Nemrég készítettem egy 3D nyomtatót, a terveket simán megtudod rajzolni Fusion360-ban, abban van egy olyan opció ami .stl fájlba menti a tervet. Azután annyi dolgod van, hogy Slic3r, Cura stb.-vel "felszeleteled" vagyis rétegekre bontod, hogy nyomtatható legyen. A kitöltést is tudod szabályozni, még ha akarod 0%-os is lehet, vagyis csak a falak maradnak meg. Tudsz választani kitöltési mintát, méhsejt, 3Dméhsejt, vonal stb. Be kell vallanom nagyon megtetszett, ha valakit érdekel akkor itt a fórumon is van egy jó kis topik ahol olvasgathat.Itt
Lehet szépeket nyomtatni, de mivel nekem elég kicsi a nyomtató felületem (15x15) ezért fejet nem igazán tudok rajta. Nagyon nagyon lassú, kell figyelni rá, néha meg el is rontja.
nem kell, hogy egészben kinyomtasd a fejet, tervezd meg úgy, hogy 4 negyedből álljon és összekapcsolhatók legyenek.
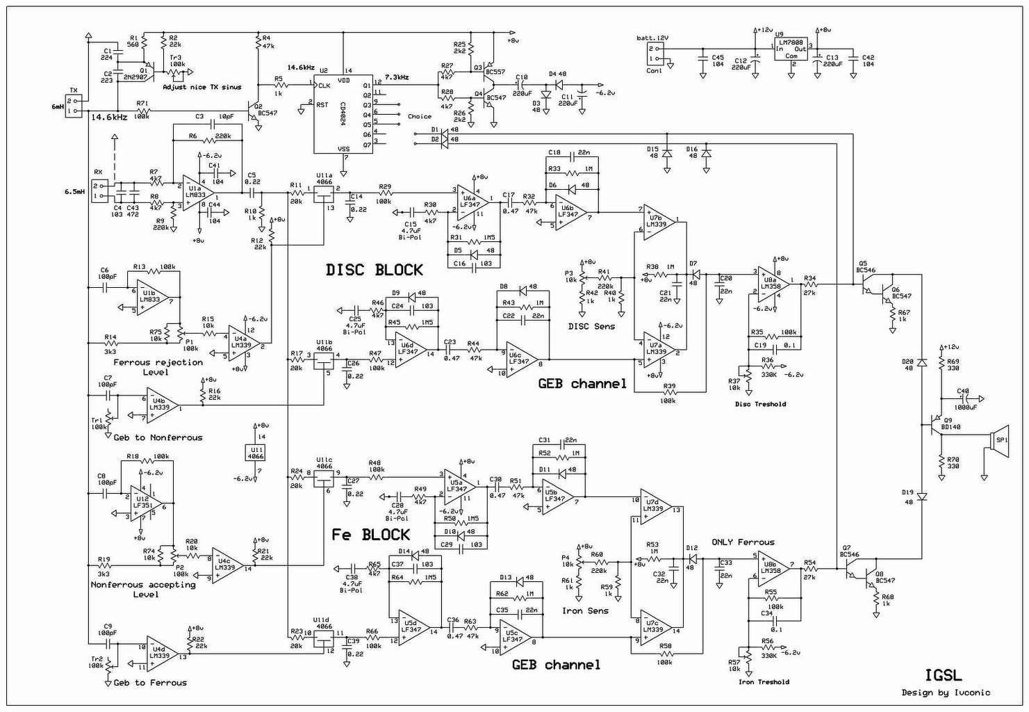
Igen, gondoltam rá de még nincs szkópom amivel megnézzem mi nem jó az IGSL-be, azóta hanyagoltam a témát. De most épül egy nagyobb nyomtató amibe simán be fog férni egy 30-as keresőfej. Amire az kész lesz arra az IGSL is fog muzsikálni (remélhetőleg), na akkor nyomtatok egy fejet. Mondjuk szerintem abba is fog kelleni valamennyi gyanta/ragasztó, hogy rögzíteni tudjuk majd a tekercseket.
Sziasztok! Ez valakit érdekel? Élesztve, csak egy fejet kell hozzá gyártani.
![]() (Jún 27, 2014 hozzászólás) A hozzászólás módosítva: Okt 26, 2018
Összeraktam egy gépet. Lecseréltem a mega328-as mikrokontrollert egy hasonszőrű kínai csodára, ami LGT8F328P névre hallgat. Kicsit többet tud, mint az Atmega. Van benne DAC, amit nagyon jól lehet használni, illetve nem 10, hanem 12 bites az ADC-je, illetve 32 MHz-en ketyeg. Negatívumként azt lehetne fölhozni ellene, hogy nem tartalmaz EEPROM-ot, helyette a FLASH tárhelyet használja. De ez ellen lehet tenni egy külső I2C buszos EEPROM-mal.
Többet ki tudtam hozni belőle, mint az Atmegás gépből. Nem 2, hanem 3 frekin tud működni, mindhármon hangolt adó és vevő körrel. A találat anyagától függően változik a hangszín, a jel erősségétől pedig a hangerő. Ha az erősítők valamelyike kiül, mert közeli a találat, akkor arra figyelmeztet. Az MCU-ban van belső RC órajel generátor is, de használható külső kvarc is az órajel előállításához. Így módomban állt kipróbálni ugyanazon a gépen RC órajelet és kvarcot is. Annak ellenére, hogy a 32 MHz nagyon le van osztva, így a fáziszaj átlagolódik, de ennek ellenére zajos a gép RC órajel generátorról.
Szép munka, mint mindig!
egyszerü fémkereső kapcsolási rajzot valaki küldene? ami legalább 25-30 cm távról jól érzékel és valaki megépitette e már, hogy érdemes e belefognom
Az hogy egyszerű-e vagy sem csak nézőpont kérdése, de nagyon egyszerűt nem fogsz találni. Meg az se mindegy hogy egy kis ezüstpénzt kell érzékelnie arról a távolságról vagy egy radiátort.
![]() Mikrovezérlős gépet nem építettem, szerintem már nem is fogok, de amennyire tudom azok is csak a szolgáltatásaikban sokkal jobbak, érzékenységben nem, de ezt majd megerősíti vagy megcáfolja akinek van. Idézet: „Mikrovezérlős gépet nem építettem, szerintem már nem is fogok, de amennyire tudom azok is csak a szolgáltatásaikban sokkal jobbak, érzékenységben nem, de ezt majd megerősíti vagy megcáfolja akinek van.” Egy mikrovezérlővel sokkal pontosabban lehet időzíteni, mint mindenféle analóg módon, és egy fázisdetektornak ez az egyik legfontosabb. Persze ettől nem lesz érzékenyebb, csak stabilabb. De a stabilabb az jobb. De persze ez is függ a programtól. Ha megszakításokkal történik az időzítés, az kevésbé jó, mint ha direkt timerrel.
Aztok a Surf-nál eléggé bonyolultabbak, amik 25-30cm-ről érzékelnek. Ha a Surf nem ment, csak bosszúságod lesz.
Nagyobb érmét a surf is hozott a levegőben viszonylag jól. Egy 22cm átmérőjű 26 menetes tekerccsel a 20Ft-ost 23 centiről, az 50Ft-ost 24 centiről. De ha feltettem egy fejhallgatót akkor ezek az értékek 28 és 29cm-re adódtak, mert a fejhallgatóban könnyebb volt érzékelni az apró változást. Csak épp terepen volt használhatatlan mert a talajt is jelezte minden lendítésnél.
Idézet: Ugyanez volt a bajom vele, ezért nem lehet az érzékenységét növelni. A föld egyenetlensége, földbuckák teteje bejelzett. „mert a talajt is jelezte minden lendítésnél.”
Úgy úgy. Ha meg levettem az érzékenységből akkor annyi sem maradt belőle mint egy BFO-é, szóval kb. a használhatatlan kategória. De az asztalon nagyon szépen működik.
![]()
A tekercs arnyekolasat hova kell kotnom? A minuszra?
GND-re.
pinpointernek szereném megcsinálni de a hangszóró ezen hova megy?
Sehová. Behangolod 140 kHz-re, és az oszcillátor fém okozta változását detektálod egy AM rádióval. Oda van írva, ahonnan letöltötted.
láttam neten sima pittyenős egyszerü fémkereső pl mint a bfo stb... valakinek kapcsolási rajza nem lenne ilyenröl? télleg sima egyszerü pinpointernek lenne, az előző nem vált be
Equinox kapcsrajzát valaki elküldnené?
Bővebben: Link
2014 januar 13-as hozzászólásokat olvasd el. 100-ik oldal. A hozzászólás módosítva: Dec 14, 2018
Ha jól emlékszem megcsináltad a surf-ot, csak nem jól működik. Az equinox élesztése sem egyszerűbb, ha gond van, de a surf sokkal jobb, az equinox sokkal rosszabb konstrukció. Inkább a surf-ot lődd be.
Építsed meg a geotech-en (is) található FelezJoo PI gépet. Egyszerűbb, mint az Equinox.
Építek a fiamnak egy gépet. A többihez képest egyedi gép lesz. Találtam egy kis rendellenességet az ATmega328-ban. Ezt kihasználva egy nagyon egyszerű felépítésű, de teljes értékű vasat lehet építeni belőle. Multitone hanggal, ami a találat anyagától függően változik. 2 li-ion celláról üzemel, automata, szabályozható fényerejű LCD háttér világítással, magyar nyelvű menürendszerrel, fejkiegyenlítés és akkufesz méréssel, meg jó pár egyébbel. 10 kHz-es frekin működik a gép. A nyákon tényleg kevés, és olcsó alkatrésszel, de ennek ellenére nincsen benne kompromisszum.
Mivel gyereknek készül, így a súlyával csínján kell bánni. Ezért külön csináltam neki egy fejet, ami 430 grammosra sikerült. A gépnek felteszem a kapcsolási rajzát is. Ha netán lenne rá érdeklődő, akkor nyáktervvel, és kóddal is szolgálok. Mivel a központi egysége egy Arduino Nano, így a programozásához semmi egyéb hardver nem kell, csak egy ingyenes szoftver. A kapcsolási rajzon sajnos pár érték nem túl helyesen szerepel, mivel a Debian-en nem akar helyesen futni az ExpressSCH és nem jeleníti meg a "µ" karaktert. Ezért helyette csak "m" található.
dobtam rá egy lájkot
![]() Amúgy milyen rendellenességre céloztál az Atmega-ban?
Egy-két frekvencián 1 db 8 bites timerrel CTC módban elő lehet állítani 2 darab 50-50%-os kitöltési tényezőjű négyszög jelet, amelyeknek az egymáshoz való fázisát állítani lehet. Sajnos a két jel fáziskülönbsége úgymond állandó, de induláskor, állításkor véletlenszerűen indulhat mindkettő fel, vagy lefutó éllel. Tehát a két négyszögjel fázisa 180 fokos eltéréssel indulhat, de a kettő közötti idő az mindig ugyanolyan, mint amilyenre be lett állítva. De mivel magának a négyszögjelnek a fázisa véletlenszerűen indul, így 4-féle módon tud indulni. Amiből csak 1-féle mód a helyes. (kicsit nehéz ezt leírni).
Ezért egy referenciához viszonyítva induláskor vizsgálni kell a két jelet. Ha nem helyesen indul, akkor helyesbíteni. Ha ez sikerül, akkor olyan a végeredmény, mind ha 1 timerből 2 timer lenne csinálva.
Jó lenne egy ilyen az unokaöcsémnek a kínai vacak helyett, egy 24 centi körüli fejjel.
Ennél az 50-50%-os kitöltésnél (ami valójában nem lehet annyi mert ugye ahhoz is idő kell amíg felfut meg lefut) mi biztosítja hogy a jel meredeksége nem változik, illetve hogy a jelben nem lehet egy deka fáziseltolódás sem?
A jel meredekségét én nagyon nem tudom mérni, mivel 20 megás szkópom van csak. De az MCU max frekije 20 MHz, és a legkisebb, 2-es osztó mellett 10 MHz-nek kell a kimenetén lennie, és van is. Nagyjából négyszög, de a szkópom a gyenge láncszem. Ha 10 MHz-en fel és le tud futni, akkor a 10 kHz sem lehet neki nagy falat.
A fáziseltolódást pedig a timer oldja meg. Hogy mitől olyan pontos, azt nem tudom. Gondolom sokat számol és időzít. De nincsen fáziszaja, és a fázisok közti eltolást pedig tudnia kell, mert arra (is) készítik őket. A lényeg, hogy teljesen kiegyenlített fejjel is olyan stabil és csendes, mint olyannal, ahol a vevőerősítő szinusza majdnem határolódik. |
Bejelentkezés
Hirdetés |