Fórum témák

» Több friss téma
Fórum » Erősítőhöz való hangsugárzó védelem (koppanásgátló)
Lapozás: OK   187 / 196
(#) btamas81 válasza jimmi12 hozzászólására (») Jan 31, 2023 /
 
Ha holnapig nem késik teszek fel egyet. 12v megy, de csak koppanásgátló(hangszóróvédelem nincs)
(#) btamas81 válasza btamas81 hozzászólására (») Feb 1, 2023 /
 
Itt is van
(#) jimmi12 válasza btamas81 hozzászólására (») Feb 1, 2023 / 1
 
Szia, köszönöm, ez figyeli a kikapcsolást is? Itt a fórumon találtam a csatolt (talán "szamóca" terve) áramkört, némi módosítással ez is jó lehet, a váltó feszültséget le tudom venni a táptrafó szekunder tekercséről, 1n4148 helyett valami gyors UFxxx diódával, ha 24V-os relét használok akkor talán jó lesz...
(#) user1914 válasza jimmi12 hozzászólására (») Feb 1, 2023 /
 
Szevasztok!
Egy kérdést szeretnék feltenni azoknak akik ilyen védőáramkör építésén gondolkoznak.
Három tranzisztor és egy kondenzátor többe kerül-e mint két halott mélynyomó cseréje vagy javítása?
A fenti kiépítést építettem meg anno én is, kiegészítve a fent felsorolttal.
Az elgondolásom lényege, ha az egyik végfok a + tápot adja a kimenetre, a másik a - tápot adja ki, ez a védelem nem csinál semmit. Mindkét mélynyomónak annyi.
Igaz kicsi az esélye az egésznek. De ha már csinálok valamit, akkor az legyen teljes mértékben megfelelő.
Elnézést a felesleges beszólásért.
További szép napot mindenkinek.
Üdv. M.
(#) jimmi12 válasza user1914 hozzászólására (») Feb 1, 2023 /
 
Szia, ebben igazad van, de ha jobban megnézed akkor TPA3110-ben (amihez én szeretném) benne van a DC védelem, nekem csak a be és kikapcsolás elleni "koppanás" elkerülése a célom.
(#) proli007 válasza jimmi12 hozzászólására (») Feb 1, 2023 /
 
Hello! Lerajzoltam, hogy viszonylag hogyan lehet egyszerű eszközökkel megvalósítani. Mivel Te kapcsolóüzemű tápot használsz, kénytelen vagy közvetlen a hálózatot figyelni. Ahhoz célszerűen egy optocsatoló kell. Hogy milyen relé a számodra a megfelelő (ami bontani is tudja a teljesítményt) abban nem tudok tanácsot adni.
A hozzászólás módosítva: Feb 1, 2023
(#) jimmi12 válasza proli007 hozzászólására (») Feb 1, 2023 /
 
Szia, köszönöm, hogy ilyen szuper tervet összedobtál! A kiszemelt relé egy NAIS-JW2SN-24VDC, ennek bírnia kell. Nagyjából értem az áramkör működését amit rajzoltál, a fehér led szerepe nem tiszta..
(#) proli007 válasza jimmi12 hozzászólására (») Feb 1, 2023 /
 
Igazából szinteltolás a szerepe. Hogy a C1 kondi áttudja hidalni azt az időt amíg az opto újra "meg nem szólal". Mert így kb. 3,6V-ig kell hogy a C1 (bázis) felemelkedjen, hogy a tranyó kisüsse a C3-őt. Közbe meg grátiszként látszik is, mikor "elmegy" a 230V.
(#) jimmi12 válasza proli007 hozzászólására (») Feb 1, 2023 /
 
Értem, a csatolt elképzelésem működhet? A korábban csatolt "szamóca" féle terv öszvére a tieddel, a T4 helyére kerülne be az optocsatoló, modjuk oda lehet még kellene a kondi..
(#) proli007 válasza jimmi12 hozzászólására (») Feb 1, 2023 /
 
Több okból nem jó.
- Az optocsatolónak van egy CTR tényezője, mely meghatározza, hogy mekkora Led áramhoz, mekkora kollektoráram tartozik. Itt a relé áramát kellene biztosítania az opto-nak. Tehát sokkal nagyobb Led áramra van szükség. Ez kisebb meghajtó ellenállást és nagyobb teljesítményt jelent.
(A másik kapcsolásban csak egy 100k-t kell lehúzni az optonak.)
- Mivel itt mind két félperiódusban kellene hogy folyjon az áram, vagy egyenirányító hidat, vagy AC optocsatolót kellene használni. De mivel még ekkor sem folyna az áram állandóan, veszteség képződne.
(#) jimmi12 válasza proli007 hozzászólására (») Feb 1, 2023 /
 
Rendben, feladom, módosítom a tervedet a relének megfelelően. Most átköltözök egy időre másik topikba, jó régen nem használtam az sp5-öt és nem indul el a gépemen
(#) zenebolond válasza jimmi12 hozzászólására (») Feb 1, 2023 /
 
Szia. Parancsolj.
(#) jimmi12 válasza zenebolond hozzászólására (») Feb 1, 2023 /
 
Szia, köszönöm, de nincs sp6-om
(#) orcika70 válasza jimmi12 hozzászólására (») Feb 1, 2023 /
 
Esetleg háttér képként beilleszted, megrajzolod.
(#) ptesza válasza reloop hozzászólására (») Feb 10, 2023 /
 
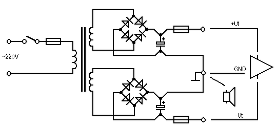
Szia! A B5-ös topikban hívtad fel a figyelmemet erre a kapcsolásra és úgy látom ezzel jobban járok.

Az erősítő egy TDA7294 'monoblokk amihez olyan panelt lett ami a tápegységet is tartalmazza.

Működni fog egy olyan tápmegoldással is ami 2X15V AC trafó van és dupla graetz egyenirányítással +-22V-ot ad ki? Vagy át kell alakítanom olyanra ami egy graetz és a trafó két szekundere középen össze van kötve? Amúgy a trafó 15V-os tekercsének vannak leágazásai 10 és 12V-nál is. Teszek be egy képet róla.

Van 12V relé aminek tekercse 350 Ohm-os. Tudnál segíteni hozzáigazítani a kapcsolásodat az erősítőmhöz?
(#) reloop válasza ptesza hozzászólására (») Feb 10, 2023 /
 
Szia!
A Kopp_3 a melléklet szerint módosul.
Az egyenirányítás és a pufferelés az erősítő pozitív tápjából adott.
A 22 V-os tápfeszültség aligha üti át a MOS-FET gate-et, de biztos ami ziher alapon mehet egy 9,1-12 V-os Zener a gate és a source (test) közé.
Kell majd egy relével soros ellenállás (1-2 W-os) ami a relére jutó feszültséget korlátozza. 330-360 Ω körüli ellenállást ajánlok, a 12 V-os relé a névleges értéke alatt 1-2 V-tal már biztonsággal behúz. Próbáljuk minél kevésbé terhelni a végfok tápját.
(#) jimmi12 hozzászólása Feb 11, 2023 /
 
Sziasztok, a koppanásgátló elkészült és kiválóan teszi a dolgát. Hála és köszönet proli007-nek a tervért.

ui.: a nyáktervet picit módosítottam, helycsökkentés végett, így pontosan "ráillesztető" a TPA modul amit használok.
(#) ptesza válasza reloop hozzászólására (») Feb 11, 2023 /
 
Készítettem hozzá paneltervet. Megtennéd, hogy átfutod? Nem-e kötöttem el valamit. stb...
(#) reloop válasza ptesza hozzászólására (») Feb 12, 2023 /
 
Tedd át a T6 emittert a zöld LED katódjára és R7, R9 közös pontját T5 drain-re! Ez utóbbi sajnos nagyobb felfordulással jár, de sajnos elkerülhetetlen.
(#) ptesza válasza reloop hozzászólására (») Feb 12, 2023 /
 
Jól feladta a leckét de sikerült elég kulturáltan megoldani. Megtennéd, hogy ránézel megint, mert egy kicsit cirógattam itt ott.
(#) reloop válasza ptesza hozzászólására (») Feb 12, 2023 /
 
Alakul! A T3 emittert kösd össze R4-gyel!
A működést nem befolyásolja, de az R1-től T5-ig terjedő alkatrészállományt kicsit balra húznám, R7-R9-nél nagy a tömörülés.
(#) ptesza válasza ptesza hozzászólására (») Feb 12, 2023 /
 
Köszi az átnézést. Sajnos azt a sort már a helyszűke miatt húztam össze, nemigen tudnám úgy javítani, hogy a panel méretet ne növelném meg. Egy kicsit agyalok rajta aztán levasalom. Az eredménnyel természetesen jövök.
(#) ptesza válasza ptesza hozzászólására (») Feb 15, 2023 /
 
Sziasztok!

Elkészült a panel és a fent javasolt bekötéssel hozzá is kötöttem az erősítő panelhez.

Már majdnem jó de valamiért nem úgy működik. Egy kis segítséget szeretnék kérni a javításban.

A zöld LED világít. A relé a táp megjelenésének pillanatában azonnal behúz. Ha elveszem a tápot akkor kb. 2 másodperc múlva elenged. Úgy tűnik nem késlelteti a bekapcsolást.

Egy vezeték darabbal próbáltam DC-t adni az R1 47k ellenállás lábára de sajna nem reagált.

A relé melegszik , de hirtelen csak 3db 100 ohm ellenállásból raktam össze 300 ohm-ot. Lecserélem ha vettem.

Teszek fel képet a panel mindkét feléröl. Bocsi az amatőr kivitelért, de a látásom már messze nem a régi.
(#) reloop válasza ptesza hozzászólására (») Feb 15, 2023 /
 
Szia!
Bekarikáztam ami gyanús számomra.
(#) ptesza válasza reloop hozzászólására (») Feb 15, 2023 /
 
Ez nem csak gyanús!

Megszüntettem. Most csak a piros led világít de a relé be sem húz.
(#) reloop válasza ptesza hozzászólására (») Feb 15, 2023 /
 
A relé árama ezt-azt elgázolt, nekiállok felmérni a lehetséges károkat.
Szerk.: A T4 nagyon valószínű, hogy zárlatos, ezt akár C-E ki is lehet csipogtatni.
Nem árt megnézni D8, D9-et, ha szakadtak azt gondolja az áramkör, hogy nincs AC feszültség.
A hozzászólás módosítva: Feb 15, 2023
(#) ptesza válasza reloop hozzászólására (») Feb 15, 2023 /
 
D8-D9 közös pontján +0,4V mérek. Amúgy a +22V megvan.
(#) reloop válasza ptesza hozzászólására (») Feb 15, 2023 /
 
A T4-et vedd ki, hogy elindul-e a késleltetett bekapcsolás?
Az előbbi hozzászólás módosításába írtam le a három gyanús félvezetőt.
(#) ptesza válasza reloop hozzászólására (») Feb 15, 2023 /
 
T4 szerintem leszállt és nemidult a késleltetett bekapcs sem.
(#) reloop válasza ptesza hozzászólására (») Feb 15, 2023 /
 
Úgy nem indul a bekapcsolás, hogy T4 ki van véve?
Következő: »»   187 / 196
Bejelentkezés

Belépés

Hirdetés
XDT.hu
Az oldalon sütiket használunk a helyes működéshez. Bővebb információt az adatvédelmi szabályzatban olvashatsz. Megértettem